Page image
Page image
Page image
Page image
Page image
Page image
Page image
Page image
Page image
Page image

H.—l7

1890. NEW ZEALAND.

WILLS AND ESTATES ADMINISTERED BY THE PUBLIC TRUSTEE (RETURN RELATIVE TO), FOR EACH YEAR SINCE 1872.

Return to an Order of the House of Representatives, dated 17th July, ISti'J. Ordered, "That there be laid upon the table a return showing, for each year since 1872, (1) the number of wills administration of which has boon accepted by the Public Trustee in each provincial district; (2) the number of intestate estates administered by the Public Trustee ; (3) the number of all otuer estates in the hands of the Public Trustee; (4) the aggregate value of each of the above-named classes of estates administered or managed by the Public Trustee for each year since 1872 ; (5) the average expense of administration or management per estate in each class of such estates for each year since 1872." —(Mr. Walkeb.) « Return to an Order of the House of Representatives, dated 21th June, 1890. Ordered, "That there be laid upon the table a detailed statement of the expenditure incurred by the Public Trustee's Office in the preparation of returns ordered by the House on the 17th July, 188'J, and laid on the table by the Colonial Secretary on the 2Gth Juno, 1890."—(Mr. Walker.)

H.—l7

2

Return of Wills and Estates administered by the Public Trustee.

Number accepted I in each Provincial District. ! 1873. 1874. 1875. 187G. 1877. 1878. 1870. 1880. 1881. 188-2. 1883. I 1884. J 1885. 1888. 1887. 1888. ■ 1, The Number of V ILLS nder A< .ministi •ation by the Public Trustee i: 12 3 2 112 1 u each Provini ;ial Disl ;rict in each Year. 35 Auckland .. .. .. I 2 5 5 2 8 18 17 4 4 5 20 18 30 10 Taranaki 1 7 3 5 9 Hawke's Bay 1 1 .. .. 12 2 3 0 5 I 22 ... .. ! „ 50 46 "7 90 Wellington 1 1 2 3 8 12 15 16 17 28 30 49 6 Marlborough 1 1 1 1 1 2 4 1 i 8 Nelson . 1 1 1 2 3 2 1 1 1 2 3 i * 18 Canterbury 3 5 5 6 1 2 4 5 7 8 7 8 15 Westland 2 3 4 0 17 17 20 9 10 9 59 Otago 1 0 9 14 28 33 36 245 Totals 9 17 23 27 38 86 19 66 ] 83 109 137 130 138 I 2. The Number of Intestate Estates administered by the Public Trustee. I 234 419 575 745 842 921 1,027 I 1,120 1,227 1,273 1,230 1,348 1,410 1,243 1,144 1,111 Total, 3,781. 3. The Number of all Other Estates in the hands of the Public Trustee. 80 121 154 109 229 252 282 312 368 682 828 874 S03 927 953 950 Total, 1,648.

3

H.—l7

Return of Wills, etc. — continued. 4. The Aggregate Value of each of the above-named Classes of Estates administered or managed by the Public Trustee.

5. Average Expense of Administration or Management per Estate in each Class for each Year.

6. Average Expense of Administration or Management per Estate per Centum.

Notes. In the section of the return relating to wills, only those wills which have been finally accepted by the Board of the Public Trust Office and administered have been included. In each of the three classes of estates the total number of estates under management in each year is shown, as also tho total number of estates managed by the Public Trustee during the whole period. The average expense of administration or management: The Public Trust Office remuneration being mainly by way of commissions ranging from 7 per cent, to 2 per cent, on property realised and income received, the effect of reducing these charges to an annual average per estate brings out tho result shown in the return, the amounts, of necessity, coming out apparently lower than the scale, for an estate may be under management for some years subject to the charge on income, which reduces the rate of charge when calculated on the capital value. Thus, if an estate worth £100 is managed for a year for a commission of 5 per cent, on its income of, say, £6, the cost of managing that ostate for tho year would be 6s. per cent, on the capital value; tho charge for realisation once made does not recur. The average has been calculated two ways : to show the average per estate, and the average per cent. Public Trust Office, R. C. Hamerton, Wellington, 24th June, 1890. Public Trustee.

1873. 1874. 1875. 1870. 1877. 1878. Wills Intestate estates .. All other estates .. £ s. d. j 6,038 10 0 4 22,665 5 0 35 14,560 10 0 23 I £ s. d. £ s. d. 4,960 10 0 18,970 0 0 5,433 5 0 30,817 0 0 3,572 10 0 29,545 10 0 £ 27,079 43,612 34,536 s. d. £ s. d. I £ s. (1. 0 0 33,178 0 0 37,410 0 0 10 0 50,799 10 0 54,366 10 0 10 0 36,586 0 0 89,629 0 0 j 1879. 1880. 1880. 1881. ,| 1862. 1888. Wills Intestate estates .. All other estates .. £ s. d. 36,458 0 0 51,968 0 0 42,007 0 0 £ s. d. 09,340 0 0 64,164 14 0 54,076 0 0 | £ s. d. 71,200 10 0 72,391 10 0 68,162 0 0 i s. d. 70,105 0 0 78,426 0 0 428,915 10 0 £ s. d. 80,850 10 0 84,718 15 0 SCI,136 10 0 1884. 1885. 1880. 1887. 1888. Wills Intestate estates .. All other estates .. £ s. d. 90,207 12 0 98,317 15 0 881,250 0 0 £ s. d. £ s. d. 125,753 0 0 124,510 10 0 107,117 15 0 102,720 0 0 902,152 0 0 914,843 10 0 £ s. d. 175.30S 10 0 111,010 0 0 954,421 0 0 £ s. d. 187,436 0 0 115,936 10 0 1,002,950 0 0

1873. 1874. 1775. 1876. 1877. 1878. | 1878. 1880. Wills Intestate estates .. All other estates .. £ s. d. .. 42 8 8 .. 0 0 1 .. 0 16 £ s. d. ' £ s. d. 41 2 7 I 81 9 2 2 12 7 I 1 5 5 0 19 10 j 0 13 8 £ s. d. 21 11 3 14 4 0 5 5 £ s. a. £ s. a. £ s. a. £ s. a. 13 13 8 6 3 5 4 8 5 15 17 5 0 19 0 1 1 10 0 14 4 0 13 7 008(046 050:046 i 1881. 1882. 188.-!. £ s. d. £ s. d. 10 2 7 10 2 4 1 0 10 0 19 11 0 7 4 1 19 3 1884. 1 1885. 1886. 1887. 1888. Wills Intestate estates .. All other estates .. £ s. d. .. 13 11 1 .. 0 19 11 .. 0 11 0 £ s. a. 8 3 0 0 17 4 2 0 11 £ s. d. £ s. d. £ s. d. £ s. d. 19 8 9 : 10 19 3 10 15 5 12 4 11 17 11 13 9 148 1 14 4 2 17 8 235 26 8 2 11 4

1873. 1874. 1875. 1876. 1877. 1878. 1879. 1880. Wills Intestate estates .. All other estates .. £ s. d. 0 13 0 0 0 1 0 0 9 £ s. d. 1 13 2 3 2 2 0 10 2 £ s. d. 1 14 4 1 19 8 0 0 11 £ s. d. : £ s. 3. ' £ s. d. 0 14 4 ■ 0 14 0 0 7 7 2 1 71 112 41 117 0 028042:02 11 £ s. a. £ s. d. 0 0 7 0 12 10 18 4 13 9 0 3 4 10 2 7 I 1881. 1882. 1883. 1884. 1885. 1886. 1887. 1888. Wills Intestate estates .. All other estates .. £ 8. d. 0 13 8 1 13 0 0 5 11 £ s. a. 0 14 2 1 13 10 0 12 £ s. d.( 0 15 4 1 1 8 11 0 8 9 £ s. d. £ 8. d. 0 14 0 1 1 13 3 1 3 9 | 1 16 9 0 4 10 5 6 £ s. a. 14 2 18 9 0 4 5 £ s. a. £ s. a. 0 16 0 ' 0 18 0 1 5 3 1 12 11 0 4 8 0 4 7

H.—n

4

Names of the Officers engaged upon the Work of preparing the Return, and the Amount drawn by each; also the cost of Stationery used, and the Amount charged by the Property-tax Department for Values furnished. £ s. d. J. C. Moginie ... ... ... ... ... ... 46 14 6 J. J. M. Hamilton ... ... ... ... ... ... 38 14 0 E. F. Warren ... ... ... ... ... ... 35 17 0 T. S. Ronaldsou ... ... ... ... ... ... 35 1 3 C.J.Alexander ... ... ... ... ... ... 35 6 9 J. C. Small ... ... ... ... ... ... 35 1 3 R. J. Buckland 35 1 3 H.Beyer 21 12 0 R. A. Pyke ... ... ... ... ... ... 9 12 0 A. de Castro ... ... ... ... ... ... 17 14 0 H. Oswin 8 12 8 T. D. Kendall ... ... ... ... ... ... 9 12 6 H. Hewson ... ... ... ... ... ... 9 16 0 S. G. Hamerton ... ... ... ... ... ... 956 R. Whitaker ... ... ... ... ... ... 1 10 0 Paid Property-tax Department ... ... ... ... 7 10 0 Stationery: 2 reams, specially ruled ... ... ... ... 2 10 0 Total ... ... ... ... £359 10 8

Analysis of the Time occupied and Work involved. Two reams of paper (all but a few sheets) were used to schedule the information taken out. In compliance with the order of the House, the total value of each estate during each year it remained in the office, also the total charged each year for its administration or management, had to be ascertained, making a group of two separate totals for each year for each estate; and, as the schedules prepared show that on an average each estate runs into five years' accounts, five groups of two separate totals were required, involving the getting out of 24,773 groups of totals. The value of all unrealised property both real and personal where not known had to be ascertained, and in the ease of leases under which improvements belonged to lessees the value of such improvements had to be ascertained and deducted from the figures used, and summaries of all the above had to be made to arrive at fina,l totals. Prior to 1881 it was not the practice to collate the assets of an estate into any book, in consequence of which it became necessary to refer to the respective files of papers to get at unrealised assets. The total number of estates administered or managed, arranged in the three separate classes as indicated in the return (one of which classes was also arranged provincially), had to be ascertained; also the total number of estates administered or managed for each year since 1872; also the aggregate value of each of three classes for each year since 1872, and the average and aggregate expense of administration or management per estate in each class for each year since 1872. The compilation of the above information would involve the casting up of some 4,500 columns of figures. Taking into view the whole of the work in connection with the return, and reducing it to an average per estate for each year's group of totals, it is found that— (1.) Total time occupied in the preparation of the return in the Public Trust Office, 2,930 hours; (2.) Total number of groups of annual values and cost of management, 24,773; and (3.) The average time for working out and completing each group of two separate totals was 6 minutes 114 seconds. The method of working out these facts is shown below : —• Total number of estates administered, 5,674. Total number of hours worked, 2,930. Therefore—s674) 2930 (Oh. 30m. 59secs. 60 175800 17022 5580 60 334800 28370 51100 51066 34 Thus, the average time taken per estate, 30 minutes 59 seconds.

5

H.—l7

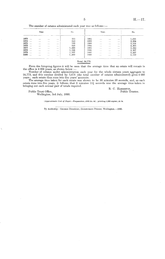
The number of estates administered each year was as follows:—

Total, 24,773. From the foregoing figures it will be seen that the average time that an estate will remain in the office is 4-366 years, as shown below : — Number of estates under administration each year for the whole sixteen years aggregate to 24,773, and this number divided by 5,674 (the total number of estates administered) gives 4-366 years ; each estate thus runs into five years' accounts. The average time taken for each estate was shown to be 30 minutes 59 seconds, and, as each estate runs into five years, it follows that 6 minutes 11* seconds was the average time taken in bringing out each annual pair of totals required. R. C. Hamerton, Public Trust Office, Public Trustee. Wellington, 3rd July, 1890. [Approximate, Cost of Paper.— Preparation, £359105. Bd.; printing (1,300 copies), £4 2s.

By Authority : George Didsbury, Government Printer, Wellington.—lB9o.

Year. N.i. Year. No. 1873 .. 1874 .. 1875 .. 1876 .. 1877 .. 1878 .. 1879 .. 1880 .. 315 542 733 928 1,088 1,196 1,337 1,400 1881 1882 1883 1884 1885 1886 1887 1888 1,031 2,004 2,124 2,305 2,382 2,307 2,227 2,199

This report text was automatically generated and may include errors. View the full page to see report in its original form.I whakaputaina aunoatia ēnei kuputuhi pūrongo, e kitea ai pea ētahi hapa i roto. Tirohia te whārangi katoa kia kitea te āhuatanga taketake o te pūrongo.
Permanent link to this item
Hononga pūmau ki tēnei tūemi

https://paperspast.natlib.govt.nz/parliamentary/AJHR1890-I.2.3.2.18

Bibliographic details
Ngā taipitopito pukapuka

WILLS AND ESTATES ADMINISTERED BY THE PUBLIC TRUSTEE (RETURN RELATIVE TO), FOR EACH YEAR SINCE 1872., Appendix to the Journals of the House of Representatives, 1890 Session I, H-17

Word count
Tapeke kupu
2,111

WILLS AND ESTATES ADMINISTERED BY THE PUBLIC TRUSTEE (RETURN RELATIVE TO), FOR EACH YEAR SINCE 1872. Appendix to the Journals of the House of Representatives, 1890 Session I, H-17

WILLS AND ESTATES ADMINISTERED BY THE PUBLIC TRUSTEE (RETURN RELATIVE TO), FOR EACH YEAR SINCE 1872. Appendix to the Journals of the House of Representatives, 1890 Session I, H-17

Log in or create a Papers Past website account

Use your Papers Past website account to correct newspaper text.

By creating and using this account you agree to our terms of use.

Log in with RealMe®

If you’ve used a RealMe login somewhere else, you can use it here too. If you don’t already have a username and password, just click Log in and you can choose to create one.


Log in again to continue your work

Your session has expired.

Log in again with RealMe®


Alert