Page image
Page image
Page image
Page image
Page image
Page image
Page image
Page image
Page image
Page image

G.— lk.

1908. NEW ZEALAND.

NATIVE LANDS AND NATIVE-LAND TENURE: INTERIM REPORT OF NATIVE LAND COMMISSION, ON NATIVE LANDS IN THE COUNTY OF TAURANGA.

Presented to both Houses of the General Assembly by Command of His Excellency.

Native Land Commission, Rotorua, 11th June, 1908. To His Excellency the Governor. May it please Your Excellency,— We have the honour to submit a further report on Native lands in the Tauranga County. The Maoris in this county are divided into three parties— those residing in the southern part of the county, whose lands have already been dealt with by us in an interim report dated the 28th March, 1908; those in the central part; and those in the northern part. This report deals with the lands of the Maoris in the central part. The area we propose to deal with in this report is 42,970 acres 3 roods 28 poles. The land in the northern part of the county will be reported on when we have met the Maoris interested, who are connected with the Ngatihaua Maoris resident in or near Waharoa. The bulk of the lands in the Tauranga County (central portion) were confiscated, and the lands now owned by the Maoris were handed back to them for their sustenance and support. There are 2,040 Maoris in the county, and 1,999 Europeans. When the lands in the northern part are dealt with it will be found that the area of land left to the Maoris for their own occupation, and leased to Europeans, will not amount to 90,000 acres, or less than 45 acres each. The area possessed by Europeans per head will be at least three times as great as that left to the Maoris. The Maoris on the whole seem active and energetic. Most of the county work and of the farm labour of the Europeans is done by the Maoris, and but for this supply of Maori labour it would be impossible to carry on farming. The Maoris are also employed in agriculture for themselves, and produce maize, wheat, oats, and root-crops. They have been successful also in dairying, and have on one block of land four hundred milking-cows. There is, however, little attempt to carry on farming on individualistic lines, and the incorporation system has not yet been tried. They have, however, come to amicable arrangements amongst themselves, so that there is some security of title to the occupants. This, however, is a county in which there is need of guidance by some agricultural expert, so that the undeniable advantages of climate and soil might be better utilised. A small experimental fruit-farm has been started by the Agricultural Department of the Government on 60 acres of land two miles from the Borough of Tauranga. It has not yet been two years in operation, but already the results are surprising. Lemons, peaches, apricots, nectarines, plums, apples,

I—G. Ik.

G.—lk.

pears, &c, and all kinds of vegetables grow well. The head of the department (Mr. Palmer) informs us that this farm far excels Waerenga and Moumahaki in productiveness. The Maoris have not yet paid any attention to fruit or garden culture, and it appears to us that some of their young lads might be trained at this farm. We would recommend that from time to time six cadets be employed say for two years, and be paid a small wage. This would train them in the art of fruit or garden culture. That the Maoris make excellent workers in this kind of industry has been proved in the Rotorua County. Both Europeans and Maoris need to have their attention directed to the possibilities of the Tauranga County. We found various kinds of produce imported into Tauranga that could be better raised in Tauranga than in any other part of New Zealand. Potatoes are being imported from Australia and the South Island, and garden vegetables from Auckland. Until a proper agricultural expert is appointed to teach the Maoris, might not the Stock Inspector try and arouse the farmers, both European and Maori, to the need of better developing their district ? Our recommendations appear in the schedules, and may be summarised as follows :— A. R. P. 1. Land leased ... ... ... ... ... .. 1,444 0 0 2. Reserved for Maori occupation ... ... ... ... 26,037 136 3. Land to be dealt with under Part I of the Act for general settlement, — For leasing ... ... ... ... ... ... 9,452 1 8 For sale ... ... ... ... 6,037 0 24 Total ... ... ... ... 42,970 328 We have the honour to be, Your Excellency's obedient and humble servants, Robert Stout, A. T. Ngata, Commissioners.

SCHEDULES.

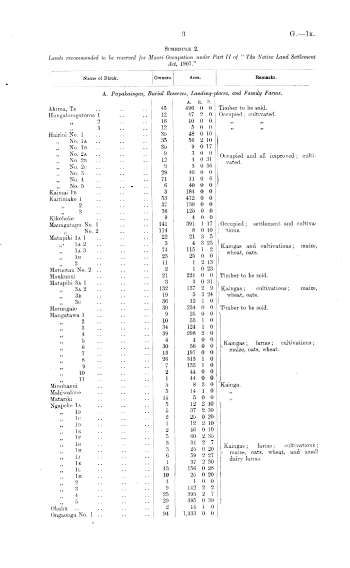
TAURANGA COUNTY. Schedule 1. Lands under Lease or under Negotiation for Lease.

2

Name of Block. Owneis. Area. Remarks. likutawatawa .aramuramu arish of Te Papa, Lot 116a Total 15 15 A. E. P. 1,092 0 0 300 0 0 52 0 "0 1,444 0 0

G.—lk.

Schedule 2. Lands recommended to be reserved for Maori Occupation under Part II of " The Native Land Settlement Act, 1907."

3

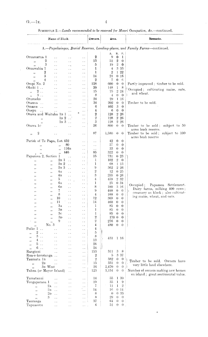
Name of Blook. Owners. Area. Remarks. A. Papakaingas, I burial Ret serves, Landing- \ laces, and Family Farms. Ahiroa, Te Hungahungatoroa 1 2 3 Hairini No. 1 „ No. lA . . „ No. IB . . „ No. 2a .. No. 2b .. „ No. 2c .. No. 3 „ No. 4 „ No. 5 Kaimai 1b Kaitimako 1 2 3 Kikoheke Maungatapu No. 1 No. 2 Matapihi 1a 1 „• 1a2 .. 1a3 IB „ 2 Motuotau No. 2 Moukunui Matapihi 3a 1 3a 2 „ 3b „ 3c Motungaio Mangatawa 1 2 .. 3 .. 4 .. 5 .. 6 .. 7 .. 8 .. 9 •• 10 .. » . H •• Mimihanui Mahiwahine Matariki Ngapeke 1a „ IB „ lc „ "ID „ IE „ If 1g lH „ lJ „ IK „ 1L „ 1m „ 2 „ 3 „ 4 5 Okahu Ongaonga No. 1 .. 45 12 16 12 35 35 35 9 12 9 29 71 6 3 53 37 36 9 141 114 22 3 74 23 11 2 21 3 132 19 36 30 9 10 34 39 4 30 13 26 7 2 1 5 5 15 5 5 2 1 2 5 3 3 6 1 43 10 4 9 25 29 2 94 A. E. P. 496 0 0 47 2 0 10 0 0 5 0 0 48 0 10 56 2 10 9 0 17 3 0 0 4 0 31 3 0 36 40 0 0 11 0 6 40 0 0 184 0 0 472 0 0 138 0 0 125 0 0 4 0 0 391 1 17 8 0 10 21 3 5 4 3 23 115 1 2 25 0 0 1 2 13 1 0 23 221 0 0 3 0 31 137 2 9 5 3 24 12 1 0 234 0 0 25 0 0 55 1 0 124 1 0 298 2 0 4 0 0 56 0 0 197 0 0 313 1 0 133 1 0 44 0 0 44 0 0 8 3 0 14 1 0 5 0 0 12 2 10 37 2 30 25 0 20 12 2 10 46 0 10 60 2 35 34 2 7 25 0 20 59 2 27 37 2 30 156 0 28 25 0 20 1 0 0 142 2 2 395 2 7 395 0 39 14 1 0 1,333 0 0 Timber to be sold. Occupied ; cultivated. j? » »> »j I Occupied and all improved ; cultivated. ) I Occupied ; settlement and cultiva- ) tions. I Kaingas and cultivations ; maize, wheat, oats. Timber to be sold. I Kaingas ; cultivations ; maize, wheat, oats. Timber to be sold. Kaingas; farms; cultivations; maize, oats, wheat. i Kainga. *■> tt Kaingas ; farms ; cultivations ; f- maize, oats, wheat, and small dairy farms.

(I.—lk.

Schedule 2.— Lands recommended to be reserved for Maori Occupation, &c. —continued.

4

Name of Block. | Owners. Area. Remarks. Remarks. A. — Papakaingas, Burial Resi '.rves, La'. iding-places, and I Family Farms —continued. Iruamatua 1 2 3 Ituawahia 1 2 3 4 Iropi No. 2 Ihuki 1 .. „ 2 „ 3 Itumoko Itauna 2 13 5 1 1 14 2 128 20 15 8 24 34 6 4 2 2 3 26 A. E. P. 9 0 1 51 2 0 19 2 0 4 3 33 2 1 22 21 0 16 7 0 6 600 0 0 148 1 8 75 2 24 4 0 0 29 1 16 202 0 0 402 3 0 6 0 0 128 2 26 128 2 26 128 2 26 800 0 0 1,580 0 0 Partly improved ; timber to be sold. I Occupied ; cultivating maize, oats, I and wheat. Timber to be sold. Timber to be sold ; subject to 50 acres bush reserve. Timber to be sold ; subject to 100 acres bush reserve Imanu •nepu •tawa and Waitaha 1b 1 .. IB 2 ..' IB 3 .. Itawa lc „ 2 87 'arish of Te Papa, Lot 452 „ 80 „ 116b „ 446 'apamoa 2, Section 1 2b 1 .. „ 2b 2 .. „ 2b 3 .. „ 4a .. „ 4b .. „ 5 6a „ ,, 6b .. „ 7 „ 8 .. „ 10 „ 11 • .. 3a „ 3b .. „ 3c .. „ 3d .. „ 9 No. 3 'oike 1 .. „ 2 „ 3 .. „ 4 „ 5 „ .6 Unginui lua-o-korotanga 'aumata 1b 2b 3b West 'uhua (or Mayor Is'and) 85 15 1 1 9 2 3 4 1 8 9 4 12 14 1 1 1 2 2 4 4 5 8 13 24 24 153 2 2 15 26 123 42 0 0 57 0 0 33 0 0 322 0 0 731 0 23 102 2 0 68 I 13 362 2 26 12 0 25 255 0 26 459 2 32 25 0 34 100 3 16 460 0 0 100 0 0 369 0 0 460 0 0 85 0 0 85 0 0 85 0 0 170 0 0 276 0 0 480 0 0 Occupied; Papamoa Settlement. Dairy farms, milking 400 cows ; creamerv on block ; a'so cultivating maize, wheat, and oats. - 431 1 16 ) 311 3 8 5 3 37 ; 382 0 0 331 0 0 2,470 0 0 3,154 0 0 I Timber to be sold. Owners have I very little land elsewhere. Number of owners making new homes on island ; great sentimental value. 'umatanui 'ongaparaoa 1 .. 2a 2b .. 2d 3 .. 'auranga 'apuaeotu 14 19 7 55 1 30 35 1 9 11 1 2 16 0 14 0 0 33 29 0 0 64 0 0 51 0 0 14 8 8 37 6

G.—lk.

Schedule 2. — Lands recommended to be reserved for Maori Occupation, &c. —continued.

Schedule 3. Lands recommended for General Settlement under Part I of " The Native Land Settlement Act, 1907."

Approximate Cost of Paper.— Preparation, not given; printing (1,500 copies), _3 10e.6a.

By Authority : John Mackay, Government Printer, Wellington.—l9oB.

Price, 6d.\

2—G. Ik.

5

Name of Block. | Owners. Area. Remarks. A. Papakaingas, Burial Resi wves, La. ling-places, am Family Farms —continued. futaetaka ?irohanga Jmuhapuku 1 2 Waimanu 1a Wharawhara 1 .. 2 tVhareroa No. 2 (part) 19 35 153 31 39 30 9 58 a. e. p. 3 0 0 142 0 0 593 0 0 48 1 0 100 0 0 293 0 0 26 0 0 580 0 0 Cemetery. Timber to be sold. Occupied. Cultivations * maize, wheat, oats. Timber to be sold. iVaoku No. 3 kVeraroa No. 1 .. „ No. 2 „ No. 3 iVaitaia No. 1 „ No. 2 rihanga No. 2a .. 54 49 1 12 7 4 48 500 0 0 100 0 0 82 0 0 20 0 0 22 0 0 3 2 0 5 0 0 ?j >> Cemetery. Landing-reserve. Total 26,037 1 37

Name of Block. Owners. Area. Remarks. # A. For Lease. Irihanga No. 2 .. Ohauiti No. 1 Paengaroa No. 2 .. 48 26 53 A. e. p. 339 0 0 643 0 0 2,890 0 0 4 13 79 2 8 208 0 0 2,268 0 0 54 0 0 1,203 3 26 70 3 14 421 0 36 24 3 4 450 0 0 Milling-timber on block. Partly in Rotorua County. Pukemapu Ruakaka Tauwharawhara Tahawai Parish, Lot 21 Waimanu D „ E „ F „ G 2a 2b „ 2c 34 2 34 2 36 10 50 | 800 0 0 Adjoins forest reserve. Total B. 9,452 1 8 For Sale. Katikati Survey District, Block 8, Section 73 A. e. p. 197 1 0 Poripori lc „ 2a 63 48 2,554 1 0 2,376 0 0 (A number of owners object to sale, \ and wish to retain their interests ( for Maori occupation. Tongaparaoa 2c .. Waimanu 1b 6 39 9 2 24 300 0 0 Money required for improvements and stock. Location to be pointed out by Hori Ngatai on block. Money required for improvements and stock. Whareroa No. 2 (part) 58 600 0 0 Total 6,037 0 24

This report text was automatically generated and may include errors. View the full page to see report in its original form.I whakaputaina aunoatia ēnei kuputuhi pūrongo, e kitea ai pea ētahi hapa i roto. Tirohia te whārangi katoa kia kitea te āhuatanga taketake o te pūrongo.
Permanent link to this item
Hononga pūmau ki tēnei tūemi

https://paperspast.natlib.govt.nz/parliamentary/AJHR1908-I.2.4.3.15

Bibliographic details
Ngā taipitopito pukapuka

NATIVE LANDS AND NATIVE-LAND TENURE: INTERIM REPORT OF NATIVE LAND COMMISSION, ON NATIVE LANDS IN THE COUNTY OF TAURANGA., Appendix to the Journals of the House of Representatives, 1908 Session I, G-01k

Word count
Tapeke kupu
2,070

NATIVE LANDS AND NATIVE-LAND TENURE: INTERIM REPORT OF NATIVE LAND COMMISSION, ON NATIVE LANDS IN THE COUNTY OF TAURANGA. Appendix to the Journals of the House of Representatives, 1908 Session I, G-01k

NATIVE LANDS AND NATIVE-LAND TENURE: INTERIM REPORT OF NATIVE LAND COMMISSION, ON NATIVE LANDS IN THE COUNTY OF TAURANGA. Appendix to the Journals of the House of Representatives, 1908 Session I, G-01k

Log in or create a Papers Past website account

Use your Papers Past website account to correct newspaper text.

By creating and using this account you agree to our terms of use.

Log in with RealMe®

If you’ve used a RealMe login somewhere else, you can use it here too. If you don’t already have a username and password, just click Log in and you can choose to create one.


Log in again to continue your work

Your session has expired.

Log in again with RealMe®


Alert