Page image
Page image
Page image
Page image
Page image
Page image
Page image
Page image
Page image
Page image

G.—lb

1909. NEW ZEALAND.

NATIVE LANDS AND NATIVE-LAND TENURE: INTERIM REPORT OF NATIVE LAND COMMISSION, ON NATIVE LANDS IN RAGLAN COUNTY.

Presented to both Houses of the General Assembly by Command of His Excellency. Native Land Commission, Auckland, 17th December, 1908. To His Excellency the Governor. , May it please Your Excellency,— We have the honour to submit for your consideration a report on Native lands in the Raglan County. Our recommendations are set out in the accompanying schedules : the following is a summary of the information contained therein : — A. E. P, Lands leased ... ... ... ... ... ... 17,638 314 Lauds for Maori occupation, "A" ... ... ... 14,520 0 0 "B" ... ... ... 52,184 1 18 Lands for general settlement — By lease, "A" ... ... ... 2,462 0 0 "B" ... ... ... ... ... 1,650 0 0 -By sale, "A" ... 1,040 0 0 "B" ... ... ... .. ... 10,283 3 24 "C" ... < ... ... ... ... 227 0 0 Total ... ... ... ... ... 100,006 0 16 We have thought it necessary to schedule separately the lands owned by the two Waikato sections in this county. We have already explained, in our reports of the 15th and 16th instant, the position of the tribes acknowledging the leadership of the Hon. Mr. Mahuta, M.L.C., and of the tribes which have seceded under Taingakawa. Our remarks in the report of the 16th instant on lands in the Manukau and other counties, in so far as they relate to the proceeds of the sale of lands for " mana," will apply to lands so scheduled in this report. We have the honour to be Your Excellency's most humble and obedient servants, Robert Stout, ) n ■ . A m at r Commissioners, A. T, Ngata, ) I—G. Ib,

2

G.—lb

SCHEDULES.

RAGLAN COUNTY. Schedule 1. Lands leased or under Negotiations for Lease.

Schedule 2. Lands recommended to be reserved for Maori Occupation under Part II of "The Native Land Settlement Act, 1907"(papakaingas, farms, burial-places, &c.).

Name of Block. Owners. Area. Remarks. .kau, Te,B2 ... „ B9 ... „ B 13 and 14 ... „ B17 ... „ D9 ... „ D10 ... [aramu Parish, Lot 69 ... Ipuatia Parish No. 4, Lot 48 No. 4 „ 44 No. 5a „ 37 No. 5a „ 39 „ No. 5b 2h No. 5b 2c No. 5c No. 1 No. 5c No. 2 No. 7d2 ... Inewhero Parish, Lot 99 (part) 'epepe Parish, Lot 149 ... 'utataka Parish, No. 1a ... Vhangape Parish, Lot 33 Vaipa Parish, Lot 32 „ 49 ... „ 78 ... „ „ > 79a and b „ 80 ... „ 81 ... „ 82a ... „ 82b2... „ 82b 3... 21 7 6 2 1 1 1 'a A. B. P. 1,900 0 0 1,754 0 0 2,000 0 0 600 0 0 730 0 0 478 0 0 94 3 39 500 0 0 353 3 27 188 2 18 141 3 10 427 3 27 147 3 31 323 1 29 486 2 11 861 3 12 3,314 0 0 60 0 0 814 0 0 206 0 0 192 0 0 50 0 0 400 3 37 350 3 37 420 3 31 490 3 35 100 0 0 109 0 0 141 0 0 i i 5 Total 17,638 3 14

Name of Block. Owners. Area. Remarks. A. Lands handed in by Mahuta s Section. kau, Te, B 24, 25, and 26 „ B27 and 28 ... ... I „ B29 ... „ B 30 (part) •newhero Parish, Lot 25 and 26 ... „ 27 „ 50 „ 55, 58, 72, and 74 (part 8) Vhangape Parish, Lot 23 ... „ 47 (part) ... „ 58 (part 7) ... ; „ „ 65 (part) ... a 66 (part) ... ! 4 2 3 3 1 1 A. B. p. 3,802 0 0 2,201 0 0 4,479 0 0 1,119 0 0 126 0 0 44 2 0 108 0 0 1,459 0 0 1495 head of cattle and 230 pigs. J Interests of Te Anau family. 55 2 0 51 0 0 75 0 0 600 0 0 400 0 0 Total ... 14,520 0 0

3

G.—lβ.

Schedule 2— continued. Lands recommended to be reserved for Maori Occupation, &c.—continued.

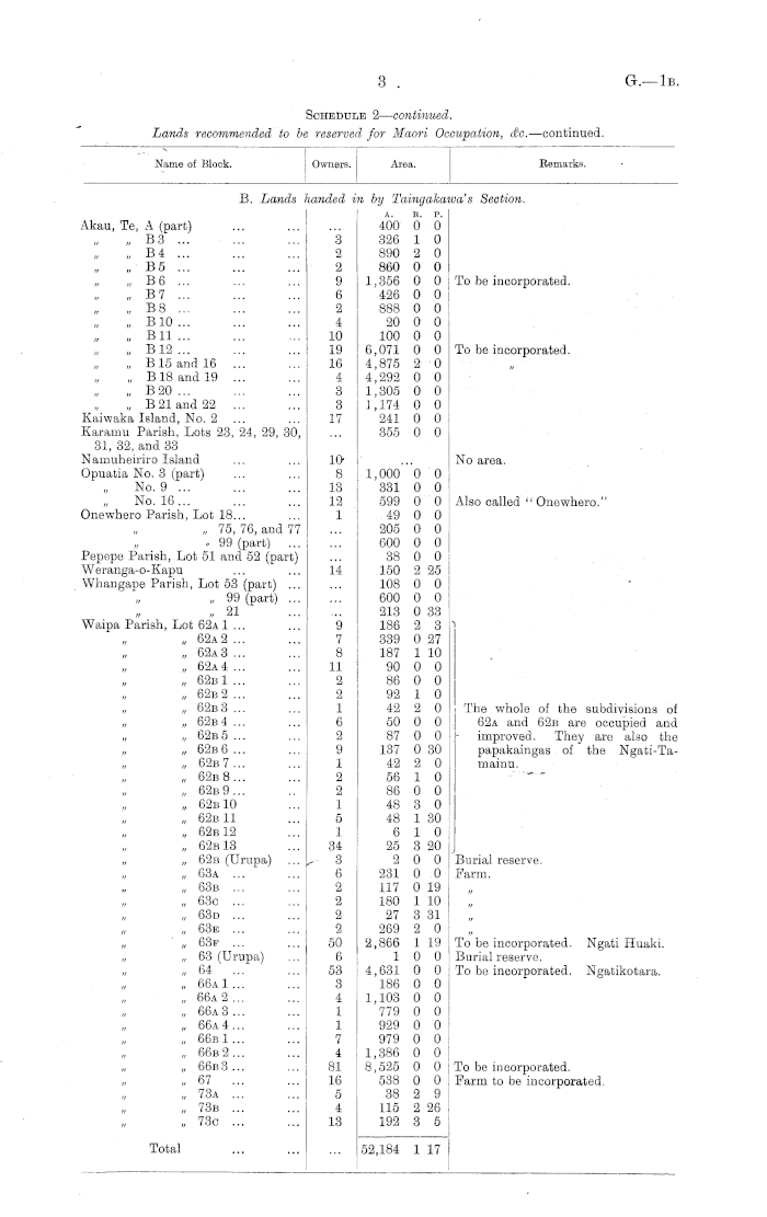
Name of Block. Owners. Area. Remarks. B. Lands Akau, Te, A (part) „ B3 ... „ B4 „ B5 „ B6 „ B7 „ B8 „ BIO... „ Bll „ B12 „ B 15 and 16 ... „ B 18 and 19 ... „ B20... „ B 21 and 22 ... Kaiwaka Island, No. 2 Karamu Parish, Lots 23, 24, 29, 30, 31, 32, and 33 Namuheiriro Island Opuatia No. 3 (part) No. 9 No. 16 Onewhero Parish, Lot 18... „ 75, 76, and 77 „ 99 (part) ... Pepepe Parish, Lot 51 and 52 (part) Weranga-o-Kapu Whangape Parish, Lot 53 (part) ... „ 99 (part) ... „ w 21 Waipa Parish, Lot 62a 1 ... „ 62a2 ... „ 62a3 ... „ 62a4 ... „ 62b 1 ... „ 62b2 ... „ 62b3 ... „ 62b4 ... „ 62b5 ... „ 62b6 ... „ 62b 7... „ 62b 8... „ 62b9... „ 62b 10 „ 62b 11 „ 62b 12 „ 62b 13 „ „ 62b (Urupa) „ 63a ... „ 63b ... „ 63c ... „ 63d ... „ 63b ... „ 63f ... „ 63 (Urupa) „ 64 ... „ 66a 1... „ 66a 2... „ 66a3... „ 66a4... „ 66b 1... „ 66b 2... „ 66b3... „ 67 „ 73a ... „ 73b ... „ 73c ... ;anded i\ 3 2 2 9 6 2 4 10 19 16 4 3 3 17 n by Taingaka'i A. B. P. 400 0 0 326 1 0 890 2 0 860 0 0 1,356 0 0 426 0 0 888 0 0 20 0 0 100 0 0 6,071 0 0 4,875 2 0 4,292 0 0 1,305 0 0 1,174 0 0 241 0 0 355 0 0 oa's Section. To be incorporated. To be incorporated. 10 8 13 12 1 1,000 0 0 331 0 0 599 0 0 49 0 0 205 0 0 600 0 0 38 0 0 150 2 25 108 0 0 600 0 0 213 0 33 186 2 3 339 0 27 187 1 10 90 0 0 86 0 0 92 1 0 42 2 0 50 0 0 87 0 0 137 0 30 42 2 0 56 1 0 86 0 0 48 3 0 48 1 30 6 10 25 3 20 2 0 0 231 0 0 117 0 19 180 1 10 27 3 31 269 2 0 2,866 1 19 10 0 4,631 0 0 186 0 0 1,103 0 0 779 0 0 929 0 0 979 0 0 1,386 0 0 8,525 0 0 538 0 0 38 2 9 115 2 26 192 3 5 No area. Also called " Onewhero." 14 9 7 8 11 2 2 1 6 2 9 1 2 2 1 5 1 34 , 3 6 2 2 2 2 50 6 53 3 4 1 1 7 4 81 16 5 4 13 The whole of the subdivisions ol 62a and 62b are occupied anc improved. They are also the papakaingas of the Ngati-Ta mainu. Burial reserve. Farm. it a it To be incorporated. Ngati Huaki. Burial reserve. To be incorporated. Ngatikotara. To be incorporated. Farm to be incorporated. Total 52,184 1 17

G.—lb.

4

Schedule 3. Lands for General Settlement under Part I of "The Native Land Settlement Act, 1907." [The blocks are arranged to show the method of disposal urged by the Maoris.]

Name of Block. Owners. Area. Remarks. A. Fc >r Lease. (1.) Lands dealt v Tith by Mahut! a,'s Section. Onewhero Parish, Lot 23 „ 55, 58, 72, and 74 (part) Whangape Parish, Lot 58 (part) „ 60 ... 9 A. B. P. 400 0 0 850 0 0 402 0 0 810 0 0 Total ... 2,462 0 0 wa's Section. (2.) Lands dealt wit by Taingaka Akau, Te, A (part) ... Opuatia No. 3 (part) ... Onewhero Parish, 75, 76, and 77 (part) Whangape Parish, 53 200 0 0 700 0 0 700 0 0 50 0 0 Total ... . I 1,650 0 0 5. For Sale. i's Section. (1.) Lands dealt \\ ith by Mahut: Onewhero Parish, Lot 55, 58, 72, and 74 (part) Onewhero Parish, Lot 78 Whangape Parish, Lot 47 (part) ... a a 58 „ „ 65 „ „ 66 „ 200 0 0 484 0 0 31 0 0 75 0 0 150 0 0 100 0 0 Total ... (2.) Lands dealt with by Taingakawa's Sectio1,040 0 0 l and from In Board. formation supplied by the Maori Land Akau, Te, A (part) ... . B 21 (part) Opuatia No 4, Lot 45 ... ... 1 „ Nos. 4a and 5a, Lot 32 No. 5b 1 No. 6d2 ... ... 7 No. 6d8 ... No. 6d3 ... ... 2 No. 6d7 ... ... 3 No. 6d5 .- 1 No. 5b 2b ... „■ No. 3 (part) ... Onewhero Parish, Lot 20b ... 5 „ 75, 76, and 77 (part) „ 99 (part) Pepepe Parish, Lot 17 ... .. 1 » „ 18 // ,/ -ty ... ... „ 20 „ 21 1 ,/ r, 22 it t, 23a . 24 „ 25 11 „ 26 1 „ 27 „ 30 1 200 0 0 874 0 0 280 2 27 500 0 0 609 0 3 396 3 23 135 0 37 618 3 0 427 1 36 334 1 0 427 3 37 250 0 0 69 1 14 100 0 0 Under negotiation. a a a a Under negotation. 920 0 0 50 0 0 50 0 0 50 3 0 50 3 0 51 3 0 51 2 0 36 1 0 50 0 0 50 0 0 50 0 0 52 3 0 48 1 0 Under negotiation. it Minerals only. " a a it a i t it

G.-18.

5

Schedule 3 — continued. Lands for General Settlement, &c. —continued.

Price 6d.]

Approximate Cost of Pays'"-—Preparation (not given); printing (1,500 copies), £3 19s.

By Authority : John Mackay, Government Printer, Wellington.—l9o9.

2—G. Ib.

Name of Block. Owners. Area. Remarks. (2.) Lands dealt with by Taingakawa : i's Seetic Boari m and from Infi 1— continued. irmation supplied by the Maori Lam Pepepe Parish, Lot 31 ,, 32 „ 33 ... „ 34 „ 35 „ 36 „ 46 „ 47 „ 49 „ 51 and 62 „ 63 ... „ 73 and 78 „ 167 „ 168 Waipa Parish, Lot 59 and 60 „ 61a ... Whangape Parish, Lot 53 (part, ... „ 64 ' ... 1 2 1 1 11 1 3 8 10 A. K. P. 50 0 0 54 3 0 49 1 0 50 3 0 48 3 0 48 3 0 51 2 0 52 U 28 0 0 41g 0 0 53 0 0 546 0 0 362 0 0 404 0 0 961 0 0 240 0 0 80 0 0 50 0 0 Under negotiation. „ Minerals. Minerals. n it „ Minerals. a „ Minerals. Coal-bearing. Total 10,283 3 24 C. Fo. • Mana (Sale). 25 0 0 Onewhero Parish, 55, 58, 72, and 74 (part) Onewhero Parish, Lot 78 (part) Pepepe Parish, Lot 29 Whangape Parish, Lot 47 (part) ... „ „ 65 (part) ... „ „ 66 (part) 50 0 0 50 0 0 20 0 0 36 0 0 46 0 0 Total 227 0 0

This report text was automatically generated and may include errors. View the full page to see report in its original form.I whakaputaina aunoatia ēnei kuputuhi pūrongo, e kitea ai pea ētahi hapa i roto. Tirohia te whārangi katoa kia kitea te āhuatanga taketake o te pūrongo.
Permanent link to this item
Hononga pūmau ki tēnei tūemi

https://paperspast.natlib.govt.nz/parliamentary/AJHR1909-I.2.1.5.3

Bibliographic details
Ngā taipitopito pukapuka

NATIVE LANDS AND NATIVE-LAND TENURE: INTERIM REPORT OF NATIVE LAND COMMISSION, ON NATIVE LANDS IN RAGLAN COUNTY., Appendix to the Journals of the House of Representatives, 1909 Session I, G-01b

Word count
Tapeke kupu
1,688

NATIVE LANDS AND NATIVE-LAND TENURE: INTERIM REPORT OF NATIVE LAND COMMISSION, ON NATIVE LANDS IN RAGLAN COUNTY. Appendix to the Journals of the House of Representatives, 1909 Session I, G-01b

NATIVE LANDS AND NATIVE-LAND TENURE: INTERIM REPORT OF NATIVE LAND COMMISSION, ON NATIVE LANDS IN RAGLAN COUNTY. Appendix to the Journals of the House of Representatives, 1909 Session I, G-01b

Log in or create a Papers Past website account

Use your Papers Past website account to correct newspaper text.

By creating and using this account you agree to our terms of use.

Log in with RealMe®

If you’ve used a RealMe login somewhere else, you can use it here too. If you don’t already have a username and password, just click Log in and you can choose to create one.


Log in again to continue your work

Your session has expired.

Log in again with RealMe®


Alert