Page image
Page image

AMOUNT EXPENDED OUT OF WAR LOAN OF £150,000.

B—No. 5

6

STATEMENT of EXPENDITURE, &c.—continued.

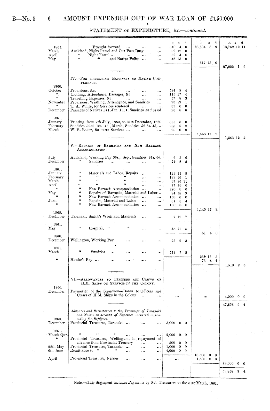
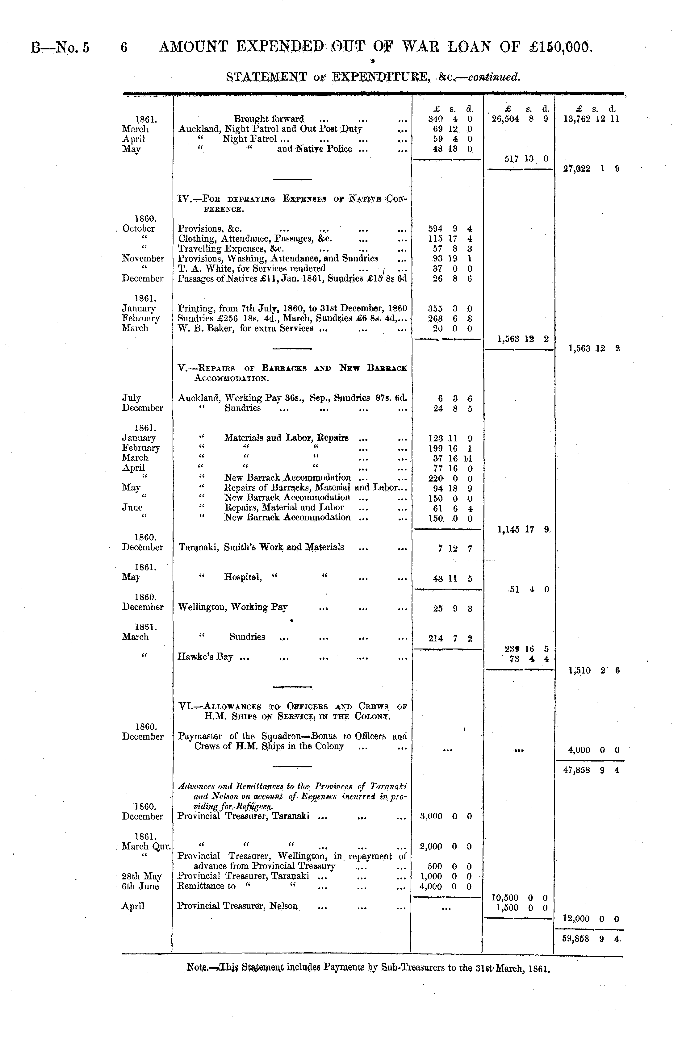
1861. March April May Brought forward Auckland, Night Patrol and Out Post Duty " Night Patrol ... " " and Native Police ... £ s. d. 340 4 0 69 12 0 59 4 0 48 13 0 £ s. d. 26,504 8 9 £ s. A. 13,762 12 U 517 13 0 27,022 1 9 IV.—For defeating Expenses or Native CONFERENCE. 1860. October Provisions, &c. Clothing, Attendance, Passages, &c. Travelling Expenses, &c. Provisions, Washing, Attendance, and Sundries T. A. White, for Services rendered ... i Passages of Natives £11, Jan. 1861, Sundries ,£15' 8s 6d 594 9 4 115 17 4 57 8 3 93 19 1 37 0 0 26 8 6 November « December 1861. January February March Printing, from 7th July, 1860, to 31st December, 1860 Sundries £256 18s. 4d., March, Sundries £6 8s. 4d,... W. B. Baker, for extra Services ... 355 3 0 203 6 8 20 0 0 1,563 12 2 V.—Repairs of Barracks and New Basback Accommodation. 6 3 6 24 8 5 1,563 .12 2 July December Auckland, Working Pay 36s., Sep., Sundries 87s. 6d. " Sundries ... ... 1861. January February March April " Materials aud Labor, Repairs ... tt a « 123 11 9 199 16 1 37 16 11 77 16 0 220 0 0 94 18 9 150 0 0 61 6 4 150 0 0 tt it it « << tt May June u " New Barrack Accommodation ... " Repairs of Barracks, Material and Labor... " New Barrack Accommodation ... " Repairs, Material and Labor " New Barrack Accommodation ... 1860. December Taranaki, Smith's Work and Materials 1,145 17 9 7 12 7 1861. " Hospital, " " 43 11 5 May 51 4 0 1860. December Wellington, Working Pay 25 9 3 1861. March • " Sundries 214 7 2 239 16 5 73 4 4 it Hawke's Bay ... 1,510 2 6 VI.—Allowances to Officers and Crews of H.M. Ships on Service in the Colony. 1860. lecember Paymaster of the Squadron—Bonus to Officers and Crews of H.M. Ships in the Colony 4,000 0 0 1860. December Advances and Remittances to the Provi?ices of Taranaki and Nelson on account of Expenses incurred in providing for Refugees, Provincial Treasurer, Taranaki ... 3,000 0 0 47,858 9 4 1861. March Qur. tt it a 2,000 0 0 12,000 0 0 !8th May ith June Provincial Treasurer, Wellington, in repayment of advance from Provincial Treasury Provincial Treasurer, Taranaki ... Remittance to " " 500 0 0 1,000 0 0 4,000 0 0 Vpril Provincial Treasurer, Nelson 10,500 0 0 1,500 0 0 59,858 9 4 Note,—This Statement includes Payments by Sub-Tj :easurers to the 3 st March, 1861.

Log in or create a Papers Past website account

Use your Papers Past website account to correct newspaper text.

By creating and using this account you agree to our terms of use.

Log in with RealMe®

If you’ve used a RealMe login somewhere else, you can use it here too. If you don’t already have a username and password, just click Log in and you can choose to create one.


Log in again to continue your work

Your session has expired.

Log in again with RealMe®


Alert