Page image
Page image

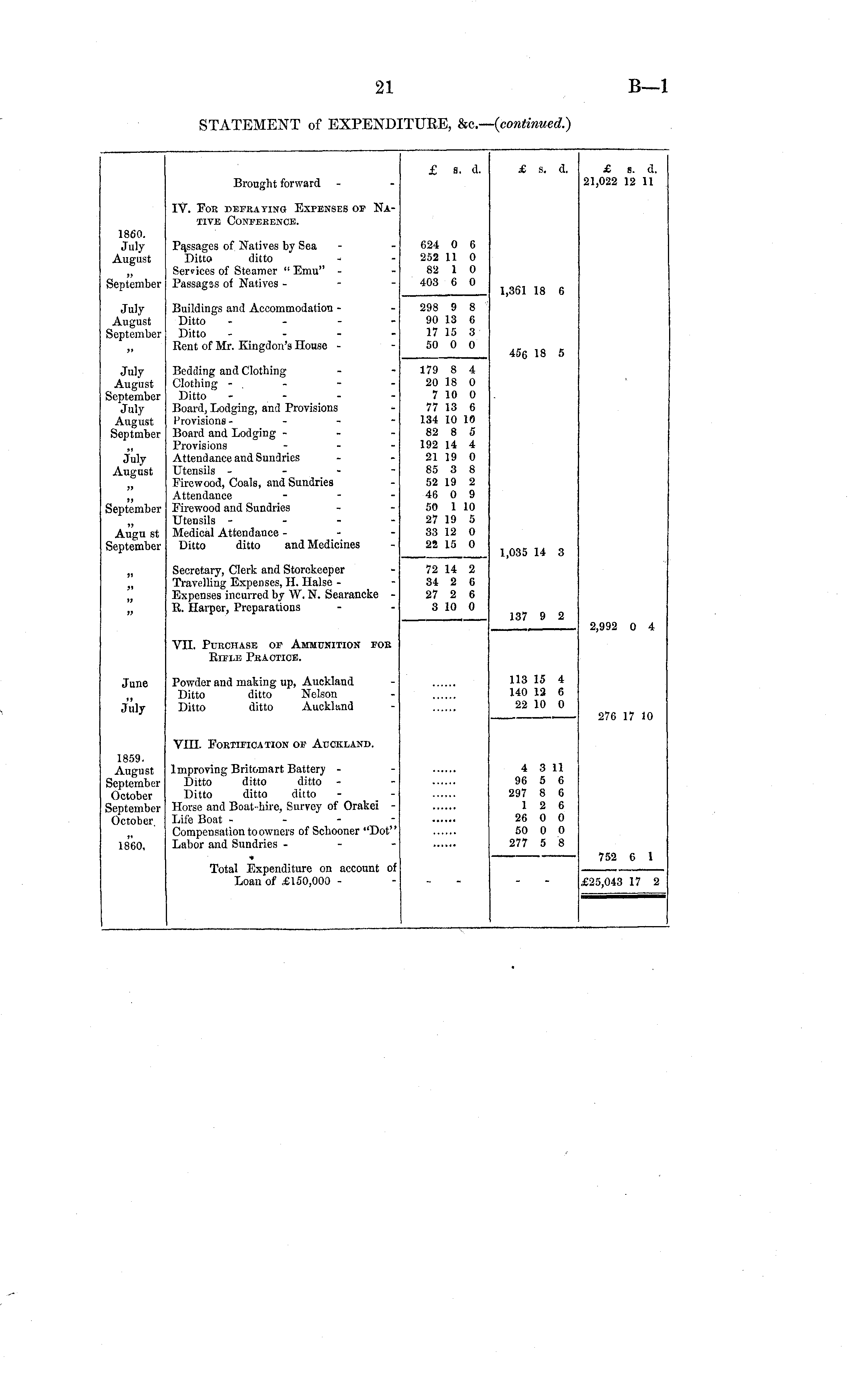
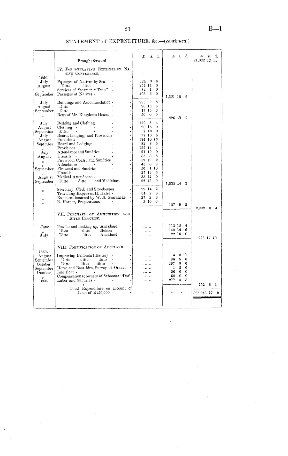
21

B—l

STATEMENT of EXPENDITURE, &c.—(continued.)

£ s. d. £ a. A. £ s. d. 21,022 12 11 Brought forward IV. For defraying Expenses of Native Conference. 624 0 6 252 11 0 82 1 0 403 6 0 1860. July August Passages of Natives by Sea Ditto ditto Services of Steamer " Emu" - Passagss of Natives - - - September July August September Buildings and Accommodation - Ditto . . - - Ditto - - - - Rent of Mr. Kingdon's House - 298 9 8 90 13 6 17 15 3 50 0 0 1,361 18 6 456 18 5 July August September July August Septmber Bedding and Clothing Clothing - - - - Ditto - - Board, Lodging, and Provisions Provisions- - - - Board and Lodging - - - Provisions - Attendance and Sundries Utensils - - - - Firewood, Coals, and Sundries Attendance - Firewood and Sundries Utensils - - - - Medical Attendance - Ditto ditto and Medicines 179 8 4 20 18 0 7 10 0 77 13 6 134 10 10 82 8 5 192 14 4 21 19 0 85 3 8 52 19 2 46 0 9 50 1 10 27 19 5 33 12 0 22 15 0 July August ,, September Augu st September ,» Secretary, Clerk and Storekeeper Travelling Expenses, H. Halse - Expenses incurred by W. N. Searancke - R. Harper, Preparations 72 14 2 34 2 6 27 2 6 3 10 0 1,035 14 3 a 137 9 2 it a VH. Purchase of Ammunition for Rifle Practice. 2,992 0 4 June July Powder and making up, Auckland Ditto ditto Nelson Ditto ditto Auckland 113 15 4 140 12 6 22 10 0 276 17 10 1859. August September October September October. VIH. Fortification of Auckland. Improving Britomart Battery - Ditto ditto ditto - Ditto ditto ditto - _ - Horse and Boat-hire, Survey of Orakei - Life Boat - - - - Compensation toowners of Schooner "Dot" Labor and Sundries - - - 4 3 11 96 5 6 297 8 6 12 6 26 0 0 50 0 0 277 5 8 752 6 1 I860, Total Expenditure on account of Loan of £150,000 - £25,043 17 2

Log in or create a Papers Past website account

Use your Papers Past website account to correct newspaper text.

By creating and using this account you agree to our terms of use.

Log in with RealMe®

If you’ve used a RealMe login somewhere else, you can use it here too. If you don’t already have a username and password, just click Log in and you can choose to create one.


Log in again to continue your work

Your session has expired.

Log in again with RealMe®


Alert