Page image
Page image

AGENT-GENERAL, LONDON.

55

D.-No. 1

STATEMENT of Orders sent to Agent-General, London, for Railway Material, &c. — continued.

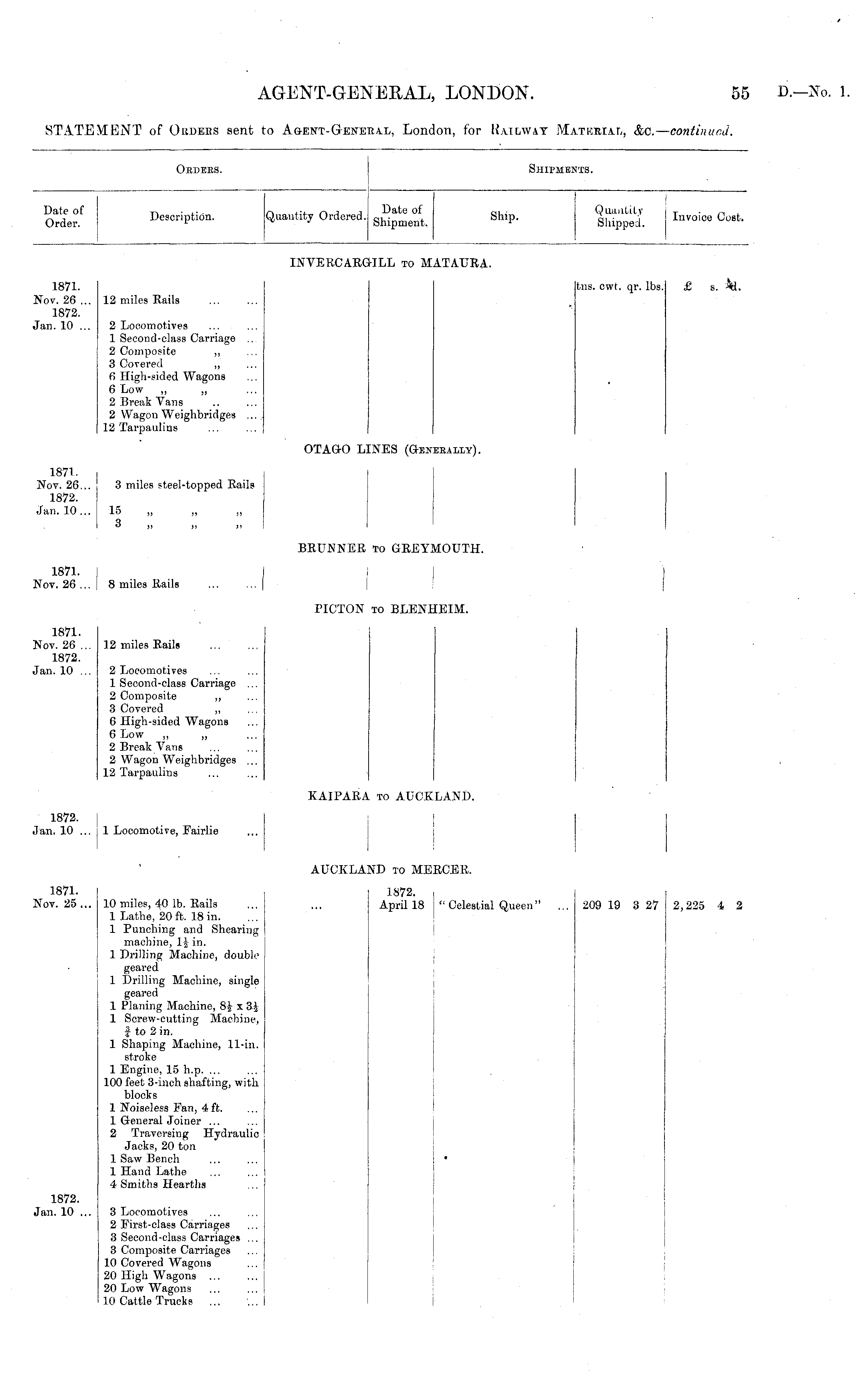
Oedees. Shipments. Date of Order. Description. Quantity Ordered. gg£^ Ship. Quantity Shipped. Invoice Cost. INVERCARi ILL to M. TAURA. 1871. Nov. 26 ... 1872. Jan. 10 ... Itns. cwt. qr. lbs.| £ s. *L Nov. 26 ... 12 miles Rails 1R»79 1872. Jan. 10 ... 2 Locomotives 1 Second-class Carriage .. 2 Composite ,, 3 Covered 6 High-sided Wagons 6 Low ,, ,, 2 Break Vans 2 Wagon Weighbridges ... 12 Tarpaulins OTAGO LINES (Genebally) . 1871. I Nov. 26... 3 miles steel-topped Rails 1872. Jan. 10... ! 15 ,, ,, ,, I 3 BRUNNER to GREYMOUTH. 1871. I Nov. 26 ... i 8 miles Rails j j I PICTON to BLENHEIM. 1871. Nov. 26 ... 12 miles Rails 1872. Jan. 10 ... 2 Locomotives 1 Second-claBS Carriage ... 2 Composite ,, 3 Covered ,, 6 High-sided Wagons 6 Low ,, ,, 2 Break A rans 2 Wagon Weighbridges ... 12 Tarpaulins 1872. Jan, 10 ... 1 Locomotive, Fairlie KAIPARA to AUC. LAND. 1872. Jan, 10 ... auckla: 1871. Nov. 25,.. 10 miles, 40 lb. Rails 1 Lathe, 20 ft. 18 in. 1 Punching and Shearing machine, 11 in. 1 Drilling Machine, double geared 1 Drilling Machine, single geared 1 Planing Machine, 81 x 31 1 Screw-cutting Machine, J to 2 in. 1 Shaping Machine, 11-in. stroke 1 Engine, 15 h.p. ... 100 feet 3-inch shafting, with blocks 1 Noiseless Fan, 4 ft. 1 General Joiner ... 2 Traversing Hydraulic Jacks, 20 ton 1 Saw Bench 1 Hand Lathe 4 Smiths Hearths 1 R'79 1871. Nov. 25... D to ME. 1872. April 18 RCER. " Celestial Queen" 209 19 3 27 2,225 4 2 • 1872. Jan. 10 ... 3 Locomotives 2 First-el ass Carriages 3 Second-class Carriages ... 3 Composite Carriages 10 Covered Wagons 20 High Wagons 20 Low Wagons 10 Cattle Trucks ... 1872. Jan. 10 ...

Log in or create a Papers Past website account

Use your Papers Past website account to correct newspaper text.

By creating and using this account you agree to our terms of use.

Log in with RealMe®

If you’ve used a RealMe login somewhere else, you can use it here too. If you don’t already have a username and password, just click Log in and you can choose to create one.


Log in again to continue your work

Your session has expired.

Log in again with RealMe®


Alert