Page image
Page image

H.—l4a.

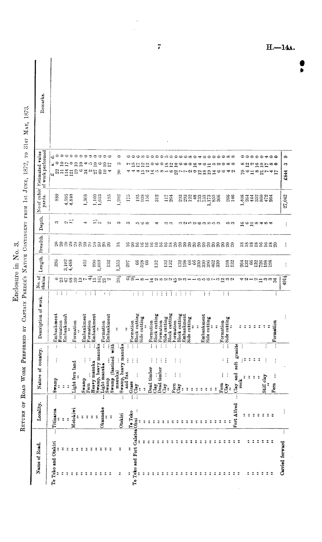
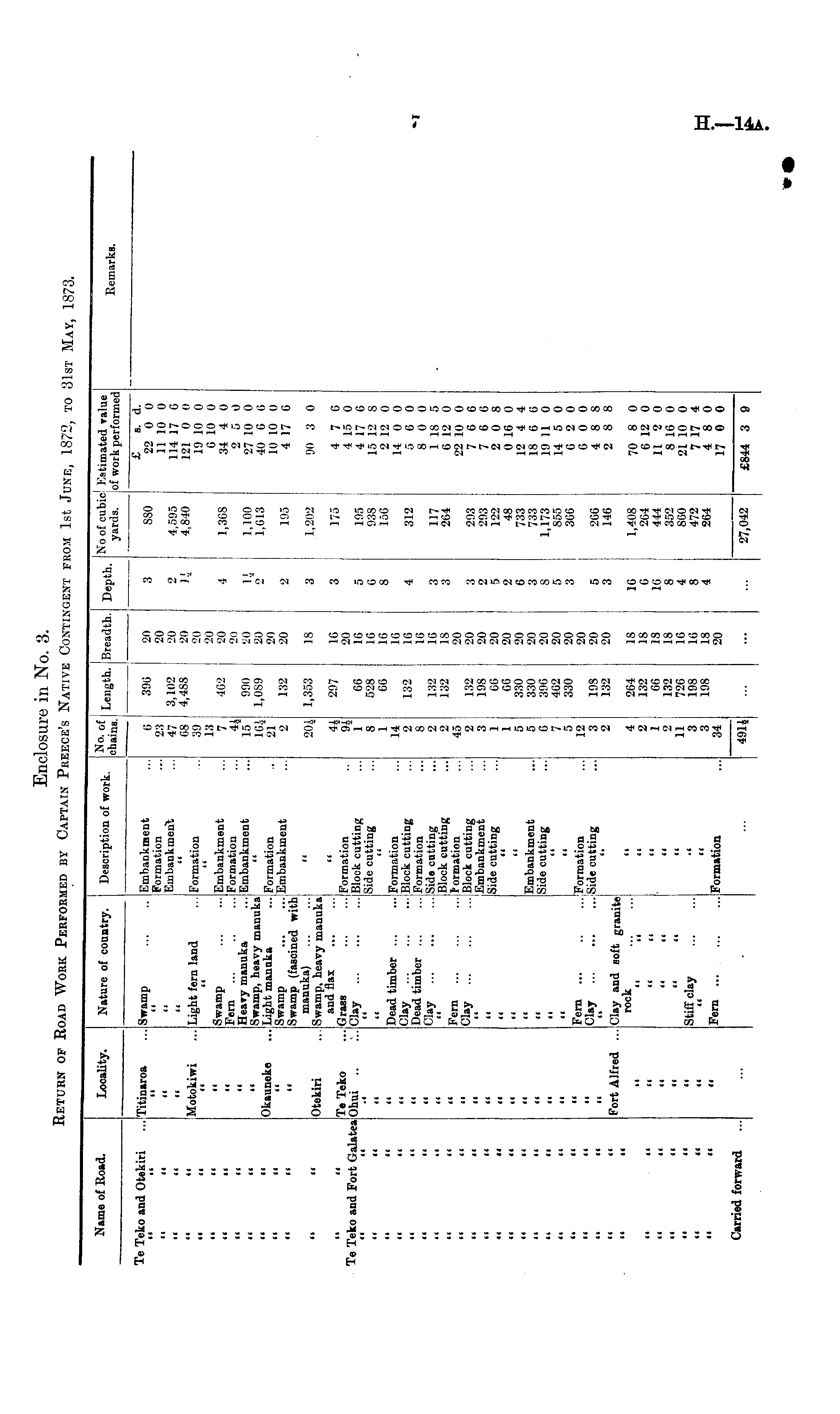
Enclosure in No. 3. RETURN OF ROAD WORK PERFORMED BY CAPTAIN PREECE'S NATIVE CONTINGENT FROM 1st JUNE, 1872, TO 31ST MAY, 1873.

7

Name of Road. Locality. Nature of country. Description of work. No. of chains. Length. Breadth. Depth. No of cubic yards. Kstimated value of work performed Remarks. 'eTekoand Otekiri ... •i ii • ( «t II M II il II (« Titinaroa ... II Motokiwi ii ii Swamp ii ■i Light fern land ii Swamp Fern ... Heary manuka Swamp, heavy manuka Light manuka Swamp Swamp (fascined with manuka) Swamp, heavy manuka and flax Grass .Clay ii Embankment Formation Embankment •i Formation Embankment Formation Embankment 0 23 47 68 39 13 7 15 16.i 21 2 396 3,102 4,488 462 ■Jo ■20 20 JO 20 20 •Jii ■2i) 20 20 20 20 8 2 4 880 4,595 4,840 1,368 £ s. d. 22 0 0 11 10 0 114 17 6 121 0 0 19 10 0 6 10 0 34 4 0 2 5 0 27 10 0 40 6 6 10 10 0 4 17 0 II *i ii M ii " 990 1,089 .1 1,100 1,613 ii it it ■I ti Okauneke Formation Embankment i> II 132 2 195 ii Ii it (I II Otekiri ii 204 1,353 18 3 1,202 90 3 0 ii ii ■i 44 94 1 8 1 14 2 8 2 2 45 2 3 1 1 5 5 6 7 5 12 3 2 297 1G 20 16 16 16 16 16 16 16 18 20 20 20 20 20 20 20 20 20 20 20 20 20 3 175 4 7 6 4 15 0 4 17 6 15 12 8 2 12 0 14 0 0 5 6 0 8 0 0 1 18 5 6 12 0 22 10 0 7 6 6 7 6 6 2 0 8 0 16 0 12 4 4 18 6 6 19 11 0 14 5 0 6 2 0 6 0 0 4 8 8 2 8 8 'e Teko and Fort Galatea ii ii TeTeko Ohui .. ■ I Formation Block cutting :Side cutting (i 66 528 66 5 6 8 195 938 156 ii ii II " it » II Dead timber Clay Dead timber Clay II Formation [Block cutting Formation Sids cutting Block cutting Formation Block cutting Embankment Side catting ii i< ii II 132 4 312 K it II ii ii II 132 132 3 3 117 264 M ii » *i il » Fern Clay il li II 132 198 66 66 330 330 390 402 330 3 2 5 2 6 3 8 5 3 293 293 122 48 733 733 1,173 855 366 ii ii II i« II II II it If II If ii (( ■I it ti li II II Embankment Side cutting ii .. II II u n " l( (i << II II it •• <■ Fern Formation Side cutting ii ii II 198 132 5 3 266 146 ■■ it If ii ii Fort Alfred ... Clay and soft granite rock • ■ ii ii ii 1 1 4 2 1 2 11 3 3 34 264 132 66 132 726 198 198 18 IS 18 18 16 16 IS 20 16 6 16 8 4 8 4 1,408 264 444 352 860 472 264 70 8 0 6 12 0 11 2 0 8 16 0 21 10 0 7 17 4 4 8 0 17 0 0 || ii ii ii II ii ii " • ■ <■ II << ii '• • • (i II ii 11 it ■ • ■■ II Stiff clay If • i • • <i II (i <• i< ft Fern Formation Carried forward ... . 4914 27,042 £844 3 9

Log in or create a Papers Past website account

Use your Papers Past website account to correct newspaper text.

By creating and using this account you agree to our terms of use.

Log in with RealMe®

If you’ve used a RealMe login somewhere else, you can use it here too. If you don’t already have a username and password, just click Log in and you can choose to create one.


Log in again to continue your work

Your session has expired.

Log in again with RealMe®


Alert