Page image
Page image

E.—l

5

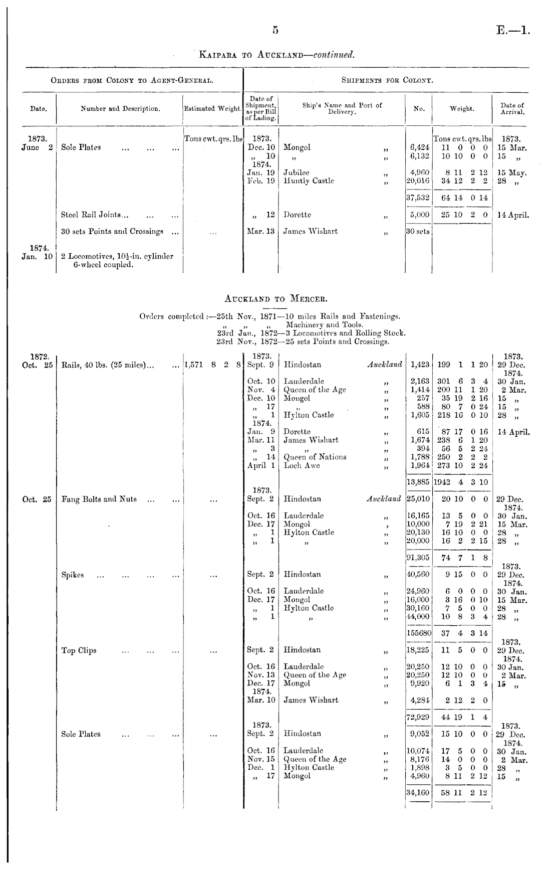
Kaipara '0 Auckland — continued. IRDERS FROM COLONY TO AGENT-GENERAL. Shipments foe lOLONY. Date. Number and Description. Estimated Weight. Date of Shipment, as per Bill of Lading. Ship's Name and Port of Delivery. No. Weight. Date of Arrival. 1873. June 2 Sole Plates ... Tons cwt. qrs. lbs Dec. 10 Mongol „ 1 A „ 10 „ 1 874. 1»V4. Jan. 19 Jubilee ,, Feb. 19 lluntly Castle 1873. Dec. 10 „ 10 1874. Jan. 19 Feb. 19 G,424 6,132 4,960 20,016 Tons cwt. qrs. lbs 11 0 0 0 10 10 0 0 8 11 2 12 34 12 2 2 1873. 15 Mar. 15 „ 15 May. 28 „ Steel Rail Joints... „ 12 Dorette „ „ 12 37,532 64 14 0 14 14 April, 5,000 25 10 2 0 30 sets Points and Crossings ... Mar. 13 James Wishart ,, Mar. 13 30 sets 1874. Jan. 10 2 Locomotives, 10}-in, cylindor 6-whcel coupled. Arc !KLAND TO MeECER. Orders completed : —25th K fov., 1871 —10 miles Rails and Fastenings. ,, ,, Machinery and Tools, ran., 1872 —3 Locomotives and Rolling Stock, fov., 1872 —25 sets Points and Crossings. 23rd J 23rd IS 1872. Oct. 25 Rails, 40 lbs. (25 miles) 1,571 8 2 8 1873. Sept. 9 Hindostan Auckland 1873. 29 Dec. 1874. 30 Jan. 2 Mar. 15 „ 15 „ 28 „ 1,423 199 1 1 20 Oct. 10 Lauderdale ,, Nov. 4 Queen of the Age „ Dec. 10 Mongol „ „ 17 „ 1 Hvlton Castle „ 1874. Jan. 9 Dorette ,, Mar. 11 James Wishart „ „ 14 Queen of Nations „ April 1 Loch Awe ,, 2,163 1,414 257 588 1,605 615 1,674 394 1,788 1,964 301 6 3 4 200 11 1 20 35 19 2 16 80 7 0 24 21S 16 0 10 87 17 0 16 238 6 1 20 56 5 2 24 250 2 2 2 273 10 2 24 14 April, 1873. Sept. 2 Hindostan Auckland 13,885 1942 4 3 10 Oct. 25 Fang Bolts and Nuts 25,010 20 10 0 0 29 Dec. 1874. 30 Jan. 15 Mar. 28 „ 28 „ Oct. 16 Lauderdale „ Dec. 17 Mongol , „ 1 Hylton Castle ,, jj ■*■ jj jj 16,165 10,000 20,130 20,000 13 5 0 0 7 19 2 21 16 10 0 0 16 2 2 15 Spikes 91,305 74 7 1 8 Sept. 2 Hindostan „ Oct. 16 Lauderdale „ Dec. 17 Mongol „ „ 1 Hylton Castle „ i Sept. 2 Oct. 16 Dec. 17 „ 1 „ 1 10,560 24,960 16,000 30,160 14,000 9 15 0 0 6 0 0 0 3 16 0 10 7 5 0 0 10 8 3 4 1873. 29 Dec. 1874. 30 Jan. 15 Mar. 28 „ 28 „ Top Clips jj -*■ jj jj Sept. 2 Hindostan „ Sept. 2 155680 18,225 37 4 3 14 11 5 0 0 1873. 29 Dec. 1874. 30 Jan. 2 Mar. 15 „ Oct. 16 Lauderdale „ Nov. 13 Queen of the Age ,, Dec. 17 Mongol „ 1874. Oct. 16 Nov. 13 Dee. 17 1874. Mar. 10 20,250 20,250 9,920 12 10 0 0 12 10 0 0 6 13 4 Sole Plates 107* Mar. 10 James Wishart „ 4,284 2 12 2 0 1873. Sept. 2 Hindostan „ Oct. 16 Lauderdale ,, Nov. 15 Queen of the Age ,, Dee. 1 Hylton Castle ,, ,, 17 Mongol „ 1873. Sept. 2 Oct. 16 Nov. 15 Dec. 1 „ 17 72,929 9,052 10,074 8,176 1,898 4,960 44 19 1 4 15 10 0 0 17 5 0 0 14 0 0 0 3 5 0 0 8 11 2 12 1873. 29 Dec. 1874. 30 Jan. 2 Mar. 28 „ 15 „ 34,160 58 11 2 12

Log in or create a Papers Past website account

Use your Papers Past website account to correct newspaper text.

By creating and using this account you agree to our terms of use.

Log in with RealMe®

If you’ve used a RealMe login somewhere else, you can use it here too. If you don’t already have a username and password, just click Log in and you can choose to create one.


Log in again to continue your work

Your session has expired.

Log in again with RealMe®


Alert