Page image
Page image

E.—l

12

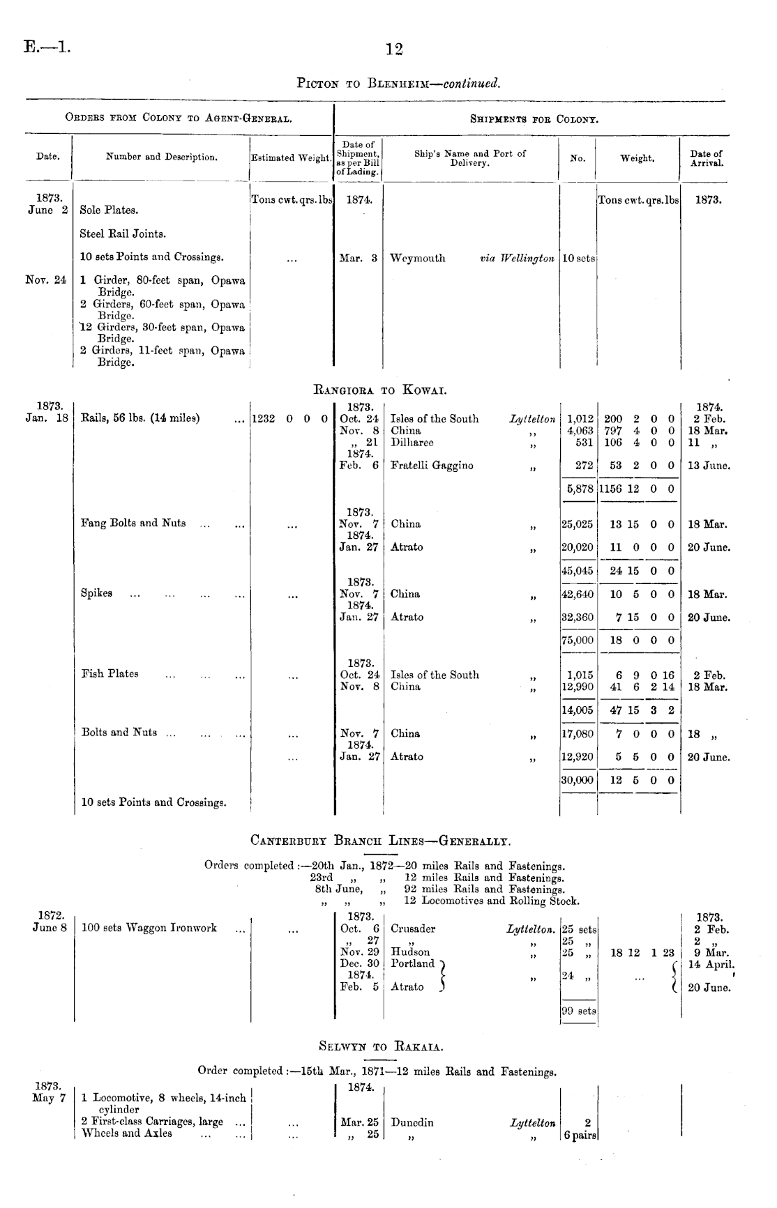
Picto: to Blenheim— continued. Ordees from Colony to Agent-i rENERAL. Shipments foe Colony. Date. Number and Description. Estimated Weight. Date of Shipment, as per Bill of Lading. Ship's Name and Port of Delivery. No. Weight. Date of Arrival. 1873. June 2 Tons cwt.qrs. lbs 1874. Tons cwt. qrs. lbs 1873. June 2 Sole Plates. Steel Rail Joints. ... 10 sets Points and Crossings. ... Mar. 3 Weymouth via Wellington 10 sets Mar. 3 10 sets Nov. 24 fov. 24 1 Girder, 80-fcct span, Opawa Bridge. 2 Girders, 60-feet span, Opawa Bridge. 12 Girders, 30-feet span, Opawa Bridge. 2 Girders, 11-feet span, Opawa Bridge. I Rangiora to Kowai. Ra: :giora ! 1873. Jan. 18 1873. 1873. "an. 18 Rails, 56 lbs. (14 miles) ... 1232 0 0 0 Oct. 24 Isles of the South Lyttelton 1,012 20 Nov. 8 China ,, 4,063 79 „ 21 Dilliaree „ 531 10 1874. 1232 0 0 0 1873. Oct. 24 Nov. 8 „ 21 1874. Feb. 6 1,012 4,063 531 200 2 0 0 797 4 0 0 106 4 0 0 00 2 0 97 4 0 06 4 0 3 0 3 0 D 0 1874. 2 Feb. 18 Mar. 11 „ 18/4. Feb. 6 Fratelli Gaggino „ 272 5 5,878 115 272 53 2 0 0 53 2 0 56 12 0 3 0 3 0 13 June. 1873. Nov. 7 1874. Jan. 27 5,878 1156 12 0 0 1873. Fang Bolts and Nuts ... Nov. 7 China „ 25,025 1 1874. 13 15 0 3 0 18 Mar. 25,025 13 15 0 0 19/4. Jan. 27 Atrato „ 20,020 1 -IS 0.45 9 20,020 11 0 0 0 11 0 0 94 is n 3 0 3 n 20 June. 4&,U45 2 1873. Spikes ... Nov. 7 China „ 42,6-10 1 1874. 1873. Nov. 7 1874. Jan. 27 45,045 42,610 24 15 0 0 10 5 0 0 2 J- 15 0 10 5 0 J o 3 0 18 Mar. 18/4. Jan. 27 Atrato „ 32,360 75,000 1 32,360 7 15 0 0 7 15 0 18 0 0 3 0 3 0 20 June. 1873. Oct. 24 Nov. 8 75,000 18 0 0 0 1873. FishPlates ... Oct. 24 Isles of the South „ 1,015 Nov. 8 China „ 12,990 4 lAftnr; a 1,015 12,990 6 9 0 16 41 6 2 14 6 9 0 41 6 2 d.7 is a 3 16 2 14 a 9 2 Feb. 18 Mar. 14,005 47 15 3 2 14,005 4 Bolts and Nuts ... Nov. 7 China „ 17,080 1874. Nov. 7 1874. Jan. 27 17,080 47 15 3 7 0 0 7 0 0 0 J 2 3 0 18 „ 10/4. Jan. 27 Atrato „ 12,920 annnn l 12,920 5 5 0 19. s n 5 5 0 0 3 0 20 June. 30,000 1 10 sets Points and Crossings. 30,000 12 5 0 0 Canterbury Branch Lines—Geneeally. Orders completed : —20th Jan., 1872 —20 miles Rails and Fastenings. 23rd „ ,, 12 miles Rails and Fastenings. 8th June, „ 92 miles Rails and Fastenings. „ „ „ 12 Locomotives and Rolling Stock. 1873. 2 Feb. 2 „ 9 Mar. 14 April. 1872. June 8 1872. 1873. I June 8 100 sets Waggon Ironwork ... ... Oct. 6 Crusader Lyttelton. 25 sets „ 27 „ „ 25 „ Nov. 29 Hudson „ 25 „ 1 Dee. 30 Portland ) 1874. [ „ 24 „ Feb. 5 Atrato .1 18 12 1 23 ... { 18 12 1 1 23 [ 20 Juno. \ 99 sets Selwyn to Rakaia. Order completed:—15th Mar., 1871—12 miles Rails and Fastenings. 1873. . 1874. May 7 1 Locomotive, 8 wheels, 14-inch ! cylinder 2 First-class Carriages, large ... ... Mar. 25 Duucdin Lyttelton 2 Wheels and Axles | ... „ 25 „ „ 6pairs

Log in or create a Papers Past website account

Use your Papers Past website account to correct newspaper text.

By creating and using this account you agree to our terms of use.

Log in with RealMe®

If you’ve used a RealMe login somewhere else, you can use it here too. If you don’t already have a username and password, just click Log in and you can choose to create one.


Log in again to continue your work

Your session has expired.

Log in again with RealMe®


Alert