Page image
Page image

15

E.—l

WAITAKI TO MOERAKI.

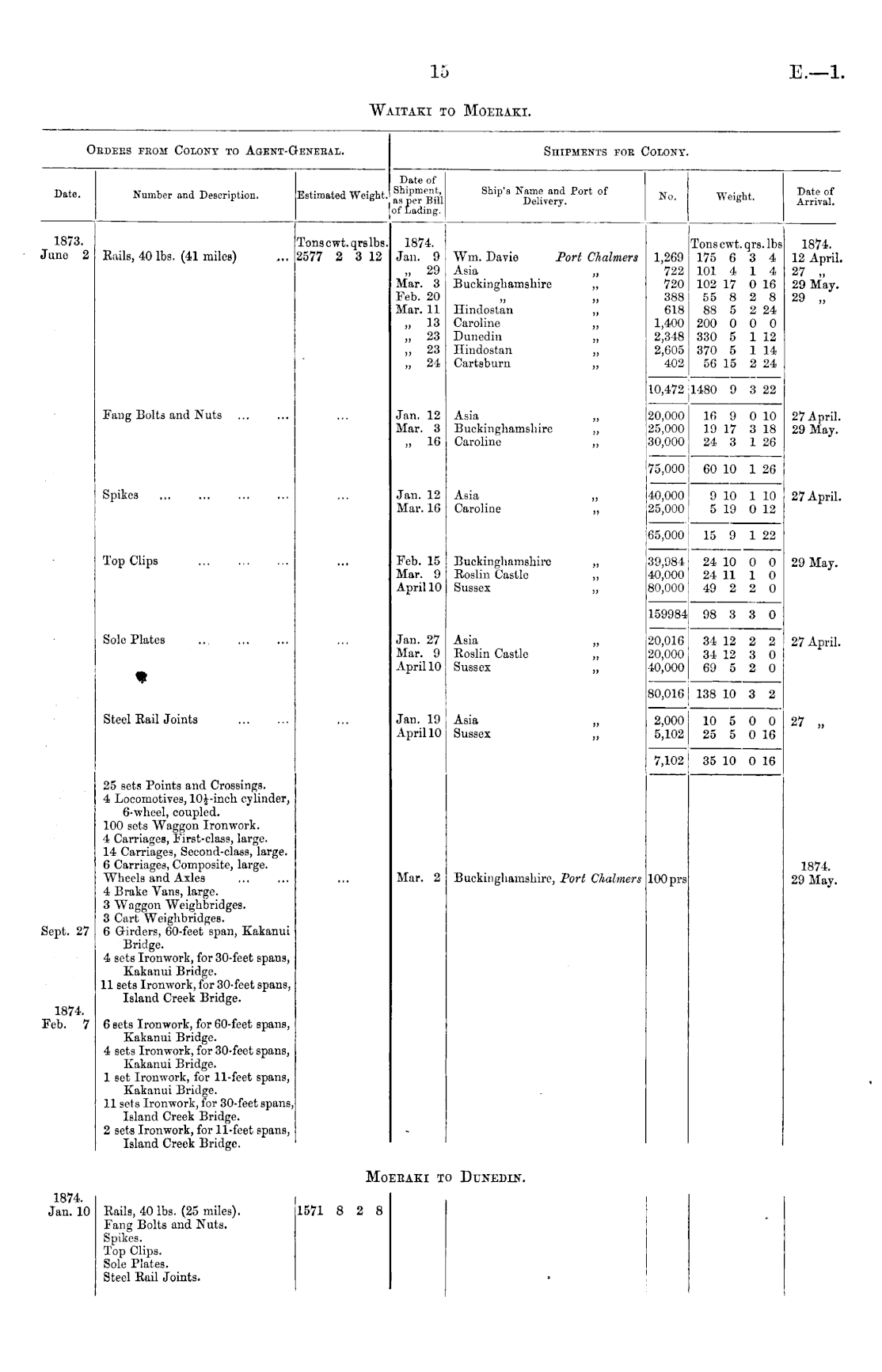
Orders from Colony to Agent-' •ENEEAL. Shipments foe lOLONY. Date. Number and Description. Estimated Weight.' Date of j Shipment, , as per Bill of Lading. Ship's Name and Port of Delivery. No. Weight. Date of Arrival. 1873. line 2 Rails, 40 lbs. (41 miles) 2577 2 3 12 Tonscwt.qrslbs. 2577 2 3 12 1874. Jan. 9 „ 29 Mar. 3 Feb. 20 Mar. 11 „ 13 „ 23 „ 23 „ 24 Wm. Davie Port Chalmers Asia „ Buckinghamshire „ jj jj Hindostan „ Caroline „ Dunedin „ Hindostan „ Cartsburn „ 1,269 722 720 388 618 1,400 2,348 2,605 402 Tons cwt. qrs. lbs 175 6 3 4 101 4 14 102 17 0 16 55 8 2 8 88 5 2 24 200 0 0 0 330 5 1 12 370 5 1 14 56 15 2 24 1874. 12 April 27 „ 29 May. 29 „ Fang Bolts and Nuts Asia „ Buckinghamshire „ Caroline „ 10,472 ; 1480 9 3 22 Jan. 12 Mar. 3 „ 16 20,000 25,000 30,000 16 9 0 10 19 17 3 18 24 3 1 26 27 April. 29 May. Spikes ... ... Jan. 12 Mar. 16 Asia „ Caroline „ 75,000 40,000 25,000 60 10 1 26 9 10 1 10 5 19 0 12 27 April. Top Clips ... Feb. 15 Mar. 9 April 10 Buckinghamshire „ Roslin Castle „ Sussex „ 65,000 15 9 1 22 39,984 40,000 80,000 24 10 0 0 24 11 1 0 49 2 2 0 29 May. Sole Plates 159984 98 3 3 0 Jan. 27 Mar. 9 April 10 Asia „ Roslin Castle „ Sussex „ 20,016 20,000 40,000 34 12 2 2 34 12 3 0 69 5 2 0 27 April. * 80,016 138 10 3 2 Steel Rail Joints Jan. 19 April 10 Asia „ Sussex „ 2,000 5,102 10 5 0 0 25 5 0 16 27 „ 25 sets Points and Crossings. 4 Locomotives, lOJ-inch cylinder, 6-wheel, coupled. 100 sets Waggon Ironwork. 4 Carriages, First-class, large. 14 Carriages, Second-class, large. 6 Carriages, Composite, large. Wheels and Axles 4 Brake Vans, large. 3 Waggon Weighbridges. 3 Cart Weighbridges. 6 Girders, 60-feet span, Kakanui Bridge. 4 sets Ironwork, for 30-feet spans, Kakanui Bridge. 11 sets Ironwork, for 30-feet spans, Island Creek Bridge. Mar. 2 Buckinghamshire, Port Chalmers lOOprs 7,102 35 10 0 16 1874. 29 May. !ept. 27 1874. 'eb. 7 6 sets Ironwork, for 60-feet spans, Kakanui Bridge. 4 sets Ironwork, for 30-feet spans, Kakanui Bridge. 1 set Ironwork, for 11-feet spans, Kakanui Bridge. 11 sets Ironwork, for 30-feet spans, Island Creek Bridge. 2 sets Ironwork, for 11-feet spans, Island Creek Bridge. - I IRAKI T< DUNEDIN. Mo: 1874. Jan. 10 Rails, 40 lbs. (25 miles). Fang Bolts and Nuts. Spikes. Top Clips. Sole Plates. Steel Rail Joints. 1571 8 2 8 »

Log in or create a Papers Past website account

Use your Papers Past website account to correct newspaper text.

By creating and using this account you agree to our terms of use.

Log in with RealMe®

If you’ve used a RealMe login somewhere else, you can use it here too. If you don’t already have a username and password, just click Log in and you can choose to create one.


Log in again to continue your work

Your session has expired.

Log in again with RealMe®


Alert