Page image
Page image

E

E.—l

TOKOMAIRIRO TO LAWRENCE.

17

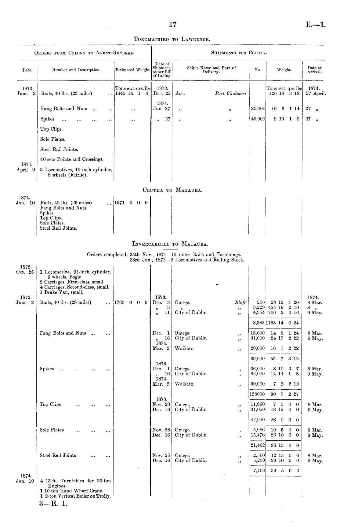
[DEES FBOM COLONY TO AgENT-i rENERAL. Shipments foe lOLONY. Date. Number and Description. Estimated Weight. Date of Shipment, as per Bill of Lading. Ship's Name and Port of Delivery. No. Weight. Date ot Arrival. 1873. June 2 lune 2 Rails, 40 lbs. (23 miles) ... 1445 14 1 4 Tons cwt. qrs. lbs 1445 14 1 4 1873. Dec. 22 Asia Port Chalmers Tons cwt 126 18 Tons cwt. qrs. lbs 126 18 3 18 rt. qrs. lbs 1 3 18 1874. 27 April. Fang Bolts and Nuts 1874. Jan. 27 jj i: ] 16 6 16 6 1 14 5 1 14 27 „ 20,000 Spikes ... Top Clips. Sole Plates. „ 27 jj jj 40,000 ) 9 10 9 10 1 0 3 1 0 27 „ Steel Rail Joints. 40 sets Points and Crossings. 1874. • 18/4. Ipril 9 3 Locomotives, 10-inch cylinder, 8 wheels (Fairlie). 1874. pril 9 Cl 1874. an. 10 Rails, 40 lbs. (25 miles) ...1571 0 0 0 Fang Bolts and Nuts. Spikes. Top Clips. Sole Plates. Steel Rail Joints. Cl 1571 ooo UTHA TO MATAt/EA. THA Ti lARGLXL TO MATAURA. Inter* Orders completed, 25th No' 23rd Jar '., 1871 —12 miles Rails and Fastenings. ., 1872 —2 Locomotives and Rolling Stock. 1872. 3ct. 25 1 Locomotive, 9J-inch cylinder, 6 wheels, Bogie. 2 Carriages, First-class, small. 4 Carriages, Second-class, small. 1 Brake Van, small. 1873 1872. ict. 25 )' 28 12 ) 454 19 I] 700 2 S1183 14 ! 1 20 » 2 16 ! 0 16 fc 0 24 1874. 8 Mar. 8 „ 9 May. • 1873. 'une 2 1873. 'une 2 Rails, 40 lbs. (28 miles) ... 1760 0 0 0 1873. Dec. 3 „ 3 „ 11 1873. Dec. 3 Omega Bluff 1760 0 0 0 200' 3,229 4,954 28 12 1 20 454 19 2 16 700 2 0 16 Q "„ 11 City of Dublin ',', Fang Bolts and Nuts ... Dec. 1 „ 16 1874. Mar. 2 Dec. 1 Omega „ „ 16 City of Dublin „ 1874. 18,000 31,000 8,383 I HOO 14 ) 14 8 ) 24 17 ) 16 1 1183 14 0 24 14 8 1 24 24 17 2 22 * U _4 ( 1 24 ' 2 22 . 2 22 8 Mar. 9 May. 18/4. Mar. 2 Waikato „ 20,000 16 1 2 22 Spikes 1873. Dec. 1 „ 16 1874. Mar. 2 1873. Dec. 1 Omega „ „ 16 City of Dublin „ 1874. 69,000 36,000 62,000 ) 55 7 ) 8 10 ) 14 14 ) 7 2 55 7 3 12 8 10 3 7 14 14 1 8 ' 3 12 ) 3 7 » 1 8 S 2 12 8 Mar. 9 May. 18/4. Mar. 2 Waikato „ 30,000 7 2 2 12 Top Clips 1873. Nov. 28 Dec. 16 1873. Nov. 28 Omega „ Dec. 16 City of Dublin „ 128000 ) 30 7 ) 7 5 ) 18 15 ) 26 0 30 7 2 27 ' 2 27 ; o o i 0 0 ) 0 0 8 Mar. 9 May. 11,890 31,050 7 5 0 0 18 15 0 0 I Sole Plates Nov. 28 Dec. 16 Nov. 28 Omega „ Dec. 16 City of Dublin „ 42,940 5,986! 15,476 1 _o u H 10 5 i 26 10 ! 36 15 26 0 0 0 10 5 0 0 26 10 0 0 i u u i 0 0 ) 0 0 i 0 0 8 Mar. 9 May. Steel Rail Joints Nov. 25 Dec. 16 Nov. 25 Omega „ Dec. 16 City of Dublin 21,462 2,500 5,200 : co 10 ) 12 15 ) 26 10 36 15 0 0 12 15 0 0 26 10 0 0 > o u > 0 0 ) 0 0 8 Mar. 9 May. 1874. an. 10 1874. ran. 10 4 13-ft, Turntables for 20-ton Engines. 1 10-ton Hand Wharf Crane. 1 2-ton Vertical Boiler on Trolly. 7,700 39 5 0 0 I | 3—E. 1.

Log in or create a Papers Past website account

Use your Papers Past website account to correct newspaper text.

By creating and using this account you agree to our terms of use.

Log in with RealMe®

If you’ve used a RealMe login somewhere else, you can use it here too. If you don’t already have a username and password, just click Log in and you can choose to create one.


Log in again to continue your work

Your session has expired.

Log in again with RealMe®


Alert