Page image
Page image

H.—35.

60

OTAGO.

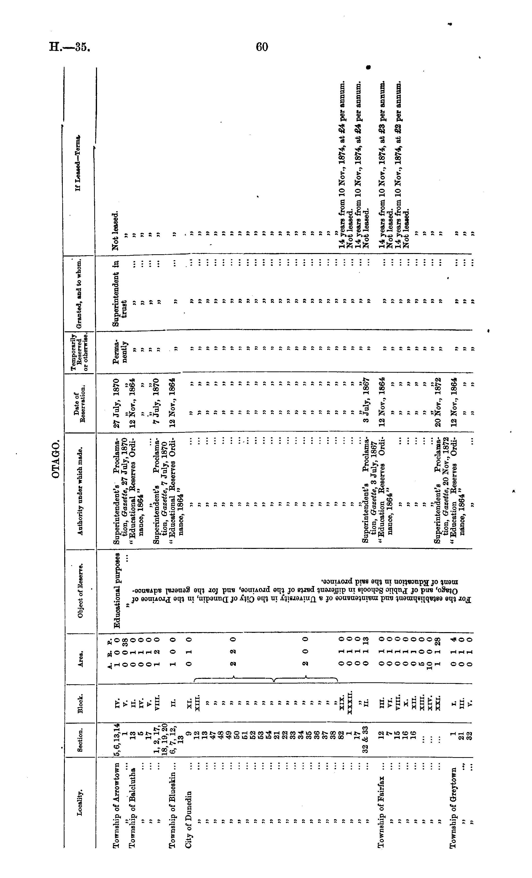
Locality. Section. Block. Area. Object of Reserve. Authority under which made. Date of Reservation. Temporarily Reserved or otherwise. Granted, and to whom. If leased— Terma, Township of Arrowtown Township of Balclutha 5,6,13,14 1 13 5 17 1, 2, 17, 18, 19, 20 6, 7, 12, 13 9 12 13 4.7 48 49 50 51 52 53 54 21 22 33 34 35 36 37 38 82 1 17 32&33 IT. II. IV. VIII. A. E. P. 10 0 0 0 38 0 10 0 10 0 10 12 0 Educational purposes 5.5 •a § Us 1-aS -o a Superintendent's Proclamation, Gazette, 27 July, 1870 "Educational Reserves Ordinance, 1864 " 27 July, 1870 12 Nov., 1864 Permanently M Superintendent in trust >> ».. Not leased. 33 33 i» •■. 7 July, 1870 )j )j 31 jj Township of Blueskin ... II. 10 0 Superintendent's Proclamation, Gazette, 7 July, 1870 " Educational Reserves Ordinance, 1864 " 12 Nov., 1864 B n jj „ ••• s> •■• tt "' M 31 33 City of Dunedin XI. XIII. 0 10 ,, ... » j) jj » ••• 33 ,, • •• 3 , }> it jj ,) ..• 31 m ■•• n j» ••• » jj » » 33 ii it 2 2 0 ,, ... a jj a „ 13 a • •• j> u ... jj >> M j, ... 33 >> ij it »•• jj t> jj jj ... 33 a )} jj >.. 33 ... j> »j )i ), ... 31 ,, j» jj jj ti ,j •.. 31 it ••• tt J> ... jj j» 3» „ ... » j) ... it J> ... jj jj J) JJ ••• 33 jj ••• j) j, ... a it )) j) III 33 jj ... tt J) ... it it JJ t> •■ • 33 i) jj )j ... j) jj JJ )J ... 31 I) ••• tt jj j> j» JJ JJ ... 33 JJ a 2 0 0 J) .. . D jj j) „ 13 jj ... it jj ... >j jj a n ..• 11 it it j> jj » j» •■• 11 ,, ... tt 0 10 0 10 0 10 0 1 13 II >• • it jj » ,, ... 33 )1 ... XIX. XXXII. }> > .• jj jj n »» ••• 33 14 years from 10 Nov., 1874, at £4 per annum. Not leased. 14 years from 10 Nov., 1874, at £4 per annum. Not leased. it ... jj )J >J H ,, ... » '•• jj ... jj j) ), „ ■•■ >l ••• II. Superintendent's Proclamation, Gazette, 3 July, 1867 " Education Reserves Ordinance, 1864" 3 July, 1867 J) ,, ■ •«• it ••• )) it Township of Fairfax ... 12 7 15 16 16 III. VI. VIII. X. XII. XIII. XIV. XXI. 0 10 0 10 0 10 0 10 0 1 0 5 0 0 10 0 0 1 1 28 12 Not., 1864 >t ,, ... 14 years from 10 Nov., 1874, at £3 per annum. Not leased. 14 years from 10 Nov., 1874, at £2 per annum. Not leased. it it JJ tt ... >t • ■ • jj »•« )) >» J> j, ... jj ... jj ... 3J JJ 3) 31 •■• j) ... jj ... JJ J» 33 33 •■• 33 jj ... a ••' JJ JJ 33 33 ••• 33 jj Superintendent's Proclamation, Gazette, 20 Nov., 1872 11 Education Reserves Ordinance, 1864 " 20 Nov., 1872 33 33 ... 33 a 33 33 "■ 13 Township of Greytown 1 21 32 I. III. V. 0 14 0 10 0 10 12 Nov., 1864 33 tt ••■ 33 >t •*.• JJ JJ 33 33 ••• 33 jj >. i it ••• JJ it 33 33 ••• 31

Log in or create a Papers Past website account

Use your Papers Past website account to correct newspaper text.

By creating and using this account you agree to our terms of use.

Log in with RealMe®

If you’ve used a RealMe login somewhere else, you can use it here too. If you don’t already have a username and password, just click Log in and you can choose to create one.


Log in again to continue your work

Your session has expired.

Log in again with RealMe®


Alert