1.—13
12
SCHEDULE. Eegulations. 1. These regulations shall come into operation on 2. The Commissioner of Confiscated Lands in the Province of Auckland shall and may sell to Thomas Kussell, Esq., of Auckland, in the Province of Auckland, solicitor, the block of land specified in this Schedule, at the rate of ss. per acre, and that the provisions of the 9th section of the regulations made by the Order in Council of the 11th May, 1871, shall not apply to the said land. 3. All that parcel of land in the Province of Auckland, containing about eighty thousand (80,000) acres, situated in the Parishes of Taupiri, Komakorau, and Kirikiriroa, Banks Couuty, and known as the " Great Swamp," the boundaries whereof are more particularly delineated upon the plan thereof deposited in the office of the Secretary for Crown Lands, and authenticated by the signature of the Honorable the Secretary for Crown Lands. Mr. G-. M. O'Eorke, —This draft should be submitted to the Assistant Law Officer for settlement. —C. E. Hatjghton.—4th July, 1874. Accordingly.—G. M. O'Eobke.—7 th July, 1874. The Under Secretary for Crown Lands, —Please inform me whether all the terms of the proposed regulations are set forth in the draft herewith. —W. S. Eeid. —9th July, 1874. Hon. Dr. Pollen, —"Will you please instruct me in this ?—C. E. Haughtox.—llth July, 1874. Hon. Secretary for Crown Lands, —"What is required, I think, is only authority to sell the swamp without preliminary putting up to auction. The facts may be recited without mention of names. " Whereas it is desirable that the particular land should be disposed of, &c., &c." 11th July, 1874. Daniel Pollen.
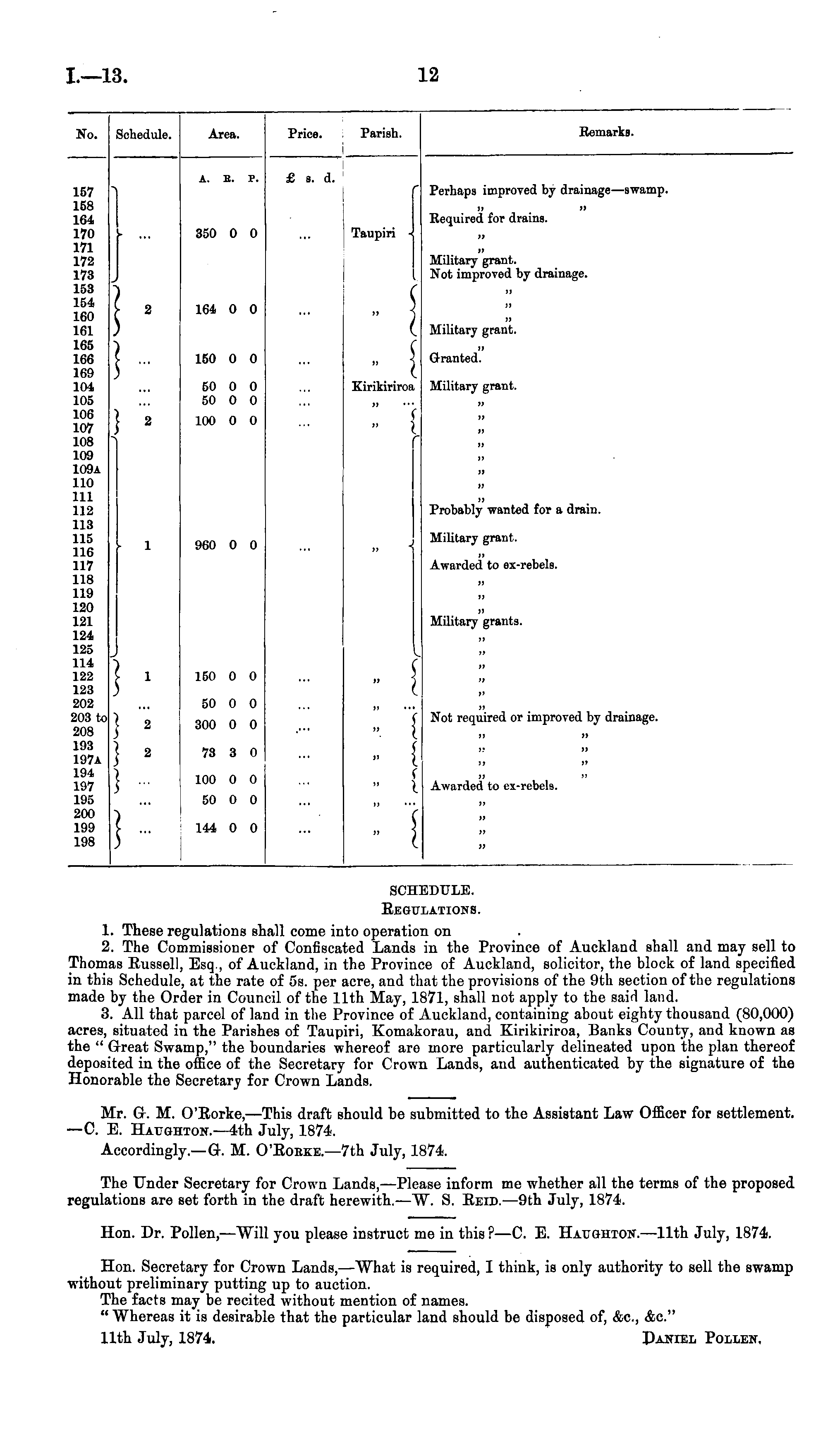
No. Schedule. Area. Price. Parish. Bemarks. A. K. P. £ s. d. Perhaps improved by drainage—swamp. 157 158 164 170 171 172 173 153 154 160 161 165 166 169 104 105 106 107 108 109 109a 110 111 112 113 115 116 117 118 119 120 121 124 125 114 122 123 202 203 to 208 193 197a 194 197 195 200 199 198 2 2 350 0 0 164 0 0 150 0 0 50 0 0 50 0 0 100 0 0 Taupiri ii I Kirikirirof is ■• '» ?> Kequired for drains. n n Military grant. Not improved by drainage. Military grant. si Granted. Military grant. » u » >» j» » Probably wanted for a drain. Military grant. 960 0 0 l> Awarded to ex-rebels. )i Military grants. n )) i> 1 150 0 O H u 50 0 0 M Not required or improved by drainage. 2 300 0 0 >> »> 2 73 3 0 )? ii >i " 100 0 0 Awarded to ex-rebels. 50 0 0 I i> 144 0 0 it ii ii
Use your Papers Past website account to correct newspaper text.
By creating and using this account you agree to our terms of use.
Your session has expired.