C—s.
35
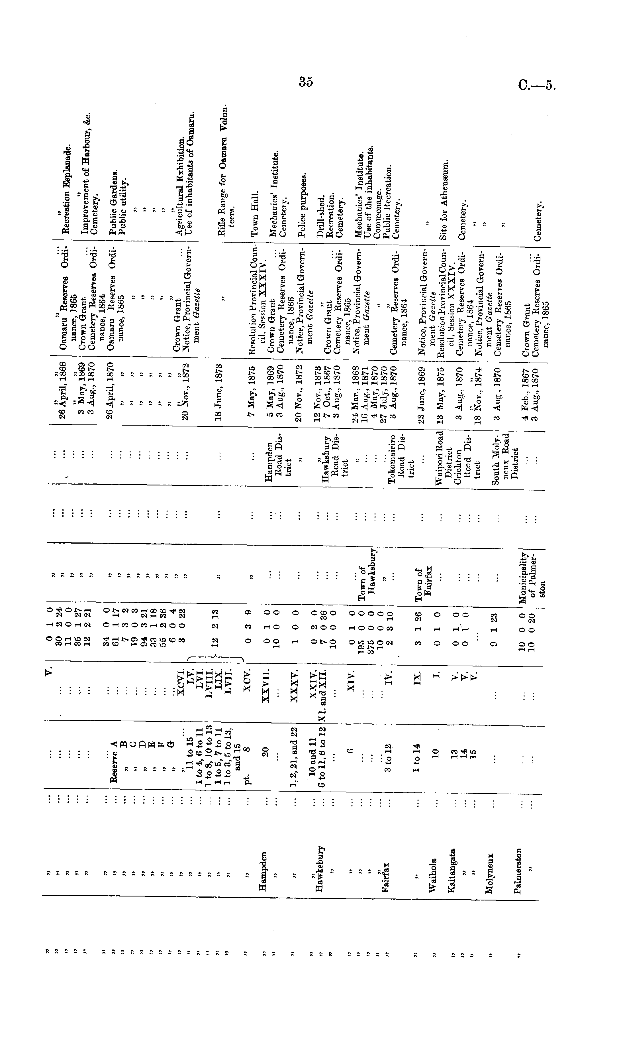
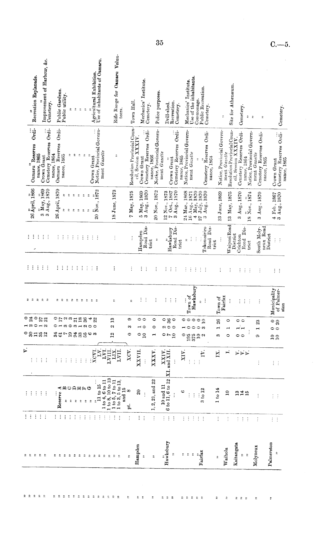
" ... V. 0 10 30 2 24 11 0 0 35 1 27 12 2 21 » J» - JJ ... 2G April, 1866 Oamaru Reserves Ordinance, 1865 Crown Grant Cemetery Reserves Ordinance, 1864 Oamaru Reserves Ordinance, 1865 Recreation Esplanade. », 37 3 May, 1869 3 Aug., 1870 3J JJ Improvement of Harbour, &c. Cemetery. ,j J3 M JJ 34 0 0 61 1 17 7 3 2 19 0 3 94 8 21 33 1 18 55 2 36 6 0 4 3 0 22 H 26 April, 1870 )t Reserve A B D F fiJJ ... >» JJ Public Gardens. Public utility. » JJ 3J J) » ,» || ... j, - ... . . :) JJ JJ » JJ >> ,) ,, JJ M ,» Crown Grant Notice, Provincial Government Gazette JJ XCVI. LV. LVI. LVIII. LIX. LVII. JJ „ Agricultural Exhibition. Use of inhabitants of Oamaru. ,, JJ ll to 15 Ito4, 6 to 11 1 to 8, 10 to 13 1 to 5, 7 to 11 1 to 3, 5 to 13, and 15 pt. 8 JJ 20 Nov., 1872 ,, >J 1 i- 12 2 13 H n JJ >J 18 June, 1873 Rifle Range for Oamaru Volunteers. ,, JJ \CT. 0 3 9 7 May, 1875 Resolution Provincial Council, Session XXXIV. Crown Grant Cemetery Reserves Ordinance, 1866 Not tee. Provincial Government Gazette Town Hall. >, Hanipden 20 XXVII. 0 10 10 0 0 Hampden Road District 5 May, 1869 3 Aug., 1870 ,, Mechanics' Institute. Cemetery. » >> 1,2, 21, and 22 XXXV. 10 0 20 Nov., 1872 Police purposes. ,, j» Hawks bury 10 and 11 6 to 11,6 to 12 XXIV. XI. and XII. 0 2 0 7 0 36 10 0 0 Ilawksbuvy Road District 12 Nov., 1873 7 Oct., 1867 3 Aug., 1S70 Drill-shed. Recreation. Cemetery. M j> 6 XIV. 0 10 195 0 0 375 0 0 10 0 0 2 3 10 I Crown Grant Cemetery Reserves Ordinance, 1865 Notice, Provincial Government Gazette ,1 >j Town of Hawksbury ,, 21 Mar., 1868 16 Aug., 1871 4 May, 1870 27 July, 1870 3 Aug., 1870 Mechanics' Institute. Use of the inhabitants. Comiconage. Public Recreation. Cemetery. » » JJ Fairfax 3 to 12 ... Tokoniairiro Road District " IV. Cemetery Reserves Ordinance, 1861 J, >j 1 tol4 IX. 3 1 26 Town of Fairfax 23 June, 1869 t> It Waihola Kaitangata », 10 13 14 15 I. V. V. V. 0 10 0 10 0 10 Waipori Road District Crichton Road District 13 May, 1875 3 Aug., 1870 Notice, Provincial Government Gazilte Resolution Provincial Council, Session XXXIV. Cemetery Reserves Ordinance, 1864 Notice, Provincial Government Gazette Cemetery Reserves Ordinance, 1865 Site for Athenseum. Cemetery. n ,, 18 Nov., 1874 ,, ti Molyneux 9 1 23 South Molyneux Road District 3 Aug., 1870 Palmeraton 10 0 0 10 0 20 Municipality of Palmerston 4 Feb., 1867 3 Aug., 1870 ... ... Crown Grant Cemetery Reserves Ordinance, 1865 Cemetery.
Use your Papers Past website account to correct newspaper text.
By creating and using this account you agree to our terms of use.
Your session has expired.