Page image
Page image

50

C—s

SUPPLEMENTARY LIST of Reserves made for the Endowment of Corporate or other Public Bodies between 30th June, 1876, and 31st October, 1876.

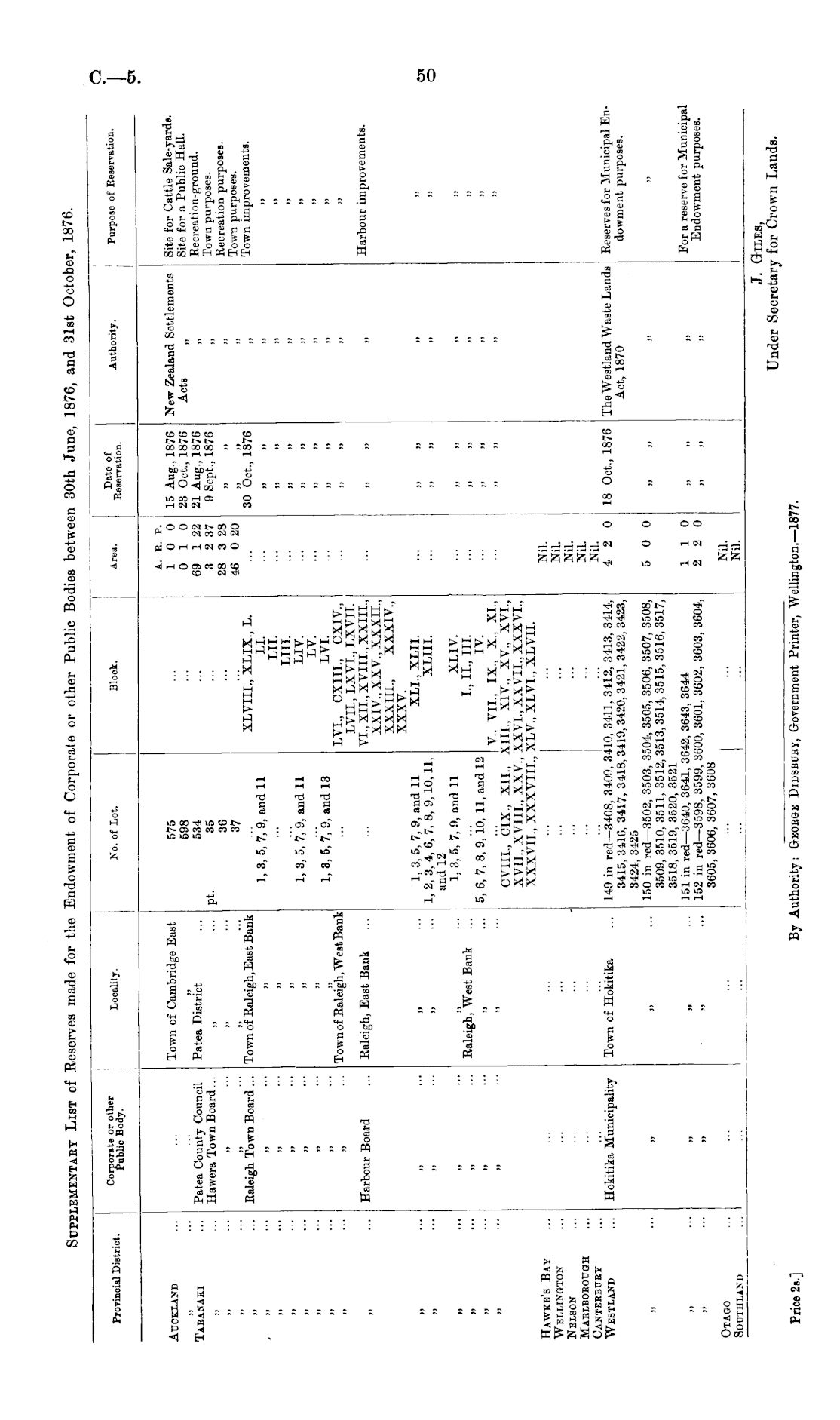
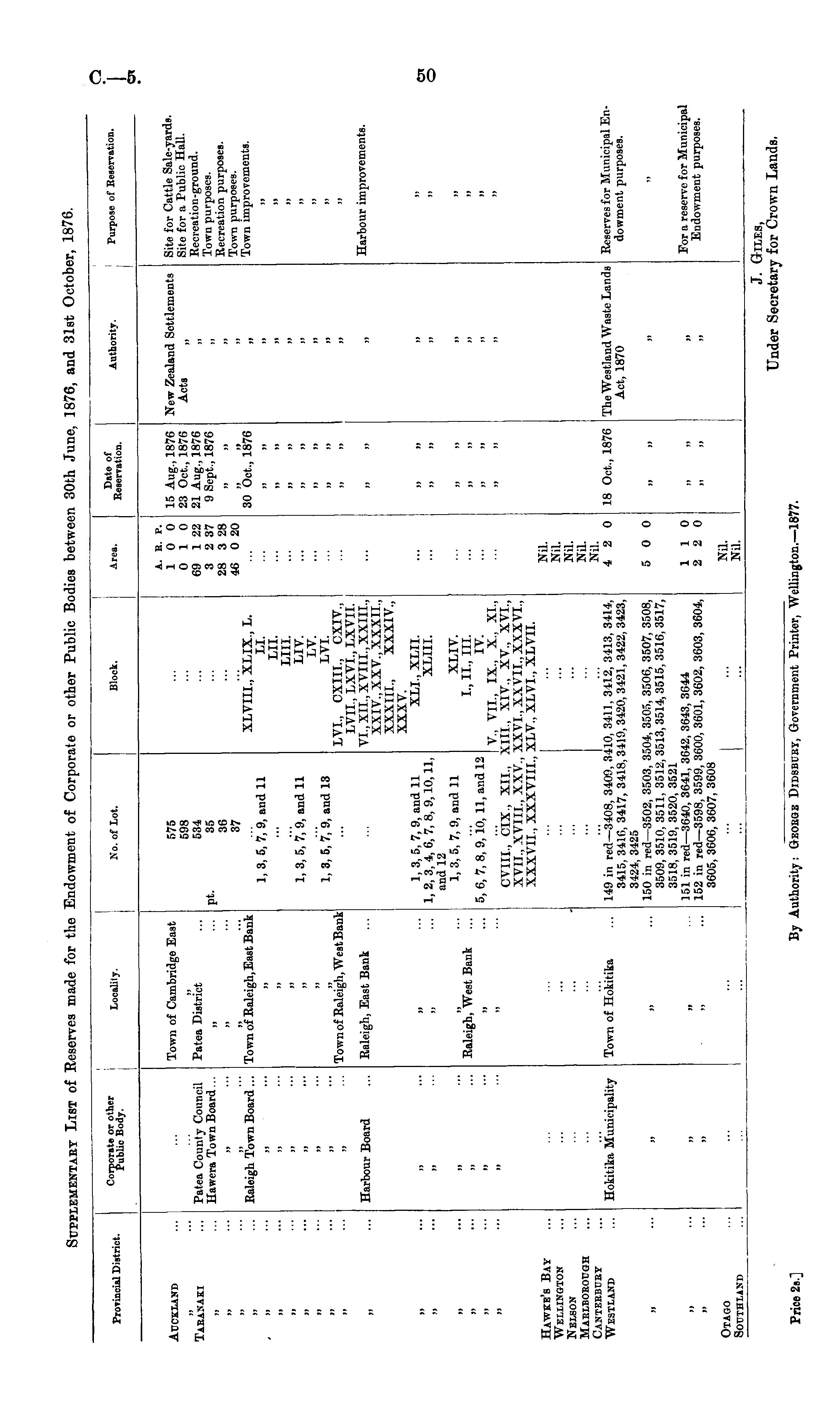
Provincial District. Corporate or other Public Body. Locality. No. of Lot. Block. Area. Date of Keservation. Authority. Purpose of Reservation. Auckland Taranaki Patea County Council Hawera Town Board... Town of Cambridge East jj Patea District 575 598 534 pt. 35 36 37 XLVIIL, XLIX., L. 1, 3, 5, 7, 9, and 11 LI. LII. LIII. 1, 3, 5, 7, 9, and 11 LIV. LV. 1, 3, 5, 7, 9, and 13 LVI. LVL, CXIIL, CXIV., LVII., LXVL, LXVII. VI., XII., XVIIL, XXIII., XXIV., XXV., XXXIL, XXXIIL, XXXIV., XXXV. 1, 3, 5, 7, 9, and 11 XLI., XLII. 1, 2, 3, 4, 6, 7, 8, 9,10, 11, XLIII. and 12 1, 3, 5, 7, 9, and 11 XLIV. I., IL, III. 5, 6, 7, 8, 9, 10, 11, and 12 IV. V„ VIL, IX., X., XL, CVIIL, CIX., XII., XIII., XIV., XV., XVI., XVIL, XVIIL, XXV., XXVL, XXVIL, XXXVI., XXXVII., XXXVIIL, XLV., XLVI., XLVII. A. B. P. 10 0 0 10 69 1 22 3 2 37 28 3 28 46 0 20 15 Aug., 1876 23 Oct., 1876 21 Aug., 1876 9 Sept., 1876 New Zealand Settlements Acts „ Site for Cattle Sale-yards. Sito for a Public Hall. Recreation-ground. Town purposes. Recreation purposes. Town purposes. Town improvements. jj »» - jj jj •*• )J J> - jj jj Raleigh Town Board... Town of Raleigh, East Bank jj 30 Oct., 1876 .. » >j u ••• JJ 11 j> jj jj JJ »» n jj »j »J JJ jj u jj jj JJ J) jj jj j> j> • •• JJ It ») jj SI »j jj Town of Raleigh, West Bank JJ tt jj >j jj JJ JJ jj J) st Harbour Board Raleigh, East Bank JJ JJ jj Harbour improvements. it jj ••* »j JJ !> M jj 11 >j u • ■ • JJ >» )l jj 11 jj *•■ jj Raleigh, West Bank JJ J) n j> 11 jj ■•• JJ >J a jj JJ JJ JJ it jj 11 j» ■ •• »j • ■ ■ J» JJ it jj Hawke's Bay Wellington Nelson Marlborough Canterbury Westland ... ... Nil. Nil. Nil. Nil. Nil. 4 2 0 The Westland Waste Lands Act, 1870 Reserves for Municipal Ei dowment purposes. ... Hokitika Municipality Town of Hokitika 149 in red— 3408, 3409, 3410, 3411, 3412, 3413, 3414, 3415, 3416, 3417, 3418, 3419, 3420, 3421, 3422, 3423, 3424, 3425 150 in red— 3502, 3503, 3504, 3505, 3506, 3507, 3508, 3509, 3510, 3511, 3512, 3513, 3514, 3515, 3516, 3517, 3518, 3519, 3520, 3521 151 in red— 3640, 3641, 3642, 3643, 3644 152 in red— 3598, 3599, 3600, 3601, 3602, 3603, 3604, 3605, 3606, 3607, 3608 18 Oct., 1876 jj jj „ 5 0 0 JJ J) jj jj JJ j» 110 2 2 0 JJ JJ n For a reserve for Municip Endowment purposes. j» JJ »j ••■ JJ JJ it Otago Southland Nil. Nil. J. Giles, Under Secretary for Crown Lands. Price 2s.] By Authority i George Didsbury, Government Printer, Wellington. —1877.

Log in or create a Papers Past website account

Use your Papers Past website account to correct newspaper text.

By creating and using this account you agree to our terms of use.

Log in with RealMe®

If you’ve used a RealMe login somewhere else, you can use it here too. If you don’t already have a username and password, just click Log in and you can choose to create one.


Log in again to continue your work

Your session has expired.

Log in again with RealMe®


Alert