4
C—l 2
Lands disposed of on Deferred Payments, &c— continued. Under Section 53, " Land Act, 1877 "—continued.
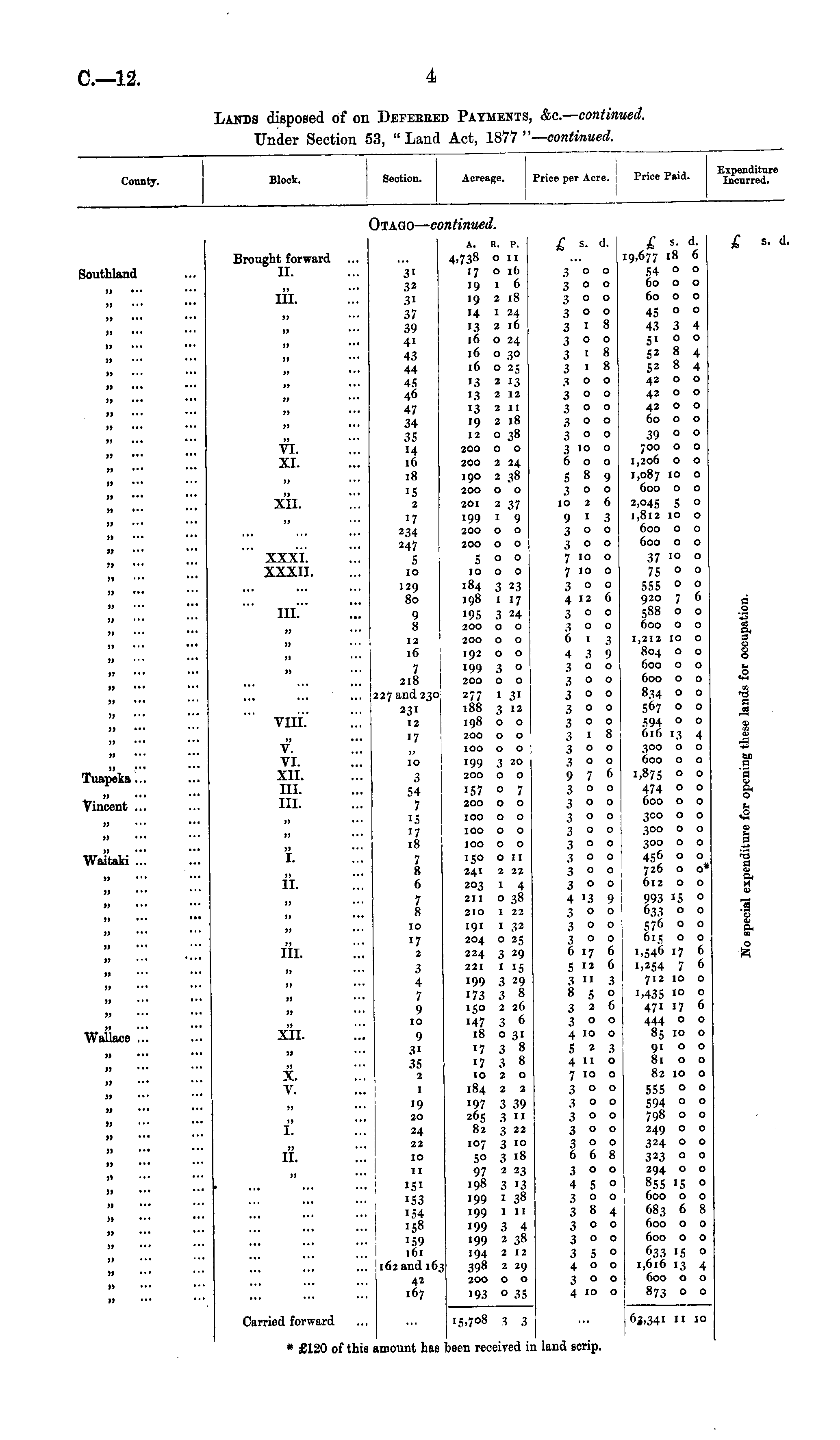
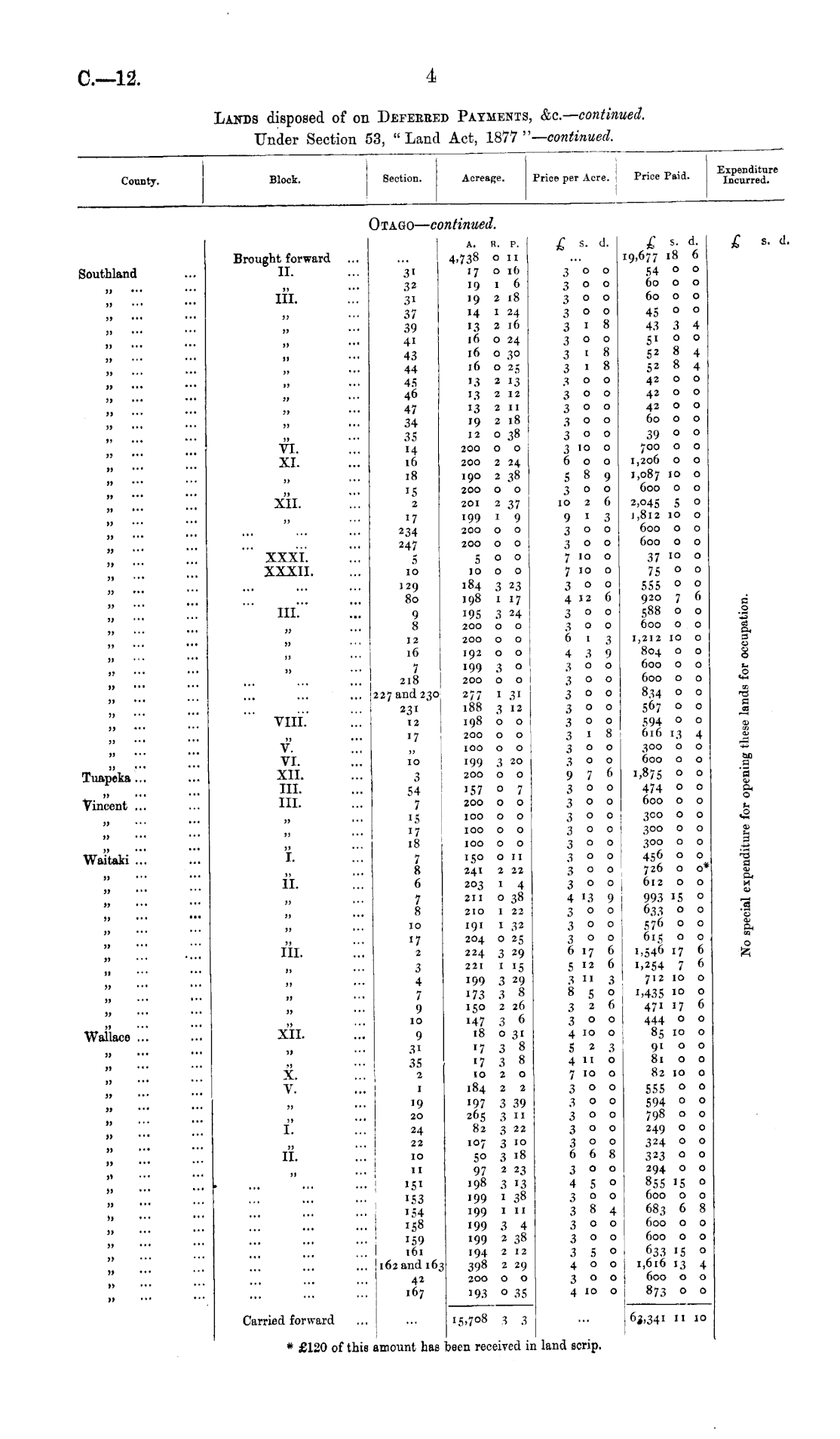
Section. Price per Acre. Price Paid. Expenditure Incurred. County. Block. Acreage. Otago— co; mtinued. Southland jj ••• jj jj ••• jj ••• JJ •■• Brought forward II. J» ■** III. JJ JJ JJ •*' 31 32 31 37 39 41 43 44 45 46 47 34 35 14 16 18 A. n. p. 4,738 o 11 17 o 16 19 1 6 19 2 18 14 1 24 13 2 16 16 o 24 16 o 30 16 o 25 13 2 13 13 2 12 13 2 II 19 2 l8 12 0 38 200 O O £ »• d. 300 300 300 300 3 1 8 300 3 1 8 3 1 8 300 300 300 300 300 3 10 o 600 5 8 9 300 1026 £ s. d. 19,677 18 6 54 o o 60 o o 60 o o 45 ° ° 43 3 4 5100 52 8 4 52 8 4 42 o o 42 o o 42 o o 60 o o 39 o o 700 o o 1,206 o o 1,087 10 o 600 o o 2,045 5 ° 1,812 10 o 600 o o 600 o o 37 i° ° 75 ° ° 555 ° ° 920 7 6 588 o o 600 o o 1,212 IO O 804 O O 600 O O 600 0 O 834 O O 567 o o 594 ° o 616 13 4 300 o o 600 o o 1,875 o o 474 ° ° 600 o o 300 o o 300 o o 300 o o 456 o o 726 o o* 612 o o 993 15 o 633 o o 576 o o 615 o o 1,546 17 6 1.254 7 6 712 10 o 1,435 i° ° 47i 17 6 444 o o 85 10 o 91 00 81 o o 82 IO o 555 ° ° 594 o o 798 o o 249 o o 324 o o 323 o o 294 o o 855 15 ° 600 o o 683 6 8 600 o 0 600 o o 633 15 o 1,616 13 4 600 o o 873 o 0 £ E. d, JJ JJ JJ JJ ••' )1 ... JJ ••• JJ ••• JJ ' ** JJ JJ •*' 11 JJ ••■ JJ ... JJ VI. XI. J) ••• JJ JJ ••• JJ ••■ JJ JJ JJ JJ J» ■•• JJ *•• JJ J) JJ JJ x'ii. ii xxxi. '.'.'. XXXII. in!" ... a 15 2 17 234 247 5 10 129 80 9 8 12 16 7 218 227 and 230 231 12 17 200 2 24 19O 2 38 200 O 0 201 2 37 199 1 9 200 o o 200 o o 500 10 o o 184 3 23 198 I 17 195 3 24 200 o o 200 o o 192 o o 199 3 ° 200 o o 277 I 31 188 3 12 198 o o 200 o o 100 o o 199 3 20 200 o o 157 ° 7 200 o o 9 1 3 300 300 7 10 o 7 10 o 300 4 12 6 300 300 6 1 3 4 3 9 300 300 300 300 300 3 ' 8 300 300 9 7 6 300 300 300 300 300 300 300 300 4 13 9 300 300 300 6 17 6 5 12 6 3 11 3 8 s o 326 300 4 10 o 5 2 3 411 o 7 10 o 300 300 300 300 300 6 6 8 300 4 5° 300 384 300 300 3 5 ° 400 300 4 10 o a .2 '-__ B g _ >3 s -rj 9 '3 o p. 0 _ a> !3 1 g> & H a> "g '8 o E o II jj JJ JJ jj ... ' JJ JJ )J VIII.' '.'.'. JJ J) ■■• JJ JJ ••• Tuapeka... II ... V. VI. XII. III. III. 10 3 54 7 1.5 17 18 7 8 6 jj ••• Vincent ... jj 11 •" 11 ••' 100 o o 100 o o 100 o o jj ■•■ jj ■*■ Waitaki ... JJ I. 150 on 241 2 22 203 1 4 211 o 38 2IO I 22 191 I 32 204 o 25 224 3 29 221 1 15 199 3 29 173 3 8 IgO 2 26 147 3 6 18 o 31 17 3 8 17 3 8 10 2 o 184 2 2 197 3 39 265 3 11 82 3 22 107 3 10 50 3 J8 97 2 23 19 8 3 13 199 1 38 199 1 11 199 3 4 199 2 38 194 2 12 j 398 2 29 200 o o 193 o ZS jj JJ ••• II. jj • •• 7 8 jj •■• JJ jj ■•• JJ ••■ jj JJ '•• III. '.'.'. 10 17 2 jj jj jj jj ••• J> JJ •■• JJ 3 4 7 9 10 jj ■•• jj ••• JJ JJ ■•• Wallace ... x'ii. .'.'. 9 31 35 2 1 jj ••• it jj jj ••• it •'• X. V. jj jj ••• JJ JJ JJ "■ JJ ... I. 19 20 24 22 10 11 »J ••• 11 *•* II. JJ ••• J» >> '•• J» JJ •■• I, JJ 151 153 1 '54 158 159 161 162 and 163 JJ JJ JJ JJ 42 167 Jl Carried forward i,S,7°8 3 3 63,341 II 10 * £120 of this amount has ►een received i: land scrip.
Use your Papers Past website account to correct newspaper text.
By creating and using this account you agree to our terms of use.
Your session has expired.