Page image
Page image

48A

IL—IA.

Nominal Return of Officers of the several Education Boards, and of the Training Colleges, not included in Table No. 9; as at the 30th June, 1880.

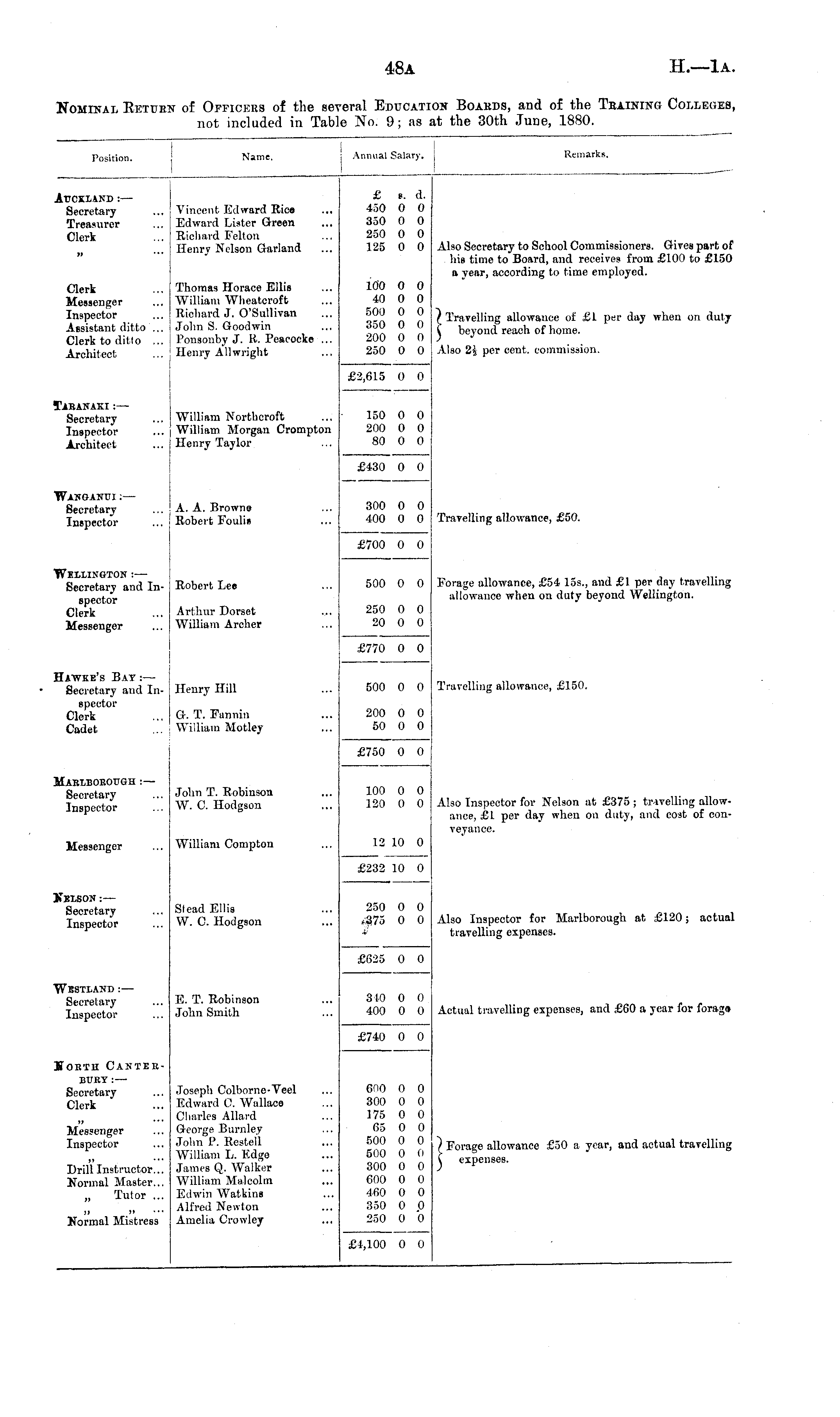
Position. I I Name. | Annual Salary. I I I Remarks. Auckland : — Secretary Treasurer Clerk Vincent Edward Rice Edward Lister Green Richard Felton Henry Nelson Garland £ s. d. 450 0 0 350 0 0 250 0 0 125 0 0 » 100 0 0 40 0 0 500 0 0 350 0 0 200 0 0 250 0 0 Also Secretary to School Commissioners. Gives part of his time to Board, and receives from £100 to £150 a year, according to time employed. Clerk Messenger Inspector Assistant ditto ... Clerk to ditto ... Architect Thomas Horace Ellis William Wheatcroft Richard J. O'Sullivan John S. Goodwin Ponsonby J. R. Peaeocke ... Henry Allwright ( Travelling allowance of £1 per day when on duty C beyond reach of home. Also 24 per cent, commission. £2,615 0 0 riEANAKI :— Secretary Inspector Architect William Northcroft William Morgan Crompton Henry Taylor 150 0 0 200 0 0 80 0 0 £430 0 0 IVanoanui : — Secretary Inspector A. A. Browne Robert Foulis 300 0 0 400 0 0 Travelling allowance, £50. £700 0 0 WELLINGTON : — Secretary and Inspector Clerk Messenger Robert Lee Arthur Dorset William Archer 500 0 0 250 0 0 20 0 0 Forage allowance, £54 15s., and £1 per day travelling allowance when on duty beyond Wellington. Hawke's Bat :— Secretary and Inspector Clerk Cadet Henry Hill £770 0 0 500 0 0 Travelling allowance, £150. G. T. Fannin William Motley 200 0 0 50 0 0 tfABLBOBOUGH :— Secretary Inspector John T. Robinson W. C. Hodgson 100 0 0 120 0 0 £750 0 0 Also Inspector for Nelson at £375; travelling allowance, £1 per day when on duty, and cost of conveyance. Messenger William Compton 12 10 0 £232 10 0 Kelson : — Secretary Inspector Slead Ellis W. C. Hodgson 250 0 0 375 0 0 Also Inspector for Marlborough at £120; actual travelling expenses. Westland : — Secretary Inspector £625 0 0 E. T. Robinson John Smith 310 0 0 400 0 0 Actual travelling expenses, and £60 a year for forago £740 0 0 Roeth CantekBUKY : — Secretary Clerk Joseph Colborne-Veel Edward C. Wallace Charles Allard George Burnley John P. Rcstel'l William L. Edge James Q. Walker William Malcolm Edwin Watkins Alfred Newton Amelia Crowley ) Forage allowance £50 a year, and actual travelling V expenses. Messenger Inspector 600 0 0 300 0 0 175 0 0 65 0 0 500 0 0 500 0 0 300 0 0 600 0 0 460 0 0 350 0 0 250 0 0 Drill Instructor... Normal Master... „ Tutor ... „ ,» Normal Mistress £4,100 0 0

Log in or create a Papers Past website account

Use your Papers Past website account to correct newspaper text.

By creating and using this account you agree to our terms of use.

Log in with RealMe®

If you’ve used a RealMe login somewhere else, you can use it here too. If you don’t already have a username and password, just click Log in and you can choose to create one.


Log in again to continue your work

Your session has expired.

Log in again with RealMe®


Alert