Page image
Page image

11

P.—3

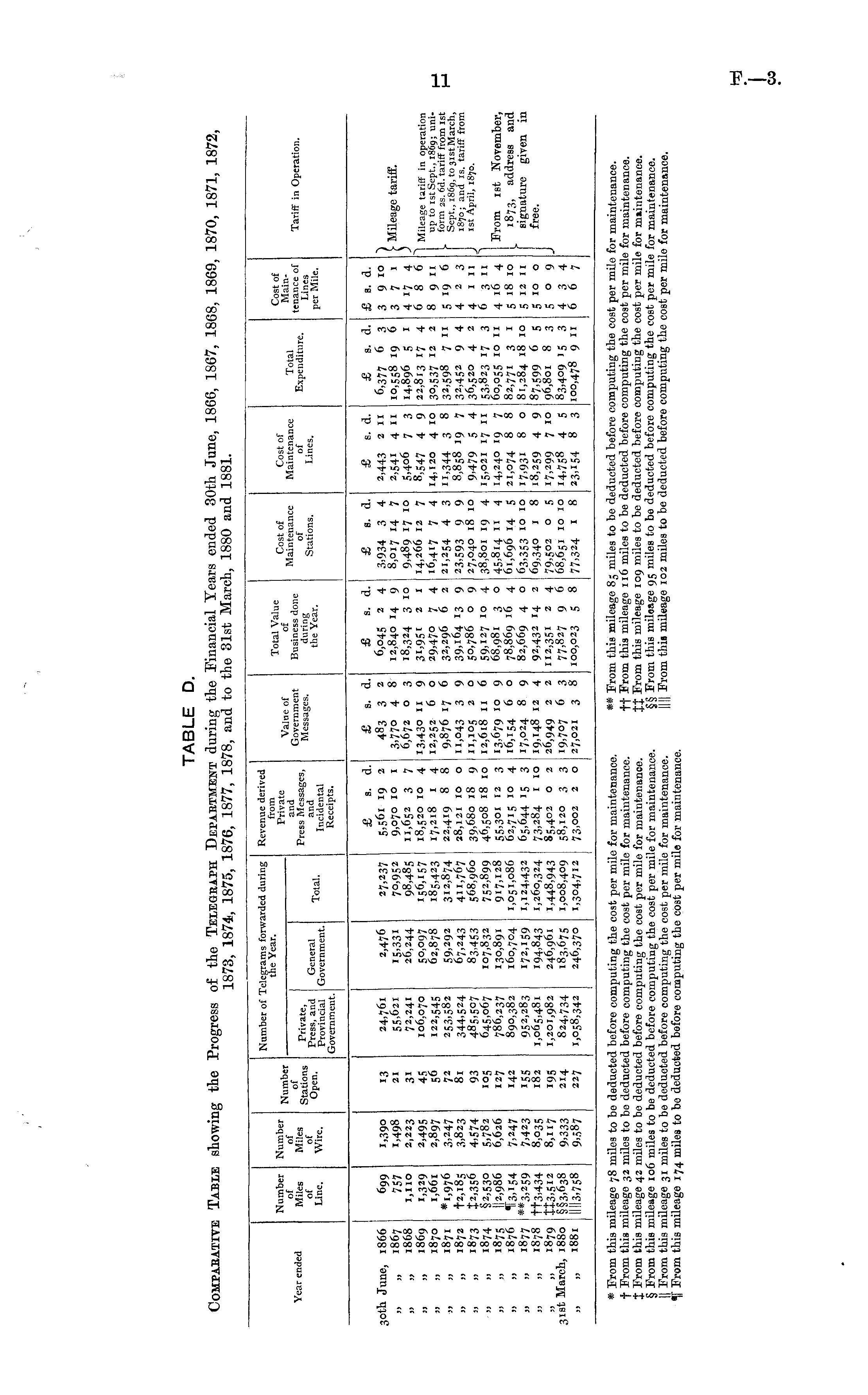
TABLE D. Comparative Table showing the Progress of the Telegraph Department during the Financial Years ended 30th June, 1866, 1867, 1868, 1869, 1870, 1871, 1872, 1873, 1874, 1875, 1876, 1877, 1878, and to the 31st March, 1880 and 1881.

Year ended Number of Miles of Line, Number of Miles of Wire. of Stations Open. Number of Telegrams forwarded during the Year. Revenue derived from Private and Press Messages, and Incidental Receipts. Value of Government Messages. Total Value of Business done during the Year. Cost of Maintenance of Stations. Cost of Maintenance of Lines. Total Expenditure. Cost of Maintenance of Lines per Mile. Tariff in Operation. Private, Press, and Provincial Government. General Government. Total. 30th June, 1866 „ „ 1867 „ „ 1868 „ „ 1869 „ „ 1870 „ „ 1871 „ „ 1872 „ 1873 „ 1874 » 1875 „ „ 1876 » 1877 „ 1878 ., 1879 31st March, 1880 „ 1881 699 757 1,110 1,329 1,661 *i,976 +2,185 J2.356 §2,530 ||2, 9 86 1T3,i54 #*3,259 ++3.434 §§3,638 11113,758 1.39° 1,498 2,223 2,495 2,897 3.247 3.823 4,574 5.782 6,626 7.247 7,423 8,035 8,117 9.333 9.587 '3 21 3i 45 56 72 81 93 IO 5 127 142 155 182 24,761 72,241 106,070 122,545 253.582 344,524 485,5 O 7 645,067 786,237 890,382 952,283 1,065,481 1,201,982 824,734 1,058,342 2,476 15,331 26,244 50,097 62,878 59,292 67,243 83,453 107,832 130,891 160,704 172,159 194,843 246,961 183,67s 246,370 27.237 7O.952 98,485 156,157 185,423 312,874 411,767 568,960 752,899 917,128 1,051,086 1,124,432 1,260,324 1,448,943 1,008,409 1,304,712 £ s. a. 5,561 19 2 9,070 10 1 11,652 3 7 18,520 10 4 17,218 1 4 22,419 8 8 28,121 10 o 39,680 18 9 46,508 18 10 55,30i 12 3 62,715 10 4 65,644 13 3 73,284 1 10 85,402 o 2 58,120 3 3 73,002 2 o £ S. d. 483 3 2 3.77° 4 8 6,672 o 3 13,430 11 9 12,252 6 o 9,876 17 6 ",043 3 9 11,105 2 ° 12,618 11 6 13,679 10 9 16,154 6 o 17,024 8 9 19,148 12 4 26,949 2 2 19,707 6 3 27,021 3 8 £ s. d. 6,045 2 4 12,840 14 9 18,324 3 10 3i,9S' 2 1 29,470 7 4 32,296 6 2 39,164 13 9 50,786 o 9 59,127 10 4 68,981 3 o 78,869 16 4 82,669 4 o 92,432 14 2 112,351 2 4 77,827 9 6 100,023 5 8 £ S. d. 3,934 3 4 8,017 14 7 9,489 17 10 14,266 12 7 16,417 7 4 21,254 4 3 23,593 9 9 27,040 18 10 38,801 19 4 45,814 11 4 61,696 14 s 63,353 10 10 69,340 1 8 79,502 o 5 68,651 10 10 77.324 1 8 £ s. d. 2,443 2 11 2,541 4 n 5,4o6 7 3 8,547 4 9 14,120 4 10 11,344 3 8 8,858 19 7 9,479 5 4 15,021 17 11 14,240 19 7 21,074 8 8 17,931 8 o 18,259 4 9 17,299 7 10 14,758 4 5 23,154 8 3 £ s. d. 6,377 6 3 10,558 19 6 14,896 5 1 22,813 17 4 30,537 12 2 32.598 7 11 32,452 9 4 36,520 4 2 53,823 17 3 60,055 10 11 82,771 3 1 81,284 18 10 87.599 6 5 96,801 8 3 83,409 '5 3 100,478 9 11 £ s. d. 3 9 10 3 7 1 4 17 4 6 8 6 8 9 11 5 19 6 423 4 in 6 3 11 4 16 4 5 18 10 5 12 11 5 10 o 509 4 3 4 6 6 7 > Mileage tariff. I Mileage tariff in operation up to 1st Sept., 1869; uniL form 2s. 6d. tariff from 1st Sept., 1869, to 31st March, 1870; and is. tariff from J 1st April, 1870. I From 1st November, 1873, address and signature given in free. •95 214 227 * From this mileage 78 miles to be deducted before computing the cost per mile for maintenance, f From this mileage 32 miles to be deducted before computing the cost per mile for maintenance. J From this mileage 42 miles to be deducted before computing the cost per mile for maintenance. § From this mileage 106 miles to be deducted before computing the cost per mile for maintenance. || From this mileage 31 miles to be deducted before computing the cost per mile for maintenance. IT From this mileage 174 miles to he deducted before computing the cost per mile for maintenance. » From this mileage 85 miles to be deducted before computing the cost per mile for maintenance, ft Prom this mileage 116 miles to be deducted before computing the cost per mile for maintenance. JJ From this mileage 109 miles to he deducted before computing the cost per mile for maintenance. §§ From this mileage 95 miles to be deducted before computing the cost per mile for maintenance. jll From this mileage 102 miles to be deducted before computing the cost per mile for maintenance.

Log in or create a Papers Past website account

Use your Papers Past website account to correct newspaper text.

By creating and using this account you agree to our terms of use.

Log in with RealMe®

If you’ve used a RealMe login somewhere else, you can use it here too. If you don’t already have a username and password, just click Log in and you can choose to create one.


Log in again to continue your work

Your session has expired.

Log in again with RealMe®


Alert