C—3
36
Comparison of Wellington District Triangulations— continued.
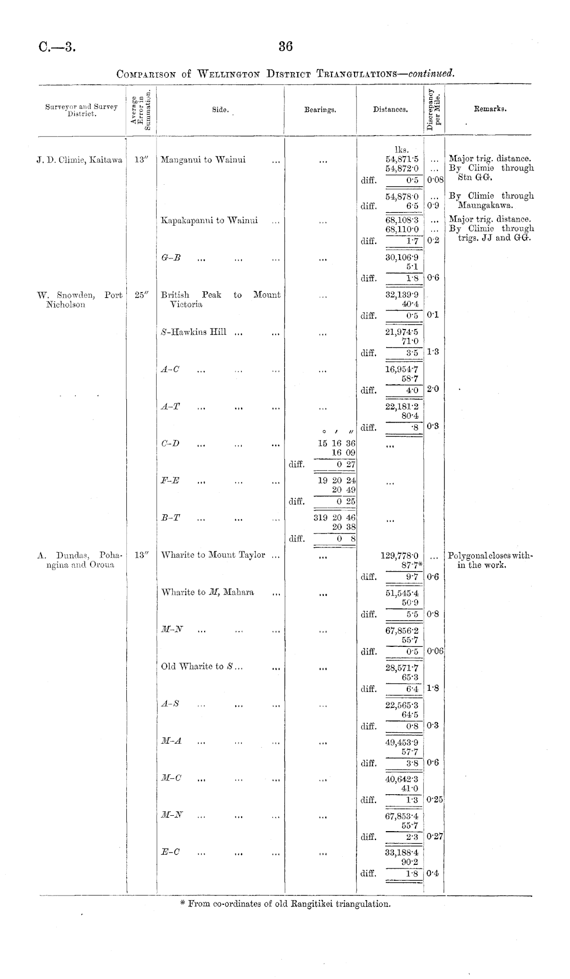
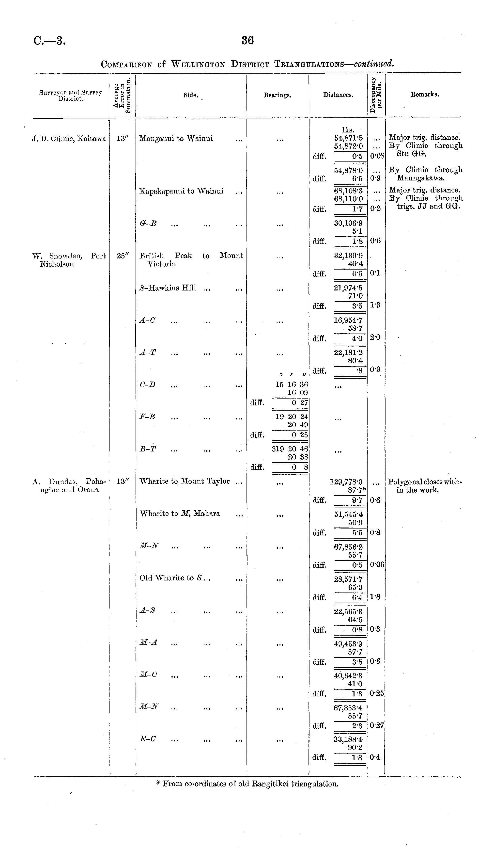
Surveyor and Survey « oj District. «! £ a xn Side. Bearings. Distances. u Remarks. . D. Cliinie, Kaitawa 13" Manganui to Wainui Kapakapanui to Wainui g-b Iks. 54,871-5 54,872-Q dife. " 0-5 54,878-0 diff. 6-5 68,108-3 68,110-0 diff. 30,1069 5-1 diff. ' 1-8 32,139-9 40-4 diff. ' 0-5 21,974-5 71-0 diff. ' 3-5 16,954-7 58-7 0-08 6-9 0-2 Major trig, distance. By Climie through Stn GcQt. By Climie through Maimgakawa. Major trig, distance. By Climie through trigs. JJ and Gr&. British Peak to Mount Yietoria 0-6 r . Snowden, Nicholson Port 25" 01 /S-Hawtins Hill ... A-C 18 α-t diff. ' 4-0 4-0 2-0 22,181-2 80-4 C-D O / // diff. ■8 0-8 F-E 15 16 36 16 09 diff. " 0 27 19 20 24 20_49 diff. ' 0 25 319 20 46 20 38 diff. " 0 8 Polygonal closes within the work. β-t .. Dundas, Pohangina and Orotia 13" Wharite to Mount Taylor ... 129,778-0 87-7* diff. " 9-7 51,545-4 50-9 diffi. O-β "Wharite to M, Mahara M-N ... 67,856-2 55-7 diff. o-s Old Wkarito to S... 28,571-7 65-3 diff. " 6-4 22,565-3 64-5 diff. " 0-8 0-06 AS 1-8 M-A 49,453-9 57-7 diff. " 3-8 40,642-3 41 -Q diff. " 13 67,853-4 55-7 0-3 μ-c 0-6 μ-n ... 0-25 E-C diff. ' 2-3 33,188-4 90-2 diff. " 1-8 0-27 0-i * From co-ordinates of old Eangitikei trial fulation.
Use your Papers Past website account to correct newspaper text.
By creating and using this account you agree to our terms of use.
Your session has expired.