Page image
Page image

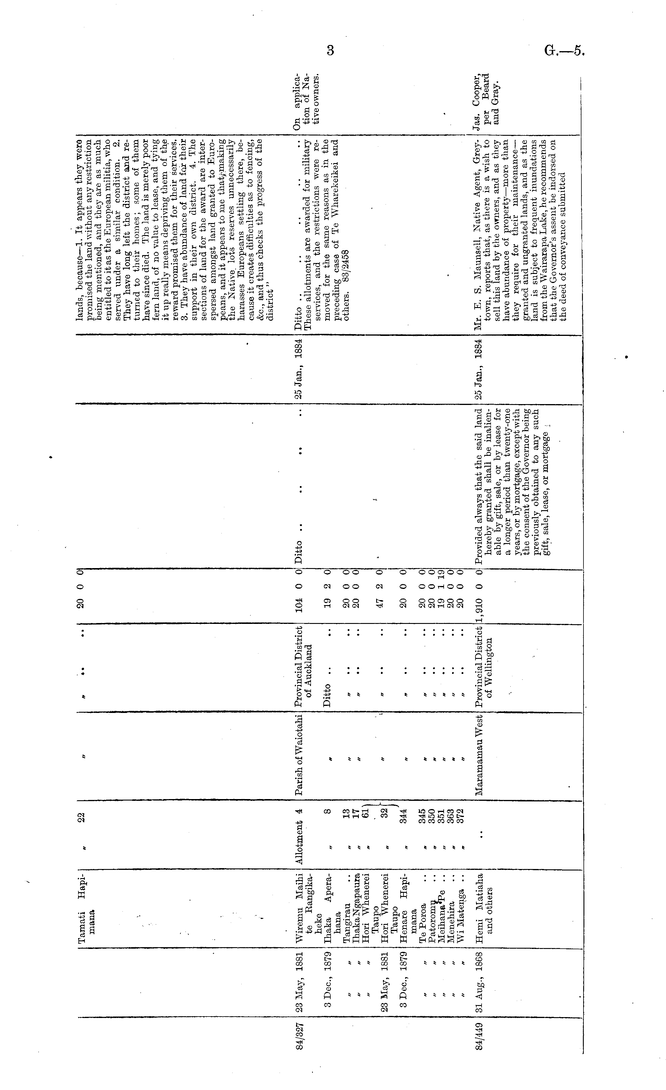
3

G.—s

Tamati mana Hapi- . 22 n a •. 20 0 01 lands, because — 1. It appears they were promised the land without any restriction being mentioned, and they are as much entitled to it as the European militia, who served under a similar condition. 2. They have long left the district and returned to their homes; some of them have since died. The land is merely poor fern land, of no value to lease, and tying it up really means depriving them of the reward promised them for their services. 3. They have abundance of land for their support in their own district. 4. The sections of land for the award are interspersed amongst land granted to Europeans, and it appears to me that, making the Native, lots reserves unnecessarily harasses Europeans settling there, because it creates difficulties as to fencing, &c, and thus checks the progress of the district " 84/327 23 May, 1881 Wiremu Maihi te Bangikaheke Ihaka Aperahana Tangirau Ihaka Ngapaura Hori Whencrei Taupo Hori Whenerei Taupo Henare Hapimana Te Poroa Patoromu Meihana'Pe .. Menehira Wi Matenga .. Allotment 4 Parish of Waiotahi Provincial District of Auckland 104 0 0 Ditto .. 25 Jan., 1884 Ditto .. These allotments are awarded for military services, and the restrictions were removed for the same reasons as in the preceding case of Te Wharekeikei and others. 83/2458 On application of Native owners. 3 Dec, 1879 8 a Ditto 19 2 0 13 17 32 r 344 20 0 0 20 0 0 47 2 0 » 23 May, 1881 3 Dec, 1879 20 0 0 345 350 351 363 372 ' 20 0 0 20 0 0 19 1 19 20 0 0 20 0 0 Provided always that the said land hereby granted shall be inalienable by gift, sale, or by lease for a longer period than twenty-one years, or by mortgage, except with the consent of the Governor being previously obtained to any such gift, sale, lease, or mortgage 84/449 31 Aug., 1868 Hemi Matiaha and others Maramamau West Provincial District of Wellington 1,910 0 0 25 Jan., 1884 Mr. E. S. Maunsell, Native Agent, Greytown, reports that, as there is a wish to sell this land by the owners, and as they have abundance of property —more than they require for their maintenance — granted and ungranted lands, and as the land is subject to frequent inundations from the Wairarapa Lake, he recommends that the Governor's assent be indorsed on the deed of conveyance submitted Jas. Cooper, per Beard and Gray.

Log in or create a Papers Past website account

Use your Papers Past website account to correct newspaper text.

By creating and using this account you agree to our terms of use.

Log in with RealMe®

If you’ve used a RealMe login somewhere else, you can use it here too. If you don’t already have a username and password, just click Log in and you can choose to create one.


Log in again to continue your work

Your session has expired.

Log in again with RealMe®


Alert