Page image
Page image

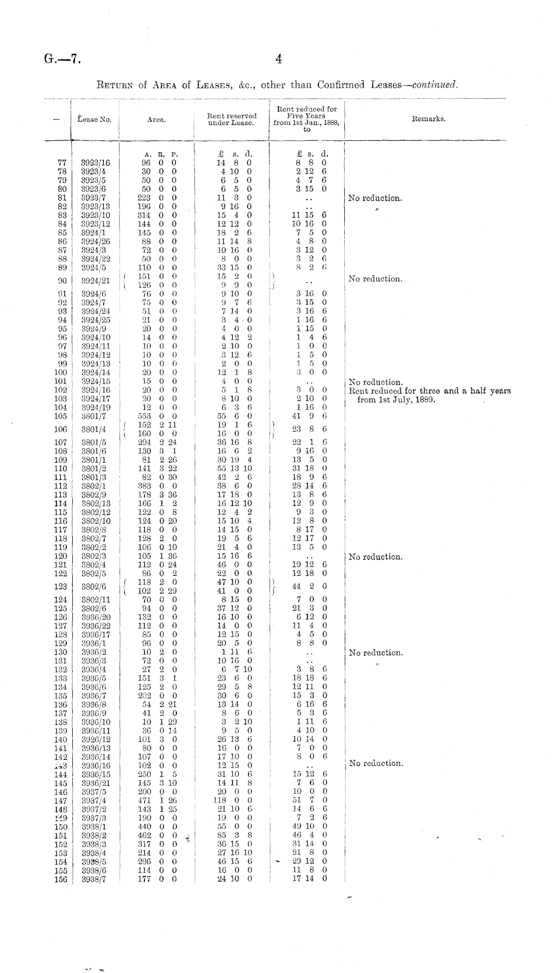
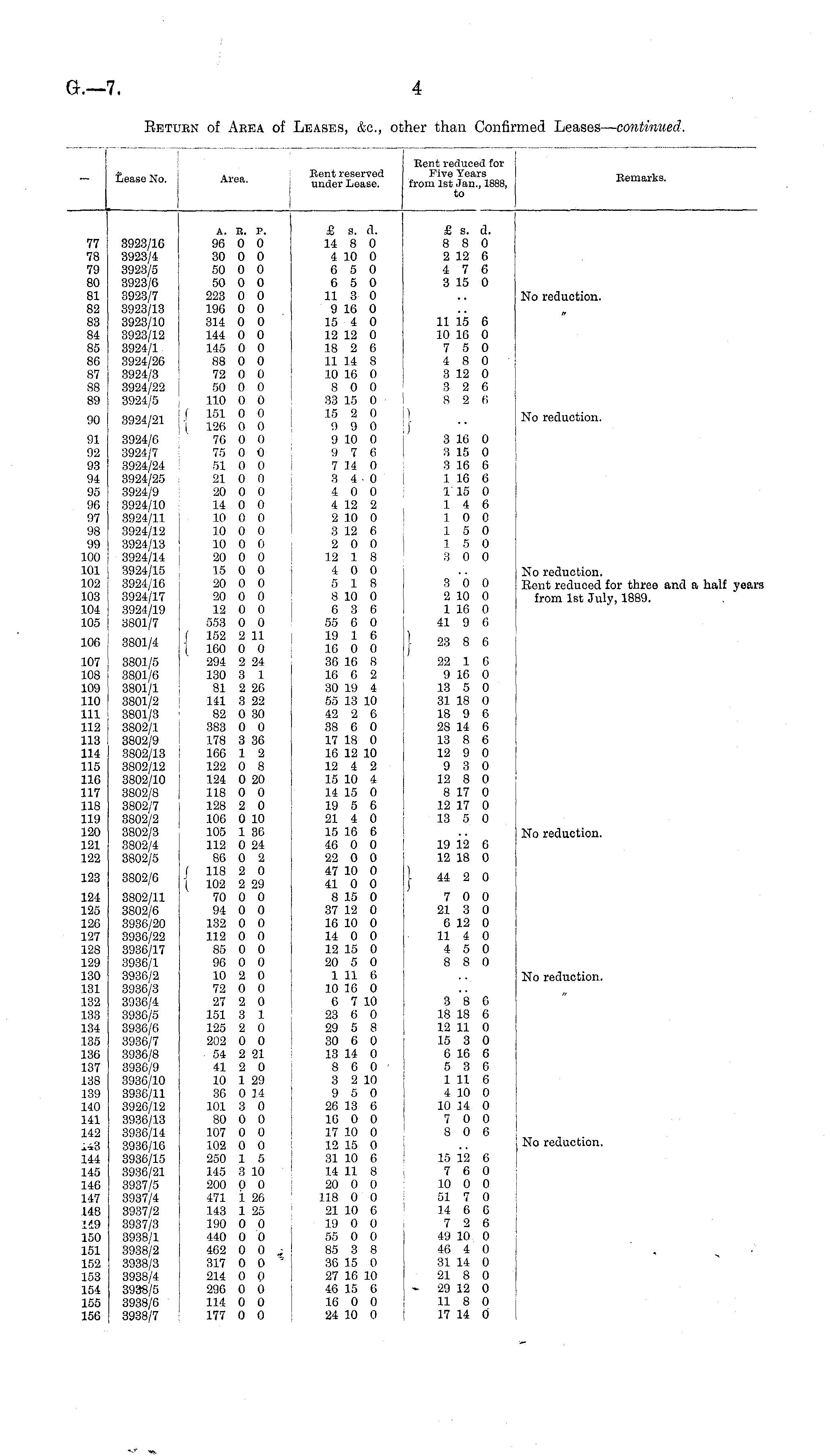
a.—7

4

Return of Area of Leases, &c., other than Confirmed Leases— continued.

tease No. Area. Bent reserved under Lease. Rent reduced for Five Years from 1st Jan., 1888, to Remarks. 77 78 79 80 81 82 83 84 85 86 87 88 89 3923/16 3923/4 3923/5 3923/6 3923/7 3923/13 3923/10 3923/12 3924/1 3924/26 3924/3 3924/22 3924/5 i If SI ! i A. E. P. 96 0 0 30 0 0 50 0 0 50 0 0 223 0 0 196 0 0 314 0 0 144 0 0 145 0 0 88 0 0 72 0 0 50 0 0 110 0 0 151 0 0 126 0 0 76 0 0 75 0 O 51 0 0 21 0 0 20 0 0 14 0 0 10 0 0 10 0 0 io o o 20 0 0 15 0 0 20 0 0 20 0 0 12 0 0 553 0 0 152 2 11 160 0 0 294 2 24 130 3 1 81 2 20 141 3 22 82 0 30 383 0 0 178 3 36 166 1 2 122 0 8 124 0 20 118 0 0 128 2 0 106 0 10 105 1 36 112 0 24 86 0 2 118 2 0 102 2 29 70 0 0 94 0 0 132 0 0 112 0 0 85 0 0 96 0 0 10 2 0 72 0 0 27 2 0 151 3 1 125 2 0 202 0 0 54 2 21 41 2 0 10 1 29 36 0 14 101 3 0 80 0 0 107 0 0 102 0 0 250 1 5 145 3 10 200 0 0 471 1 26 143 1 25 190 0 0 440 0 0 462 0 0 „ 317 0 0 214 0 0 296 0 0 114 0 0 177 0 0 I i & s. a. 14 8 0 4 10 0 6 5 0 6 5 0 11 3 0 9 16 0 15 4 0 12 12 0 18 2 6 11 14 8 10 16 0 8 0 0 33 15 0 15 2 0 9 9 0 9 10 0 9 7 6 7 14 0 3 4 0 4 0 0 4 12 2 2 10 0 3 12 6 2 0 0 12 1 8 4 0 0 5 18 8 10 0 6 3 6 55 6 0 19 1 6 16 0 0 36 16 8 16 0 2 30 19 4 55 13 10 42 2 6 38 6 0 17 18 0 16 12 10 12 4 2 15 10 4 14 15 0 19 5 6 21 4 0 15 16 6 46 0 0 22 0 0 47 10 0 41 0 0 8 15 0 37 12 0 16 10 0 14 0 0 12 15 0 20 5 0 1 11 6 10 16 0 6 7 10 23 6 0 29 5 8 30 6 0 13 14 0 8 6 0 3 2 10 9 5 0 26 13 6 16 0 0 17 10 0 12 15 0 31 10 6 14 11 8 20 0 0 118 0 0 21 10 C 19 0 0 55 0 0 85 3 8 36 15 0 27 16 10 46 15 6 16 0 0 24 10 0 s s. a. 8 8 0 2 12 6 4 7 6 3 15 0 No reduction. 11 15 6 10 16 0 7 5 0 4 8 0 3 12 0 3 2 0 8 2 (i No reduction. 90 91 92 93 94 95 96 97 98 99 100 101 102 103 104 105 3924/21 3924/6 3924/7 3924/24 3924/25 3924/9 3924/10 3924/11 3924/12 3924/13 3924/14 3924/15 3924/16 3924/17 3924/19 3801/7 f 3 16 0 3 15 0 3 16 6 1 16 6 1 15 0 14 6 10 0 15 0 15 0 3 0 0 3 0 0 2 10 0 1 16 0 41 9 0 No reduction. Rent reduced for three and a half yean from 1st July, 1889. 106 3801/4 3801/5 3801/6 3801/1 3801/2 3801/3 3802/1 3802/9 3802/13 3802/12 3802/10 3802/8 3802/7 3802/2 3802/3 3802/4 3802/5 } 23 8 6 107 108 109 110 111 112 113 114 115 116 117 118 119 120 121 122 22 1 6 9 16 0 13 5 0 31 18 0 18 9 6 28 14 6 13 8 6 12 9 0 9 3 0 12 8 0 8 17 0 12 17 0 13 5 0 No reduction. 19 12 6 12 18 0 123 3802/6 } 44 2 0 124 125 126 127 128 129 130 131 132 133 134 135 136 137 138 139 140 141 142 ii3 144 145 146 147 148 Ii9 150 151 152 153 154 155 156 3802/11 3802/6 3936/20 3936/22 3936/17 3936/1 3936/2 3936/3 3936/4 3936/5 3936/6 3936/7 3936/8 3936/9 3936/10 3930/11 3920/12 3936/13 3936/14 3930/16 3936/15 3936/21 3937/5 3937/4 3937/2 3937/3 3938/1 3938/2 3938/3 3938/4 3938/5 3938/6 3938/7 7 0 0 21 3 0 6 12 0 11 4 0 4 5 0 8 8 0 3 8 C 18 18 6 12 11 0 15 3 0 6 16 6 5 3 0 1 11 6 4 10 0 10 14 0 7 0 0 8 0 6 No reduction. 15 12 6 7 6 0 10 0 0 51 7 0 14 6 6 7 2 6 49 10 0 46 4 0 31 14 0 21 8 0 29 12 0 11 8 0 17 14 0 No reduction. <

Log in or create a Papers Past website account

Use your Papers Past website account to correct newspaper text.

By creating and using this account you agree to our terms of use.

Log in with RealMe®

If you’ve used a RealMe login somewhere else, you can use it here too. If you don’t already have a username and password, just click Log in and you can choose to create one.


Log in again to continue your work

Your session has expired.

Log in again with RealMe®


Alert