Page image
Page image

H.—37.

3

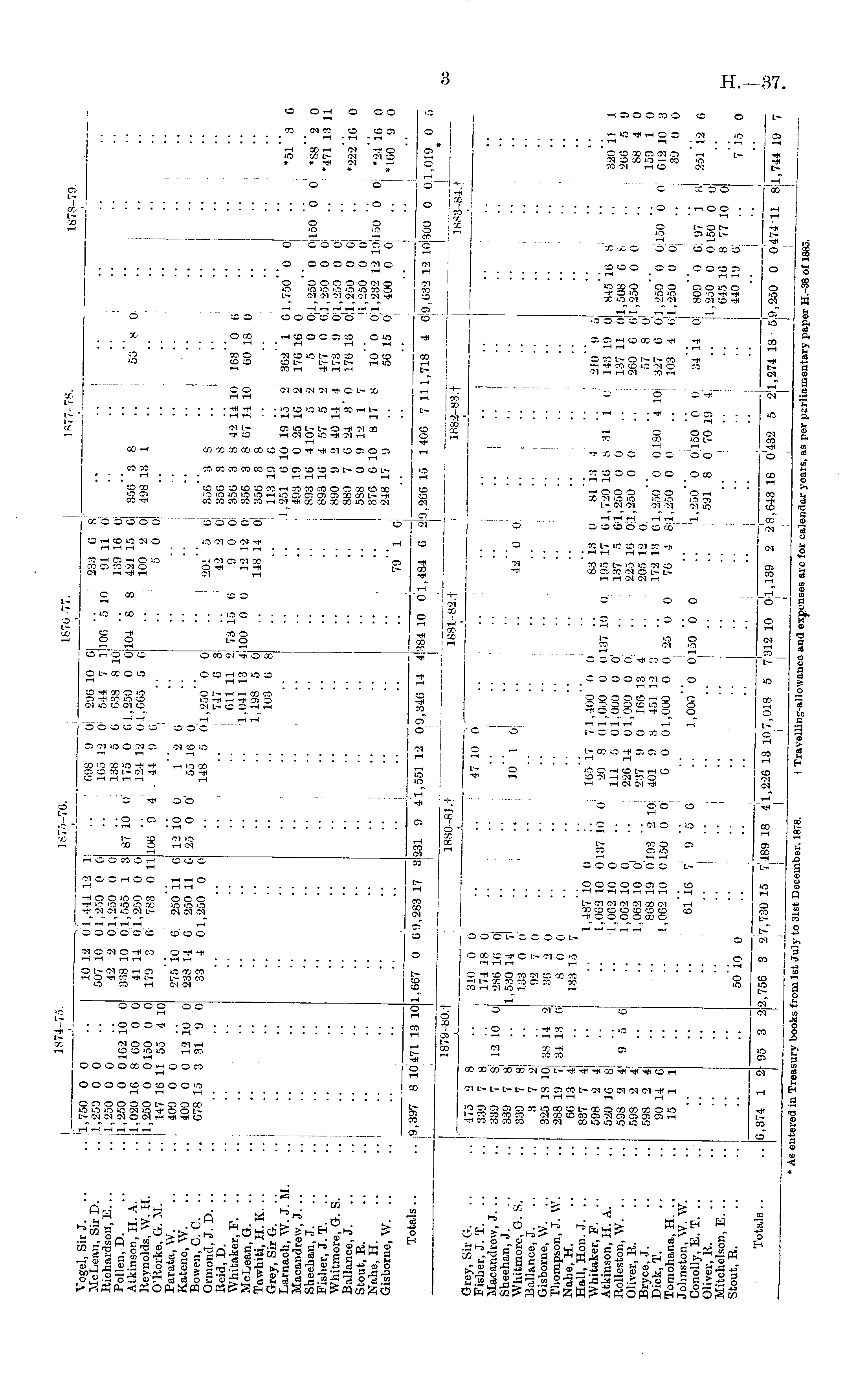
-to. 1875-76. 1876 77. 1-77 78. Vogel, Sir J. McLean, Sir D. Riohardsorl, E. .. Pollen, D. Atkinson, II. A. Reynolds, W. H. O'Rorke, G. M. Parata, W. Katene, W. Bowen, C. C. Ormond, J. D. .. Rcid, D. Whitaker, F. .. McLean, G. Tawhiti, II. K. .. Grey, Sir G. .. Larnach, W. 3. M. Maeandrew, J. .. Sheehan, J. Fisher, J. T. Whitmore, G. S. Ballance, J. Stout, R. Nahe, H. Gisborne, W. .. .. 1,750 0 0 .. 1,259 0 0 .. ,1,250 0 0 - - 1,250 0 0162 10 0 . . 1,020 16 8 60 0 0 .. 1,250 0 0150 0 0 .. i 147 16 11 55 4 10 400 0 0 400 0 0 12 10 0 078 15 8 31 9 0 1878-79. 10 12 o l.lil 12 1 507 10 0 1.259 (i (, 42 2 D1.259 0 0 358 10 Oil,555 1 3 41 14 01,250 0 0 179 8 6 783 0 11 698 9 0 296 10 6 165 12 0 544 7 1 138 5 6 638 8 10 87 10 0 175 0 6 1,250 0 o : 124 12 ii 1,665 5 6 L06 9 -1 4 1 0 6 106 5 10 104 8 - I 91 M 0 139 16 0 421 1.5 6 356 3 8 100 2 O 1:18 13 1 5 0 0 55 SO .. .. 275 10 0 250 11 6 238 14 6 250 11 G 33 4 0 1,250 0 0 12 10 0 12 6 25 0 0 55 16 0 148 5 0|1,250 0 0 717 6 3 •• 611 11 2 1.041 13 4 1.198 5 0 103 6 8 73 15 6 100 0 0 2 1! 5 0 350 3 s 42 2 0 356 3 8 9 O 0 350 3 8 42 It 10 12 12 0 3.56 3 8 67 I 1 LO 1 I > 1 1 o 356 3 8 LIS 19 6 1-251 6 10 19 15 2 103 10 0 25 10 2 893 16 4 107 5 2 898 16 1 57 5 2 890 9 2 40 1-1 I 880 7 6 2-1 8" o 0 9 12 I 7 376 6 10 8 17 8 2 18 17 9 79 1 6 - 163 0 6 \\ 60 18 0 362 1 61,75o"o 0 176 16 0 5 0 0 1.250 0 0 47, 0 I) 1.259 0 0 173 9 01,250 0 0 176 16 0 1,250 0 0 1,250 0 0 10 O o 1,232 12 10 56 15 O 400 0 0 .. .. .. .. .. .. *51 "3 6 .... 150 0 0 '88 "a 0 *471 18 11 .. "222 16 0 .. j 150 0 0 *24 16 0 j 7160 9 0 Totals .. .. 9,397 8 10 471 13 10: .. 9.397 8 10 471 13 10 1.667 0 6 9.283 17 3; 231 9 41,551 12 09,346 14 4! 581 10 01,484 6 2 i : 300 0 01,019 * ! , I 9,266 1-5 1406 7 111,718 4 69.652 12 10 1879-80.1 1880--81.1 1881 ~82.t L882 83.1 L883 84.1 Grey, Sir G. Fisher, J. T. .. Maeandrew, J. .. Sheehan, J. Whifcmore, G. S. Ballance, J. Gisborne, W. Thompson, J. \V. Xalic, 11. Hall, Hon. J. .. Whi taker, P. .. Atkinson, H. A. Rolleston, W. .. Oliver, R. Bryce, J. Dick, T. Tomohana, H. .. Johnston, W. \V. Conolly, E. T. Oliver, R. Mitehelson, E. .. Stout, 1!. 475 2 8 339 7 8 330 7 8 12 10 0 339 7 8 339 7 8 3 7 2 325 18 10 38 14 2 288 19 7 31 13 6 66 13 4 837 7 4 .1 520 16 8 598 2 4 9 5 6 598 2 4 ■598 2 4 90 14 6 15 11 310 0 0 .. .. 47 ,o „ 171 18 Oj 286 16 ii 1.530 14 7 .. .; jo"i o 188 oo.. 02 7 0.. 3!', 2 0.. BOO; 133 15 7 .. .. \\ 1,487 10 o :. 165 17 7 1. loo o o 1,062 10 0,187 IO o 20 s .. I.o.io o 0 137 LO o 1,062 10 O .. in :, oi.ooo o 0 1,002 10 o .. 226 14 0 1,000 0 o 1,062 10 0 .. 237 0 o 166 13 4 868 19 0193 2 1o 401 0 3 151 V 3 1,002 10 (U50 O 0 0 0 0 1.000 0 0 25 7) 0 61 16 7 0 5 G .. 1,000 0 0150 0 0 50 10 0 .'. '.', ' ' 3 0 81 13 4 .. 210 9 5 195 17 6 1,720 16 8 81 I 0 1 13 1!) 0 137 5 6 1 ,250 0 0 .. 137 11 0 225 16 o 1,250 0 0 .. 260 6 6 205 12 o .. .. 57 8 0 j 172 13 6 1.250 0 0 1770 4 10 327 6 O 76 i 8 1.250 0 0 .. 103 4 6 ! )0 0 150 0 o 34 14 o 591 8 0 70 l'i I .. •• 845 16 8 .. 320 11 1 1,508 ON .. 266 5 9 1.250 0 0 .. 88 4 0 159 1 0 I,250 0 0150 0 0 012 10 3 1,250 00 .. 39 ,j 0 so:) o 6 07 1 .-.' 251 12 6 1.2-,.) 0 0 159 o o 615 16 8 77 10 O 140 19 6 .. 7 15 0 .. .. Totals .. |2 ' 756 3 27 > 7ao " 7J489 18 41,226 13 10 7,018 5 7312 10 01,189 2~28,643"lS 0 432 5 21,274 18 5J9,250 0 "ol^ITi flT.111 let .lull- f n coir,*. T\ 1 -.,-,-,•, . ™ ... -. ~~ ■ ■ ! ,374 1 2 95 3 2 1,744 19 7 * As ei itered in Treasury books from 1st July to 31st December, 1878. I Travelling-allowance and exi >enses are for calendar years, as por parliamentary >or H.-

Log in or create a Papers Past website account

Use your Papers Past website account to correct newspaper text.

By creating and using this account you agree to our terms of use.

Log in with RealMe®

If you’ve used a RealMe login somewhere else, you can use it here too. If you don’t already have a username and password, just click Log in and you can choose to create one.


Log in again to continue your work

Your session has expired.

Log in again with RealMe®


Alert