Page image
Page image

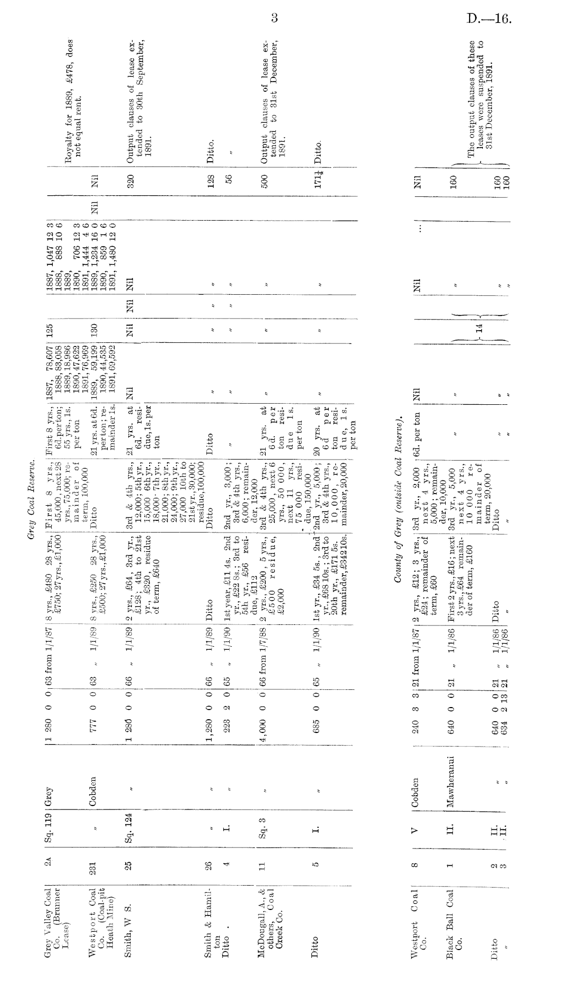
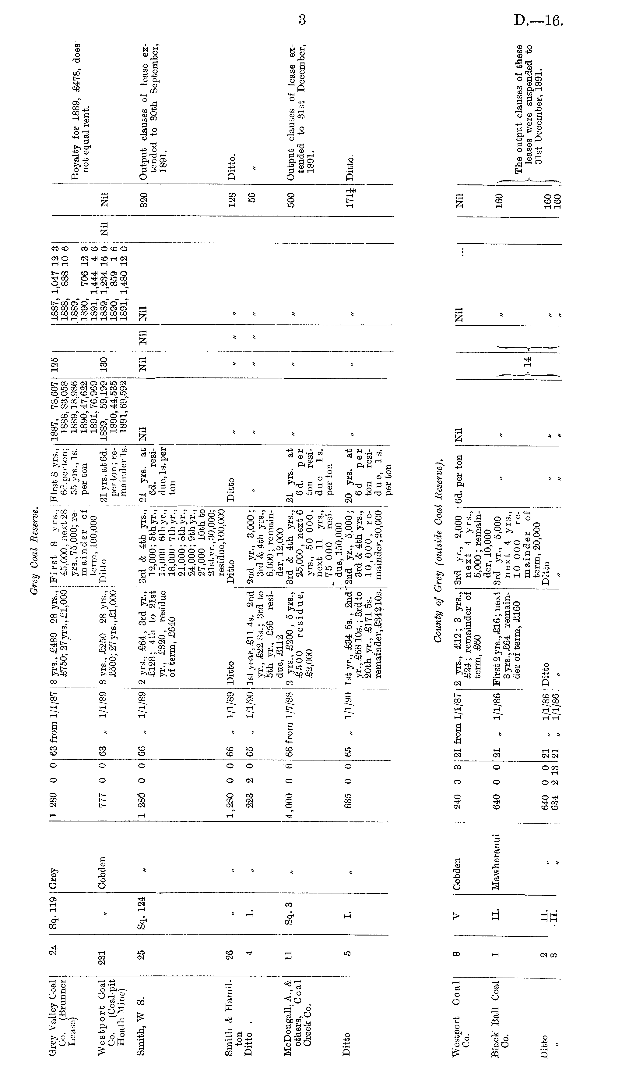
3

D.—l 6

Grey Coal Reserve.

Grey Valley Coal Co. (Brunner Lease) 2a Sq. 119 Grey 1 280 0 0 [ 63 from 1/1/87 63 „ 1/1/89 63 from 1/1/87 |8yrs., £480 28 yra., First 8 yrs., First 8 yrs., | £750; 27yrs.,£1,000 45,000, next 28 Od.perton; j yrs., 75,000; re- 55 yrs., Is. mainder of per ton term, 100,000 S yrs., £250 28 yrs., Ditto 21 yrs. at 6d. I £500; 27yrs.,£1,000 perton;re-j I mainder Is. I First 8 yrs., 6d.per ton; 55 yrs., Is. per ton ;188 If If If 1188 1887, 78,607 1S88, 83,058 1889,18,986 1890,47,622 1891, 76,969 1889, 59,199 1890,44,535 1891,69,592 125 1887, 1,047 12 3 1888, 888 10 6 1889, 1890, 706 12 3 1891, 1,444 4 6 1889, 1,234 16 0 1890, 859 1 6 1891, 1,480 12 0 We s t p o r t Coal Co. (Coal-pit Heath Mine) Oobden 777 0 0 63 „ 1/1/89 Royalty for 1889, £478, does not equal rent. 231 21 yrs. at 6d. j per ton; remainder Is. I 130 Nil Nil Smith, W S. 25 Sq. 124 1 28(5 0 0 66 „ 1/1/89! I 66 „ 1/1/89 66 „ 1/1/89 2 yrs., £64, 3rd yr., 3rd & 4tb yrs., 21 yrs. at ! £128'; 4th to 21st 12,000; 5thyr., 6d. resiyr., £320, residue 15,000 6thyr., due, Is.per of term, £640 18,000- 7thyr., ton 21,000; 8th yr., 24,000; 9th yr., 27,000 10th to 21st yr., 30,000; residue, 100,000 Ditto Ditto Ditto 21 yrs. at 6d. residue, Is. per ton Nil Nil Nil Nil Nil 320 Output clauses of lease extended to 30th September, 1891. Smith & Hamilton Ditto . 2G 1,280 0 0 66 „ 1/1/89 Ditto. 128 McDougall, A., & others, Coal Creek Co. 4 11 I. Sq. 3 223 2 0 4,000 0 0 65 . 1/1/90 j 66 from 1/7/88 65 „ 1/1/90 65 „ 1/1/90 66 from 1/7/88 65 „ 1/1/90 1st year, £11 4s. 2nd 2nd yr., 3,000; yr., £22 8s.; 3rd to 3rd & 4th yrs., 5th yr., £56 resi- 6,000; remaindue, £112 der, 12,000 2 yrs., £200, 5 yrs., 3rd & 4th yrs., 21 yrs. at I £500 residue, 25,000, next 6 6d. per J £2,000 yrs., 50 000, ton resinext 11 yrs., due Is. 75 000 resi- per ton due, 150,000 1st yr., £34 5s., 2nd 2nd yr., 5,000; 20 yrs. at yr., £68 10s.; 3rd to 3rd & 4th yrs., 6 d per 20th yr., £171 5s. 10,000, re- ton resiremainder, £342 10s. mainder, 20,000 due, Is. ' per ton 500 56 Output clauses of lease extended to 31st December, 1891. Ditto I. 685 0 0 171J Ditto. Westport Coal Co. County of Grey (outside Coal Reserve). Black Ball Coal Co. 8 1 V II, Cobden Mawheranui 240 3 3 640 0 0 21 from 1/1/87 21 , 1/1/86 21 „ 1/1/86 21 „ 1/1/86 2 yrs., £12; 3 yrs., 3rd yr., 2,000 6d. per ton £24; remainder of next 4 yrs., term, £60 5,000 ; remainder, 10,000 First 2yrs.,£16; next 3rd yr., 5,000 3yrs.,£64 remain- next 4 vrs., der of term, £160 10 0 0 0 "remainder of term, 20,000 Ditto Ditto Nil Nil Nil 160 Ditto 640 0 0 634 2 13 14 The output clauses of these leases were suspended to 31st December, 1891. 2 3 II. II. 160 160 .

Log in or create a Papers Past website account

Use your Papers Past website account to correct newspaper text.

By creating and using this account you agree to our terms of use.

Log in with RealMe®

If you’ve used a RealMe login somewhere else, you can use it here too. If you don’t already have a username and password, just click Log in and you can choose to create one.


Log in again to continue your work

Your session has expired.

Log in again with RealMe®


Alert