Page image
Page image

5

D.—l 6

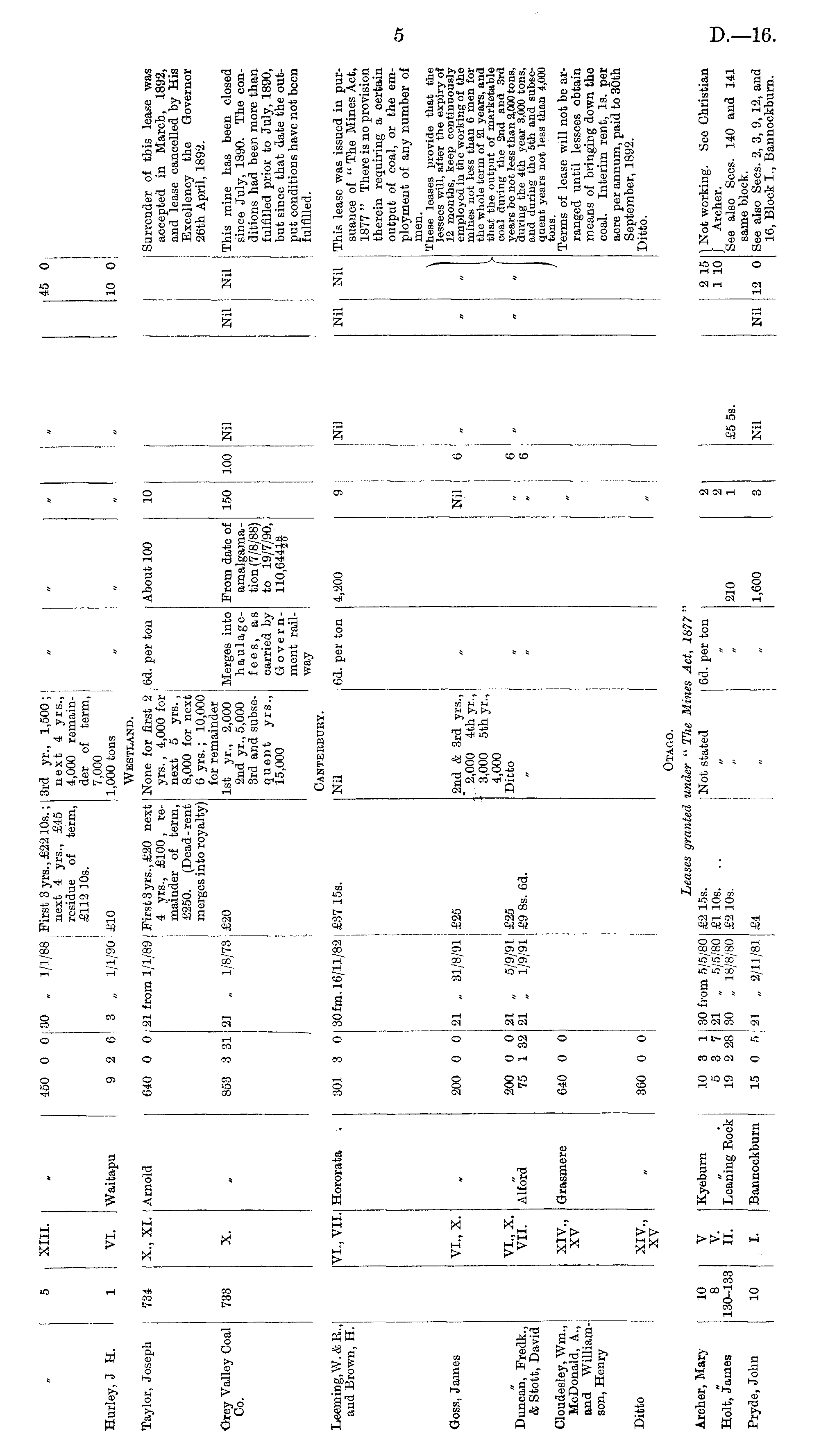
lurley, J H. XIII. VI. Waitapu 450 0 0 30 „ 1/1/88 9 2 6 3,, 1/1/90 First 3yrs.,£2210s.; next 4 yrs., £45 residue of term, £112 10s. 3rd yr., 1,500; next 4 yrs., j 4,000 remainder of term, 7,000 1,000 tons Westland. 1 £10 10 0 'aylor, Joseph 734 X., XI. i Arnold 640 0 0 21 from 1/1/89 First 3yrs., £20 next 4 yrs., £100, remainder of term, £250. (Dead - rent merges into royalty) None for first 2 yrs., 4,000 for next 5 yrs. , j 8,000 for next 6 yrs. ; 10,000 for remainder 1st yr., 2,000 2nd yr., 5,000 3rd and subsequent yrs., 15,000 6d. per ton About 100 10 , 6d. per ton About 100 10 Surrender of this lease was accepted in March, 1892, and lease cancelled by His ! Excellency the Governor I 26th April, 1892. i trey Valley Coal Co. 853 3 31 21 „ 1/8/73 Merges into haulagefees, as carried by Government railway From date of amalgamation (7/8/88) to 19/7/90, 110,6441$ 733 X. 853 3 31 £20 Merges into From dati haulage- amalgan fees, as tion (7/8, carried by to 19/7, Govern- 110,644 J ment railway ;e of 1 ma!/88) '/90, 150 150 10 100 DO Nil Nil Nil Nil This mine has been closed since July, 1890. The conditions had been more than fulfilled prior to July, 1890, but since that date the output conditions have not been fulfilled. Nil Nil Cantebbuby. 4,200 Leemmg,W.&R., and Brown, H. I iVI., VII. 71., VII. :.| Hororata Hororata 301 3 0 30 fm. 16/11/82 £37 15s. Nil ; 6d. per ton 4,200 6d. per ton 1 9 Nil Nil 6 „ 6 Nil Nil Nil ! This lease was issued in purj suance of " The Mines Act, 1877 " There is no provision therein requiring a certain i output of coal, or the employment of any number of men. \ These leases provide that the lessees will, after the expiry of 12 months, keep continuously /, /, employed in the working of the mines not less than 6 men for the whole term of 21 years, and V that the output of marketable coal during the 2nd and 3rd „ „ ; years be not less than 2,000 tons, during the 4th year 3,000 tons, and during the 5th and subsequent years not less than 4,000 / tons. Terms of lease will not be arranged until lessees obtain means of bringing down the coal. Interim rent, Is. per acre per annum, paid to 30th September, 1892. Ditto. Nil Nil Goss, James VI., X. ' v VI., X. 200 0 0 21 „ 31/8/91 £25 2nd & 3rd yrs., 2,000 4th yr., 3,000 5th yr., 4,000 Ditto Nil Duncan, Fredk., & Stott, David VI., X. VII. VI., X. VII. Alford 200 0 0 75 1 32 21 „ 5/9/91 21 „ 1/9/91 £25 £9 8s. 6d. G 6 Cloudesley, Wm, McDonald, A., and Williamson, Henry XIV., XV XIV., XV Grasmere 640 0 0 Ditto XIV., XV 360 0 0 Otago. ■es Act, 1877 " 6d. per ton ",. 210 1,600 2 2 1 3 £5 5s. Nil 2 15 1 Not working. See Christian 1 10 J Archer. See also Sees. 140 and 141 same block. Nil 12 0 See also Sees. 2, 3, 9, 12, and 16, Block I., Bannockburn. Archer, Mary Holt, James Pryde, John 10 130-133 10 V V. II. I. Kyebum Leaning Book Bannockburn Leases granted under " The Min 10 3 1 1 30 from 5/5/80 £2 15s. : Not stated 5 3 7 21 „ 5/5/80 £1 10s. .. 19 2 28 30 „ 18/8/80 £2 10s. 15 0 5 21 „ 2/11/81 £4

Log in or create a Papers Past website account

Use your Papers Past website account to correct newspaper text.

By creating and using this account you agree to our terms of use.

Log in with RealMe®

If you’ve used a RealMe login somewhere else, you can use it here too. If you don’t already have a username and password, just click Log in and you can choose to create one.


Log in again to continue your work

Your session has expired.

Log in again with RealMe®


Alert