Page image
Page image

8.—14 a

34

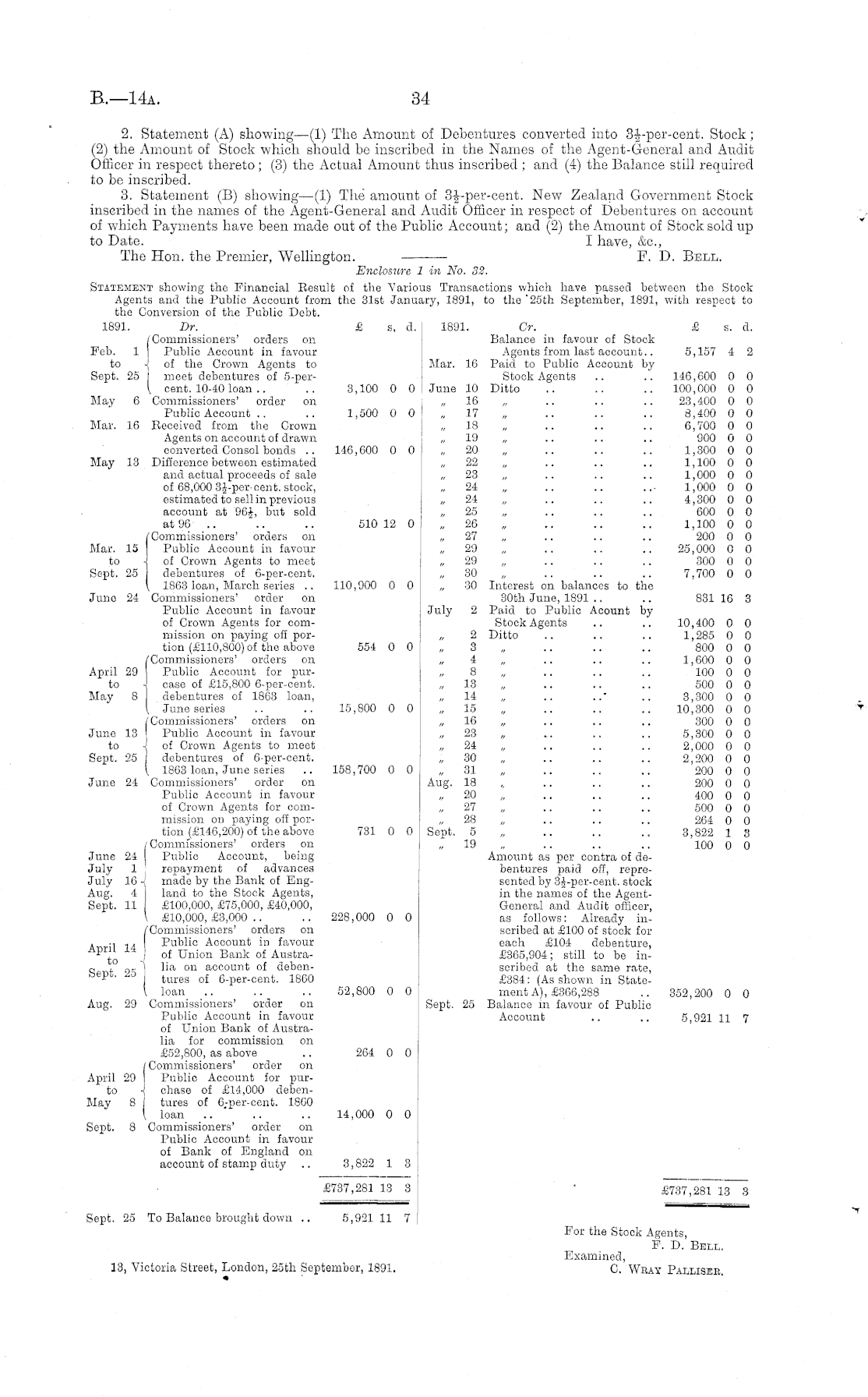
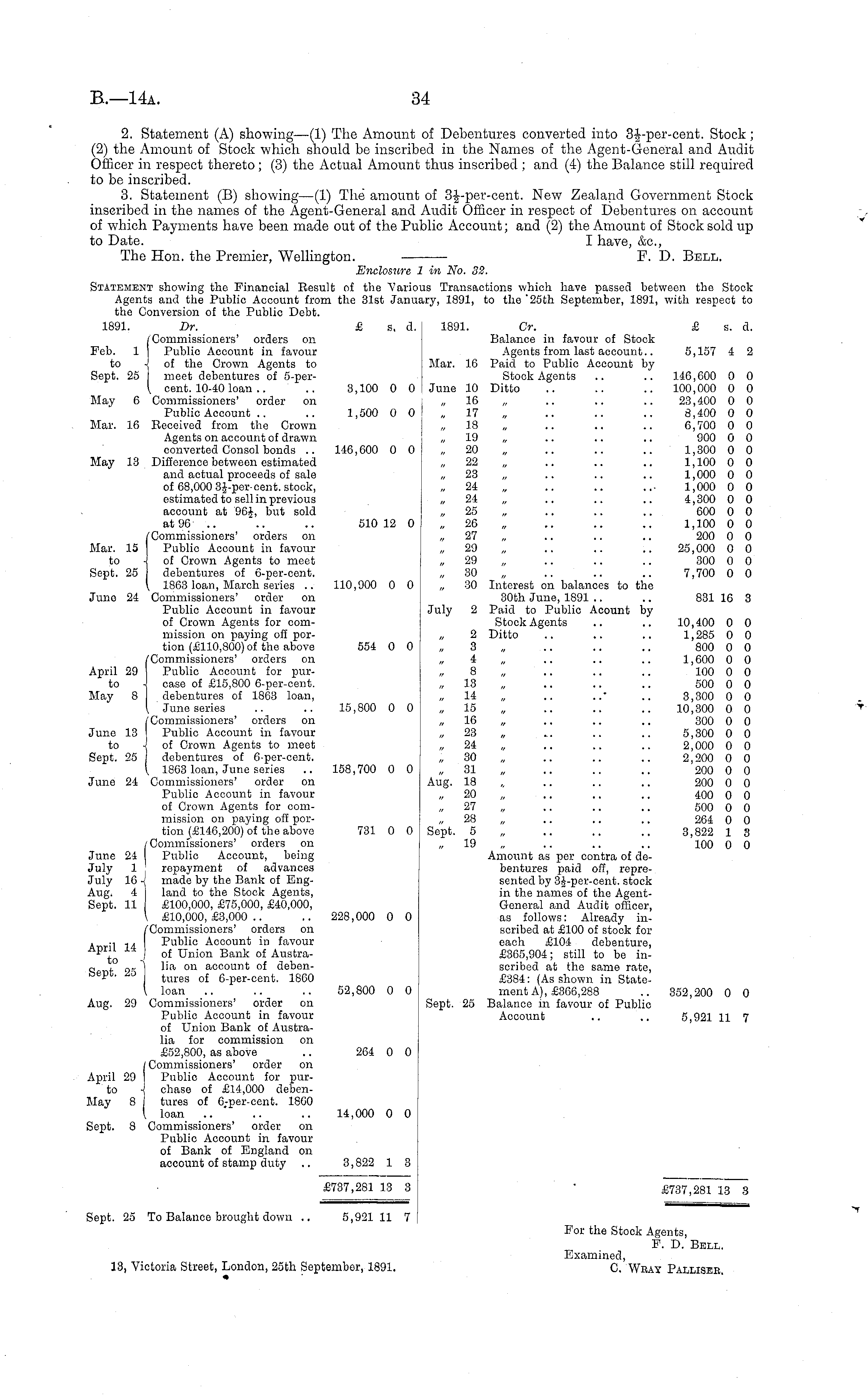
2. Statement (A) showing—(l) The Amount of Debentures converted into 3-J-per-cent. Stock; (2) the Amount of Stock which should be inscribed in the Names of the Agent-General and Audit Officer in respect thereto ; (3) the Actual Amount thus inscribed ; and (4) the Balance still required to be inscribed. 3. Statement (B) showing—(l) The amount of New Zealand Government Stock inscribed in the names of the Agent-General and Audit Officer in respect of Debentures on account of which Payments have been made out of the Public Account; and (2) the Amount of Stock sold up to Date. I have, &c, The Hon. the Premier, Wellington. F. D. Bell. Enclosure 1 in No. 32. Statement showing the Financial Result of the "Various Transactions which have passed between the Stock Agents and the Public Account from the 31st January, 1891, to the '25th September, 1891, with respect to the Conversion of the Public Debt. 1891. Dr. £ s, d. 1891. Or. £ s. d. Commissioners' orders on Balance in favour of Stock Feb. 1 Public Account in favour Agents from last account.. 5,157 4 2 to \ of the Crown Agents to Mar. 16 Paid to Public Account by Sept. 25 meet debentures of 5-per- Stock Agents .. .. 146,600 0 0 \ cent. 10-40 loan .. .. 3,100 0 0 June 10 Ditto .. .. .. 100,000 0 0 May 6 Commissioners' order on „ 16 .. .. .. 23,400 0 0 Public Account .. .. 1,500 0 0! „ 17 „ .. .. .. 8,400 0 0 Mar. 16 Received from the Crown 18 „ .. .. .. 6,700 0 0 Agents on account of drawn „ 19 .. .. .. 900 0 0 converted Consol bonds .. 146,600 0 0 „ 20 „ .. .. .. 1,300 0 0 May 18 Difference between estimated „ 22 „ .. .. .. 1,100 0 0 and actual proceeds of sale 23 .. .. .. 1,000 0 0 of 68,000 3J-per-cent, stock, 24 .. .. ... 1,000 0 0 estimated to sell in previous „ 24 „ .. .. .. 4,300 0 0 account at 96J, but sold 25 .. .. .. 600 0 0 at 96- .. .. .. 510 12 0 „ 26 „ .. .. .. 1,100 0 0 Commissioners' orders on „ 27 „ .. .. .. 200 0 0 Mar. 15 Public Account in favour 29 .. .. .. 25,000 0 0 to -j of Crown Agents to meet 29 .. .. .. 300 0 0 Sept. 25 debentures of 6-per-cent. 30 .. .. .. 7,700 0 0 , 1863 loan, March series .. 110,900 0 0 „ 30 Interest on balances to the June 24 Commissioners' order on 30th June, 1891 .. .. 831 16 3 Public Account in favour July 2 Paid to Public Acount by of Crown Agents for com- Stock Agents .. .. 10,400 0 0 mission on paying off por- „ 2 Ditto .. .. .. 1,285 0 0 tion (£110,800) of the above 554 0 0 „ 3 „ .. .. .. 800 0 0 /Commissioners' orders on „ 4 „ .. .. .. 1,600 0 0 April 29 Public Account for pur- „ 8 .. .. .. 100 0 0 to \ case of £15,800 6-per-cent. 18 „ .. .. .. 500 0 0 May 8 debentures of 1863 loan, 14 .. ..' .. 3,300 0 0 \ June series .. .. 15,800 0 0 15 „ .. .. .. 10,300 0 0 i Commissioners' orders on „16„.. .. .. 300 0 0 Public Account in favour 23 .. .. .. 5,300 0 0 of Crown Agents to meet 24 „ .. .. .. 2,000 0 0 debentures of 6-per-cent. 30 .. .. .. 2,200 0 0 1863 loan, June series 158,700 0 0 31 „ .. .. .. 200 0 0 June 24 Commissioners' order on Aug. 18 .. .. .. 200 0 0 Public Account in favour 20 „ .. .. .. 400 0 0 of Crown Agents for com- 27 .. .. .. 500 0 0 mission on paying off por- „ 28 „ .. .. .. 264 0 0 tion (£146,200) of the above 731 0 0 Sept. 5 „ .. .. .. 3,822 1 3 /Commissioners' orders on „ 19 „ .. .. ~ 100 0 0 June 24 Public Account, being Amount as per contra of deJuly 1 | repayment of advances bentures paid off, repreJuly 16 -l made by the Bank of Eng- sented by 3J-per-eent. stock Aug. 4 land to the Stock Agents, in the names of the AgentSept. 11 £100,000, £75,000, £40,000, General and Audit officer, I £10,000, £3,000 .. .. 228,000 0 0 as follows: Already in/Commissioners' orders on scribed at £100 of stock for . M -~ Public Account in favour • each £104 debenture, Apm la j o£ Tj nion Bank of Austra- £305,904; still to be moo ,° 9S "| lia on account of deben- scribed at the same rate, oept. ao tureg o£ 6 _ per . cent- 1860 £384: (As shown in Statcl loan .. .. .. 52,800 0 0 ment A), £366,288 .. 352,200 0 0 Aug. 29 Commissioners' order on Sept. 25 Balance in favour of Public Public Account in favour Account .. .. 5,921 11 7 of Union Bank of Australia for commission on £52,800, as above .. 264 0 0 Commissioners' order on April 29 Public Account for purto - chase of £14,000 debenMay 8 tures of 6-per-cent. 1860 \ loan .. .. .. 14,000 0 0 Sept. 8 Commissioners' order on Public Account in favour of Bank of England on account of stamp duty .. 3,822 1 3 £737,281 13 3 • 13 3 Sept. 25 To Balance brought down .. 5,92111 7 For the Stock Agents, F. D. Bell. Examined, 13, Victoria Street, London, 25th September, 1891. C. Wbay Palliser.

Log in or create a Papers Past website account

Use your Papers Past website account to correct newspaper text.

By creating and using this account you agree to our terms of use.

Log in with RealMe®

If you’ve used a RealMe login somewhere else, you can use it here too. If you don’t already have a username and password, just click Log in and you can choose to create one.


Log in again to continue your work

Your session has expired.

Log in again with RealMe®


Alert