Page image
Page image

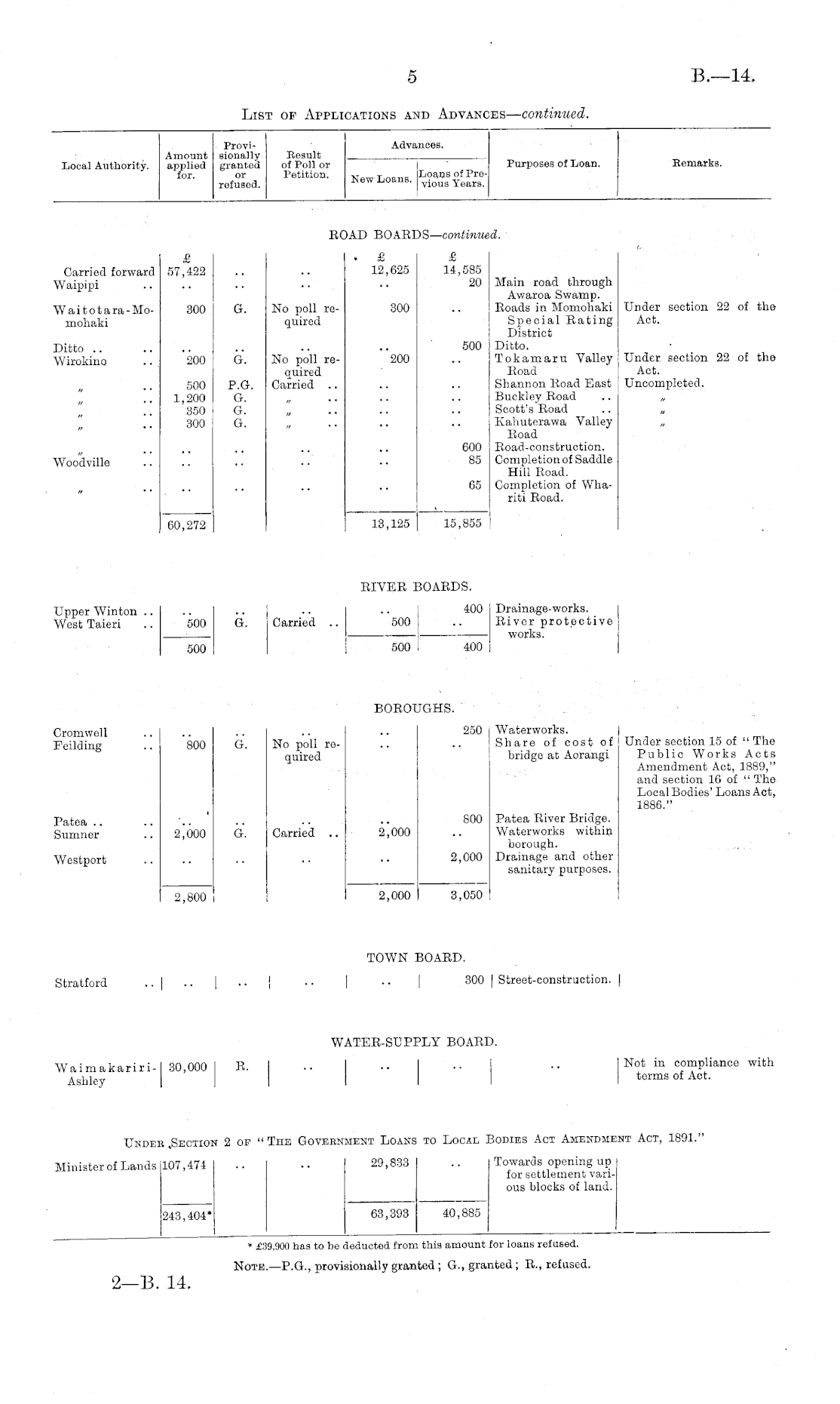
5

8.—14

List of Applications and Advances — continued.

2—B. 14.

ProviAmount sionally Local Authority. applied granted for. or refused. Result of Poll or Petition. \'„„t„„„„ ILoans of PreiNew Loans. j vious Ye ars. Advances. Purposes of Loan. Remarks. R( IAD boae: 'S— continue id. £ £ £ Carried forward 57,422 .. .. 12,625 14,585 T*r„:„:„: 00 Mn.in mod tbroncrb Carried forward Waipipi £ 12,625 £ 14,585 20 Main road through Awaroa Swamp. Eoads in Momohaki Special Eating District Ditto. Tokamaru Valloy Eoad Shannon Eoad East Buckley Eoad Scott's Eoad Kahuterawa Valley Eoad Eoad-construction. Completion of Saddle Hill Eoad. Completion of Whariti Eoad. Waipipi .... .. .. ■ ■ 20 Main roact tnrougn Awaroa Swamp. iiwaroa owamp. Waitotara-Mo- 300 G. No poll re- 300 .. Eoads in Momohaki Under section 22 of the mohaki quired Special Eating Act. Tli of viof 7 a i t o t a ra - Momohaki G. No poll required 300 Under section 22 of tin Act. District Ditto .. .. ■• 500 Ditto. Wirokino .. 200 G. No poll re- 200 .. Tokamaru Valloy Under section 22 of the nnired Eoad Act. litto .. » 7 irokino G. No poll required Carried "200 500 Under section 22 of thi Act. Uncompleted. quired noau jiou. 500 P.G. Carried .. .. .. Shannon Eoad East Uncompleted. " .. 1,200 G. „ .. .. .. Buckley Eoad .. „ 350 G. „ .. . • • • Scott's Eoad " fi ., 300 G. „ .. .. • • Kahuterawa Valley Eoad P.G. G. G. G. 600 Eoad-construction. TTT-.J—ill- Pnmnlofinn nf ftnrlrllA Woodville 600 85 Woodville •• •• °5 Completion ot Saddle Hill Eoad. 65 Completion of Wha65 riti Eoad. 60,272 13,125 15,855 EIVEE BOAEDS. Upper Winton .... .. •• •• 400 Drainage-works. WestTaieri .. 500 G. Carried .. 500 .. Eivcr protective works. 500 500 400 BOEOUGHS. Cromwell .. .. .. .. • • 250 Waterworks. Eeilding .. 800 G. No poll re- .. .. Share of cost of Under section 15 of " The quired bridge at Aorangi Public Works Acts Amendment Act, 1889," and section 16 of " The Local Bodies' Loans Act, 1880." w. Patea .. .. '.. .. .. •• 800 Patea Eiver Bridge. Sumner' '.'. G. Carried .. 2,000 .. Waterworks within borough. Westport .. .. .. •• •• 2,000 Drainage and other sanitary purposes. G. 2^000 2,800 2,000 3,050 TOWN BOAED. Stratford I • • ! • • • • | Street-construction. | WATEE-SUPPLY BOAED. Waimakariri-I 30,000 I E. I .'. I ... I .. I .. I Not in compliance with Ashley | I I I I I terms of Act. Under .Section 2 of "The Government Loans to Local Bodies Act Amendment Act, 1891." Minister of Lands 107,474 .. .. 29,833 .. Towards opening up for settlement various blocks of land. 243,404* 63,393 40,885 * £39,900 has to be deducted from this amount for loans refused. Note.—P.G., provisionally granted; G., granted; R., refused.

Log in or create a Papers Past website account

Use your Papers Past website account to correct newspaper text.

By creating and using this account you agree to our terms of use.

Log in with RealMe®

If you’ve used a RealMe login somewhere else, you can use it here too. If you don’t already have a username and password, just click Log in and you can choose to create one.


Log in again to continue your work

Your session has expired.

Log in again with RealMe®


Alert