Page image
Page image

H.—6.

F ACTORIE S— continued.

INVERCARGILL— continued.

AUCKLAND PROVINCIAL DISTRICT.

60

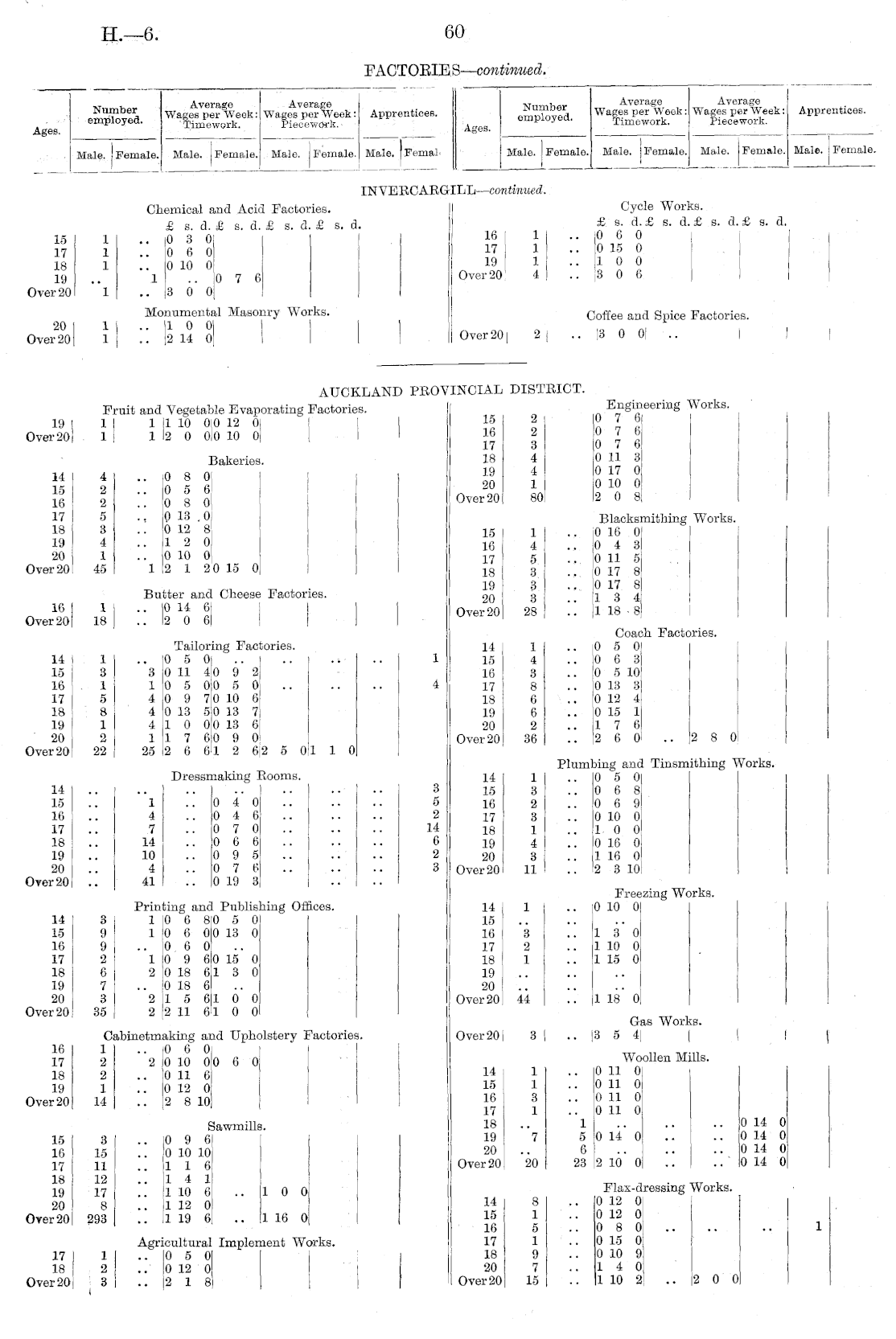
iges. Number employed. Average Wages per Week: ' Tirnework. Average Wages per Week: Piecework. ,. Number Apprentices. employed. Ages. Male. Femal. Male. Female. Average Wages per Week: Time work. Average Wages per Week: Piecework. Apprentices. Male. Female. Male. Female. Male. Female. Male. Female. Male. Female. Male. Femali

15 17 18 19 )ver20 1 1 1 1 Chemical a £ s. d. ..030 ..060 .. 0 10 0[ 1 ..300 md Acid Factoi £ s. d. £ s. a 0 7 6 ■ies. . £ s. a. 16 17 19 Over 20 1 1 1 4 Cycle Works. £ s. a.£ s. a. £ s. d. £ s. d. 0 6 0 0 15 0 10 0 3 0 0 20 Iver 20 1 1 Monuments .. 1 0 01 .. 2 14 0j il Masonry Woi rks. Coffee and Spice Factories. Over 201 2 J 13 0 0| I

19 )ver20 Fi 1 1 ■uit and 1 1 . Vegetable Evap 1 10 0 0 12 0 2 0 OlO 10 0 Bakeries 0 8 0 0 5 6) 0 8 OS 0 13 .01 0 12 8 !i 2 0 0 10 0 2 1 2 0 15 0 lorating 'actories. 15 16 17 18 19 20 Over 20 2 2 3 4 4 1 80 Engiii' 0 7 6 0 7 6 0 7 0 0 11 3 0 17 0 0 10 0 2 0 8 leering or! :s. 14 15 16 17 18 19 20 )ver20 4 2 2 5 3 4 1 45 15 16 17 18 19 20 Over 20 Blacksr ,0 16 0 !o 4 3 0 11 5 0 17 8 0 17 8 il 3 4 1 18 8 uthing Works. "l 1 4 5 3 3 3 28 16 )ver20 1 18 Bui tter and Cheese 0 14 6 2 0 6 Facto: ■ies. 14 15 16 17 18 19 20 )ver20 1 3 1 5 8 1 2 22 3 1 4 4 4 1 25 Tailoring Faci 0 5 0 0 11 4 0 9 2 0 5 00 5 0 0 9 7 0 10 6 0 13 5 0 13 7 1 0 0 0 13 6 1 7 60 9 0 2 6 61 2 6i iories. 1 4 14 15 16 17 18 19 20 Over 20 1 4 3 8 6 6 2 36 Coac 0 5 0 0 6 3 0 5 10 0 13 3 0 12 4 0 15 1 1 7 6 |2 6 0 ;h Facti >ries. 2 8 0 12 5 0 110 Plum: bing and 0 5 0 0 6 8 0 6 9 0 10 0 10 0 0 16 0 1 16 0 2 3 10 Tinsi ithing "V 14 15 16 17 18 19 20 Over 20 1 3 2 3 1 4 3 11 'orks. 14 15 16 17 18 19 20 )ver20 1 4 7 14 10 4 41 Dressmaking 1 Rooms. ..040 ..046 ..070 ..066 ..095 ..076 .. 0 19 3 3 5 2 14 6 2 3 Prini ting and Publisl 10 6 8 0 5 0 k) 6 0 0 13 0 JO 6 0 !o 9 60 15 0 0 18 61 3 0 0 18 6 1 5 61 0 0 2 11 61 0 0 hing Ofl ices. 14 15 16 17 18 19 20 Over 20) 1 Free: 0 10 0 szing W( >rks. 14 15 16 17 18 19 20 )ver 20 3 9 9 2 6 7 3 35 "l\ 2 3 2 1 13 0 1 10 0 1 15 0 "2 2 44 1 Iβ' 0 Ci 1 2 2 1 14 ibinetmi aking and Uphc [0 6 0 |O 10 0 0 6 0 0 11 6 0 12 0 2 8 10 Over 201 3 Gs |8 5 4| as Worl I I ;e. 16 17 18 19 )ver20 ilstery 'actoriei 1 1 iollen Mi "2 I 14 15 16 17 18 19 20 Over 20 1 1 3 1 Woi 0 11 0 0 11 0 0 11 0 0 11 0 ills. 15 16 17 18 19 20 )yer 20 3 15 11 12 17 8 293 Sawmills 0 9 6 0 10 10 116 14 1 1 10 6 II 12 0 11 19 6 iawmilli 7 1 5 6 23 0 U 0 0 14 0 0 14 0 0 14 0 0 14 0 20 2 10 0 .. •• i .. Implei 10 0 1 16 0 nent We 14 15 16 17 18 20 Over 20 8 1 5 1 9 7 15 Flax-d: 0 12 0 0 12 0 0 8 0 0 15 0 0 10 9 14 0 1 10 3 Iressing Works. i i 'I I t| ..200 17 18 )ver20 Agri icultural Implen 0 5 01 0 12 0 2 18] orks.

Log in or create a Papers Past website account

Use your Papers Past website account to correct newspaper text.

By creating and using this account you agree to our terms of use.

Log in with RealMe®

If you’ve used a RealMe login somewhere else, you can use it here too. If you don’t already have a username and password, just click Log in and you can choose to create one.


Log in again to continue your work

Your session has expired.

Log in again with RealMe®


Alert