Page image
Page image

C—3b.

4—C. 3b

25

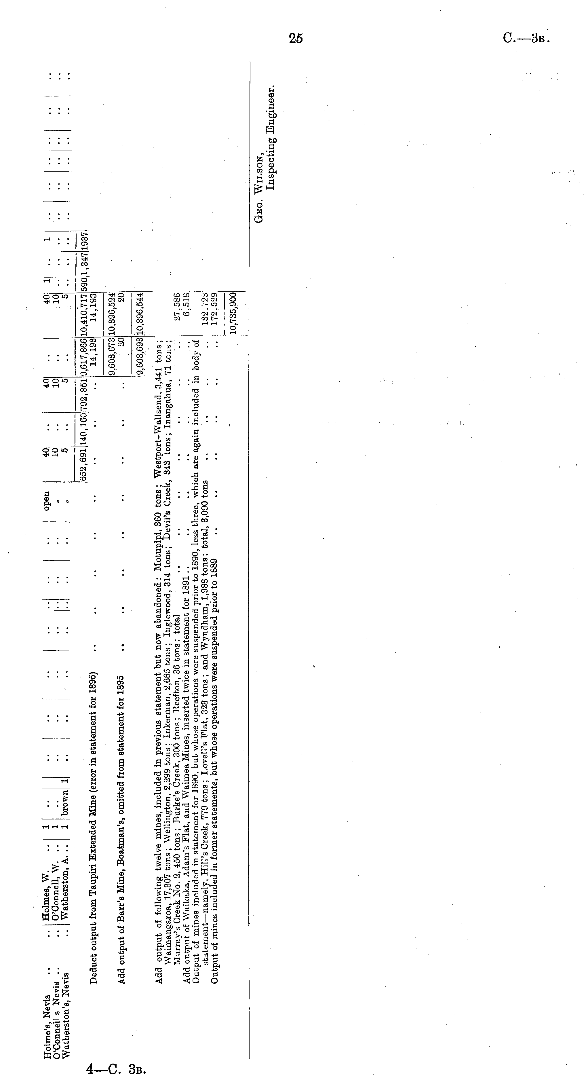
Holme'a, Nevis .. .. Holmes, W. .. 1 .. .. .. .. .. open 40 40 O'Connells Nevis .. .. O'Oonnell, W. .. 1 .. .. .. .. .. „ 10 10 Watherston's, Nevia .. Watherston, A. .. 1 brown 1 .. .. .. .. „ 5 .. 5 652,691140,160 792,851 Deduct output from Taupiri Extended Mine (error in statement for 1895) •• 40' 10 5 1 .. 1 590Jl, 3471937 9,617,866: 14,193 10,410'717 14,193 Add output of Barr's Mine, Boatman's, omitted from statement for 1895 9,603,673 20 10,396,524 20 9,603,693 10,396,544 Add output oJ following twelve mines, included in previous statement but now abandoned : Motupipi, 360 tons ; Westport-Wallsend, 3,4' Waimangaroa, 17,307 tons ; Wellington, 2,299 tons ; Inkerman, 2,665 tons ; Inglewood, 314 tons; Devil's Creek, 343 tons; Inangahua, Murray's Creek No. 2, 450 tons ; Burke's Creek, 300 tons ; Reefton, 36 tons : total Add output of Waikaka, Adam's Plat, and Waimea Mines, inserted twice in statement for 1891 Output of mines included in statement for 1890, but whose operations were suspended prior to 1890, less three, which are again included in statement —namely, Hill's Creek, 779 tons ; Lovell's Plat, 323 tons ; and Wyndham, 1,988 tons: total, 3,090 tons Output of mines included in former statements, but whose operations were suspended prior to 1889 41 tons; | 71 tons ; | 27,586 6,518 i body of 132,7231 172,529 10,735,900 Geo. Wilson, Inspecting Engineer.

Log in or create a Papers Past website account

Use your Papers Past website account to correct newspaper text.

By creating and using this account you agree to our terms of use.

Log in with RealMe®

If you’ve used a RealMe login somewhere else, you can use it here too. If you don’t already have a username and password, just click Log in and you can choose to create one.


Log in again to continue your work

Your session has expired.

Log in again with RealMe®


Alert