Page image
Page image

H.—6.

FACTORIES— continued.

14

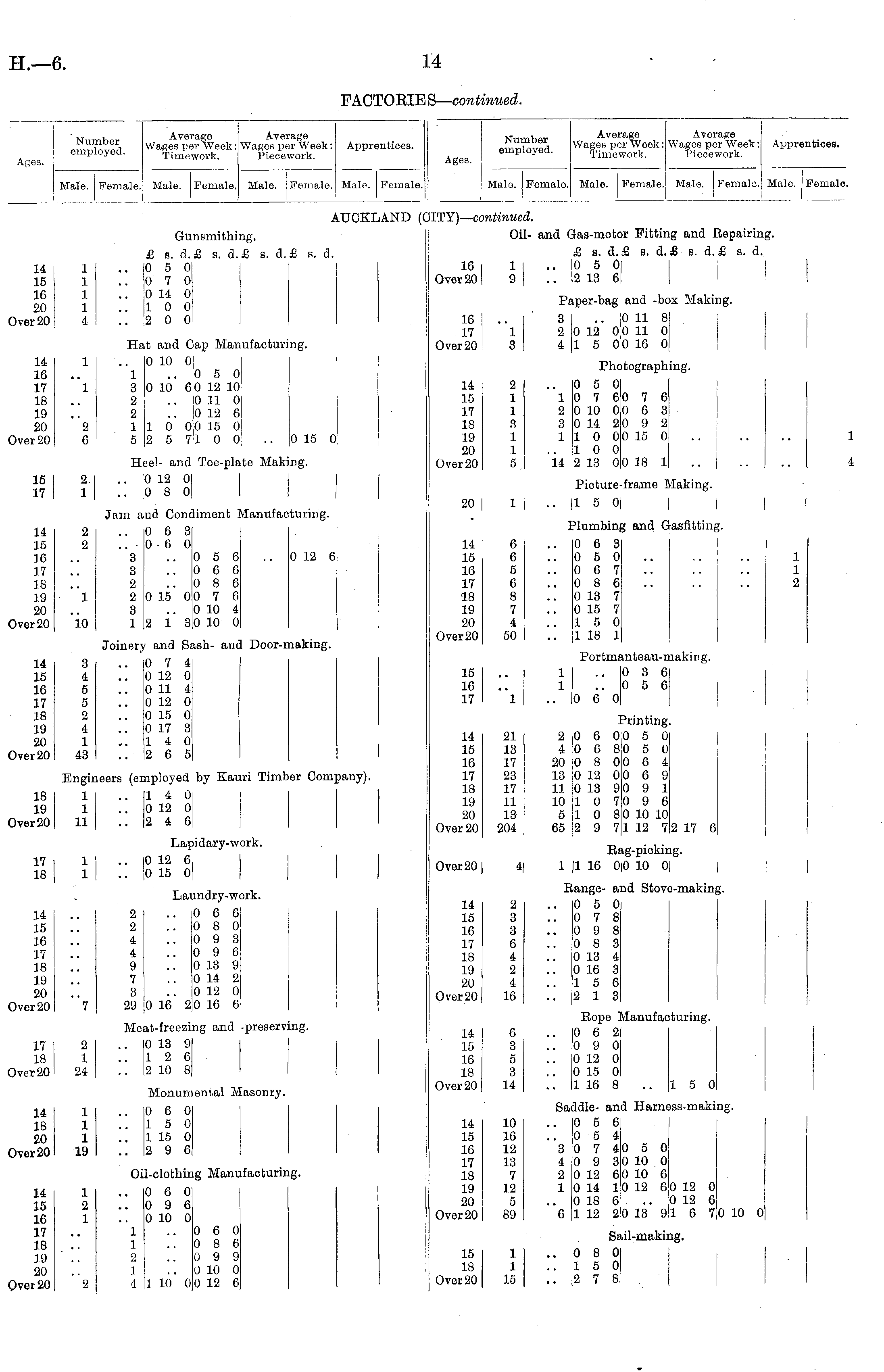
Number employed. Average Wages per Week: Tiniowork. Average "Wages per Week: Piecework. Apprentices. Number employed. Average "Wages per Week: Timework. Average Wages por Week: Piecework. Apprentices. Ages. Ages. Male. I Female. I Male. Female. Male. Female. Malo. Female. Malo. Female. Male. Female. Malo. Female. Male. Female. auok: ,AND (i JITY) — continued. ig and Repairing. £ s. d.£ s. d. 14 15 16 20 lver20 1 1 1 1 4 1 1 1 1 4 Gunsmi thing. £ s. a.£ s. d.£ s. d.£ r. d. 0 5 0l 0 7 0 0 14 0 10 0 2 0 0 Oil- and Gas-motor Fittin £ a. d.£ s. d. 16 I 1 ..050 Over20J 9 .. 2 13 6 Paper-bag and -bo 3x Making. Ha at and Cap Manufacturing. 16 3 .. [0 11 8 17 1 2 0 12 0 0 11 0 Over20 3 4 1 5 00 16 0 1 3 14 16 17 18 19 20 iver20 1 1 1 3 2 2 2 1 6 5 0 10 0 .. 0 S 0 0 10 60 12 10 .. lo 11 0 .. JO 12 6 1 0 00 15 0i 2 5 7,1 0 0 .. 0 15 0 Photograph 14 2 ..050 15 1 1076076 17 1 2 0 10 00 6 3 18 3 30 14 2092 19 1 1 1 0 00 15 0 20 1 ..100 Over20 5 14 2 13 00 18 1 ing. I 1 15 17 H( 2. .. 1 .. and Toe-plate Making. 0 12 0 0 8 0 Picture-frame 1 taking. 4 20 I 1 I .. [1 5 0| I I 14 15 16 17 18 19 20 lver20 Jam a ind Condiment Manufacturing. 2 2 3 3 2 1 2 3 10 1 0 6 3 0 • 6 O .. 0 5 6 .. 0 12 6 ..066 ..086 0 15 0 0 7 6 .. 0 10 4 2 1 3 0 10 0 Plumbing and G rasfitting. ! 14 6 ..063 15 6 ..050 16 6 ..067 17 6 ..086 18 8 .. 0 13 7 19 7 .. 0 15 7 20 4 ..150 Over20 50 .. 1 18 1 I 1 1 2 Joinery y and Sash- and Door-making. Door-: taking. 14 15 16 17 18 19 20 iver20 3 4 5 5 2 4 1 43 0 7 4 0 12 0 0 11 4 0 12 0 0 15 0 0 17 3 14 0 2 6 5 Portmanteau-n 15 1 ..036 16 1 ..056 17 1 ..060 inteau-n 0 3 6 0 5 6 Printing. P 5 0 0 5 0 0 6 4 0 6 9 0 9 1 0 9 6 0 10 10 1 12 7 taking. 18 19 iver20 Engineers (en 1 1 11 mployed by Kauri Timber Company). 14 0 0 12 0 2 4 6 by Kairi Tim ier Com iany). Printing 14 21 2 0 6 00 5 0 15 13 4 !0 6 80 5 0 16 17 20 p 8 00 6 4 17 23 13 0 12 00 6 9 18 17 11 0 13 90 9 1 19 11 10 1 0 70 9 6 20 13 5 1 0 80 10 10 Over 20 204 65 2 9 71 12 7 2 17 6 Lapidary-work. iidary-w< irk. Rag-pickir Over 20 J 4| 1 |1 16 Op 10 0j ig-pickir |0 10 0] ig17 18 11 :: ! |0 12 6 JO 15 0! I I Laundry-work. Eange- and Stovi 14 2 ..050 15 3 ..078 16 3 ..098 17 6 ..083 18 4 .. 0 13 4 19 2 .. 0 16 3 20 4 ..156 Over20 16 ..213 nd Stove 3-making. 14 15 16 17 18 19 20 lver20 undry-W( 0 6 6! 0 8 0 0 9 3 0 9 6 0 13 9 !o 14 2 10 12 0 6 16 6 >rk. 2 2 4 4 9 7 3 7 29 .. 0 6 6! ..080 ..093 ..096 .. 0 13 9 .. 0 14 2 .. JO 12 0 0 16 2'0 16 6 17 18 iver20 Me( 2 1 24 2 1 24 iat-freezing and -preserving. 0 13 9 12 6 2 10 8 ng and -preservi ing. Eope Manufac 14 6 ..062 15 3 ..090 16 5 .. 0 12 0 18 3 .. 0 15 0 Over20 14 .. 1 16 8 !anufai ituring. Monumental Masonry. ental 15 0 14 18 20 lver20 1 1 1 19 .asonry. 1 1 1 19 0 6 0 15 0 1 15 0 2 9 6 Saddle- and Harne 14 10 ..056 15 16 ..054 16 12 3074050 17 13 4 0 9 30 10 0 18 7 2 0 12 60 10 6 19 12 10 14 ljO 12 6: 20 5 .. 0 18 6 0ver20 89 6 1 12 2 0 13 9 d Harm jss-makii 'g0 5 0 0 10 0 0 10 6 0 12 6 ; 1 2 1 Oi: il-clothing Manufacturing. ig Man; ifaoturi: *• 14 15 16 17 18 19 20 Iver 20 i 2 1 1 1 2 J 2 : 4 0 6 0 0 9 6 0 10 0 ..060 ..086 ..099 .. 0 10 0 |l 10 0 0 12 6 0 6 0 0 8 6 0 9 9 0 10 0 0 12 6 Sail-makii '0 13* 9 1 lil-makh ! 0 12 0 0 12 6 1 6 7| a S!o io o 15 1 .. |0 8 0 18 1 ..150 Over20 15 ..278 2

Log in or create a Papers Past website account

Use your Papers Past website account to correct newspaper text.

By creating and using this account you agree to our terms of use.

Log in with RealMe®

If you’ve used a RealMe login somewhere else, you can use it here too. If you don’t already have a username and password, just click Log in and you can choose to create one.


Log in again to continue your work

Your session has expired.

Log in again with RealMe®


Alert