Page image
Page image

8.—6.

FACTORIES—continued.

24

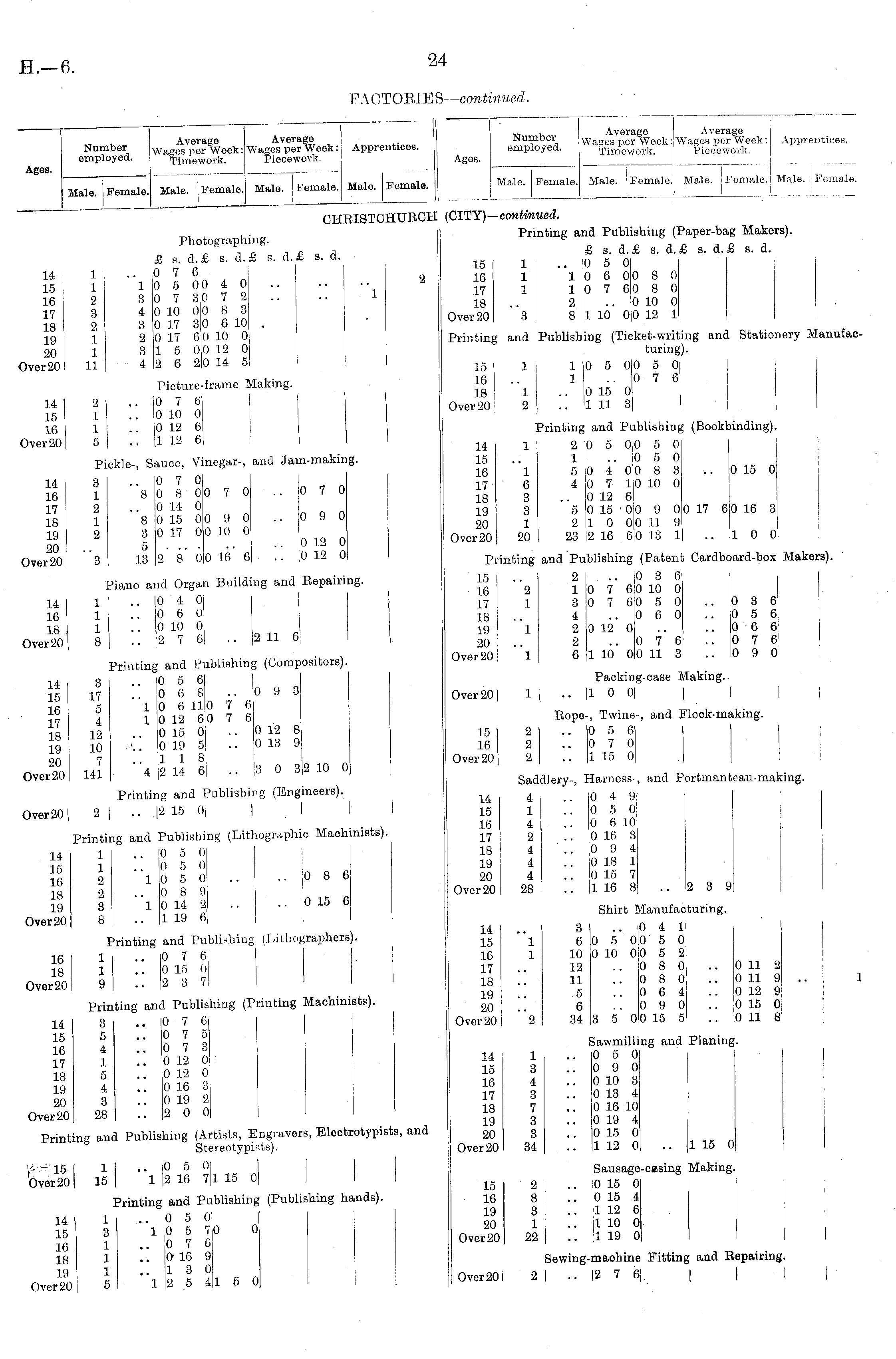
Average Wages per Week: Timework. Average Wages porWeek: Piecework. Number employed. Average Wa,ges per Week: Timework. Average Wages per Week: Apprentices. .Piecework. Number employed. Apprentices. Ages. ;es. Male. Female. Male. Female. Male. Female. Male. ! E'eruale. Male. Female. M'ale. j Female. Mate, i Female. Male. Female. I l_ ! CHB :istc: :ubch (CITY)— continued. Photographing. £ s. d.£ s. d.£ B. d.£ s. d. .. 0 7 6 1 0 5 00 4 0 3 0 7 3 0 7 2 4 0 10 0[0 8 8 3 0 17 3|0 6 10' . 2 0 17 6 0 10 0 3 1 5 0 0 12 0, 4 2 6 2 0 14 5! CH Printing and Publishing (Paper-bag Makei ig Make £ s. d. •s). s. d. £ s. d.£ s. d.£ s. d.£ s. d. 18 1 .. ;0 5 0 16 1 1 0 6 00 8 0 17 1 1 0 7 60 8 0 18 .. 2 .. 0 10 0 Over20 8 8 1 10 00 12 1 14 i 1 15 I 1 16 j 2 17 \ 3 18 ■■ 2 19 ; 1 20 J 1 Over 20 11 1 1 2 3 2 1 1 11 "l Printing and Publishing (Ticket-writing and Statior turing). anufacStatio: nery 14 2 15 1 16 1 Over 20 5 2 1 1 5 Picture-frame Making. ..076 I .. 0 10 0 .. 0 12 6 .. 1 12 6 15 I 1 10 5 0050 16 .. 1 ..076 18 1 .. 0 15 0 Over20 2 .. 1 11 3 Pii 14 3 16 1 17 2 18 1 19 2 20 Over 20 3 T Pi 3 1 2 1 2 iokle-, Sauce, Vinegar-, and Jam-making . 0 7 0 8 0 8 00 7 0 ., 0.7 0 .. 0 14 0 8 0 15 00 9 0 ..090 3 0 17 00 10 Oj 5 JO 12 0 13 2 8 0|0 16 6 .. |0 12 0 inegar-, 1 0 7 0 and Jam-makin .. !0 7 0 igPrinting and Publishing (Bookbinding). 14 1 2 0 5 0,0 5 0 15 .. 1 ■ • P 5 0 16 1 5 0 4 00 8 8 .. 0 15 0 17 6 4 0 7 10 10 0 18 3 .. 0 12 6 1 19 3 5 0 15 00 9 00 17 6]0 16 3 20 1 2 II 0 00 11 9 Over20 20 23,2 16 6|0 13 1 ..100 1 1 6 3 3 1 20 jinding). I 0 15 0 0 9 0 0 10 0i .. 0 9 0 0 16 3 .. |0 12 0 .. |0 12 0 1 0 0 "3 |o 16 6 Printing and Publishing (Patent Cardboard-box 15 .. 2 1 ..036 16 2 1 |0 7 6(0 10 0 17 1 3 V 7 6p 5 0 ..036 18 .. 4 ..060 .. p 5 6 19 1 2 0 12 O] .. ..066 20 i .. 2 ..076 .. p 7 6 Over20' 1 6 1 10 0i0 11 3 ..090 •inting jard-box Make: »)• Piano and Organ Building and Repairir I ..040 ..060 .. 0 10 0 '2 7 6 .. 2 11 6] n Buildi ing and Repairi: 'g"2 1 "I 14 1 I 16 1 I 18 1 Over 20 8 1 1 1 8 "l 0 3 6 ,0 5 6 10 6 6 ;o 7 6 0 9 0 1 14 3 15 17 16 5 17 4 18 12 19 10 20 7 Over 20 141 Printing and Publishing (Compositors). .. 10 5 6 1 0 6 8 ..093 1 'o 6 110 7 6 1 0 12 60 7 6 0 15 0 .. 0 12 8 I; 0 19 5 .. SO 13 9 118 "4 2 H 6 ..,3 0 3)2 10 0 iositors). Packing-case Making. Over201 1 ) .. |1 0 0| | ( Bope-, Twine-, and Flock-making. 15 2 ..056 16 2 ..070 Over 20 2 .. 1 15 0 iking. Saddlery-, Harness , and Portmanteau-ma: :ing. Over20| 2 | Printing and Publishing (Engineers). I .. |2 15 0| ] I I 14 4 .. 10 i 9 15 1 •• P 5 0 16 4 J .. 0 6 10 17 2 1 .. p 16 3 18 4 .. p 9 4 19 4 .. 0 18 1 20 4 l0 15 7 Over 20 28 .. |l 16 8 .. 2 3 9i Printi: ing and Publishing (Lithographic Machi . 10 5 0 0 5 0 10 5 0 .. ..086 ..089 1 0 14 2 .. .. |0 15 6 i .. |l 19 6| iniats). 14 1 15 1 16 2 18 2 19 3 Over 20 8 i , . iJ *J V 2 3 9| Shirt Manufacturing. Manufacturing. ituring. ] 16 ] 1 18 1 Over 20 9 ■D..T-* 1 1 9 Printing and Publishing (Lithographers] .. 0 7 61 .. 0 15 0 ..237 ilishinp 14 3 ..041 15 1 6 0 5 Op 5 0 16 1 10 0 10 00 5 2 17 12 .. 0 8 0 .. |0 11 i 18 .. 11 .- :0 8 0 .. 0 11 i 19 5 .. ; 0 6 4 .. 0 12 < 20 6 .. ;0 9 0 .. 0 15 ( Over20 2 34 \3 5 0!0 15 5 .. 0 11 i 1 1 0 4 1 0 5 0 0 5 2 0 8 0 ;0 8 0 ■0 6 4 0 9 0 0 15 5 [0 11 2 0 11 9 0 12 9 0 15 0 0 11 8 Prin 3 5 4 1 5 4 3 28 nting and Publishing (Printing Machini Echini its). Prn 14 3 15 5 16 4 17 1 18 5 19 4 20 3 Over 20 28 ..076 ..075 .. 0 7 3 .. 0 12 0 .. 0 12 0 .. 0 16 3 i .. 0 19 2 I .. 12 0 0 "a Sawmilling and Planing. 14 i 1 ..050 15 3 ..090 16 4 .. 0 10 3 17 3 .. 0 13 4 18 7 .. 0 16 10 19 3 .. 0 19 4 20 3 .. 0 15 0 Over20i 34 .. |l 12 0 .. 1 15 0 i 3 4 3 7 3 3 34 ing and Planin; t m Printing an ing ani id Publishing (Artists, Engravers, Elect! Stereotypy sts). !, Electi ■otypists, and 1 15 0 Y? "15 1 Over 20 15 1 15 .. 0 5 01 ; 1 (2 16 7|1 15 0 Sausage-or.sing Making. 15 2 ..0 15 0 16 8 .. |0 15 4 19 3 I .. 1 12 0 20 1 .. 1 10 0 Over20 22 .. 1 19 0 2 8 3 1 22 Making. 1 1 3 1 1 1 5 Printing and Publishing (Publishing hs (Publii ihing hi .nds). 14 \ 1 15 3 16 1 18 1 19 1 Over20 5 L .. 0 5 01 5 10 5 70 0 L ..07 6 L .. 0 16 9 L ..180 5 1 |2 5 41 5 0 I and Bepairing. I I Sewing-machine Fitting and Bepairini Over20l 2 | .. [2 7 6|. | | 1 5 0

Log in or create a Papers Past website account

Use your Papers Past website account to correct newspaper text.

By creating and using this account you agree to our terms of use.

Log in with RealMe®

If you’ve used a RealMe login somewhere else, you can use it here too. If you don’t already have a username and password, just click Log in and you can choose to create one.


Log in again to continue your work

Your session has expired.

Log in again with RealMe®


Alert