Page image
Page image

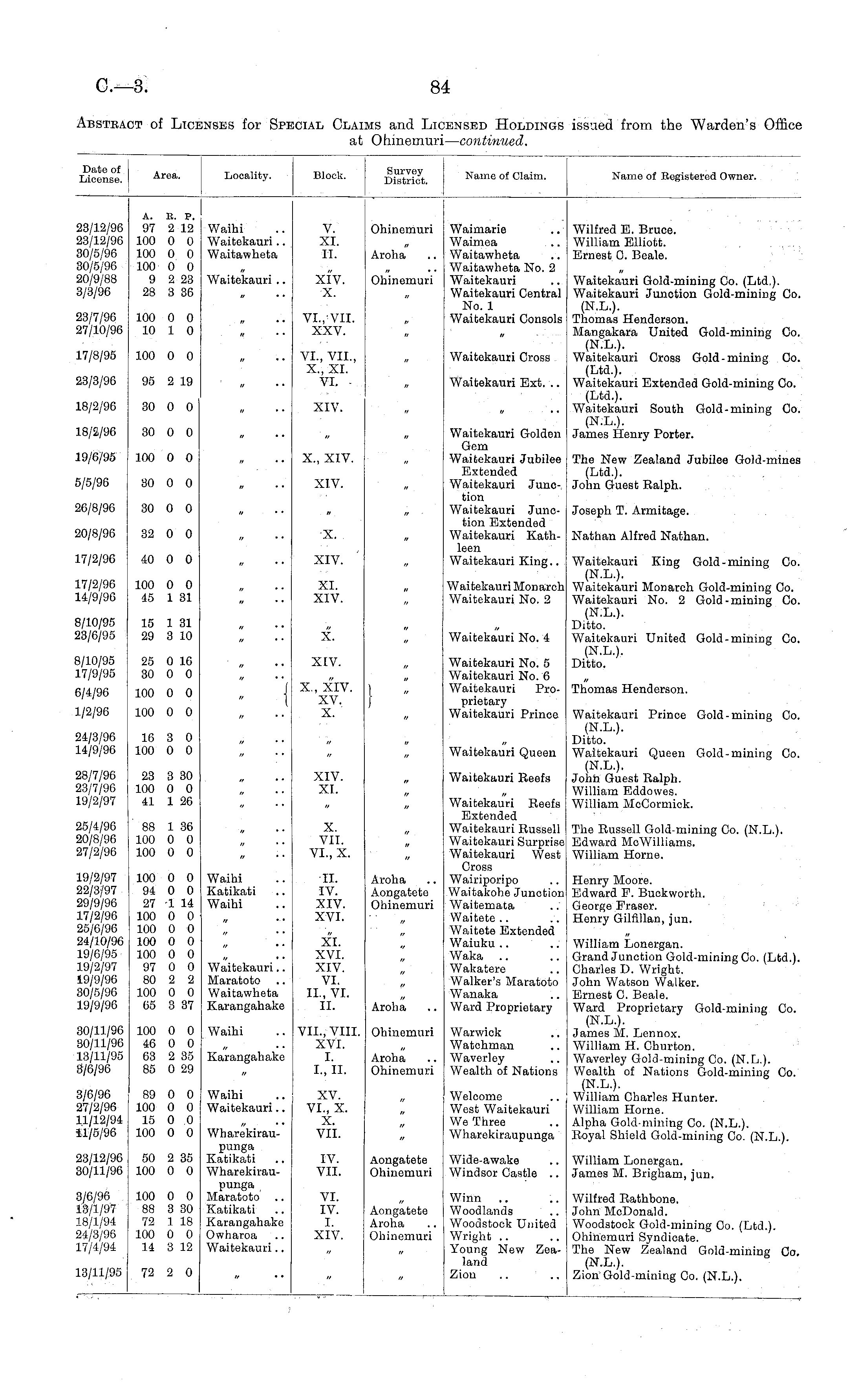
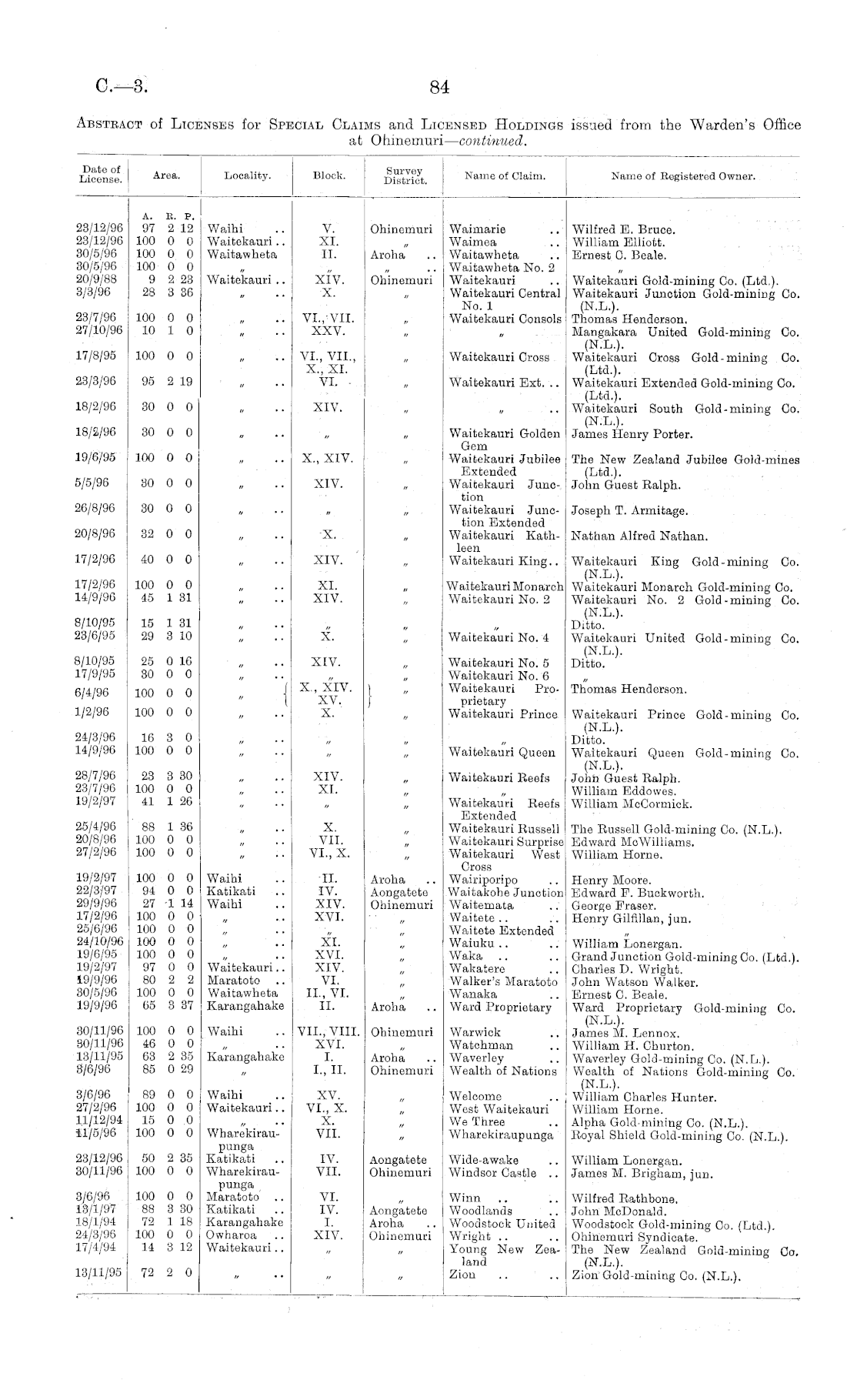
a—3

84

Abstract of Licenses for Special Claims and Licensed Holdings issued from the Warden's Office at Ohinemuri — continued.

Date of License. Area. Locality. Block. Survey District. Name of Claim. Name of Eegistered Owner. 23/12/96 23/12/96 30/5/96 30/5/96 20/9/88 3/3/96 A. B. P. 97 2 12 100 0 0 100 0 0 100 0 0 9 2 23 28 3 36 Waihi Waitekauri.. Waitawheta V. XL II. Ohinemuri Aroha Waimarie Waimea Waitawheta Waitawheta No. 2 Waitekauri Waitekauri Central No. 1 Waitekauri Consols Wilfred E. Bruce. William Elliott. Ernest 0. Beale. Waitekauri .. xi'v. x. Ohinemuri Waitekauri Gold-mining Co. (Ltd.). Waitekauri Junction Gold-mining Co. (N.L.). Thomas Henderson. Mangakara United Gold-mining Co. (N.L.). Waitekauri Cross Gold-mining Oo. (Ltd.). Waitekauri Extended Gold-mining Co. (Ltd.). Waitekauri South Gold-mining Co. (N.L.). James Henry Porter. 23/7/96 27/10/96 100 0 0 10 1 0 VI.,-vii. xxv. 17/8/95 100 0 0 VI., VII., X., XI. VI. - Waitekauri Cross 23/3/96 95 2 19 Waitekauri Ext. .. 18/2/96 30 0 0 XIV. 18/2/96 30 0 0 Waitekauri Golden Gem Waitekauri Jubilee Extended Waitekauri Junction Waitekauri Junction Extended Waitekauri Kathleen Waitekauri King.. 19/6/95 100 0 0 X., XIV. The New Zealand Jubilee Gold-mines (Ltd.). John Guest Ralph. 5/5/96 30 0 0 XIV. 26/8/96 30 0 0 Joseph T. Armitage. 20/8/96 32 0 0 X. Nathan Alfred Nathan. 17/2/96 17/2/96 14/9/96 40 0 0 100 0 0 45 1 31 15 1 31 29 3 10 XIV. XL XIV. Waitekauri Monarch Waitekauri No. 2 Waitekauri King Gold-mining Co. (N.L.). Waitekauri Monarch Gold-mining Co. Waitekauri No. 2 Gold-mining Co. (N.L.). Ditto. Waitekauri United Gold-mining Co. (N.L.). Ditto. 8/10/95 23/6/95 X. Waitekauri No. 4 8/10/95 17/9/95 25 0 16 30 0 0 XIV. Waitekauri No. 5 Waitekauri No. 6 Waitekauri Proprietary Waitekauri Prince 6/4/96 100 0 0 ■ "1 X., XIV. XV. X. I ' Thomas Henderson. 1/2/96 24/3/96 14/9/96 100 0 0 16 3 0 100 0 0 Waitekauri Queen Waitekauri Prince Gold-mining Co. (N.L.). Ditto. Waitekauri Queen Gold-mining Co. (N.L.). John Guest Ralph. William Eddowes. William McCormick. 28/7/96 23/7/96 19/2/97 23 3 30 100 0 0 41 1 26 XIV. XI. Waitekauri Reefs 25/4/96 20/8/96 27/2/96 19/2/97 22/3/97 29/9/96 17/2/96 25/6/96 24/10/96 19/6/95 19/2/97 19/9/96 30/5/96 19/9/96 88 1 36 100 0 0 100 0 0 100 0 0 94 0 0 27 -1 14 100 0 0 100 0 0 100 0 0 100 0 0 97 0 0 80 2 2 100 0 0 65 3 37 Waihi Katikati Waihi X. VII. VI., X. II. IV. XIV. XVI. Aroha Aongatete Ohinemuri Waitekauri Reefs Extended Waitekauri Russell Waitekauri Surprise Waitekauri West Cross Wairiporipo Waitakohe Junction Waitemata Waitete Waitete Extended Waiuku Waka Wakatere Walker's Maratoto Wanaka Ward Proprietary The Russell Gold-mining Go. (N.L.). Edward McWilliams. William Home. Henry Moore. Edward F. Buckworth. George Fraser. Henry Gilfillan, jun. Waitekauri.. Maratoto Waitawheta Karangahake XL XVI. XIV. VI. II., VI. II. William Lonergan. Grand Junction Gold-mining Co. (Ltd.). Charles D. Wright. John Watson Walker. Ernest G. Beale. Ward Proprietary Gold-mining Co. (N.L.). James M. Lennox. William H. Churton. Waverley Gold-mining Co. (N.L.). Wealth of Nations Gold-mining Co. (N.L.). William Charles Hunter. William Home. Alpha Gold-mining Co. (N.L.). Royal Shield Gold-mining Co. (N.L.). Aroha 30/11/96 30/11/96 13/11/95 3/6/96 100 0 0 46 0 0 63 2 35 85 0 29 Waihi Karangahake VII., VIII. XVI. I. I., II. Ohinemuri Aroha Ohinemuri Warwick Watchman Waverley Wealth of Nations 3/6/96 27/2/96 11/12/94 11/5/96 89 0 0 100 0 0 15 0 0 100 0 0 Waihi Waitekauri.. XV. VI., X. X. VII. Welcome West Waitekauri We Three Wharekiraupunga Wharekirau23/12/96 30/11/96 3/6/96 13/1/97 18/1/94 24/3/96 17/4/94 50 2 35 100 0 0 100 0 0 88 3 30 72 1 18 100 0 0 14 3 12 punga Katikati Wharekiraupunga Maratoto Katikati Karangahake Owharoa Waitekauri.. IV. VII. VI. IV. I. XIV. Aongatete Ohinemuri Aongatete Aroha Ohinemuri Wide-awake Windsor Castle .. Winn Woodlands Woodstock United Wright .. Young New Zealand William Lonergan. James M. Brigham, jun. Wilfred Rathbone. John McDonald. Woodstock Gold-mining Co. (Ltd.). Ohinemuri Syndicate. The New Zealand Gold-minine Co. (N.L.). Zion Gold-mining Go. (N.L.). 13/11/95 72 2 0 w -. Zion

Log in or create a Papers Past website account

Use your Papers Past website account to correct newspaper text.

By creating and using this account you agree to our terms of use.

Log in with RealMe®

If you’ve used a RealMe login somewhere else, you can use it here too. If you don’t already have a username and password, just click Log in and you can choose to create one.


Log in again to continue your work

Your session has expired.

Log in again with RealMe®


Alert