17
C—3b.
3—C. 3b
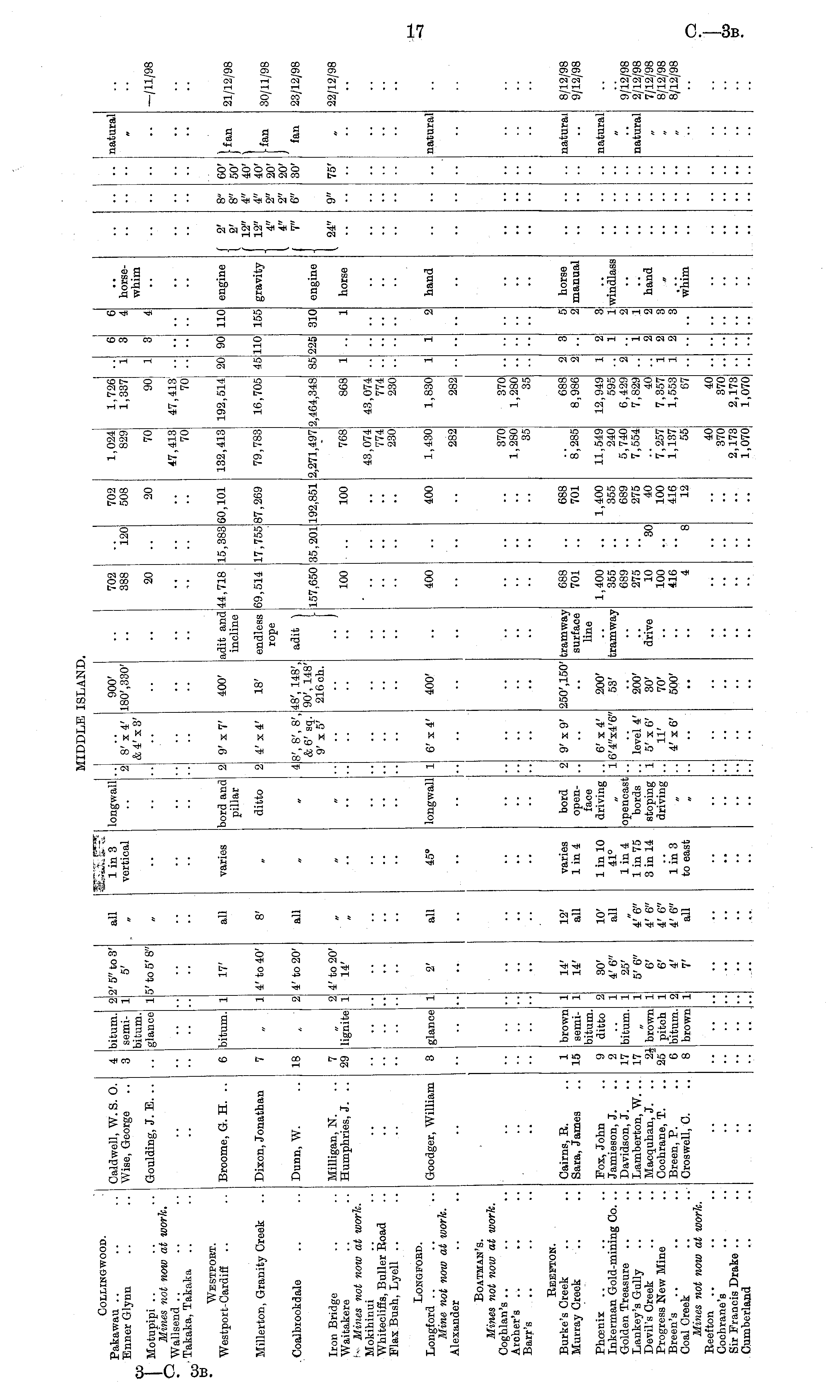
tIDDLE ISLAND i I COLDIHGWOOD. Pakawau .. .. Enner Glynn .. Caldwell, W. S. 0. Wise, George 4 3 bitum. semibitum. glance 2 1 2' 5" to 3' 5' all Iin3 vertical longwall '2, 8' x 4' & 4' x 3' 900' 180',330' 702 388 "l20 702 508 1,024 829 1,726 1,337 "i 6 3 6 4 horsewhim natural Motupipi Mines not now at work. Wallsend Takaka, Takaka Goulding, 3. E. .. 5'to 5' 8" 20 20 70 90 -/11/9S 47,413 70 47,413 70J Westpobt. Westport-Cardiff Broome, G. H. bitum. 17' all varies bord and pillar 9' x7' 400' adit and incline 44,718 15,383 60,101 132,413 192,514 20! 90 110 engine 2' 2' 12" 12" 4" 4" 7" 8" 8" 4" 4" 2" 2" 6" 60' 50' 40' 40' 20' 20' 30' I fan I fan 21/12/9! Millerton, Granity Creek Dixon, Jonathan 4' to 40' 8' ditto 4'x4' 18' endless rope 69,514 17,755 87,269 79,783 16,705 45 110 155 gravity 30/11/9! . Coalbrookdale Dunn, W. 18 4' to 20' all 8', 8', 8', & 6' sq. 9' x5' 48', 148', 90', 148' 216 ch. adit 1 2,271,497 2,464,348 engine fan 23/12/9! Iron Bridge Waitakere ; - Mines not now at work. Mokihinui Whitecliffs, Buller Eoad Flax Bush, Lyell Milligan, N. Humphries, J. lignite ! 4' to 20' 14' 157,650 35,201 192,851 85 225 310 24" 22/12/9! 7 29 2 1 100 100 768 868 horse 9" 75' •• 43,074 774 230 43,074 774 230 i Longeoed. Longford Mine not now at work. Alexander Goodger, William 3 glance 2' all 45° longwall 6'x4' 400' 400 400 1,430 1,830 hand natural 282 282 - •• Boatman's. Mines not now at work. Coghlan's Archer's Barr's ! •• . •• •• 370 1,280 35 370 1,280 35 Eeefton. Burke's Creek Murray Creek Cairns, E. Sara, James 1 15 brown semibitum. ditto 1 1 14' 14' 12' all varies lint bord 9'x9' 250',150' tramway surface line 688 701 " 688 701 8 1285 688 8,986 2 2 8 5 2 horse manual natural 8/12/9! 9/12/9! Phoenix Inkerman Gold-mining Co. .. Golden Treasure Lankey's Gully Devil's Creek Progress New Mine Breen's Coal Creek Mines not now at work. Eeefton Cochrane's Sir Francis Drake Cumberland Pox, John Jamieson, J. Davidson, J. Lamberton, W. .. Macguhan, J. Cochrane, T. Breen, P. Oroswell, 0. 9 2 17 17 24 25 6 8 30' 4' 6" 25' 5' 6" 6' 6' 4' 7' 10' all linlO 41° lin4 lin75 3 in 14 openface driving 6' x 4' 6'4"x4'6" 200' 53' 1,400 355 689 275 10 100 416 4 1,400 355 689 275 40 100 416 12 11,549 240 5,740 7,554 12,949 595 6,429 7,829 40 7,357 1,553 67 2 1 windlass natural 2 1 1 1 1 1 2 1 1 tramway 1 2 3 1 2 1 2 3 3 9/12/9! 2/12/9! 7/12/91 8/12/9! 8/12/9! bitum. 4'6" 4' 6" 4' 6" 4' 6" all opencast bords stoping driving •• level 4' 5' x6' 11' 4'x6' 200' 30' 70' 500' 1 2 2 2 natural brown pitch bitum. brown li'n3 to east 1 drive *30 7,257 1,137 55 1 1 hand •• 8 •• ■• whim 40 370 2,173 1,070 40 370 2,173 1,070 •• •• •• •• •• •• •• •• •■ ■-
Use your Papers Past website account to correct newspaper text.
By creating and using this account you agree to our terms of use.
Your session has expired.