Page image
Page image

21

D.—2

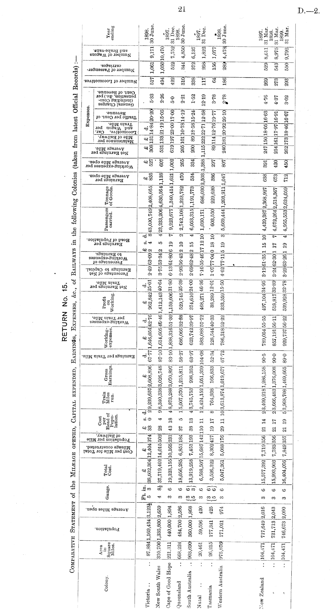
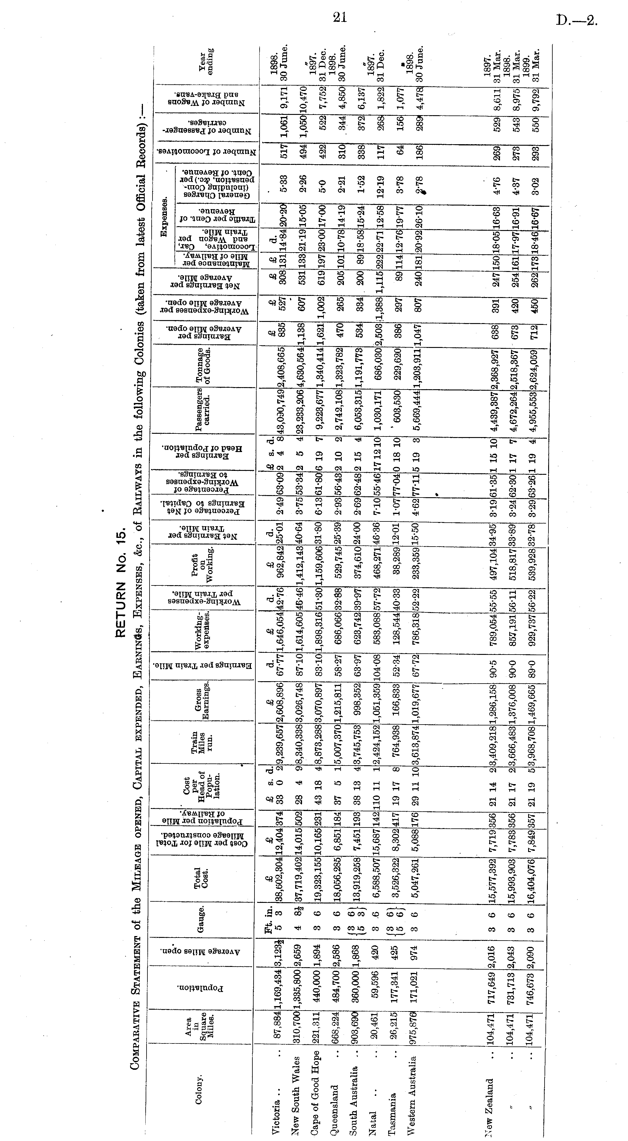
RETURN No. 15. Comparative Statement of the Mileage opened, Capital expended, Earnings, Expenses, &c., of Railways in the following Colonies (taken from latest Official Records) :—

Colony. Area in Square Miles. a rt ft c ft a © o © © © > < Gauge. Total Cost. "3 - O co s ° O rt J2=4I ft r> Cost per Head of Population. Train Miles run. Gross Earnings. © 'rH r* © ft a Workingexpenses. CD B a ?*3 ?4 CD O ft Profit on Working. © as © fc ft OO © 0 -*j ro fl OC © fl 8 a © U rU «3 ED CD CD g CC rt M-rr IS a o CD c3 a ft 3° © H Passengers carried. Tonnage of Goods. © © o 3 CD rt g i> A © ft*H ?© izi rJ fl£ fl © as 47 ® a . rOO la 8 a u rj :pensi 44 o CD c g 8. to i © © 2a s« ssil cd > o a o © c o CD a 3 © © hi? 4, rt CD CD a 3 CD fl 3 rt 15 Year ending Victoria .. 87,884 1,169,434 J3,123J Ft. in. 5 3 £ 38,602,304 £ 12,404 374 £ s. d. 33 0 2 9,239,657 £ 2,608,896 d. 67-77 £ 1,646,054 d. 42-76 £ 962,842 d. 25*01 £ s. d. 2 4 8 £ 835 £ 527 £ 308 £ 131 d. 14-84 5*33 1898. 30 June. 2-49 163*09 43,090,749 2,408,665 20-20 517 1,061 9,171 New South Wales 310,700 1,335,800 2,659 i 8J 37,719,402 14,015 502 28 4 9 8,340,338 3,026,748 87*10 1,614,605 46-46 1,412,143 40-64 3-75 153*34 2 5 4 23,233,206 4,630,564 1,138 607 531 133 21-19 15*05 2*26 494 1,050 10,470 Cape of Good Hope 221,311 440,000 1,894 3 6 19,323,155 10,165 231 43 18 4 8,873,288 3,070,897 83-10 1,898,316 51-30 1,159,606 31*80 6-13 61-80 6 19 7 9,223,677 1,340,414 1,621 1,002 619 197 23*00 17-00 5-0 422 522 7,752 1897. 31 Dee. 1898. 30 June. Queensland 668,224 484,700 2,586 3 6 18,056,285 6,851 184 37 5 1 5,007,370 1,215,811 58-27 686,066 32-88 529,745 25*39 2-93 56*43 2 10 2 2,742,108 1,323,782 470 265 205 101 10*78 14-19 2*21 310 ,344 4,850 South Australia .. 903,690 360,000 1,868 (!!} 13,919,258 7,451 193 38 13 4 3,745,753 998,352 63-97 623,742 39-97 374,610 24-00 2-69 62-48 2 15 4 6,053,315 1,191,773 534 334 200 89 18-58: 15*24 1*52 338 372 6,137 1897. 31 Dec. Natal 20,461 59,596 420 3 .6 6,588,507 15,687 142 110 11 1 2,424,152 1,051,359 104-08 583,088 57*72 468,271 46-36 7-10 55-46: 1712 10 1,030,171 686,030 2,503 1,388 1,115 222 22-71: 12-58 12*19 117 268 1,822 Tasmania 26,215 177,341 425 (S3 3,526,322 8,302 417 19 17 8 764,938 166,833 52-34 128,544, 40-33 38,289 12-01 1-071 77-041 0 18 10 ' 603,530 229,620 386 297 89 12-76: 19-77 3-78 64 156 1,077 Western Australia 975,876] 171,021 974 5,047,261 5,088 176 29 11 10 3,613,874 1,019,677 67-72 786,318: 52-22 233,359 15-50 4-62' 77*11 i 5 19 3 5,669,444 114 1898. 30 June. 3 6 1,203,9111 11,047 807 240: 181 20-92! 26-10 ,2-78 186 289 4,478 * New Zealand 104,471 104,471 717,649 731,713 2,016 2,043 3 6 3 6 15,577,392 15,993,903 7,719 7,783 356 356 21 14 2 21 17 2 3,409,218 3,666,483 1,286,158 1,376,008 90*5 90*0 789,054 857,191 55-55 56-11 497,104 518,817 34-95 33-89 3*19 3-24 61*35 62-30 1 15 10 1 17 7 4,439,387 4,672,264 2,368,927 2,518,367 638 673 391 420 247 254 150 161 18-05 17-97 16*63 16*91 4-76 4-37 269 273 529 543 8,611 8,975 1897. 31 Mar. 1898. 31 Mar. 1899. 31 Mar. 104,471 746,673 2,090 3 6 16,404,076 7,849 357 21 19 5 3,968,708 1,469,665 89-0 929,737 56-22 539,928 32-78 3*29 63*26 1 19 4 4,955,553 2,624,059 712 450 262 173 18*46 16*67 3-02 293 550 9,792

Log in or create a Papers Past website account

Use your Papers Past website account to correct newspaper text.

By creating and using this account you agree to our terms of use.

Log in with RealMe®

If you’ve used a RealMe login somewhere else, you can use it here too. If you don’t already have a username and password, just click Log in and you can choose to create one.


Log in again to continue your work

Your session has expired.

Log in again with RealMe®


Alert