Page image
Page image

8.—7

CLASS XI.—WORKING RAILWAYS— continued.

64

Appropriations for Consolidated Fund Services

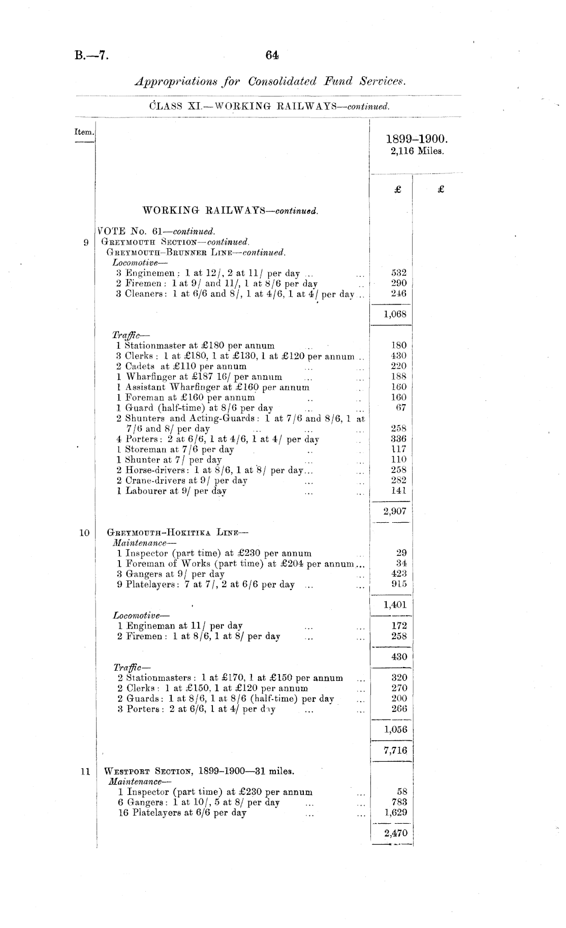
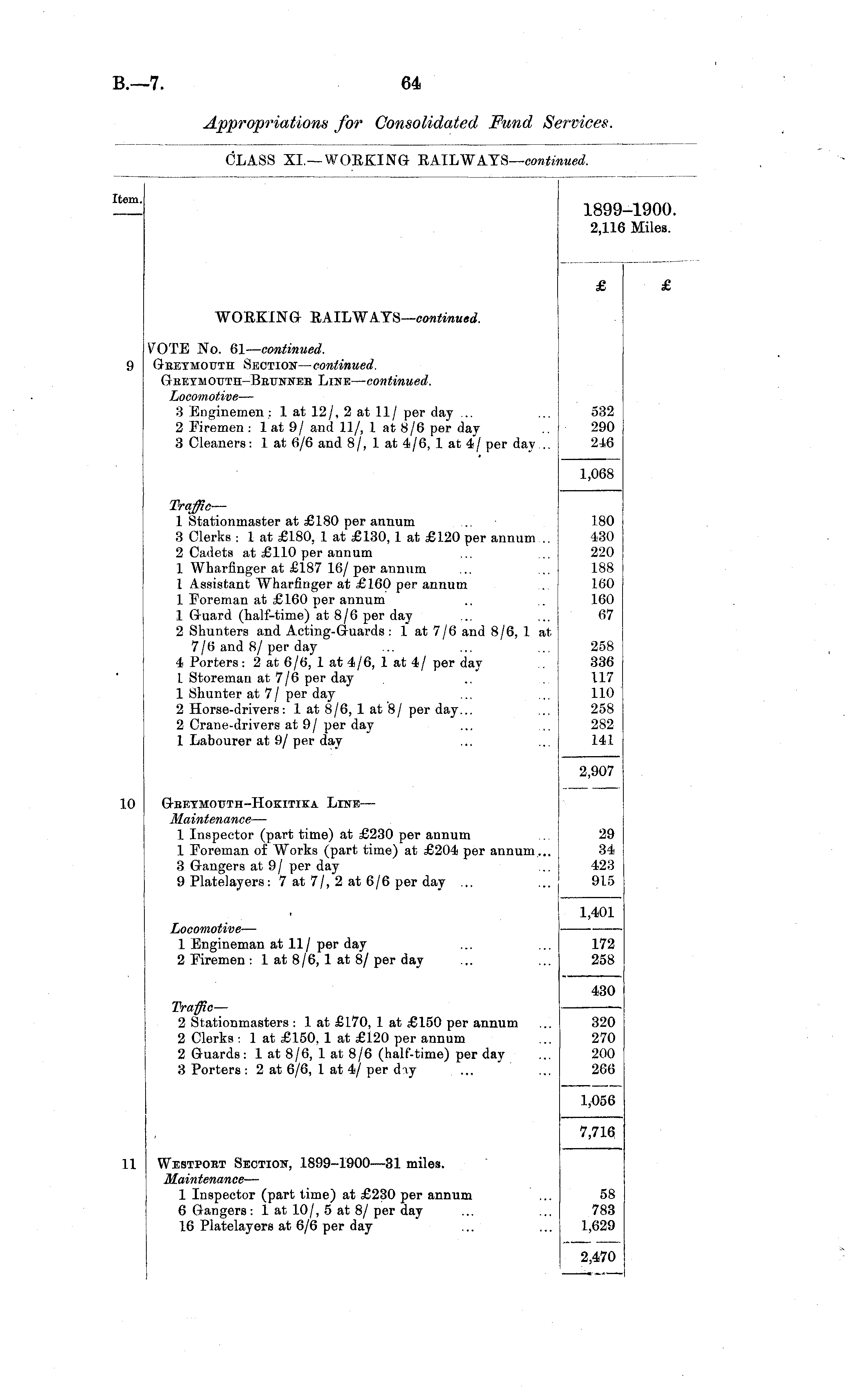
Item. 1899-1900 2,116 Miles. £ £ WOEKING EAILWAYS— continued. 9 VOTE No. 61— continued. Greymouth Section — continued. Greymouth-Brunner Line — continued. Locomotive — 3 Enginemen : 1 at 12/, 2 at 11/ per day ... 2 Firemen : 1 at 9/ and 11/, 1 at 8/6 per day 3 Cleaners: 1 at 6/6 and 8/, 1 at 4/6, 1 at 4/ per day... 532 290 246 1,068 Traffic— 1 Stationmaster at £180 per annum 3 Clerks : 1 at £180, 1 at £130, 1 at £120 per annum .. 2 Cadets at £110 per annum 1 Wharfinger at £187 16/per annum 1 Assistant Wharfinger at £160 per annum 1 Foreman at £160 per annum 1 Guard (half-time) at 8/6 per day 2 Shunters and Acting-Guards: 1 at 7/6 and 8/6, 1 at 7/6 and 8/per day 4 Porters: 2 at 6/6, 1 at 4/6, 1 at 4/ per day 1 Storeman at 7/6 per day 1 Shunter at 7/ per day 2 Horse-drivers: 1 at 8/6, 1 at 8/ per day... 2 Crane-drivers at 9/ per day 1 Labourer at 9/ per day 180 430 220 188 160 160 67 258 336 117 110 258 282 141 2,907 10 Greymouth-Hokitika Line— Maintenance — 1 Inspector (part time) at £230 per annum 1 Foreman of Works (part time) at £204 per annum... 3 Gangers at 9/ per day 9 Platelayers: 7 at 7/, 2 at 6/6 per day ... 29 34 423 915 1,401 Locomotive — 1 Engineman at 11/ per day 2 Firemen : 1 at 8/6, 1 at 8/per day 172 258 Traffic — 2 Stationmasters : 1 at £170, 1 at £150 per annum 2 Clerks : 1 at £150, 1 at £120 per annum 2 Guards: 1 at 8/6, 1 at 8/6 (half-time) per day 3 Porters : 2 at 6/6, 1 at 4/ per day ... 430 320 270 200 266 1,056 7,716 11 Westport Section, 1899-1900—31 miles. Maintenance — 1 Inspector (part time) at £230 per annum 6 Gangers: 1 at 10/, 5 at 8/ per day 16 Platelayers at 6/6 per day 58 783 1,629 2,470

Log in or create a Papers Past website account

Use your Papers Past website account to correct newspaper text.

By creating and using this account you agree to our terms of use.

Log in with RealMe®

If you’ve used a RealMe login somewhere else, you can use it here too. If you don’t already have a username and password, just click Log in and you can choose to create one.


Log in again to continue your work

Your session has expired.

Log in again with RealMe®


Alert