Page image
Page image

8.—7.

CLASS XII.—WORKING RAILWAYS— continued.

66

Appropriations for Consolidated Fund Services

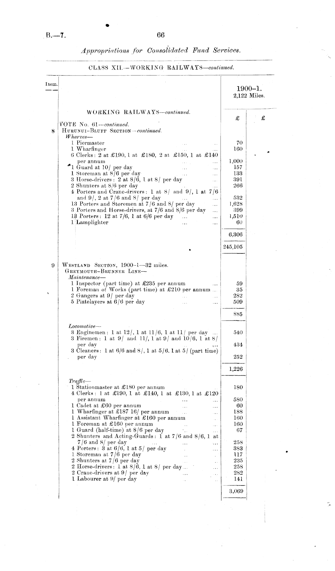
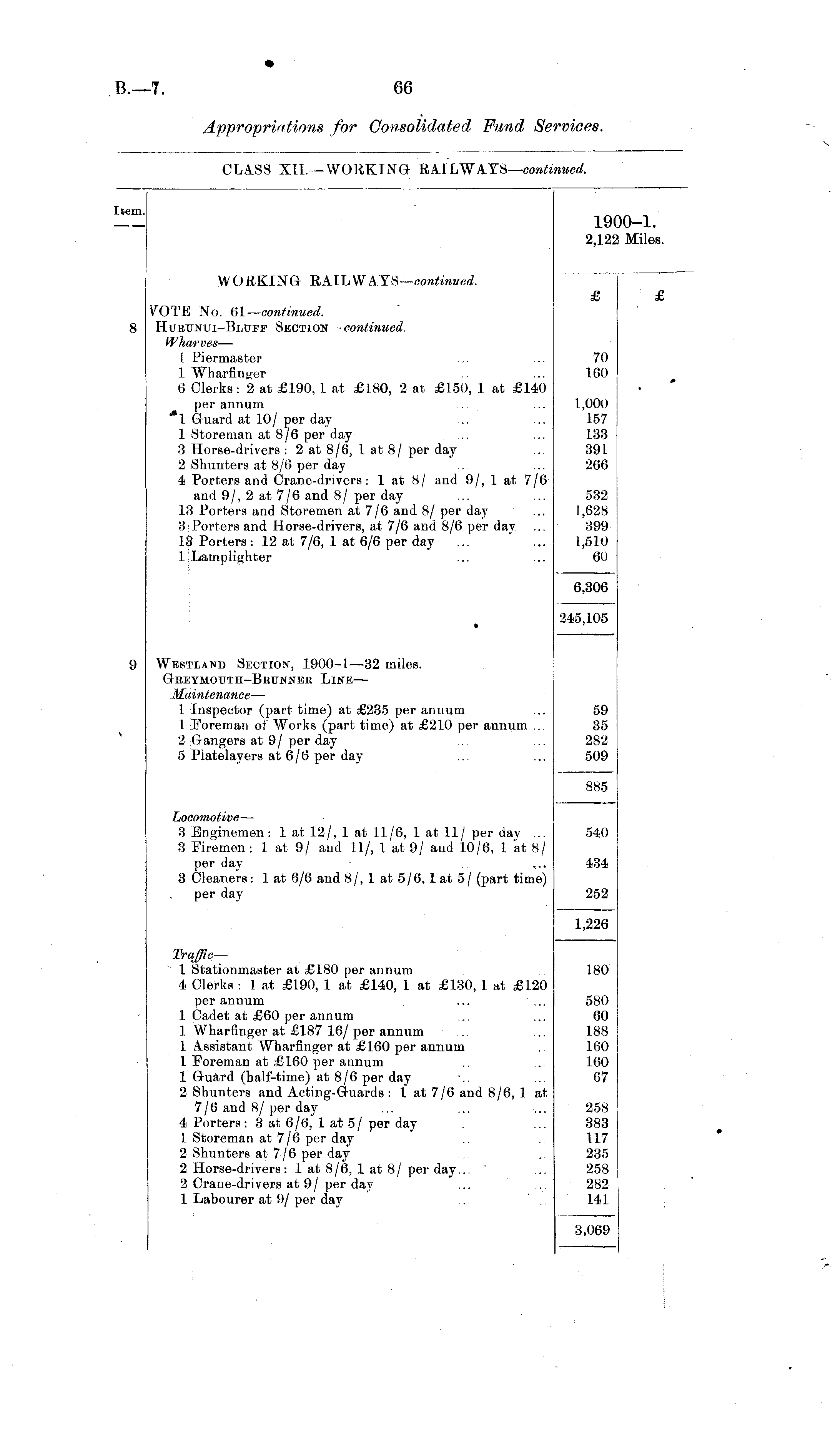
tern. 19 2,12: ►0—1. Miles. WORKING- RAILWAYS— continued. VOTE No. 61— continued. Hurtjniti-Bjyctf Section — continued. Wharves — 1 Piermaster 1 Wharfinger 6 Clerks: 2 at £190, 1 at £L80, 2 at £150, 1 at £140 £ 70 160 0 per annum 1 Guard at 10/ per day 1 Storeman at 8/6 per day 3 Horse-drivers : 2 at 8/6, 1 at 8/ per day 2 Shunters at 8/6 per day 4 Porters and Crane-drivers : 1 at 8/ and 9/, 1 at 7/6 and 9/, 2 at 7/6 and 8/ per day 13 Porters and Storemen at 7/6 and 8/ per day 3 Porters and Horse-drivers, at 7/6 and 8/6 per day 13 Porters: 12 at 7/6, 1 at 6/6 per day 1 Lamplighter 1,000 157 133 39 L 266 532 1,628 399 1,510 60 6,306 • 245,105 Westland Section, 1900-1 —32 miles. Greymouth-Brunner Line— Maintenance— 1 Inspector (part time) at £235 per annum 1 Foreman of Works (part time) at £210 per annum ... 2 Gangers at 9/ per day 5 Platelayers at 6/6 per day 59 35 282 509 885 Locomotive — 3 Enginemen : 1 at 12/, 1 at 11/6, 1 at 11/ per day ... 3 Firemen : 1 at 9/ and 11/, 1 at 9/ and 10/6, 1 at 8/ per day ... ... 3 Cleaners: 1 at 6/6 and 8/, 1 at 5/6,1 at 5/ (part time) per day 540 434 252 1,226 Ih-qffic— 1 Stationmaster at £180 per annum 4 Clerks : 1 at £190, 1 at £140, 1 at £130, 1 at £120 180 per annum 1 Cadet at £60 per annum 1 Wharfinger at £187 16/per annum ... 1 Assistant Wharfinger at £160 per annum 1 Foreman at £160 per annum 1 Ghiard (half-time) at 8/6 per day 2 Shunters and Acting-Guards: 1 at 7/6 and 8/6, 1 at 7/6 and 8/ per day 4 Porters: 3 at 6/(5, 1 at 5/ per day 1 Storeman at 7/6 per day 2 Shunters at 7/6 per day 2 Horse-drivers: 1 at 8/6, 1 at 8/ per day... 2 Crane-drivers at 9/ per day 1 Labourer at 9/ per day . 580 60 188 160 160 67 258 383 117 235 258 282 141 3,069

Log in or create a Papers Past website account

Use your Papers Past website account to correct newspaper text.

By creating and using this account you agree to our terms of use.

Log in with RealMe®

If you’ve used a RealMe login somewhere else, you can use it here too. If you don’t already have a username and password, just click Log in and you can choose to create one.


Log in again to continue your work

Your session has expired.

Log in again with RealMe®


Alert