Page image
Page image

B—l

51

STATEMENT in Detail of the EXPENDITURE for MISCELLANEOUS SERVICE S—contd.

PUBLIC ACCOUNTS, 1900-1901.

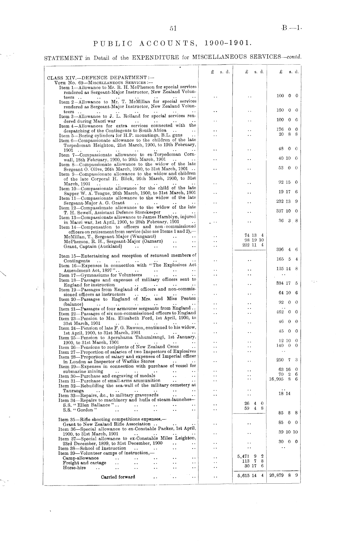
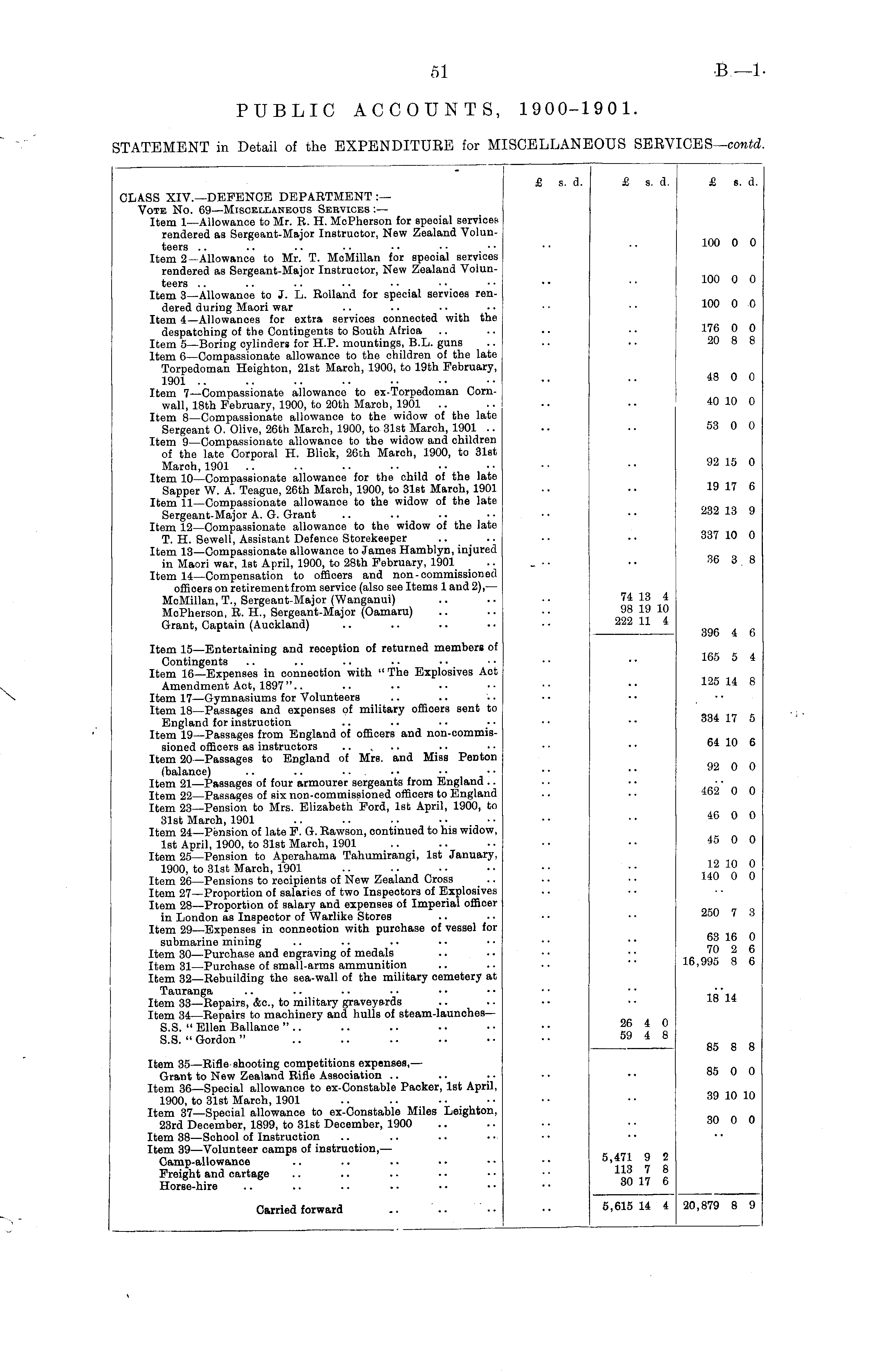
ILASS XIV.—DEFENCE DEPARTMENT :— Vote No. 69—Miscellaneous Services :— Item 1—Allowance to Mr. R. H. McPherson for special services rendered as Sergeant-Major Instructor, New Zealand Volunteers Item 2- Allowance to Mr. T. McMillan for Bpecial services rendered as Sergeant-Major Instructor, New Zealand Volunteers Item 3 —Allowanoe to J. L. Rolland for special servioes rendered during Maori war .. .. Item 4—Allowances for extra services connected with the despatching of the Contingents to South Africa Item 5 —Boring cylinders for H.P. mountings, B.L. guns Item 6 —Compassionate allowance to the children of the late Torpedoman Heighton, 21st March, 1900, to 19th February, 1901 .. Item 7 —Compassionate allowance to ex-Torpedoman Cornwall, 18th February, 1900, to 20th Maroh, 1901 Item 8 —Compassionate allowance to the widow of the late Sergeant O. Olive, 26th March, 1900, to 31st March, 1901 .. Item 9 —Compassionate allowance to the widow and children of the late Corporal H. Blick, 26th March, 1900, to 31st Maroh, 1901 Item 10—Compassionate allowance for the child of the late Sapper W. A. Teague, 26th March, 1900, to 31st March, 1901 Item 11—Compassionate allowance to the widow of the late Sergeant-Major A. G. Grant Item 12—Compassionate allowance to the widow of the late T. H. Sewell, Assistant Defence Storekeeper Item 13—Compassionate allowance to James Hamblyn, injured in Maori war, 1st April, 1900, to 28th February, 1901 Item 14—Compensation to officers and non-commissioned officers on retirement from service (also see Items 1 and 2), — McMillan, T., Sergeant-Major (Wanganui) MoPherson, R. H., Sergeant-Major (Oamaru) Grant, Captain (Auckland) £ s. d. £ s. d. £ s. d. 100 0 0 100 0 0 100 0 0 176 0 0 20 8 8 48 0 0 40 10 0 53 0 0 92 15 0 19 17 6 232 13 9 337 10 0 36 3 8 74 13 4 98 19 10 222 11 4 396 4 6 Item 15—Entertaining and reception of returned members of Contingents Item 16—Expenses in connection with "The Explosives Act Amendment Act, 1897 ".. Item 17—Gymnasiums for Volunteers Item 18—Passages and expenses of military officers sent to England for instruction Item 19—Passages from England of officers and non-commis-sioned officers as instructors Item 20—Passages to England of MrB. and Miss Penton (balance) .. .. ... Item 21—Passages of four armourer sergeants from England .. Item 22—Passages of six non-commissioned officers to England Item 23—Pension to Mrs. Elizabeth Ford, 1st April, 1900, to 31st March, 1901 Item 24—Pension of late F. G. Rawson, continued to his widow, 1st April, 1900, to 31st March, 1901 Item 25—Pension to Aperahama Tahumirangi, 1st January, 1900, to 31st March, 1901 Item 26 —Pensions to recipients of New Zealand Cross Item 27—Proportion of salaries of two Inspectors of Explosives Item 28—Proportion of salary and expenses of Imperial officer in London as Inspector of Warlike Stores Item 29—Expenses in connection with purchase of vessel for submarine mining Item 30 —Purchase and engraving of medals Item 31 —Purchase of small-arms ammunition Item 32—Rebuilding the sea-wall of the military cemetery at Tauranga Item 33—Repairs, &c, to military graveyards Item 34—Repairs to machinery and hulls of steam-launches— S.S. "Ellen Ballance " .. S.S. "Gordon" 165 5 4 125 14 8 334 17 5 64 10 6 92 0 0 462 0 0 46 0 0 45 0 0 12 10 0 140 0 0 250 7 3 63 16 0 70 2 6 16,995 8 6 1814 26 4 0 59 4 8 85 8 8 Item 35—Rifle shooting competitions expenses,— Grant to New Zealand Rifle Association Item 36—Special allowance to ex-Constable Packer, 1st April, 1900, to 31st March, 1901 Item 37—Special allowance to ex-Constable Miles Leighton, 23rd December, 1899, to 31st December, 1900 Item 38—School of Instruction Item 39—Volunteer camps of instruction, — Camp-allowance Freight and cartage Horse-hire 85 0 0 39 10 10 30 0 0 5,471 9 2 113 7 8 30 17 6 Carried forward 5,615 14 4 20,879 8 9

Log in or create a Papers Past website account

Use your Papers Past website account to correct newspaper text.

By creating and using this account you agree to our terms of use.

Log in with RealMe®

If you’ve used a RealMe login somewhere else, you can use it here too. If you don’t already have a username and password, just click Log in and you can choose to create one.


Log in again to continue your work

Your session has expired.

Log in again with RealMe®


Alert