Page image
Page image

B.—l.

STATEMENT in Detail of the EXPENDITURE for MISCELLANEOUS SERVICES— contd.

52

PUBLIC ACCOUNTS, 1901-1902.

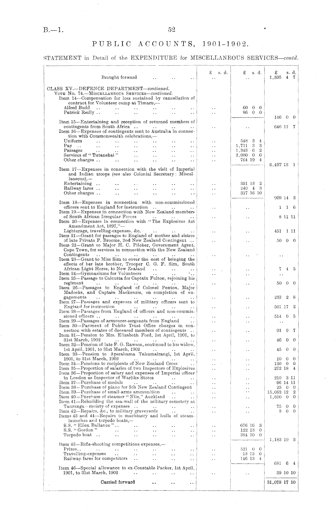
£ s. d. £ s. d. £ s. d. 1,595 4 7 Brought forward CLASS XV.—DEFENCE DEPARTMENT— continued. Vote No. 74. —Miscellaneous Services— continued. Item 14—Compensation for loss sustained by cancellation of contract for Volunteer camp at Timaru, —■ Alfred Budd .. '.. Patrick Reilly .. 60 0 0 86 0 0 146 0 0 Item 15—Entertaining and reception of returned members of contingents from South Africa Item 16—Expenses of oontingents sent to Australia in connection with Commonwealth celebrations, — Uniform Pay Passages Services of " Tutanekai " Other charges 548 3 4 1,771 3 3 1,343 6 2 2,000 0 0 764 19 4 640 11 7 6,427 12 1 Item 17 —Expenses in connection with the visit of Imperial and Indian troops (see also Colonial Secretary : Miscellaneous), — Entertaining Railway fares Other charges 909 14 3 351 13 2 240 4 3 317 16 10 Item 18—Expenses in connection with non-commissioned officers sent to England for instruction Item 19—Expenses in connection with New Zealand members of South African Irregular Forces Item 20—Expenses in connection with " The Explosives Act Amendment Act, 1897," — Lighterage, travelling-expenses, &c Item 21—Grant for passages to England of mother and sisters of late Private F. Broome, 2nd New Zealand Contingent .. Item 22—Grant to Major H. C. Pilober, Government Agent, Cape Town, for services in connection with the New Zealand Contingents Item 23—Grant to Miss Sim to cover the oost of bringing the effects of her late brother, Trooper C. G. F. Sim, South African Light Horse, to New Zealand Item 24—Gymnasiums for Volunteers Item 25 —Passage to Calcutta for Captain Fulton, rejoining his regiment Item 26 —Passages to England of Colonel Penton, Major Madocks, and Captain Mackenzie, on completion of engagements Item 27 —Passages and expenses of military officers sent to England for instruction Item 28—Passages from England of officers ana non-commis-sioned officers Item 29 —Passages of armourer-sergeants from England Item 30—Payment of Public Trust Office charges in connection with estates of deceased members of contingents .. Item 31 —Pension to Mrs. Elizabeth Ford, 1st April, 1901, to 31st March, 1902 Item 32—Pension of late F. G. Rawson, continued to his widow, 1st April, 1901, to 31st March, 1902 Item 33—Pension to Aperahama Tahumairangi, 1st April, 1901, to 31st March, 1902 Item 34 —Pensions to recipients of New Zealand Cross Item 35 —Proportion of salaries of two Inspectors of Explosives Item 36 —Proportion of salary and expenses of Imperial officer in London as Inspector of Warlike Stores Item 37 —Purchase of medals Item 38—Purchase of piano for 5th New Zealand Contingent Item 39 —Purchase of small-arms ammunition Item 40— Purchase of steamer " Nile," Auckland Item 41—Rebuilding the sea-wall of the military cemetery at Tauranga—moiety of expenses Item 42—Repairs, &c, to military graveyards Items 43 and 44—Repairs to machinery and hulls of steamlaunches and torpedo boats, — S.S. "Ellen Ballance " .. S.S. "Gordon" Torpedo boat B 116 8 11 11 451 1 11 50 0 0 7 4 5 50 0 0 233 2 8 501 17 2 514 0 5 91 9 7 46 0 0 45 0 0 10 0 0 130 0 0 272 18 4 210 3 11 66 14 11 25 0 0 15,062 12 2 1,600 0 0 75 0 0 3 0 0 676 16 3 122 13 0 384 10 0 1,183 19 3 Ttem 45—Rifle-shooting competitions expenses,— Prizes.. Travelling-expenses Railway-fares for competitors 521 0 0 13 13 0 146 13 4 681 6 4 Item 46 —Special allowance to ex-Constable Packer, 1st April, 1901, to 31st March, 1902 39 10 10 Carried forward 31,078 17 10

Log in or create a Papers Past website account

Use your Papers Past website account to correct newspaper text.

By creating and using this account you agree to our terms of use.

Log in with RealMe®

If you’ve used a RealMe login somewhere else, you can use it here too. If you don’t already have a username and password, just click Log in and you can choose to create one.


Log in again to continue your work

Your session has expired.

Log in again with RealMe®


Alert