Page image
Page image

D.—l.

TABLE of Lengths of Government Lines Authorised, Constructed, and Surveyed up to 31st March, 1903— continued. SOUTH ISLAND.

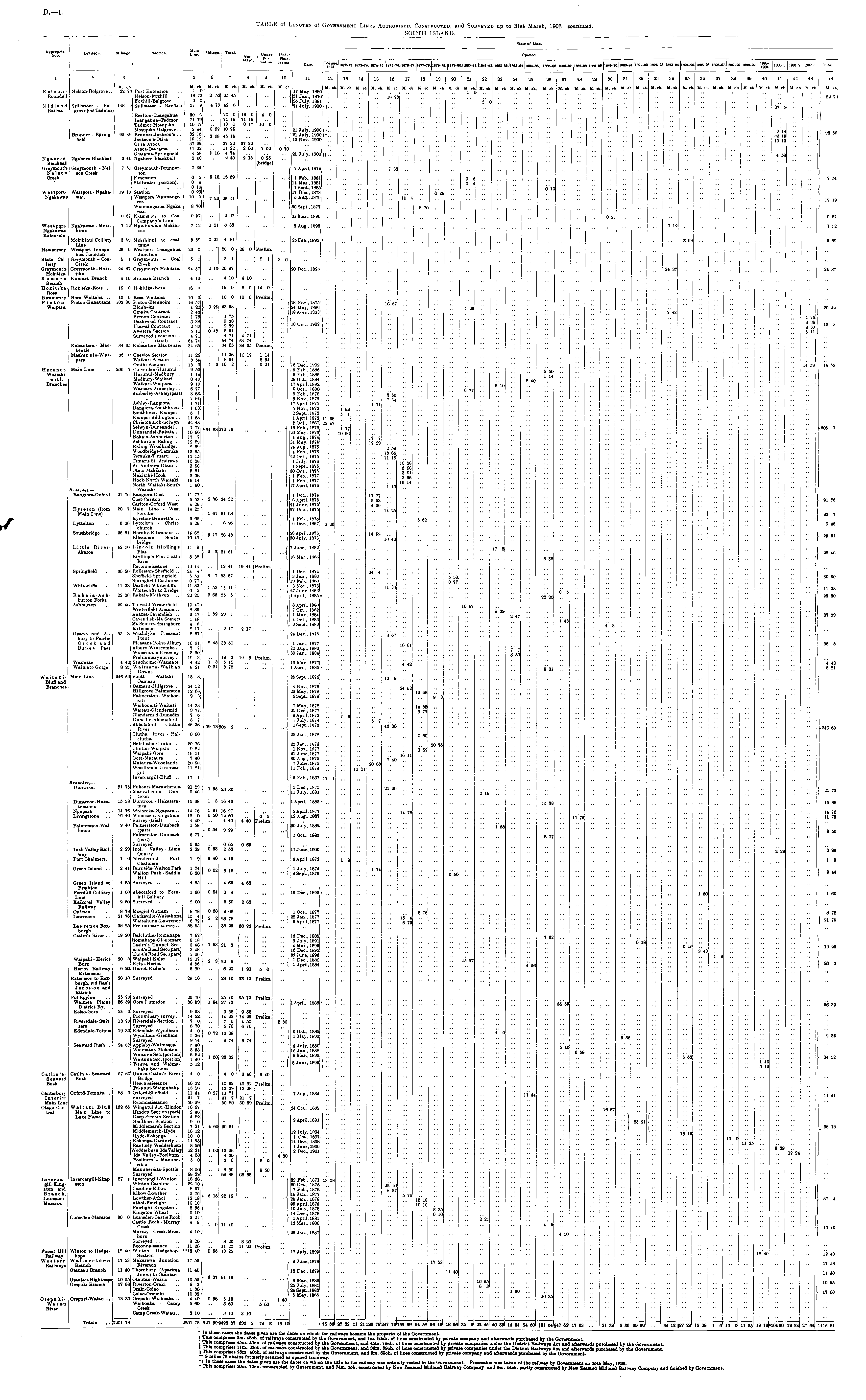
-.ppr-p-ia- Division. Mileage. Section. K™" _id.n E s. Total. „ . tion. i.i ne. g Qr _. n tier r ! Under Opened. | Plate- - — , . . _ . . a;.i!. K . DfM . [^ 2 De '1872-73.1873-7*. jl-74-75. 187.-7.. 1876-77.1877-78.1878-79. |l879-80.l 18-0-81. 1881-82. 1882-83.1883-84. 1884-85. 1885-88.11888-87 i i T L ~ " " "— 1° 11 12 13 14 15 j 16 17 18 19 20 21 22 23 24 25 26 27 l - M - ch - M. ch. M. ch. M. ch. M. ch. M. eh. M. oh J M. eh. M. eh. M. eh. M. ch. M. oh. M. eh. M. ch. M. eh M ch M. ch 17 May, 1880 . , . 10 .. ] 31 Jan., 1876 18 78 .. i { 25 July, 1881i ... 3 0 .. 21 July, 1900|t+ .! \] ',', 1 1 .'. I .. .-..--....... .. 21 July, 1900 \X '.'■ '.'. '.'. '.'. '.'. '.' '.'. '.'. ( 21 July, 1900'tf " 1 13 Hot., 19001 [\ .| " \\ 070 '.'. I '.'. 'Z ;; " ;; ;; " ; .. 21 July, 1900 tt '.. .. ,, ,. .. '.. '.'. >) 7 April, 1876 7 32 .. - 1 Feb., 1881 0 5 14 Mar., 1881 0 4. lSept.,1885 .... oiO 17 Dec, 1878 . .. 0 29 . 1 5 Aug., 1876 io 0 .'. .. \\ " 26Sept.,1877 8 70 .. 31 Mar., 1890 8 Aug., 1893 , .. 25 Feb., 1895 * 3 0 .. .. 20 Dec,1893 (18N 3 v.l8.'-5 . 16 :" "" . . ,. J 24 May, 18R0 .. ' 1 22 ( 18 April, 1893 .. \\ ." " " " '.] ■■ I 10 Oci., 1902 j '■ .. V, 16 Dec, 1902 9 Feb., 1886 .. A" m " 9 Feb., 1886 .. " " 1 14 " 28 Oct., 1884 .. g 40 17 April, 1882 .. 9" 10 " 6 Oct., 1880 .. Qrj-J 9 Feb., 1876 .. . 3' 63 '" 3 Nov., 1875 .. 7 64 " " " 17 April, 1875 .. 1 71 5 Nov., 1872 1 63 2 Sept., 1872 ..51 . " 1 April, 1872 H 68 . 2 Oct., 1867 22 43 - 15 Feb., 1873 .. 1 77 2'J May, 1873 .. 10 66 .. .. " '.'. ',', .'. " '.'. '.[ '.' 4 Aug., 1874 , 17 7 31 Mav, 1K76 .. " [. 19 29 '.' .. V. ■" 24Aug.,1875 2 59 " 4Feb.,1876 13 65 ' '■ 22 Oct., 1875 .. 11 15 ' 1 July, 1876 jq'28 " \\ " - \[ " " 1 Sept., 1876 .. o fi6 30 Oct., 1876 .. .. r. .-, IFeh., 1877 . ,, fi lEeb.,1877 .. .; .; .. *' ,6,4 .'. .. .. 17 April, 1876 .. . 1 40 State of Line. . 18H2-S3.1883-84. 1881-85. 1886-88. 1888-8 S. lPSS-si). 1892-63. 1893-94. .1987-! .1889-90 . 1890-91. Jl891-. .11894-96. . 1895-96.1896-97. 36 37 M. cli. M. ch. 1897-98.; 1868-99. 1899 1900. 1900-1. 1901-3. 190--3. TnUl. I 1 2 3 4 56789 U. oh. M. ch. M. ch. M. oh. M. ch. M. ch. Nelson- Nelson-Belgrove.. 22 78 Port Extension .. 1 0 1 Roundell Nelson-Poxhill .. 18 73 [ 2 52 25 45 Foxhill -Belgrove .. 3 Oj Midland Stillwater - Bel- 148 9 Stillwater - Reeftcn 1 37 9 4 79 42 8 Railwa grove (tiia Tadmor) Reefton-Inangahua j 20 0 .. 20 0 16 0 4 0 Inangahua-Tadmor 7119 .. 7119 7119 Tadmor-Motupiko .. ' 10 17 -. 10 0 0 17 10 0 Motupiko-Belgrove .. 9 44 0 62 10 26 Brunner - Spring- 95 49 Brui.ner-Jackson's .. 32 15 l „ fiR .. .. field Jackson's-O.i.a .. 10 12 J Otira Avoca .. 37 22 .. 37 22 37 22 Avoca-Otarama .. J1 22 .. 1122 2 60 7 52 01 ai am a-Springfield 4 58 0 16 4 74 Ngahere- Ngahere-Blackball 2 40 Ngabere-Blackball 2 40 .. 2 40 2 15 0 25 Blackball (bridge) Greymouth- Greymouth - Nel- 7 51 Greymouth-Brunner- 7 32 Nelson : son Creek ton Creek Extension .. 0 5 1- 6 18 13 69 Stillwater (portion).. 0 4 „ 0 10 Westport- Westport - Ngaka- 19 19 Station .. 0 29 1 Ngakawau wau : Westport-Waimanga- 10 0 ; 7 22 26 41 Waimangaroa-Ngaka- 8 70 ) 0 37 Extension to Coal 0 37 .. 0 37 Company's Line Westpqrt- Ngakawau-Moki- 7 12 Ngakawau-Mokihi- , 7 12 1 2i 8 33 Ngakawau binui nui Extension Mokihinui Colliery 3 69 Mokihinui to coal- 3 69 0 21 4 10 Line 1 mine Newsurvey Westport-Inanga- 26 0 Westpon-Inangabua 26 0 .. ' 26 0 26 0 Prelim. hua Junction Junction State Col- Greymouth - Coa) 5 1 Greymouth - Coal 5 1 .. 5 1 .. 2 1 liery Creek Creek Greymouth- Greymouth -floki- 24 37 Greymouth-Hokitika 24 37 2 10 26 47 Hokitika tika Kumara Kumara Branch 4 10 Kumara Branch .. 4 10 .. 4 10 4 10 Branch Hokitika- Hokitika-Ross .. 16 0 Hokitika-Ross .. 16 0 .. 16 0 2 0 14 0 Ross Newsurvey Ross-Waitaha .. 10 0 Ross-Waitaha .. 10 0 .. 10 0 10 0 Prelim. Picton- Picton-Kahautera 103 30 Picton-Blenheim .. 16 57 | Waipara . Blenheim .. 1 22 \ 3 26 23 68 Omaka Contract .. 2 43 ) Vernon Contract .. 1 75 .. 1 75 Dashwood Contract 3 38 .. 3 38 Utawai Contract .. 2 89 .. 2 39 Awatere Section .. 5 11 0 43 5 54 Surveyed (location).. 4 71 .. 4 71 4 71 „ (trinl) .. 64 74 .. 64 74 64 74 Kahautera • Mac- 34 65 Kahauterc-Mackenzie 34 65 .. 34 65 34 65 Prelim. kenzie Mackenzie-Wai- 35 0 Cheviot Section .. 11 26 .. 11 26 10 12 1 14 para Waikari St ction .. 8 54 .. 8 54 .. 8 54 Omihi Section .. 15 0 1 2 16 2 .. 0 21 Hurunui- Main Line .. 206 7 Culverden-Hurunui 9 50 Waitaki, Hurunui-Medbury .. 1 14 with Medhury-Waikari .. 8 40 Branches Waikari-Waipara .. 9 10 Waipara-Amberley .. 6 77 Amberley-Ash ley (part) 3 63 7 64 Ash ley-Rangiora .. 1 71 Rangiora-Southbrook l 63 Southbrook-Kaiapoi 5 1 Kaiapoi-Addington .. ll 68 Christchurch-Selwyn 22 43 Selwyn-Dunsandel .. l 77 L fil co-wri 7-, Dunsandel-Rakaia .. 10 66 b4 NJ-f- .0 Rakaia-Ashburton .. 17 7 Ashburton-Ealing .. 19 29 Ealing-Woodbridge.. 2 59 Woodhridge-Temuka 13 65 Temuka-Timaru .. 11 15 Timaru-St. Andrews 10 28 St. Andrews-Otaio .. 3 66 Otaio-Makikihi .. 3 61 Makikihi-Hook .. 3 36 Hook-North Waitaki 16 14 North Waitaki-South 1 40 Branvhee, — Waitaki Rangiora-Oxford 21 76 Eangiora-Cust .. 11 77 1 Cust-Carlton .. 5 53 [ 2 36 24 32 Carlton-Oxford West 4 26 ) Eyreton (from 20 7 Main Line - West 14 25) Main Line) Eyreton I 1 61 21 68 Eyreton-Bennett's .. 5 62 | Lyttelton .. 6 26 Lyttelton - Christ- 6 26 .. 6 26 church Southbridge .. 25 31 Hombv-Ellesmere .. 14 62 I „ „ „, , a Ellesmere - South- 10 49 J 3 ' ** 4b bridge Little River- 42 10 Lincoln-Birdling's 17 8") Akaroa Flat 1- 2 5 24 51 Birdling's Flat-Little 5 38 J River Reconnaissance .. 19 44 .. 19 44 19 44 Prelim. Springfield .. 30 60 Rolleston-Sheffield .. 24 4) Sheffield-Springfield 5 59 3 7 33 67 Springfield-Coalmine 0 77 ) Whitecliffs .. 11 3S Dai-ii..Id-Whitecliffs 11 33 I -, „ lq ,, Whitecliffs to Bridge 0 5. 1B X1 Ra kai a-Ash- 22 20 Rakaia-Methven .. 22 20 2 65 25 5 burton Forks Ashburton .. 29 46 'i'imvakl-We_tei_ie_d 10 47' Westerfield-Anama .. 8 39; Auama-Cavendish .. 2 47 1 52 29 1 Cavendish-Mt. Somers 1 48 Mt-Soint'i-s-Spriiigburn 4 8 , Extension .. 2 17 •■ 2 17 2 17 Opawa ftnd Al- 55 8 Washdyke - Pleasant 8 67 \ bury to Fairlie Point Creek and Pleasant Point-Albury 16 61 2 45 38 50 Burke's Pass Albury-Win scorn be .. 7 7 Winscombe-Eversley 3 30 / Preliminary survey.. 19 3 .. 19 3 19 3 Prelim. Waimate .. 4 42 Studholme-Waimate 4 42 1 3 5 45 Waimate Gorge 8 21 Waimate-Waihao 8 21 0 54 8 75 Downs Waitaki- Main Line .. 246 69 South Waitaki - 18 8' Bluff and Oamaru Branches Oamaru-Hi 11 grove .. 24 52 Hillgrove-Palmerston 12 68 Palmerston-Waikou- 9 3 aiti Waikouaiti-Waitati 14 33 Waitati-Glendermid 9 77 Glen derm id-Dunedin 7 6 Dunedin-Abbotsford 5 7 Abbotsford - Clutha 46 36 Im,,--,. „ River f 0y 1B306 l Cluthft River - Bal- 0 60 clutha Balclu-ha-Clin-on .. 20 76 Clinton-Waipahi .. 9 62 Waipahi-Gore .. 16 11 Gore-Mfttaura .. 7 40 Mataura-Woodlands 20 68 Woodlands - In verc ar- 11 21 gill Invercargill-Bluff ,. 17 1 . Branches, — Duntroon .. 21 ... F'ul_<:iiri-M.ira\vli-__ua 21 29 I , qe o 0 or , Marawhenua - Dun- 0 46 ) 1 a0 2d 60 troon Duntroon-Haka- 15 38 Duntroon - Hakatera- 15 38 1 5 16 43 teramea moa Ngapara .. 14 76 Waiaivka-Ngapara,. 14 76 1 31 16 27 Livingstone .. 16 40 Windsor-Livingstone 12 0 0 50 12 50 .. 0 5 Survey (trial) .. 4 40 .. 4 40 4 40 Prelim. Palmerston-Wai- 9 40 Palmerston-Dunback 1 58 ] hemo (part) [• 0 54 9 29 Pal mers ton-Dun back 6 77 j (part) Surveyed .. 0 65 .. 0 65 0 65 Inch Valley Rail- 2 29 Inch Valley - Lime 2 29 0 23 2 52 way Quarry Port Chalmers.. 1 9 Glendermid - Port 1 9 S 40 4 49 Chalmers Green Island .. 2 44 Burnside-WaltonPark 1 74 1 n *,, „ 1R Walton Park-Saddle 0 50) 6 lb Hill Green Island to 4 65 Surveyed .. .. 4 65 .. 4 65 4 65 Brighton Fernbill Colliery 1 60 Abbotsford to Fern- 1 60 0 24 2 4 Line hill Colliery Kaikorai Valley 2 60 Surveyed .. .. 260 .. 260 260 Railway ' Outram .. 8 78 Mosgiel-Outram .. 8 78 0 68 9 66 Lawrence .. 21 76 Clarksville-Waitahuna 15 4 1 9 „ _„ -._ Waitahmm-Lftwrence 6 72 f 3 ' a Lawrence-Rox- 38 25 Preliminary survey.. 38 25 .. 38 25 38 25 Prelim. burgh Catlin's River .. 19 20 Balclutlia-Romahapa 7 62 Romahapa-Ulei.omaru 6 18 Catlin's Tunnel Sec. 0 46 ■ 1 63 21 3 - .. Hunt'sRoadSeo.(part) 3 48 Huiit'sRoadSec.(part) 1 06 Waipahi - Heriot 20 3 Waipahi-Kelso .. 15 27 „ o -,-, ,. Burn Kelso-Heriot .. 4 56 f Ji b Heriot Railway 6 20 Henot-Eadie's .. 6 20 .. 6 20 120 5 0 Extension Extension to Rox- 28 10 Surveyed .. 28 10 .. 28 10 28 10 Prelim, burgh, vid Rae's Junction and Ettrick Vid Spylaw .. 25 70 Surveyed .. 25 70 .. 25 70 25 70 Prelim. Waimea Plains 36 39 Gore-Lumsden .. 36 89 1 34 37 73 District Ry. Kelso-Gore .. 24 0 Surveyed .. 9 58 .. 9 58 9 58 Preliminary survey.. 14 22 .. 14 22 14 22 Prelim. Riversdale- Swit- 13 70 Riversdale Section .. 70 .. 70 4 50 zers Surveyed .. 6 70 .. 6 70 6 70 Edendale-Toitois 19 30 Edendale-Wyndham 4 0 1 -. „„ 1A 00 Wyndham-Glenham 5 36 f U 1J 10 iB Surveyed .. 9 74 .. 9 74 9 74 Seaward Bush.. 24 52 Appleby- Waimatua 5 40 \ . Waimatua-Mokotua 5 58 Waitur. a Sec. (portion) 6 62 I . „ ,. „ ] Waituna Sec. (portion) 1 40 ' ou m ~\ .. Titiroa and Waima- 5 12 .. haka Sections j { Catlin 's- Catlin's- Seaward 57 60 Owaka Catlin's River 4 0 .. 4 0 0 40 3 40 Seaward Bush Bridge Bush Reconnaissance .. 40 32 .. 40 32 40 32 Prelim. Tokanui-Waimahaka 13 28 .. 13 28 13 28 Canterbury Oxford-Temuka .. 83 0 Oxford-Sheffield .. 11 44 0 27 11 71 Interior Surveyed .. 21 7 .. 21 7 21 7 Main Line Reconnaissance .. 50 29 .. 50 29 50 29 Prelim. Otago Cen- Waitaki Bluff 182 56 Wingatui Jet.-Hindon 16 67 , .. tral Main Line to Hindon Section (part) 2 48 \ Lake Hawea Deep Stream Section 4 22 Nenthorn Section ..90 Middlemarch Section 7 31 V 4 60 90 54 ■ Middlcmarch-Hyde 16 12 Hyde-Kokonga 10 0 Kokongft-Ranfurly 11 25 Ranfurly-Wcdderburn 8 29 / V ,, Wedderburn-IdaValley 12 24 1 02 13 26 Ida Valley-Poo-bura 4 30 .. 4 80 Pool-urn - Manuhe- 3 0.. 3 0 .. 3 0 rikia Manuhenkia-Spottis 8 50 .. 8 50 .. 8 50 Surveyed .. 68 38 .. 68 38 68 38 Invercar- Invercargill-King- 87 4 Invercargill-Winton 18 58, gill-King- ston Win ton-Caroline .. 22 10 »ton and Caroline-El bow .. 8 27 ' Branch, Elbow-Lowther .. 5 76 1 - ,. Q0 1Q Lumsden- Lowther-Athol .. 13 IS f ° 10 9J ly Mararoa Athol-Pairlight .. 10 10 Fairlight-Kingston .. 8 35 Kingston Wharf .. 0 10 ' Lumsden-Mararoa 30 0 Lumsden-Castle Rock 2 21 \ Castle Rock-Murray' 4 9 I . ft ,, .- Creek r 1 0 11 40 Murray Creek-Moss- 4 10 ) burn Survoyed .. .. 8 20 .. 8 20 8 20 Reconnaissance .. 11 20 .. 11 20 11 20 Prelim Forest Hill Winton to Hedge- 12 40 Winton - Hedgehope **12 40 0 65 13 25 Railway hope Station Western Wallacetown 17 53 Makarewa Junction- 17 53, Railways Branch Riverton J Otautau Branch 11 40 Thornbury (Aparima 11 40 June.) to Otautau I R „.. , Otautau-Nightcaps 10 55 Otautau-Wairio .. 10 55 f " 3 ' b4 13 Orepuki Branch 17 68 Riverton-Oraki .. 6 3 I Oraki-Colac .. 1 30 Colac-Orepuki .. 10 35 / Orepuki- Orepuki-Waiau .. 13 30 Orepuki-Waihoaka .. 4 40 0 58 5 18 Waiau Waihoaka - Camp 5 60 .. 5 60 .. 5 60 River Creek Camp Creek-Waiau.. 3 10 .. 8 10 3 10 Totals .. 2201 78 .. 2201 78 221 39 2423 37 696 2 74 2 28 M. ch. 29 M. oh. 30 M. ch. 31 M. ch. 32 M. u h. 33 34 M. ch. M. ch. 35 M. oh. 38 39 M. ch M. oh. :: i :: 40 M. eh. 41 42 43 44 M. ch. M. ch. M. ch. M. ch. :; " '.'. j 37 9 ■■ 82 16 " " " 58 10 12 ■• 4~58 ■■ 7 51 19 10 0 37 7 12 3 69 I 0 37 7 12 3 6! 24 37 24 37 '.'. 243 .. '■'■ •■ 20 42 ■ ;; SIS 13 3 5111 HuianuiWaitaki, with Branches .270 75 [] '.'. 14 59 14 59 '.'. '.'. .. [-206 7 :: :: :: . ■206 7 Branches,— Rangiora-Oxford 21 76 ( 1 Dec, 1874 .. n 77 .. 6April,1875 5 53 .'. { 21 June, 1875 .. 4 26 27 Dec, 1875 14 25 !! '.'. '.'. .'. '.'. ','. " \ 1 Feb., 1878 .. .. 5 6 2 .. 9 Dec, 1867 6 26 .. " .. \\ .. [\ .. .. .. '■'■ [ 31 76 '.'. '■'. '■'■ t \ 20 7 21 76 Eyreton (from 20 7 Main Line) 20 7 Lyttelton .. 6 26 .. I .- •■ . '.. .. •• 6 26 ■ ■ . 6 26 6 26 Southbridge .. 25 31 j 26 April. 1875 14 62 '• 130 July, 1875 10*49 '.'. '■'■ '■'. '.'. '.'. '.'. V. '.'. f 7 June, 1882 _ 17 8 .. * ■ I 25 31 *' I 25 31 25 31 Little River- 42 10 Akaroa L 16 Mar., 1886 5 38 .. 22 46 V 22 46 Springfield .. 30 60 [ 1 Dec, 1874 24* 4 " .. 3 Jan., 1880 .. .. " .' .. 5 59 I 10 Feb., 1P80 0 77 f 3 Nov., 1875 " " ii'33 " ■' 1 27 June, 1686 0 * 5 .. lAprii, 1885... :; ;; .. ;; ;; ;; ;; ;; ;; ;; ;; ;; ;; 22 ' 2 o .. 8 April, 1880 . k, 47 7 Oct., 1882 ;: ;; tVao " v. " v. .. 1 Mar., 1684 . A.„ 4 Oct., 1886 .. .. ' i - 4 8 9 Sept.,1889 \\ \\ .. .. \\ \\ \\ 24 Dec, 1875 \\ \\ \\ \\ 867!! ■■ ■• ■■ ■■ '.'■ '.'■ .. '.'■ '.'. .. .'. V. '■'■ 30 60 " .. L 30 60 30 60 Whitecliffs .. 11 38 Rakaia-Ash- 22 20 burton Porks Ashburton .. 29 46 ■■ f 11 38 .. .. ■■ 22 20 ■' | 11 38 \[ .. 22 20 11 38 22 20 8 3. " !! 27 29 27 29 Opawa and Al- 55 8 bury to Fairlie Creek and Burke's Pass 1 5S 4' 8 .. i .. •• 27 29 ■' .. 27 29 2 45 ... 1 Jan., 1877 16 6 i 22 Aug., 1883 " " 7' 7 " 1 30 Jan., 1884 [ .. \\ " .. \\ " \\ \\ .. \\ " \[ 3 30 !! '.'. '.'. '.'. 19 Mar'., 18771 " ',' /ao. .. 1 April, 1885* .. ;; __ .. .. .. „ " ;; ;; " g' 2 i " 25 Sept., 1875 13 8.. 4 Nov., 1876 24 52 22 May, 1878 .. \\ \. .. " '.'. .. '.'. '.' '.'. '.'. 6 Sept., 1878 .. _ _ .. 93 _ t , 7May,1878 1433 20 Dec, 1877 9 77 9April, 1873 7* 6 " 1 July, 1874 5 7 ___! isept.,1875 .. ;; ;; .. 4e' 3 6 " '.'. .. .. '.'. '.'. '.'. ;; ',', ;; " 22 Jan., 1878 .. q 60 36 6 36 5 4 42 '.'. ■ ■ 8 21 36 6 Waimate .. 4 42 Waimate Gorge 8 21i i 3 0 54 4 42 '.'. '.'. ■■ 8 21 4 42 8 21 Main Line .. 246 69 WaitakiBluff and Branches L246 I..I ■ 59 13 306 2 ■ 246 69 69 22 Jan., 1879 ..20 76 1 Nov., 1877 9 62 21June,1877 .. [[ || .. " £ u .. .. .. |. " \\ [[ \\ [\ \\ 30 Aug., 1875 .. .. .. .. 740 7 June, 1875 ' 20 68 11 Feb., 1874 .. ., 11 21 .. '.'. '.'. .'. '.'. '.'. '.'. '.'. '.'. .'. 1121 5 Feb., 1867 17 1 f lDec.,1875 2 1 29 " |ll July, 1881 0 46 046 " | 21 75 •M .. lAprii, 1885* 16 3 9 ,. 15 38 o'*5 Prelim. 2 April, 1877 .. . .. 14 76 .. 12 Aug., 1887 ; .; ,. ;; ,. " " " ( 30 July, 1882 \\ \\ \\ \\ \\ " " " \\ " " i' 58 [] \\ \\ \\ "\ 1 Oct., 1885 677 '.'. 11 June, 1900 " " * \ " \[ " \\ " " " " " " " " " ••{ 1 58 .. ii 75 14 76 11 75 I 8 55 " .. 2 29 .. 19 '■ | 2 44 2 29\ 9 April 1873 .. 19 j 1 July, 1874 1 74 " \ 4 Sept., 1879 .. \\ " ,, .. 0 50 '.'. '.'. '.'. '.'. '.', '.', " ••{ 1 7. 6'( .. 19 Dec, 1895* 1 60 .... 1 60 Prelim. 1 Oct., 1877 8 78 (22 Jan., 1877 .. . .. .. 15 4 '• 1 2 April, 1877 6 72 : -'{ 8 71 8 78 ■' i 21 76 21 3 .. 15 Dec, 1885 7 52 9 July, 1891 4 Mar., 1895 .. 16 Dec, 1895 .. 22 June, 1896 " [ 1 Dec, 1880 ' 15 27 "1 lApriJ,1884 " 456 " _' ■■{ 4 56 611 6 41 3 48 i '.'. .. [ 19 20 " t 20 3 22 6 6 20 5 0 28 10 Prelim. 25 70 25 70 37 73 Prelim. .. lAprii, 1886* .'. " '.', y. .; " z y, .\ .. ;; ;; " ;; ;; 3 e'39 9 58 9 58 14 22 14 22 7 0 4 50 6 70 6 70 10 28 9 74 9 74 Prelim. 2'jio '.'. V. y, \\ \\ ;; \\ \\ \\ " " " " \\ " ;; f 9 Oct.", 1882 \\ " \\ ,\ " " " " 4" 0 " ■" [ 1 May, 1890 " .. \\ '\ ( 9 July, 1886 .'. '.[ .'. " 5'4 0 .. \ 16 Jan., 1888 [ 6 Mar., 1895 ]\ " \\ \\ \\ " " I 8 June, 1899 j 2*30 36 39 5 i 5*36 _ '.'. ■ - 36 39 '.'. .. 24 52 26 22 - 4 0 0 40 "I 540 "1 •• 1 ■ ■ t 6 6! 1 40 5 12 .. 1 40 5 12 I ■ Catlin'sSea» ar d Bush 3 40 Canterbury Interior Main Line Otago Central 40 32 40 32 13 28 13 28 11 71 21 7 21 7 50 29 50 29 Prelim. Prelim. 7 Aug., 1884 .'. " .'. .'. \\ " \\ ',', \\ " \\ \' m \\ ii'44 " " .. 24 Oct., 1889 " " " " \\ \\ \\ " \\ \] ]' m [\ \\ " I" " 9 April, 1891 J .. 12 July, 1894 .'. '.' " 1 Oct., 1897 .. 14 Dec,1898 1 June,1900 2 Dec, 1901 4 30 .. " li'44 ii 44 ;; .. -| " _ 98 18 1224 .'. "■ J- 87 4 " I 10 40 90 54 13 26 4 30 3 0 3"o 16*67 =1 ■ 23 21 J *" 23 21 J *' 16 li 1 10 0 1 02 13 26 1 .. 4 30 ■ 3 0 _".o ii': '.'. 829 '.'. 12 24 I .. 8 50 i .. 68 38 68 38 8 50 68 38 68 38 8 50 f 22 Feb., 1871 18 58 20 Oct., 1875 22 10 7 Feb., 1876 8 27 15 Jan., 1877 5 76 . ■' 1 28 Jan., 1878 13 18 29 April, 1878 10 10 10 July, 1878 8 35 .'. " .'. 14 Dec, 1878 .. 0 10 ( 1 April, 1881 2 21 j 13 Mar., 1886 '/. " " 4*9 " 22 10 .. 8 27 .. 5 76 .. 13 IS 10 10 Invercar-gill-King- » ton and Branch, Lumsdei.Mararoa In verc argil 1 - K in gston L um s d en -Mararoa I I 5 15 92 19 -I 8*35 0 10 i l '.. .. | .. 1 0 11 40 J i a'ai Forest Hill Railway Western Railways Winton to HedgeWallace town Branch Otautau Branch 8 20 8 20 11 20 11 20 0 65 13 25 8 20 11 20 ( 22 Jan., 1887 .. 4 i 0 !! 17 July, 1899 '.'. '.'. .'. '.'. " " ',', '.'. ." " " " " " " '[ 4 10 1240 '.'. '.'. 12 40 Orepu kiWa i au River O t autau-N i glit cap_ Orepuki Branch V 6 37 64 13 0 58 5 18 5 60 8 10 3 10 221 39 2423 37 696 2 4 40 , 9June,1879 1753 I 15 Dec, 1879 ll 40 3 Mar., 1882 10 55 25 July, 1881 6 3 24Sept.,1883 .. 1 30 5 May, 1885 \\ 16'35 ." 4 40 .. ■ 15 10 .. 76 36i 27 62 11 21126 78 247 72152 39 94 58 56 46 18 66 35 2 22 45 40 35 14 34 24 60I 191 54 547 62 17 53 11 40 10 55 6 3 i'_ io". t5 28 1 6 10 0 i 19 12*10436 12 24 17 53 11 40 10 55 .'. .. [ 17 68 Orepuki-Waiau .. 5 - 60 Totals i 74 . 15 10 18 66 i §47 62 1 21 32 5 36 29 39 ! .. 12 24 27 62 1416 64 11 21 126 7t 1247 7S .152 14 34 .91 17 34 1! '||27 11 27 6_ * In these cases the dates + This comprises 3m. 48cl ; This comprises 45m. 55< g This comprises 11m. 23i !| This comprises 23m 40i "" 9 miles 76 chains form tt In these cases the dats - This oomprises 20m. 70. > given are the dates on which h. of railways constructed by t ch. of railways constructed by ch. of railways constructed by teh. of railways constructed by lerly returned as opened tram. es given are the dates on whic) ch. constructed by Governmen the railways becai the Government, a. the Government, the Government, ' the Government, way. __ the title to the t it, and 74m. 2ch. c a the property of the Governc 1 lm. 60ch. of lines construct id 45m. 79ch. of lines const-H-id 36m. 39ch. of lines constru ad 3m. 69ch. of lines construe .lent. ;ed by private icted by priva icted by privs c ted by prival com] itc CO ly and lanies i lanies i _ny ani mder I aftei ,he Di_ he Dis .vards ] xhased by the Government. riot Railways Act and afterwards pi cict Railways Act and afterwards pi irohased by the Government. rchased by the Government .chased by the Government .te com] ; e compi Iway was actually vested in t letruoted by New Zealand Mi the Govern mt id land liaihvi mt. Pc ty Comj id 9m .Liken ( 44ch. the railway by Government on 25tl artly constructed by New Zealand ] May, 1895. lidland Railway Company i id finished by Government.

Log in or create a Papers Past website account

Use your Papers Past website account to correct newspaper text.

By creating and using this account you agree to our terms of use.

Log in with RealMe®

If you’ve used a RealMe login somewhere else, you can use it here too. If you don’t already have a username and password, just click Log in and you can choose to create one.


Log in again to continue your work

Your session has expired.

Log in again with RealMe®


Alert