Page image
Page image

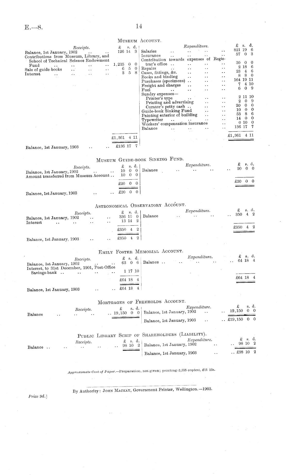
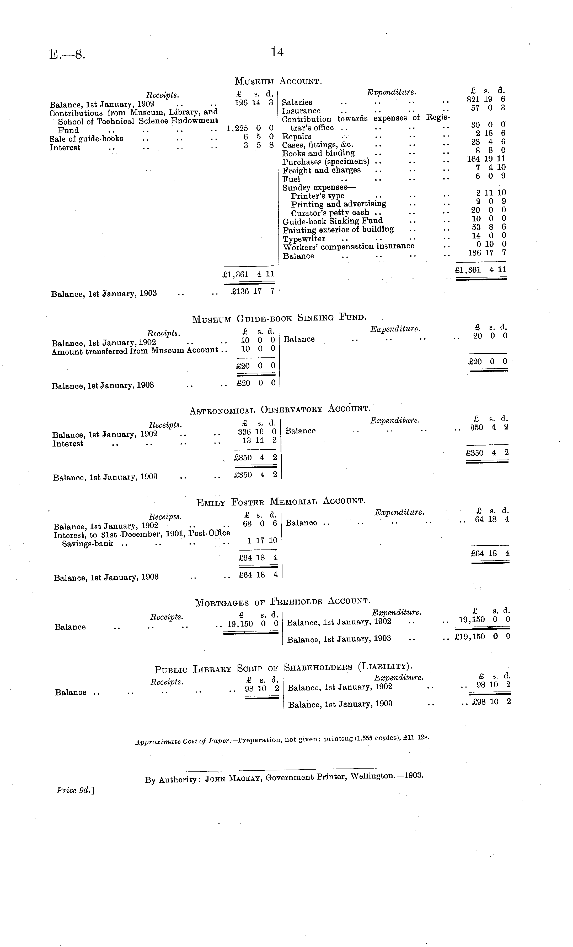
E.—B.

Museum Account.

Receipts. £ s. d. Balance, Ist January, 1902 .. .. 126 14 3 Contributions from Museum, Library, and School of Teohnical Science Endowment Fund .. .. •• •• 1.225 0 0 Sale of guide-books .. .. •• 65 0 Interest .. •*• • • •• 3 5 8 £1,361 4 11 Balance, Ist January, 1903 .. .'. £136 17 7

Expenditure. £s. d. Salaries 82119 6 Insurance .. .■•••• 57 0 d Contribution towards expenses of Registrar's office .. .. •• •• 30 0 Repairs .. .. •• •• JlB b Cases, fittings, &c. .. •• • ■ 2 j> * ° Books and binding .. •• •• ,„ " , Purchases (specimens) .. .. •• t a\n Freight and oharges .. •••• ZJ D Fuel .. •■ .•• •• 60 9 Sundry expenses— Printer's type .. •■•• „i q Printing and advertising .. •• 0 J Curator's petty cash .. .. ••20 0 U Guide-book Sinking Fund .. ••10 0 0 Painting exterior of building .. ■ • inn Typewriter .. nin 0 Workers' compensation insurance .. ulu " Balance .. •• •• •• 136 17 7 £1,361 4 11

Museum Guide-book Sinking Fund.

Receipts. £ s - d. Balance, Ist January, 1902 .. • • 10 0 0 Amount transferred from Museum Account .. 10 0 U £20 0 0 Balanoe, Ist January, 1903 .. .. £20 0 0

Expenditure. &s- d. Balance . 20 0 0 £20 0 0

Asteonomical Obseevatoey Account.

Receipts. £ s - 3. Balance, Ist January, 1902 ".. . • 336 10 0 Interest .. •• •■ •• 13 14 2 £350 4 2 Balance, Ist January, 1903 .. • • £350 4 2

Expenditure. £s. d. Balance .. •• ■• •■ 350 4 2 £350 4 2

Emily Fostek Memobial Account.

Receipts. £ s - <*• Balanoe, Ist January, 1902 .. .. 63 0 6 Interest, to 31st December, 1901, Post-Office Savings-bank .. .. •• •• xl 710 £64 18 4 Balance, Ist January, 1903 . • .. £64 18 4

i Expenditure. £s. d. Balance .. 6 * 18 i £64 18 4

Mobtgages of Fbebholds Account.

Receipts. £ s> d. Balance 0 0

Expenditure. £s. d. Balance, Ist January, 1902 .. .. 19,150 0 0 Balance, Ist January, 1903 .. •■ £19,150 0 0

Public Libeaey Scbip of Shabeholdees (Liability).

Receipts. £ s - d. Balance g ß ,^

Expenditure. £s. d. Balance, Ist January, 1902 .. •■9B 10 2 Balance, Ist January, 1903 .. .. £98 10 2

Approximate Cost of Paper.-Preparation, not given; printing (1,555 copies), £11 12s.

By Authority: John Maokay, Government Printer, Wellington.—l9o3. Price 9d.]

14

Log in or create a Papers Past website account

Use your Papers Past website account to correct newspaper text.

By creating and using this account you agree to our terms of use.

Log in with RealMe®

If you’ve used a RealMe login somewhere else, you can use it here too. If you don’t already have a username and password, just click Log in and you can choose to create one.


Log in again to continue your work

Your session has expired.

Log in again with RealMe®


Alert