Page image
Page image

18

H.—ll

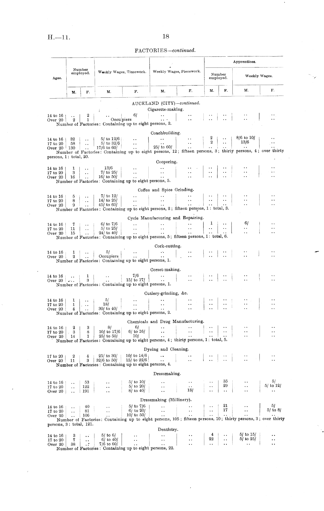
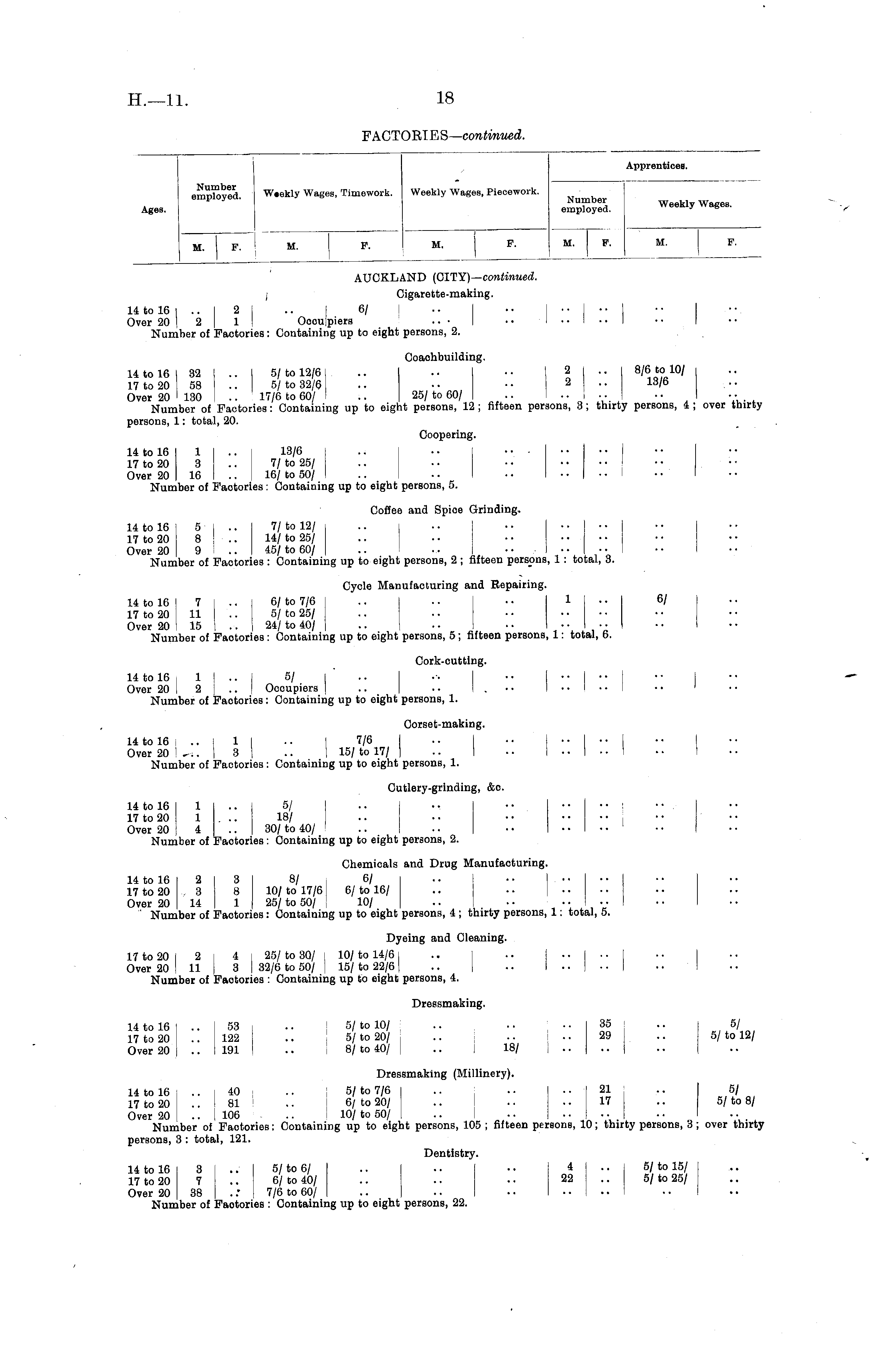
FACTORlES— continued. Apprentices. emrJoved W.ekly Wages, Timework. Weekly Wages, Piecework. Ages. ' Weekly Wages. M. F. ' M. P. M. P. M. F. M. F. AUCKLAND (ClTY)—continued. j Cigarette-making. 14 to 16 .. I 2 .. 6/ Over 20 2 | 1 Ooou piers .. • • • • ■ • • • • I Number of Factories : Containing up to eight persons, 2. Coaohbuilding. 14 to 16 132 .. 5/to 12/61 .. ■• •• I 2 ..I 8/6 to.lo/ 17 to 20 58 .. 5/ to 32/61 • ■ • • 2 .. ld/o Over 20 130 .. 17/6 to 60/ ' .. 25/ to 60/ .. ... .. .. ■• Number of Factories: Containing up to eight persons, 12 ; fifteen persons, 3; thirty persons, 4 ; over thirty persons, 1: total, 20. Coopering. 14 to 16 1 .. 13/6 I .. .. 17 to 20 3 .. 7/ to 25/ Over 20 16 .. 16/ to 50/ Number of Faotories: Containing up to eight persons, 5. Coffee ana Spioe Grinding. 14 to 16 5 .. J7/ to 12/ .. i 17 to 20 8 .. 14/ to 25/ Over 20 9 ■.. | 45/ to 60/ .. • • Number of Factories : Containing up to eight persons, 2 ; fifteen persons, 1 : total, 3. Cycle Manufacturing and Repairing. 14 to 16 7 6/to 7/6 I .. .. •• 1 .. 6/ 17 to 20 11 .. 5/ to 25/ Over 20 115 .. 24/ to 40/ i .. .. ■ • ■ • • • Number of Faotories : Containing up to eight persons, 5 ; fifteen persons, 1: total, b. Cork-cutting. 14 to 16 I 1 j.. 5/ .. .-. • • • • • • • • I Over 20 2| .. Ocoupiers .. .. . • • • • • • • • ' Number of Faotories: Containing up to eight persons, 1. Corset-making. 14 to 16 1 .. 7/6 Over 20 . 3 .. 15/ to 17/ Number of Factories : Containing up to eight persons, 1. Cutlery-grinding, &o. 14 to 16 1 .. 5/ .. . . ■■ • • •• i 17 to 20 1 ... 18/ Over 20 4 .. 30/ to 40/ Number of Factories : Containing up to eight persons, 2. Chemicals and Drug Manufacturing. 14 to 16 2 3 8/ 6/ .. .. I .. .. 17 to 20 3 8 10/ to 17/6 6/ to 16/ Over 20 14 1 25/ to 50/ 10/ ' Number of Factories: Containing up to eight persons, 4 ; thirty persons, 1: total, 5. Dyeing and Cleaning. 17 to 20 2 4 25/ to 30/ ! 10/ to 14/6 .. I Over 20 11 3 32/6 to 50/ | 15/ to 22/6 .. .. .... Number of Factories : Containing up to eight persons, 4. Dressmaking. 14 to 16 1..1 53 .. 5/ to 10/ .. .. • • 35 .. 5/ 17 to 20 .. 122 .. 5/ to 20/ .. .. • • 29 .. 5/ to 12/ Over 20 i .. I 191 .. 8/ to 40/ .. 18/ Dressmaking (Millinery). 14 to 16 i .. 40 .. 5/ to 7/6 .. .. .. 21 .. 5/ 17 to 20 ! .. 81 .. 6/ to 20/ .. .. .. 17 .. 5/ to 8/ Over 20 ! .. ! 106 .. 10/ to 50/ Number of Faotories: Containing up to eight persons, 105 ; fifteen persons, 10; thirty persons, 3 ; over thirty persons, 3 : total, 121. Dentistry. 14 to 16 3 1.. 5/to 6/ .. .. .. 4 •• 5/to 15/ 17 to 20 7! .. 6/ to 40/ .. .. .. 22 .. 5/ to 25/ Over 20 38 I.: 7/6 to 60/ .. .. .. • • • • ■■ I Number of Faotories : Containing up to eight persons, 22.

Log in or create a Papers Past website account

Use your Papers Past website account to correct newspaper text.

By creating and using this account you agree to our terms of use.

Log in with RealMe®

If you’ve used a RealMe login somewhere else, you can use it here too. If you don’t already have a username and password, just click Log in and you can choose to create one.


Log in again to continue your work

Your session has expired.

Log in again with RealMe®


Alert