Page image
Page image

40

H.—ll

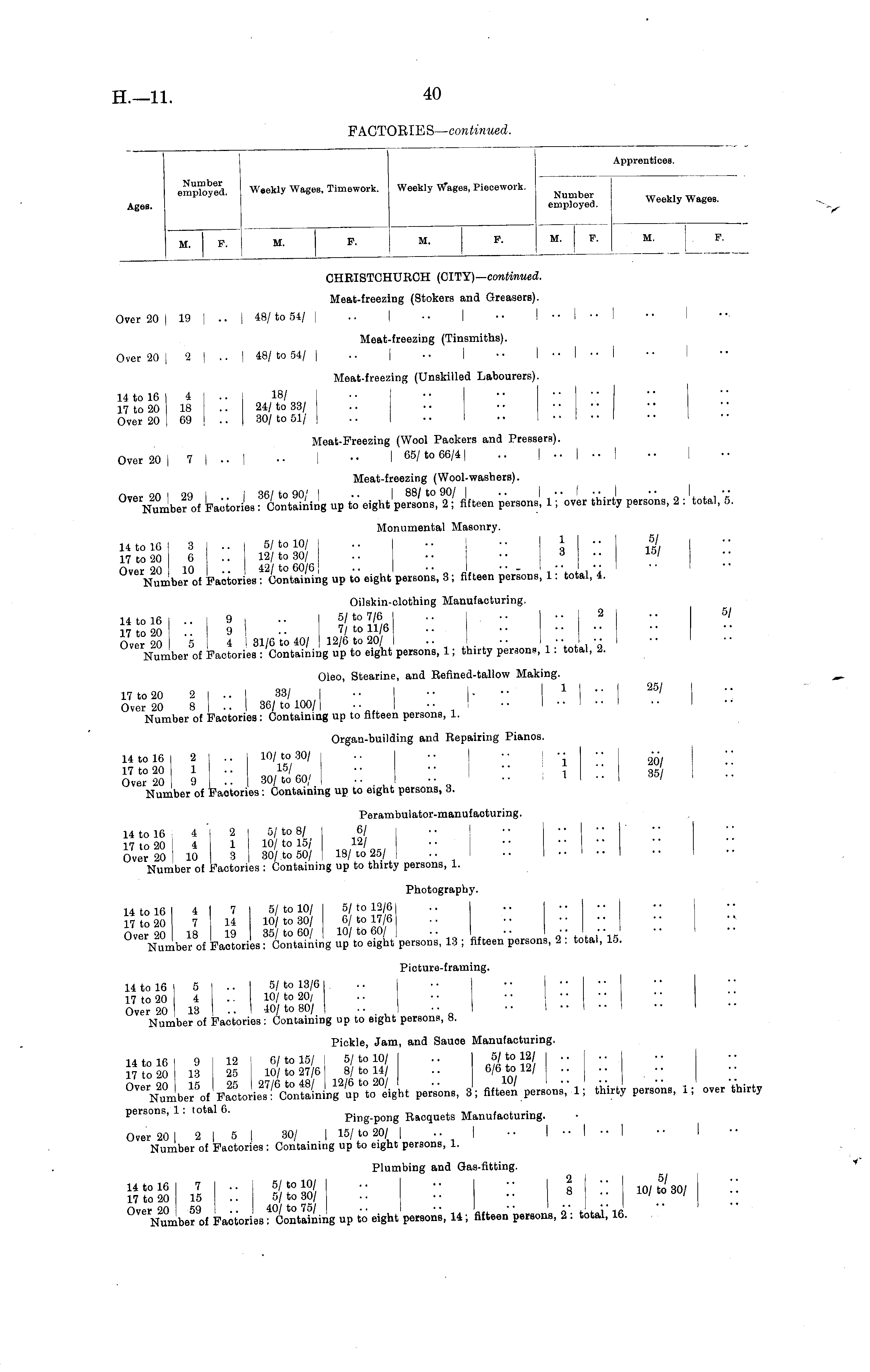
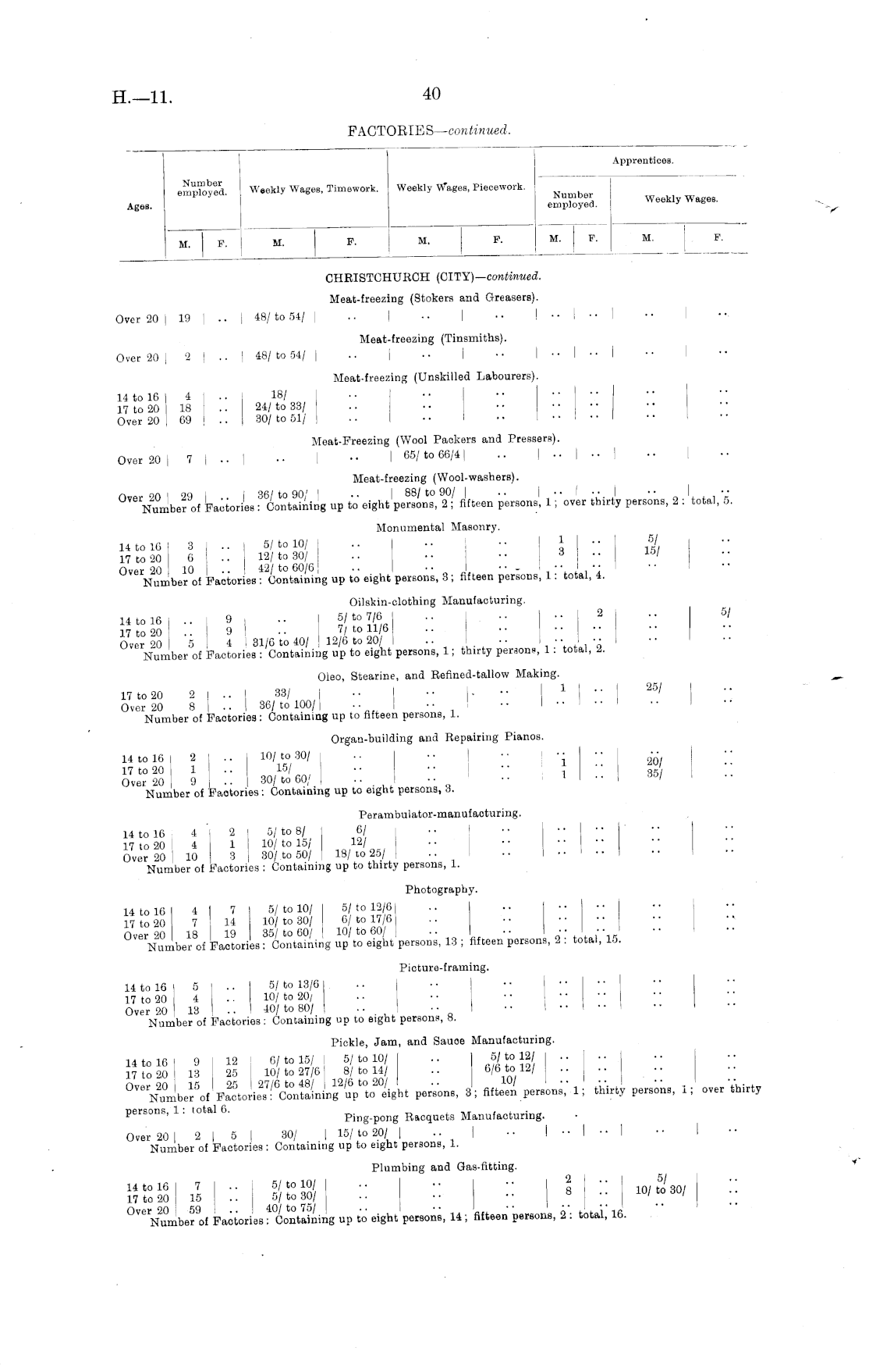
FAOTOElES— continued. Apprentices. employed. Weekly Wages, Timework. Weekly Piecework. Ages. employed. Weekly Wages. !M. F. M. P. M. F. M. P. OHEISTCHURCH (ClTY)— continued. Meat-freezing (Stokers and Greasers). Over 20 1191 .. I 48/ to 54/ I .. | ■ ■ • • I • • Meat-freezing (Tinsmiths). Over 20 J2J .. I 48/ to 54/ I .. | •• I •• I •• I•• I Meat-freezing (Unskilled Labourers). 14 to 16 4 18/ 17 to 20 18 .. 24/ to 33/ Over 20 69 !.. 30/ to 51/ Meat-Freezing (Wool Packers and Pressers). Over 20 I 7 |'.. I ■• I •• I 65 / to 66 / 4 1 » I •■ I •• I •■ I Meat-freezing (Wool-washers). FaeiorL up to eight L~ P-sons', 1 \ "over ihiriy person,, 2 : 'total, 5. Monumental Masonry. HtolG 8 .. 5/to 10/ .. •• •• I ■■ X 17 to 20 6 .. 12/ to 30/ .. •• •• 3 •• "' ' OVer N 2 umber o of Factoriesf Containing up to eight persons, 3; fifteen persons, 1: total, 4. Oilskin-clothing Manufacturing. 14 to 16 .. 9 •• 5/to 7/6 .. 2 .. 6/ 17 to 20 .. 9 • • 7 / t0 11 / 6 Over 20 5 4 1 31/6 to 40/ j 12/6 to 20/ .. ■• "., \; Number of Factories : Containing up to eight persons, 1; thirty persons, 1 ; total, 2. Oleo, Stearine, and Refined-tallow Making. 17 to 20 2 .. I 33/ .. •• |. •• X •■ 25 ' Over 20 8 .. I 36/ to 100/ .. •• Number of Factories : Containing up to fifteen persons, 1. Organ-building and Repairing Pianos. 14 to 16 2j.. 10/ to so/1 :: - i :: m :: 17 to 20 1 •■ 15 / • ■ • • '" 1 35/ Over 20 9 .. 30/ to 60/ | .. •■ * •• is ' Number of Faotories: Containing up to eight persons, A. Perambulator-manufacturing. 14 to 16 4 2 5/to 8/ 6/ I 17 to 20 4 1 10/ to 15/ 12/ • • • • Over 20 10 3 30/ to 50/ 18/ to 25/ .. Number of Factories : Containing up to thirty persons, 1. Photography. 14 to 16 4 7 5/to 10/ 6/ tO l2/6 17 to 20 7 14 10/ to 30/ 6/ to 17/6 Factories fttg Speight persons, 18 ; fifteen person,, 2 \ totaf/IS. Picture-framing. 14 to 16 ] 5 .. 5/to 13/6 .. I ■ • I 17 to 20 I 4 .. 10/ to 20, •• •• •• •• •• •• ;; Over 20 18 •• 40/ to 80/ .. _ I •■ •■ I •• Number of Factories: Containing up to eight persons, B. Pickle, Jam, and Sauoe Manufacturing. ~( . l fi n 12 0/to 15/ 5/ to 10/ .. 5/to 12/ "to 20 18 25 10Jt027/6 8 ) to 14 •• 6/6 to 12/ OVe N 2 u°mber s o t persons, 3; fifteei persons," 1 thirty persons, 1; over thirty persons, 1 ; total 6. Ping-pong Racquets Manufacturing. Over 20 I 2 15 1 30/ | 15/ to 20/ | .. | •• I •• I•• I •• I Number of Factories : Containing up to eight persons, l. Plumbing and Gas-fitting. 14 to 16 7 .. 5/to 10/ .. •• II ;; jo/to'so/ i; 17 to 20 15 5/ to 80/ . • • ■ ■• ... OVe N 2 umber 9 of Factories up to eight persons, 14; fifteen persons, 2: total,' 16.

Log in or create a Papers Past website account

Use your Papers Past website account to correct newspaper text.

By creating and using this account you agree to our terms of use.

Log in with RealMe®

If you’ve used a RealMe login somewhere else, you can use it here too. If you don’t already have a username and password, just click Log in and you can choose to create one.


Log in again to continue your work

Your session has expired.

Log in again with RealMe®


Alert