Page image
Page image

H.—ll

68

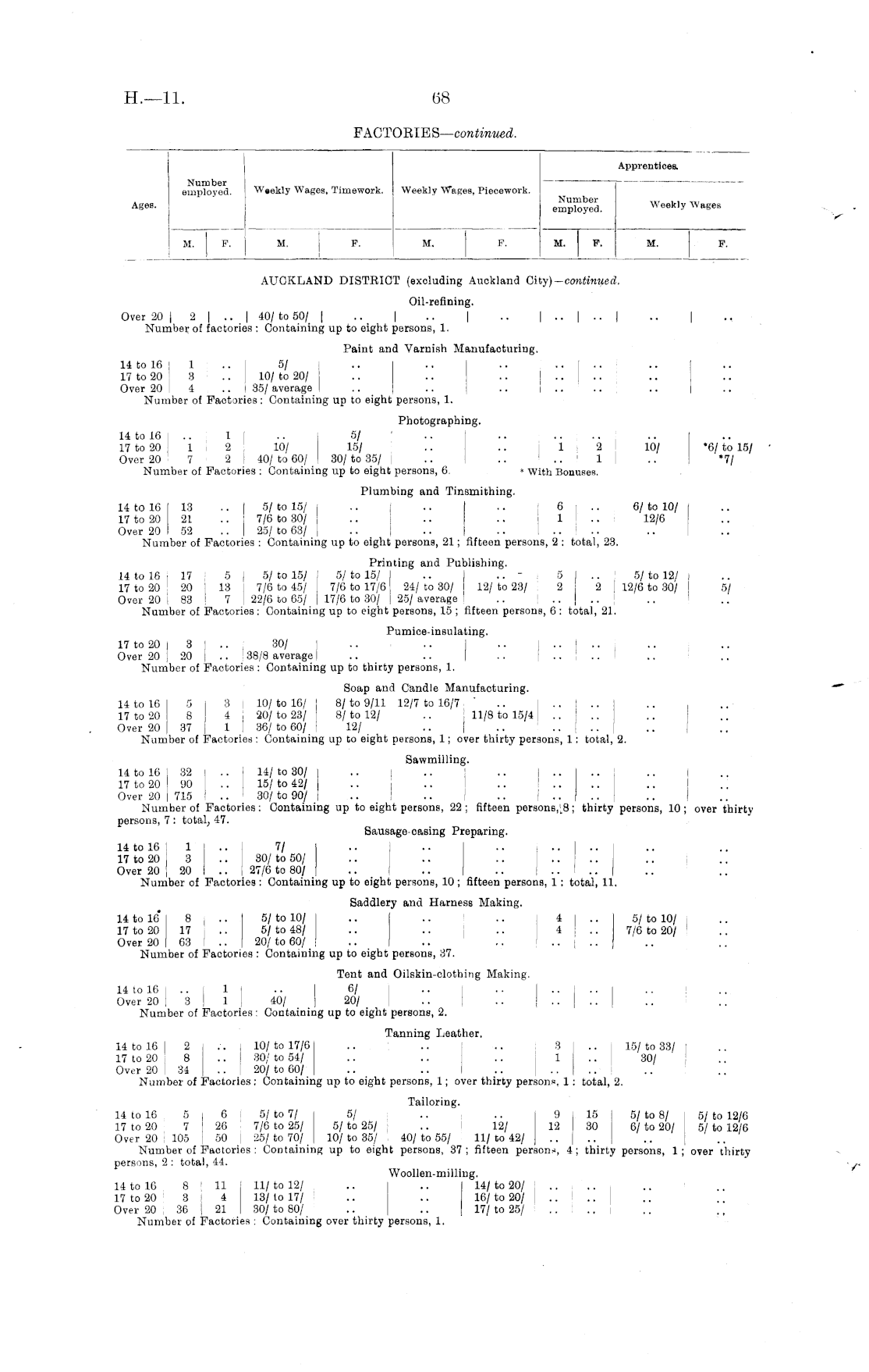
FACTOElES— continued. Apprentices. Number employed. Weekly Wages, Timework. Weekly Wages, Piecework. Ages. employed. Week '>' Wa S es M. F. M. P. M. F. M. F. M. F. [ AUCKLAND DISTRICT (excluding Auckland City)— continued. Oil-refining. Over 20 I 2 I .. I 40/ to 50/ I .. | .. | .. | .. |.. | .. | Number of factories : Containing up to eight persons, 1, Paint and Varnish Manufacturing. 14 to 16 1 5/ .. .. .. .... 17 to 20 3 .. 10/ to 20/ Over 20 ! 4 .. 35/ average Number of Factories: Containing up to eight persons, 1. Photographing. 14 to 16 .. 1 .. 5/ .. .. .. .. .. I 17 to 20 1 .2 10/ 15/ .. .. 12 10/ ! *6/ to 15/ Over 20 7 2 | 40/ to 60/ 30/ to 35/ .. .. .. 1 .. -7/ Number of Factories : Containing up to eight persons, 6. * with Bonuses. Plumbing and Tinsmithing. 14 to 16 13 .. 5/ to 15/ .. .. .. ,6 .. 6/ to 10/ I 17 to 20 21 .. 7/6 to 30/ .. .. .. 1 .. 12/6 Over 20 52 .. 25/ to 63/ Number of Factories : Containing up to eight persons, 21; fifteen persons, 2 : total, 23. Printing and Publishing. 14 to 16 17 5 i 5/ to 15/ 5/ to 15/ .. ..-Iβ .. 5/ to 12/ i 17 to 20 20 113 7/6 to 45/ 7/6 to 17/6 24/ to 30/ 12/ to 23/ 2 2 12/6 to 30/ 5/ Over 20 183 ! 7 22/6 to 65/ 17/6 to 30/ | 25/ average Number of Factories : Containing up to eight persons, 15 ; fifteen persons, 6 : total, 21. Pumice-ineulating. 17 to 20 I 3 I .. 30/ Over 20 | 20 I .. 38/8 average I Number of Factories : Containing up to thirty persons, 1. Soap and Candle Manufacturing. 14 to 16 5 3 ; 10/ to 16/ 8/ to 9/11 12/7 to 16/7 .. I .. .. I 17 to 20 8 4 20/ to 23/ 8/ to 12/ .. j 11/8 to 15/4 Over 20 37 1 36/ to 60/ 12/ .. .. .... Number of Factories: Containing up to eight persons, 1; over thirty persons, 1: total, 2. Sawmilling. 14 to 16 32 .. 14/ to 30/ 17 to 20 90 .. 15/ to 42/ Over 20 715 !.. 30/ to 90/ .. .. .. \ ~ Number of Factories: Containing up to eight persons, 22 ; fifteen persons,_B; thirty persons, 10 ; over thirty persons, 7 : total, 47. Sausage-casing Preparing. 14 to 16 1 .. 7/ .. .. .. I .. 17 to 20 3 .. 30/ to 50/ Over 20 20 .. I 27/6 to 80/ .. .. .. .... Number of Factories : Containing up to eight persons, 10 ; fifteen persons, 1 : total, 11. Saddlery and Harness Making. 14 to 16* 8. .. 5/ to 10/ .. .. .. 4I .. 5/ to 10/ , 17 to 20 17 .. 5/ to 48/ .. .. .. 4i .. 7/6 to 20/ Over 20 63 .. 20/ to 60/ .. .. .. .. j .. Number of Factories : Containing up to eight persons, 37. Tent and Oilskin-clothing Making. 14 to 16 I .. 1 .. 6/ Over 20 ! 3 1 40/ 20/ .. .. .... Number of Factories : Containing up to eight persons, 2. Tanning Leather. 14 to 16 2 I .. 10/ to 17/6 .. .. .. 8 15/ to 33/ 17 to 20 8 .. 30/ to 54/ .. .. .. 1 .. 30/ Over 20 i 34 I .. 20/ to 60/ Number of Factories: Containing up to eight persons, 1; over thirty persona, 1 : total, 2. Tailoring. 14 to 16 5 6 ; 5/ to 7/ 5/ .. .. 9 15 5/ to 8/ 5/ to 12/6 17 to 20 7 26 7/6 to 25/ 5/ to 25/ .. 12/ 12 30 6/ to 20/ 5/ to 12/6 Over 20 | 105 50 I 25/ to 70/ 10/ to 35/ 40/ to 55/ 11/ to 42/ .. .. .. Number of Factories : Containing up to eight persons, 37; fifteen persons, 4; thirty persons, 1; over thirty persons, 2 : total, 44. Woollen-milling. 14 to 16 8 11 11/ to 12/ .. .. 14/ to 20/ .. 17 to 20 3 4 13/ to 17/ .. .. 16/ to 20/ 1.. Over 20 36 j2l 30/ to 80/ .. .. 17/ to 25/ .. Number of Factories : Containing over thirty persons, 1.

Log in or create a Papers Past website account

Use your Papers Past website account to correct newspaper text.

By creating and using this account you agree to our terms of use.

Log in with RealMe®

If you’ve used a RealMe login somewhere else, you can use it here too. If you don’t already have a username and password, just click Log in and you can choose to create one.


Log in again to continue your work

Your session has expired.

Log in again with RealMe®


Alert