Page image
Page image

41

V^*"""" - On.,

6 —C. Sa.

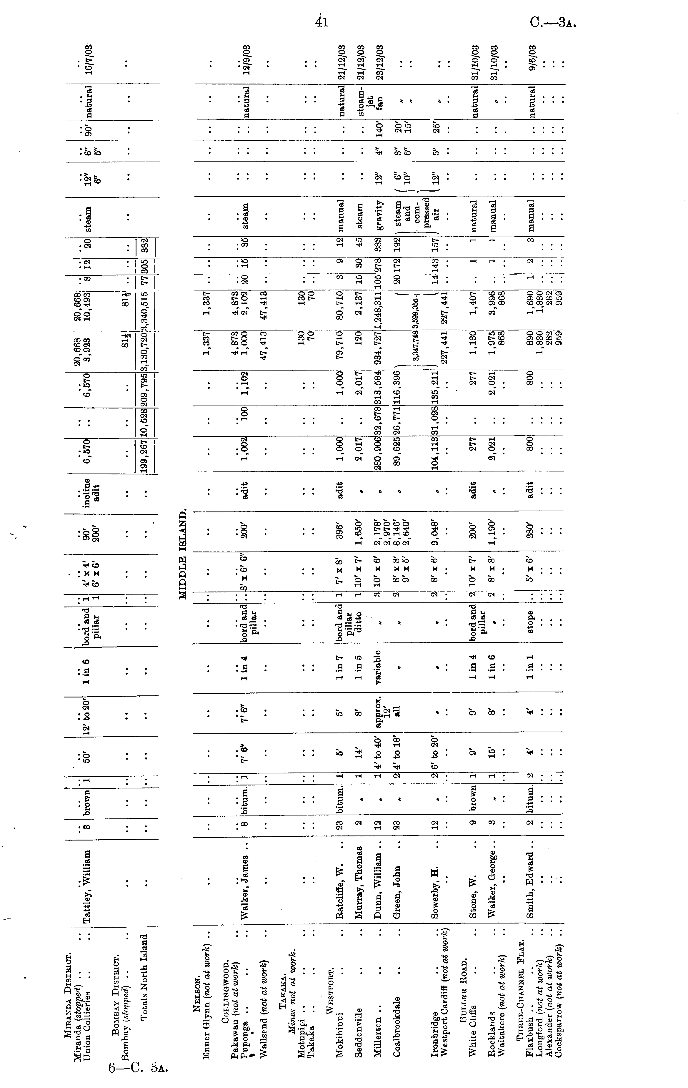
Miranda District. Miranda (stopped) ■• Union Collieries Cattley, William 3 irown 1 50' .2' to 20' Iin6 iord and pillar 1 1 • 4'x4' 6'x6' 90' 200' incline adit 6,570 6^570 20,668 3,923 20,668 10,493 's| 12: 20 steam 12'"' 6" 6'"' 5" 90' natural 16/7/Oi Bombay District. Bombay (stopped) .. 81* 81* •■ ■• Totals North Island 199,267 .0,528 209,795 3,130,7201 3,340,515 77 !05 382 Nelson. Bnner Glynn (not at work) .. IDDLE ISLAN] I i 1,337 1,337 CoLLINGWOOD. Pakawau (not at work) Puponga Wallsend (not at work) Walker, Jamea .. 's bitum. 1 V 6" 7' 6" lin4 bord and pillar 8' x'<5' 6" 200' adit l[6o2 100 l|lO2 4,873 1,000 4,873 2,102 20 15 '35 steam natural 12'/9/03 .. - 47,413 47,413 Takaka. Mines not at work. Motupipi Takaka 130 70 130 70 •• •• •• Westport. Mokihinui Ratcliffe, W. .. bitum. 5' 5' Iin7 bord and pillar ditto r x8' 396' adit 1,000 79,710 80,710 manual natural 21/12/03 23 1,000 3 9 12 Seddonville Murray, Thomas 2 14' 8' 1 in 5 10' x 7' 1,650' 2,017 2,017 120 2,137 15 30 45 steam steamjet fan 21/12/03 Millertcn .. Dunn, William .. 12 4' to 40' approx. 12' all variable I 10' x 6' I 2,178' 2,970' 8,146' 2,640' 280,906 32,678 313,584 934,727 1,248,311 105 278 383 gravity 12" i" 140' 23/12/03 Coalbrookdale Green, John 23 It 4' to 18' 8' Xβ' 9' x5' 89,625 26,7711 1 116,396 ! 3,347,748 227, 44l! 3,599,355 ' 227,441 20 172 192 steam and - oompreseed air I 6" 10" (l2" 3" 6" 20' 15' Ironbridge Westport Cardiff (not at work) Sowerby, H. 6' to 20' * 8'x6' 9,048' m 104,113 135,211 I 12 31,098 14 143 157 5" 25' " • • Bukler Eoad. White Cliffs Stone, W. brown 9' 9' 1 in i bord and pillar 10' x 7' 200' adit 277 277 1,130 1,407 natural natural 31/10/03 9 1 Rocklands Waitakere (not at work) Walker, George .. 3 15' 8' 1 in 6 8' x8' 1,190' 2,021 2,021 1,975 868 3,996 868 1 1 manual m 31/10/03 •• •• -• Three-Channel Plat. Flaxbush Longford (not at work) Alexander (not at work) Cooksparrow (not at work) .. Smith, Edward .. 2 bitum. 2: 4' 4' 1 in 1 stope 5' x 6' 280' adit 800 800 i 890 1,830 282 959 1,690 1,830 282 959 1 2 3 manual natural 9/6/03 •• i •- I I •• I •• • • ■ • •• .. • • .. • •

Log in or create a Papers Past website account

Use your Papers Past website account to correct newspaper text.

By creating and using this account you agree to our terms of use.

Log in with RealMe®

If you’ve used a RealMe login somewhere else, you can use it here too. If you don’t already have a username and password, just click Log in and you can choose to create one.


Log in again to continue your work

Your session has expired.

Log in again with RealMe®


Alert