Page image
Page image

H.—ll.

FACTORIES—continued.

38

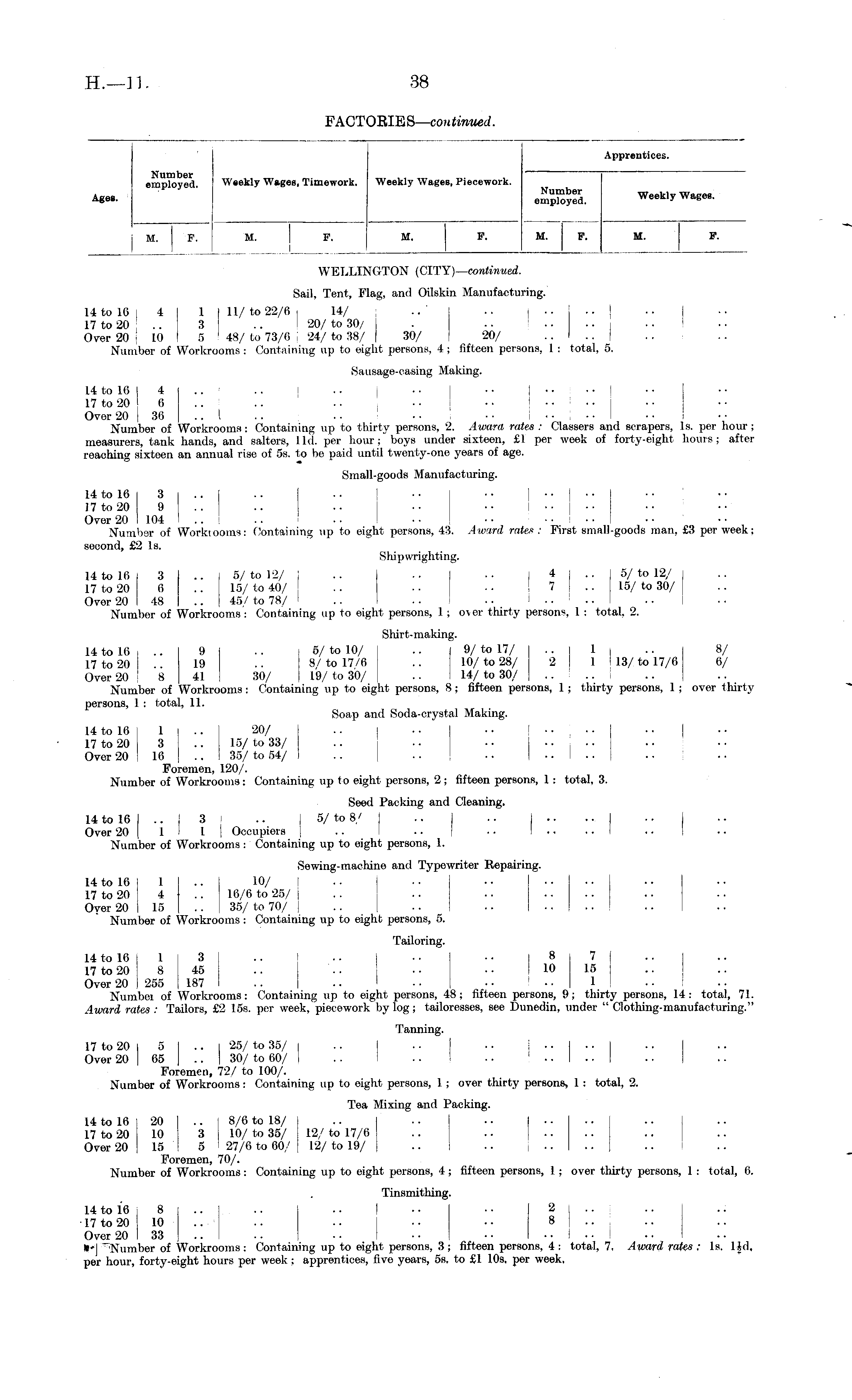
Apprentices. Number employed. Weekly Wages, Timework. Weekly Wages, Piecework. Agei. Number employed. Weekly Wages. I M. F. M. F. M. F. M. F. M. F. WELLINGTON (CITY)— continued. Sail, Tent, Flag, and Oilskin Manufacturing. 14 to 16 I 4 ! 1 11/to 22/6 I 14/ ■•' I ■• " " " i 17 to 20 .. 3 .. ' 20/ to 30/ Over 20 I 10 5 48/ to 73/C | 24/ to 38/ 30/ 20/ .... Number of Workrooms : Containing up to eight persons, 4 ; fifteen persons, 1 : total, 6. Sausage-casing Making. 14 to 16 4 .. • • •• •■ •• 17 to 20 6 Over 20 36 .. I . . • ■ • • • ■ i • • Number of Workroom*: Containing up to thirty persons, 2. Awara rates : Classers and scrapers, Is. per hour; measurers, tank hands, and salters, lid. per hour; boys under sixteen, £1 per week of forty-eight hours ; after reaching sixteen an annual rise of 5s. to be paid until twenty-one years of age. Small-goods Manufacturing. 14 to 16 3 .. .. .. •• •• I • • I •' 17 to 20 9 Over 20 104 .. . • • • • • .... Number of Workiooins: Containing up to eight persons, 43. Award rates: First small-goods man, £3 per week; second, £2 Is. Shipwrighting. 14 to 16 i 3 .. 5/to 12/ .. •• •• 4 I •• V to 12/ 17 to 20 6 .. 15/ to 40/ j .. .. ■. 7 .. 15/ to 30/ Over 20 48 .. 45/ to 78/ I Number of Workrooms : Containing up to eight persons, 1 ; over thirty persons, 1 : total, 2. Shirt-making. 14 to 16 I .. 9 .. 5/ to 10/ .. 9/ to 17/ ..ill .. 8/ 17 to 20 I .. 19 .. 8/to 17/6 .. 10/to 28/ 2 ! 1 I 13/to 17/6 6/ Over 20 \ 8 41 30/ 19/ to 30/ .. 14/ to 30/ Number of Workrooms : Containing up to eight persons, 8 ; fifteen persons, 1 ; thirty persons, 1 ; over thirty persons, 1 : total, 11. Soap and Soda-crystal Making. 14 to 16 1 .. 20/ .. .. .. •• , •• • • I 17 to 20 3 .. 15/ to 33/ Over 20 16 35/ to 54/ Foremen, 120/. Number of Workrooms: Containing up to eight persons, 2; fifteen persons, 1 : total, 3. Seed Packing and Cleaning. 14 to Iβ .. I 3 .. 5/ to 8/ Over 20 1 ! 1 | Occupiers .. .. • • .... Number of Workrooms: Containing up to eight persons, 1. Sewing-machine and Typewriter Repairing. 14 to 16 1 .. 10/ J .. •• i 17 to 20 4 .. 16/6 to 25/ j Over 20 15 .. 35/ to 70/ j .. .. .. .... Number of Workrooms : Containing up to eight persons, 5. Tailoring. 14 to 16 1 3 .. 1 .. • • • • 8 7 I 17 to 20 8 45 .. '.. •■ •• 10 15 Over 20 255 187 .. .. ■• •• •• 1 Numbei of Workrooms: Containing up to eight persons, 48 ; fifteen persons, 9 ; thirty persons, 14 : total, 71. Award, rates : Tailors, £2 15s. per week, piecework by log ; tailoresses, see Dunedin, under " Clothing-manufacturing." Tanning. 17 to 20 5 .. 25/ to 35/ Over 20 65 30/ to 60/ Foremen, 72/ to 100/. Number of Workrooms: Containing up to eight persons, 1 ; over thirty persons, 1 : total, 2. Tea Mixing and Packing. 14 to 16 20 .. 8/6 to 18/ 17 to 20 10 3 10/ to 35/ 12/ to 17/6 Over 20 15 5 27/6 to 60/ 12/ to 19/ Foremen, 70/. Number of Workrooms: Containing up to eight persons, 4; fifteen persons, 1; over thirty persons, 1 : total, 6. Tinsmithing. 14 to 16 8 .. .. I •• ■ ■ 2 .. 17 to 20 10 .. .. •■ •• 8 .. Over 20 33 .. ■ • • • • • .. I .. »"| "Number of Workrooms: Containing up to eight persons, 3 ; fifteen persons, 4 : total, 7. Award rates : Is. lid. per hour, forty-eight hours per week ; apprentices, five years, 5s, to £1 10s. per week,

Log in or create a Papers Past website account

Use your Papers Past website account to correct newspaper text.

By creating and using this account you agree to our terms of use.

Log in with RealMe®

If you’ve used a RealMe login somewhere else, you can use it here too. If you don’t already have a username and password, just click Log in and you can choose to create one.


Log in again to continue your work

Your session has expired.

Log in again with RealMe®


Alert