Page image
Page image

H—ll

63

FACTORIES— continued.

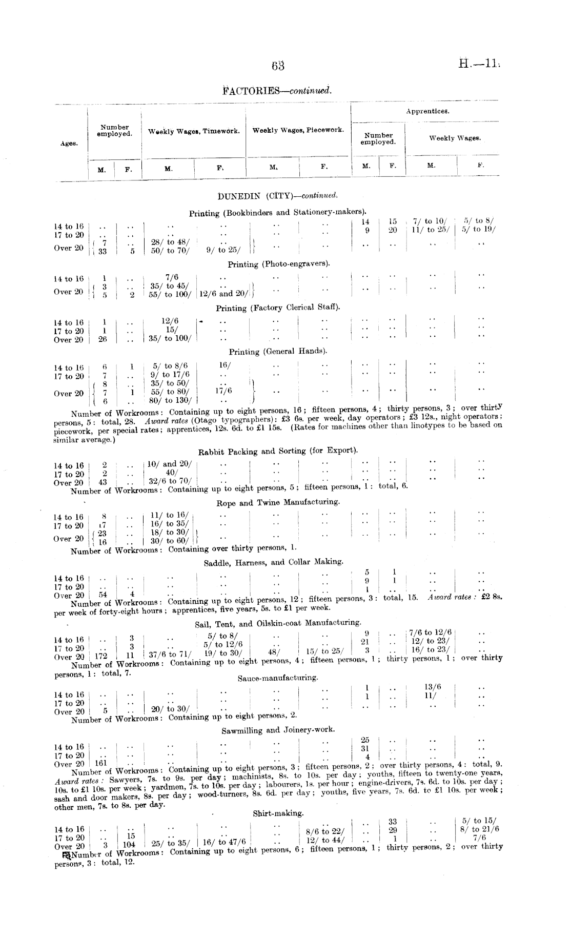
Agee. I employed. W.ekly Wage., Timework. ' Wi Weekly Wages, Piecework. Apprentices. Number employed. Weekly Wages. rrjT" F. M. F. M. F. M. U. M. DUNEDIN (CITY)—continued. Printing (Bookbinders and Stationery-makers). ...... 14 i 15 7/to 10/ : 5/ to 8/ l**°i?j ■• ■" .. 9 20 11/to 25/ I 5/ to 19/ 1 / t>0 *U I . • • * • • * * ( 7 .. 28/ to 48/ .. I ... .. ; Over 20 j 33 5 50/ to 70/ 9/ to 26/1 '' 1 Printing (Photo-engravers). 14 to 16 ! 1 .. 7/6 .. •• J _ „ I S .. 35/ to 45/ .. ,| Over 20 i J „ 2 55/ to 100/ 12/6 and 20/ j Printing (Factory Clerical Staff). 14 to 16 ; 1 • ■ 12/6 ... 17 to 20 i 1 .. 15/ Over 20 26 .. 35/to 100/ Printing (General Hands). 14 to 16 I 6 I 1 1 5/ to 8/6 16/ 17 to 20 ' 7 .. 9/ to 17/6 .. • • • • (8 .. 35/to 50/ .. I) Over 20 N 7 1 55/ to 80/ 17/6 \ •• ! I 6 .. 80/ to 130/ |J > Number of Workrooms: Containing up to eight persons, 16; fifteen persons, 4; thirty persons, 3; over thirty B ersons5 total 28. Award rates (Otago typographers) : £3 6s. per week, day operators ; £3 12s., night operator, pScework,' per special rates; apprentices! 12s. 6d. to £1 15s. (Rates for machines other than linotypes to be based on similar average.) Rabbit Packing and Sorting (for Export). 14 to 16 2 i .. 10/ and 20/ 17 to 20 2 .. 40/ .. •• •• J •• ;; ;; ° Ver Number 4 of Containing up to eight persons, 5 ; fifteen persons, 1 : total, 6. Rope and Twine Manufacturing. 14 to 16 8 , .. 11/ to 16/ ; 17 to 20 i7 j .. 16/ to 35/ j ___ .. j 28 .. 18/ to 80/ I Over 20 J 16 i 30/ to 60/ 11 Number of Workrooms: Containing over thirty persons, 1. Saddle, Harness, and Collar Making. 14 to 16 ] ..•• • ■ •• •• 01 17 to 20 .. • • • ■ 'l ° Ver N i u J m ; ber 5 of Wortrooms: Containing up to eight persons, 12 ; fifteen persons, 3 : total, 15. Award rates : £2 8s. per week of forty-eight hours ; apprentices, five years, 5s. to £1 per week. Sail, Tent, and Oilskin-coat Manufacturing. 1 K/toS/ I • 9 I .. 7/6 to 12/6 14tol6 i ■' 1 ! •• " •• 21 •• '12/to 23/ persons, 1 : total, 7. Sauce-manufacturing. 1 .. 13/6 14 to 16 i .. •• •• 1 .. 11/ olerlM '5 I! ! 20/to30/ V. I " I Number of Workrooms: Containing up to eight persons, 2. Sawmilling and Joinery-work. 25 .. I 14 to Iβ • • •' 31 17 to 20 ■ • •• '' 4 .. Over 20 161 I . c ontaining ' to eight persons, 3 ; fifteen persons. 2 ; over thirty persons, 4 : total, 9. Numher of Workrooms Conta.mng up £ m day . m t twenty-one years, Award rates : Sawyeis, 7s. w> »s. per y labourers, Is. per hour ; engine-drivers, 7s. 6d. to 10s. per day ; 6d. per day/youtn, five"years, 7s. 6d. to £1 10s. per week ; other men, 7s. to 8s. per day. Shirt-making. 33 .. 5/ to 15/ 14 to 16 .. •• •■ •• •• ! 8 /6 to 22/ .. 29 i .. 8/to 21/6 s s£L' 4 - Sh , , 'isLffiN** — I, '«---: ■ «w..-. >. -u persons", 3: total, 12.

Log in or create a Papers Past website account

Use your Papers Past website account to correct newspaper text.

By creating and using this account you agree to our terms of use.

Log in with RealMe®

If you’ve used a RealMe login somewhere else, you can use it here too. If you don’t already have a username and password, just click Log in and you can choose to create one.


Log in again to continue your work

Your session has expired.

Log in again with RealMe®


Alert