Page image
Page image

8.—7

Appropriations for Consolidated Fund Services

CLASS VI.—WORKING RAILWAYS— continued.

43

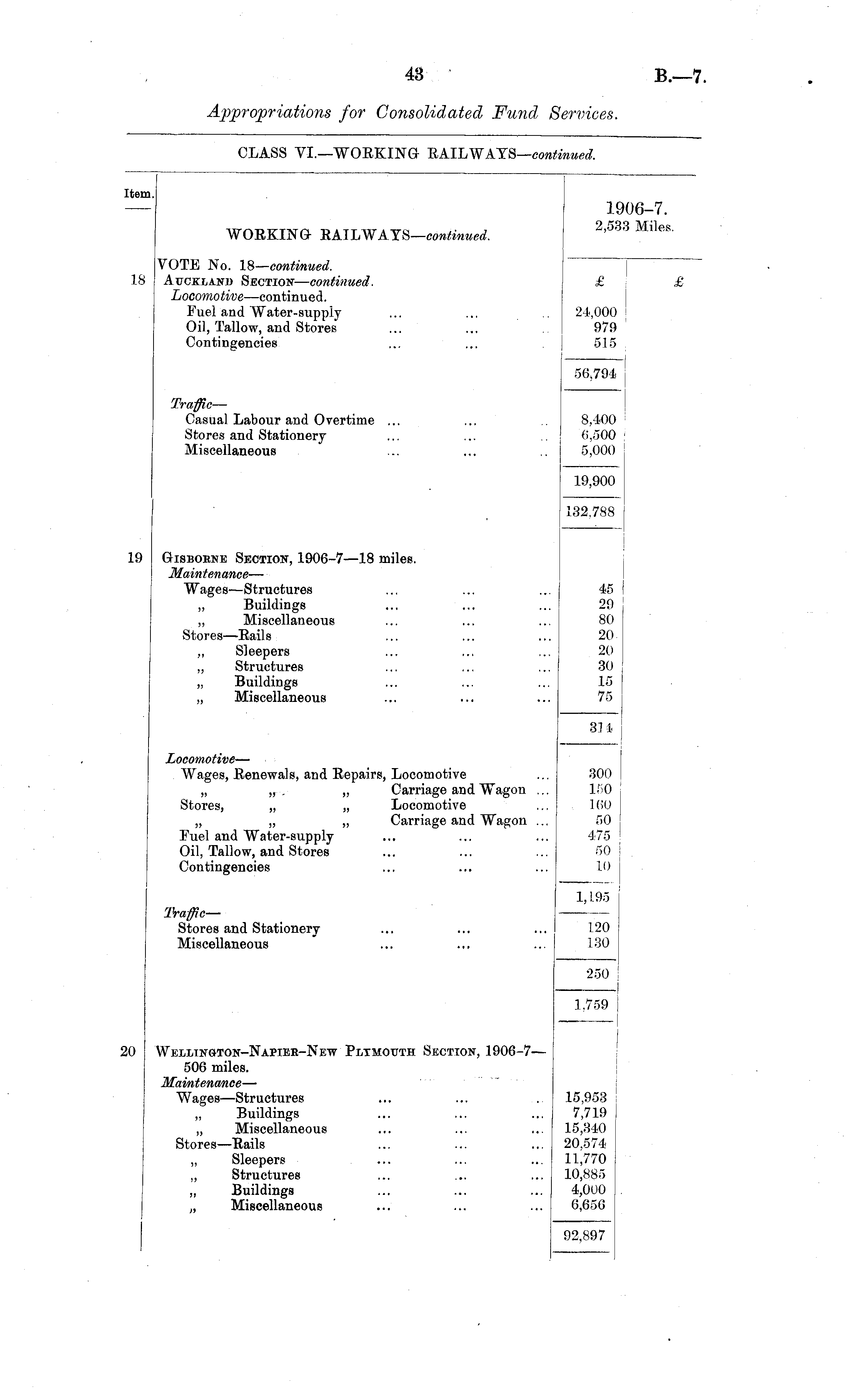
Item. 1906-7. 2,533 Miles. WORKING RAILWAYS— continued. IS VOTE No. IS—continued. Auckland Section — continued. Locomotive —continued. Fuel and Water-supply Oil, Tallow, and Stores Contingencies £ 24,000 979 515 Traffic— Casual Labour and Overtime ... Stores and Stationery Miscellaneous 56,794 8,400 6,500 5,000 19,900 132,788 19 Gisrorne Section, 1906-7—18 miles. Main ten ance — Wages—Structures „ Buildings ,, Miscellaneous Stores —Rails ,, Sleepers ,, Structures „ Buildings „ Miscellaneous 45 29 80 2020 30 15 75 314 Locomotive — Wages, Renewals, and Repairs, Locomotive „ „ „ Carriage and Wagon ... Stores, „ „ Locomotive „ „ „ Carriage and Wagon ... Fuel and Water-supply Oil, Tallow, and Stores Contingencies 300 lfiO 160 50 475 50 1.0 TrafficStores, and Stationery Miscellaneous 1,195 120 130 250 Wellington-Napier-New Plymouth Section, 1906-7— 506 miles. Maintenance — Wages—Structures „ Buildings „ Miscellaneous Stores —Rails „ Sleepers „ Structures „ Buildings „ Miscellaneous 15,953 7,719 15,340 20,574 11,770 10,885 4,000 6,656 1,759 92,897

Log in or create a Papers Past website account

Use your Papers Past website account to correct newspaper text.

By creating and using this account you agree to our terms of use.

Log in with RealMe®

If you’ve used a RealMe login somewhere else, you can use it here too. If you don’t already have a username and password, just click Log in and you can choose to create one.


Log in again to continue your work

Your session has expired.

Log in again with RealMe®


Alert