Page image
Page image

H.—3l.

Return of Analyses at the Analytical Laboratory, Christchurch —continued.

86

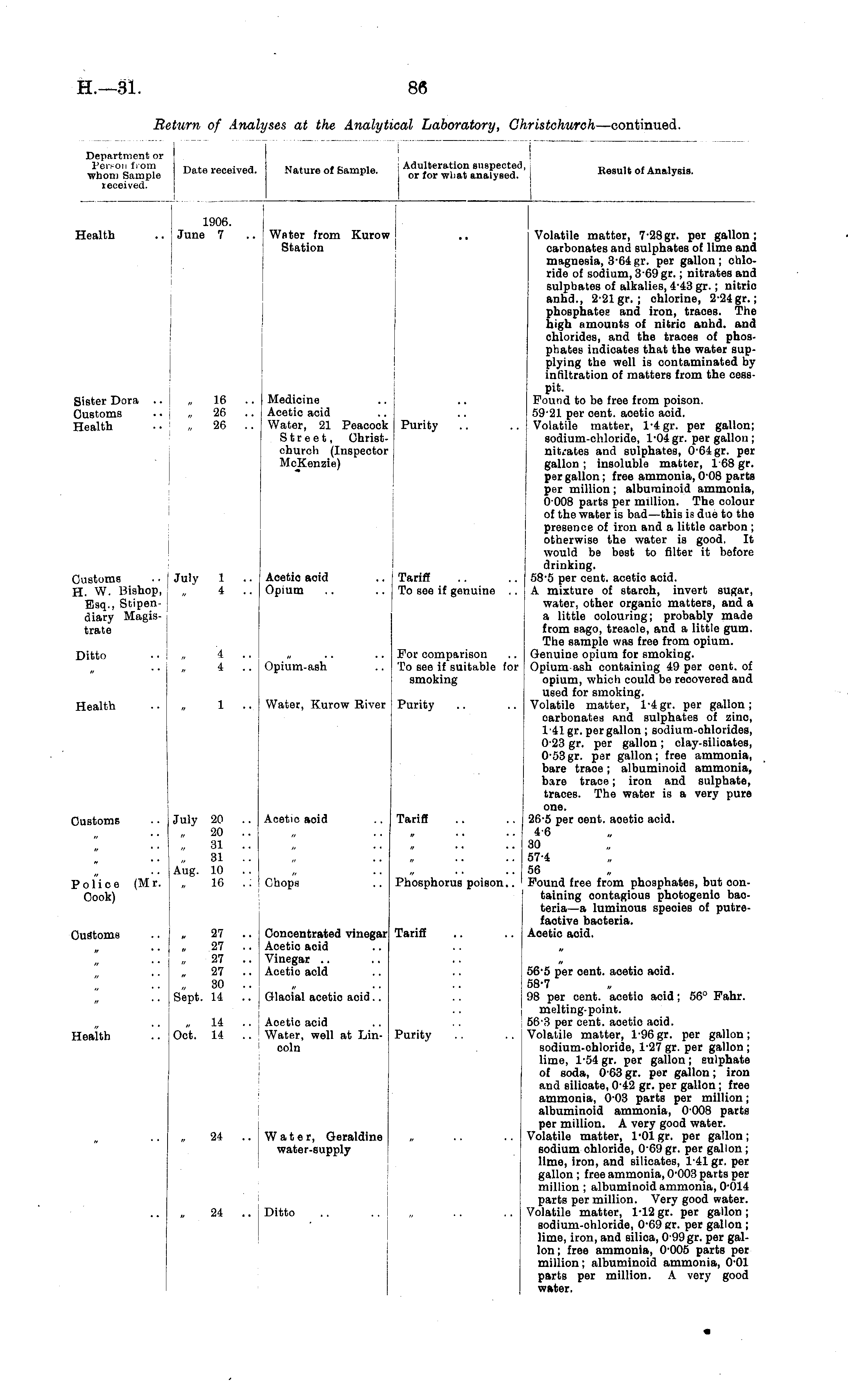
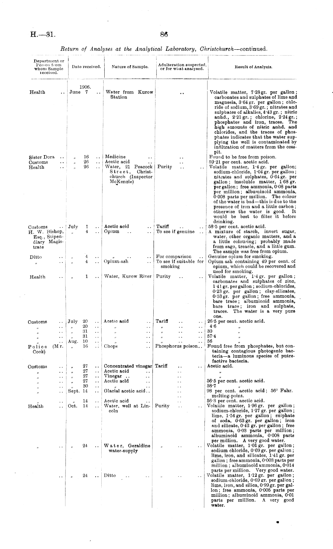
Department or £s5e Date received, received. Nature of Sample. Adulteration suspected, or for wiiat analysed. Result of Analysis. 1906. June 7 Health Water from Kurow Station Volatile matter, 7-28gr. per gallon; carbonates and sulphates of lime and magnesia, 364 gr. per gallon; chloride of sodium, 369 gr.; nitrates and sulphates of alkalies, 4°43 gr. ; nitric anhd., 2-21 gr. ; chlorine, 2-24gr.; phosphates and iron, traces. The high amounts of nitric anhd. and chlorides, and the traoes of phosphates indicates that the water supplying the well is contaminated by infiltration of matters from the cesspit. Found to be free from poison. 59-21 per oent. aoetic acid. Volatile matter, l - 4gr. per gallon; sodium-chloride, l - 04gr. per gallon ; nitrates and sulphates, 0'64gr. per gallon ; insoluble matter, 1 68 gr. per gallon; free ammonia, 008 parts per million; albuminoid ammonia, 0008 parts per million. The colour of the water is bad—this ie due to the presence of iron and a little carbon ; otherwise the water is good, It would be best to filter it before drinking. 58-5 per cent, acetic acid. A mixture of starch, invert sugar, water, other organic matters, and a a little colouring; probably made from eago, treacle, and a little gum. The sample was free from opium. Genuine opium for smoking. Opium ash containing 49 per oent. of opium, which could be recovered and used for smoking. Volatile matter, 1-4gr. per gallon; oarbonatea and sulphates of zino, 1-41 gr. per gallon ; sodium-ohlorides, 0-23 gr. per gallon; clay-silioates, 053gr. per gallon; free ammonia, bare traoe; albuminoid ammonia, bare trace; iron and sulphate, traoes. The water is a very pure one. 26'5 per oent. aoetio acid. 46 30 57-4 56 Found free from phosphates, but oontaining oontagious photogenio bacteria—a luminous speoies of putrefaotive baoteria. Aoetic aoid. Sister Dora Customs Health 16 26 26 Medicine Acetic acid Water, 21 Peacock Street, Ohristohurch (Inspector McKenzie) Parity July 1 4 Acetic acid Opium Tariff To see if genuine .. Customs H. W. Bishop, Esq., Stipendiary Magistrate Ditto 4 4 Opium-ash For comparison To see if suitable for smoking Health 1 Water, Kurow Biver Purity Acetic aoid Tariff lustoms July 20 20 31 31 Aug. 10 16 •olioe Cook) (Mr. Chops Phosphorus poison.. iustome 27 27 27 27 30 Sept. 14 Concentrated vinegar Acetic aoid Vinegar Acetic add Tariff lea'lth . 14 Oct. 14 Glacial acetic acid.. Acetic acid Water, well at Linooln Water, Geraldine water-supply Purity 56°5 per oent. acetic aoid. 58-7 98 per cent, acetio acid; 56° Fahr. melting-point. 56-3 per cent, aoetio acid. Volatile matter, 196gr. per gallon; sodium-ohloride, 1-27 gr. per gallon ; lime, 1-54 gr. per gallon ; sulphate of soda, 0 - 63 gr. per gallon; iron and silioate, 0-42 gr. per gallon ; free ammonia, 0'03 parts per million; albuminoid ammonia, 0008 parts per million. A very good water. Volatile matter, 1-01 gr. per gallon; sodium chloride, 069gr. per gallon; lime, iron, and silicates, 141 gr. per gallon ; free ammonia, 0 - 003 parts per million ; albuminoid ammonia, 0-014 parts per million. Very good water. Volatile matter, 1-12 gr. per gallon ; sodium-ohloride, 0-69 er. per gallon ; lime, iron, and silica, 0-99 gr. per gallon ; free ammonia, 0005 parts per million; albuminoid ammonia, O'Ol parts per million. A very good 24 24 Ditto

Log in or create a Papers Past website account

Use your Papers Past website account to correct newspaper text.

By creating and using this account you agree to our terms of use.

Log in with RealMe®

If you’ve used a RealMe login somewhere else, you can use it here too. If you don’t already have a username and password, just click Log in and you can choose to create one.


Log in again to continue your work

Your session has expired.

Log in again with RealMe®


Alert