Page image
Page image

8.—20 c

No. 7.—Statement of Accounts — continued. Schedule No. 2. — Statement of Cables sent —continued.

6

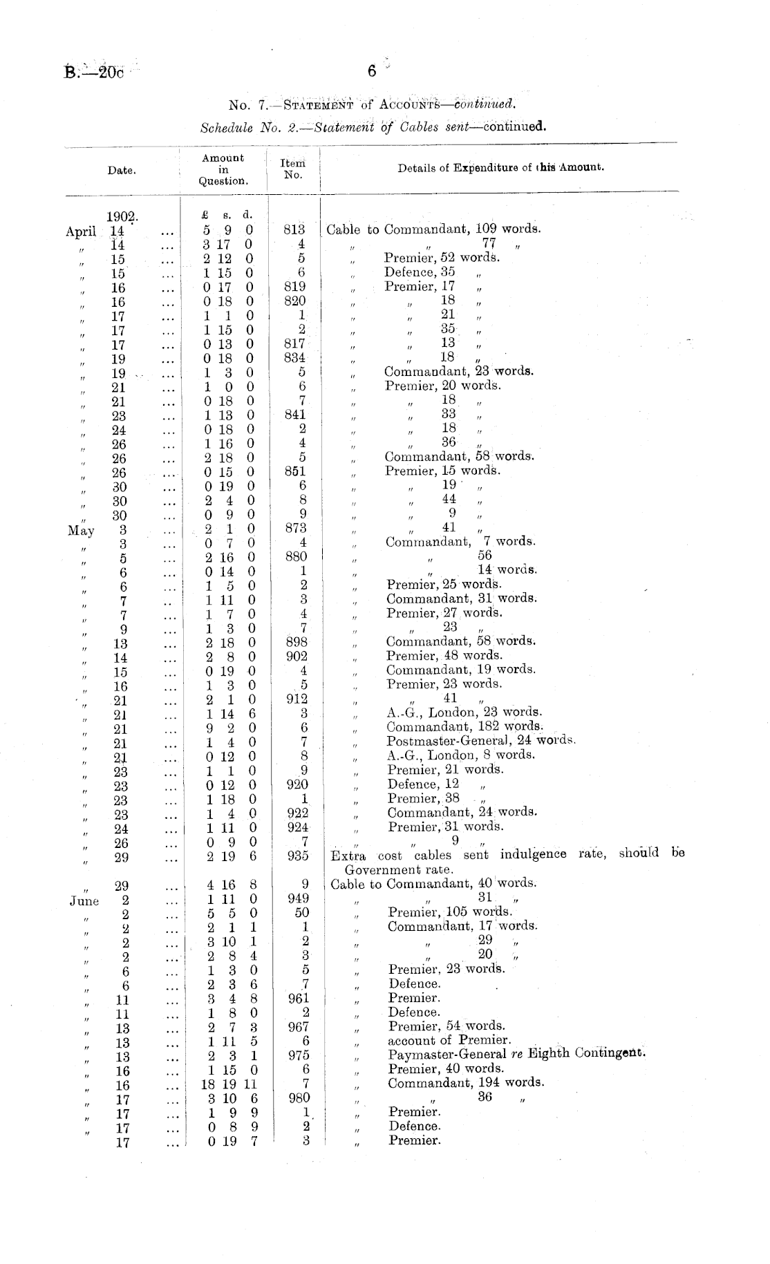
Date. Amount in Question. Item No. Details of Expenditure of this Amount. 1902. April 14 , H „ 15 15 16 „ 16 17 „ 17 17 19 1921 21 23 24 26 26 26 30 30 30 May 3 3 5 6 6 7 7 9 13 14 15 16 ' * 21 21 21 . 21 . 21 23 „ 23 23 23 24 26 29 £ s. d. 5 9 0 3 17 0 2 12 0 1 15 0 0 17 0 0 18 0 110 1 15 0 0 13 0 0 18 0 13 0 10 0 0 18 0 1 13 0 0 18 0 1 16 0 2 18 0 0 15 0 0 19 0 2 4 0 0 9 0 2 10 0 7 0 2 16 0 0 14 0 15 0 1 11 0 17 0 13 0 2 18 0 2 8 0 0 19 0 13 0 2 10 1 14 6 9 2 0 14 0 0 12 0 110 0 12 0 1 18 0 14 0 1 11 0 0 9 0 2 19 6 813 4 5 6 819 820 1 2 817 834 5 6 7 841 2 4 5 851 6 8 9 873 4 880 1 2 3 4 7 898 902 4 5 912 3 6 7 8 9 920 1 922 924 7 935 Cable to Commandant, 109 words. 77 „ „ Premier, 52 words. Defence, 35 „ „ Premier, 17 „ 18 „ 21 „ 35 „ „ 13 „ 18 „ ,, Commandant, 23 words. Premier, 20 words. 18 „ 33 „ „ 18 ,, . 36 „ Commandant, 58 words. „ Premier, 15 words. 19- „ „ 44 „ 9 „ „ 41 „ Commandant, 7 words. 56 ,, 14 words. „ Premier, 25 words. Commandant, 31 words. „ Premier, 27 words. 23 „ Commandant, 58 words; „ Premier, 48 words. Commandant, 19 words. ,, Premier, 23 words. 41 „ A.-G., London, 23 words. „ Commandant, 182 words. Postmaster-Genera), 24 words. A.-G., London, 8 words. Premier, 21 words. „ Defence, 12 „ „ Premier, 38 „ Commandant, 24 words. Premier, 31 words. q Extra cost cables sent indulgence rate, should Government rate. Cable to Commandant, 40 words. ,i a 31 „ Premier, 105 words. Commandant, 17 words. 29 „ 20 „ „ Premier, 23 words. „ Defence. „ Premier. „ Defence. „ Premier, 54 words, account of Premier. Paymaster-General re Eighth Contingent. „ Premier, 40 words. Commandant, 194 words. 36 „ Premier. „ Defence. „ Premier. be 29 June 2 2 2 2 2 6 6 11 11 „ 13 „ 13 „ 13 16 „ 16 17 . 17 „ 17 17 4 16 8 1 11 0 5 5 0 2 11 3 10 1 2 8 4 13 0 2 3 6 3 4 8 18 0 2 7 3 1 11 5 2 3 1 1 15 0 18 19 11 3 10 6 19 9 0 8 9 0 19 7 9 949 50 1 2 3 5 7 961 2 967 6 975 6 7 980 1 2 3

Log in or create a Papers Past website account

Use your Papers Past website account to correct newspaper text.

By creating and using this account you agree to our terms of use.

Log in with RealMe®

If you’ve used a RealMe login somewhere else, you can use it here too. If you don’t already have a username and password, just click Log in and you can choose to create one.


Log in again to continue your work

Your session has expired.

Log in again with RealMe®


Alert