Page image
Page image

C—la

30

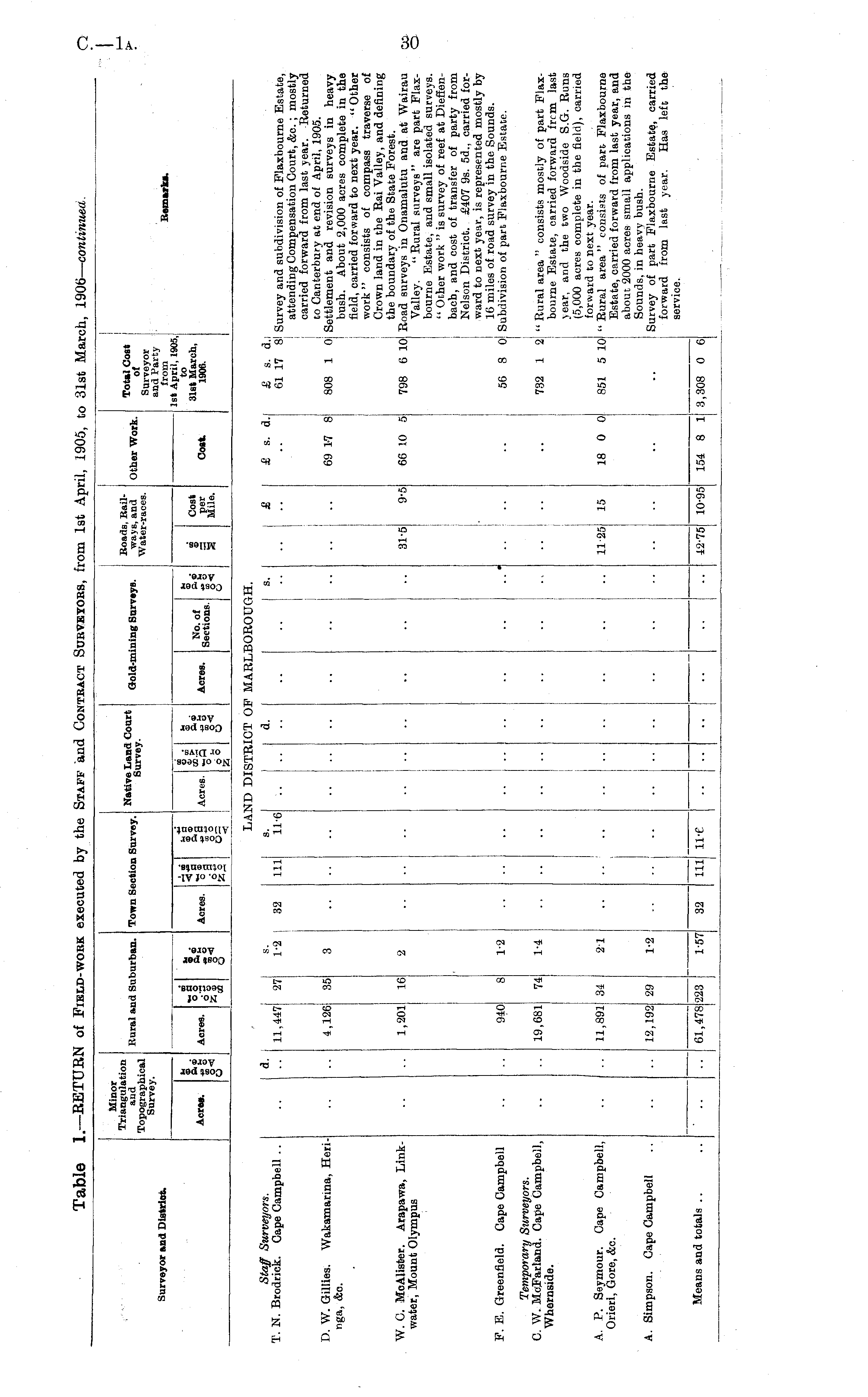
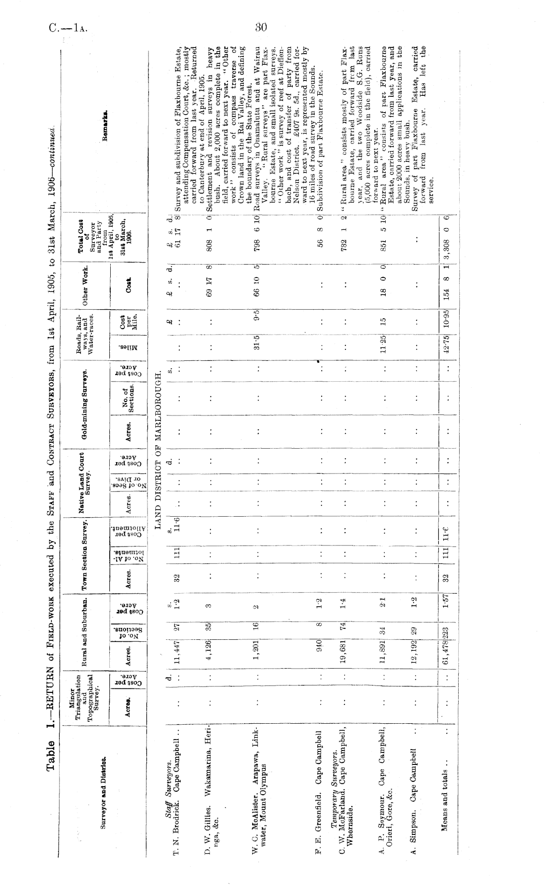
Table 1. — RETURN of Field-work executed by the Staff and Contract Surveyors, from 1st April, 1905, to 31st March, 1906— continued.

i Minor Triangulation and Topographical Survey. Rural and Suburban. Town Section Survey. Native Land Court Survey. Gold-mining Surveys. Boads, Kailways, and "Water-races. Other Work. Total Cost of Surveyor and Party from Surveyor and District. Bemarks. Acres. *g U OO Acres. • t! o"* Acres, o! ■*■ g oS So Acres. «-a -g 3 6 o o Acres. Se N e ° io °i s . || 6 Cost per Mile. Coat to 31st March, 1906. LA] D DISTR: ct o: makl: i ;0R0UGH. Staff Surveyors. T. N. Brodrick. Gape Campbell .. a. 11,447 ■27 8. i-2 32 111 s. 11-6 d. s. £• £ s. d.j £ s. d.i 61 17 81 Survey and subdivision of Flaxbourne Estate, attending Compensation Court, &c.; mostly carried forward from last year. Returned Co Canterbury at end of April, 1905. Settlement and revision surveys in heavy bush. About 2,000 acres complete in the field, carried forward to next year. " Other work" consists of compass traverse of Crown land in the Rai Valley, and denning the boundary of the State Forest. Road surveys in Onamalutu and at Wairau Valley. "Rural surveys" are part Flaxbourne Estate, and small isolated surveys. " Other work " is survey of reef at Dieflenbach, and cost of transfer of party from Nelson District. £407 9s. 5d., carried forward to next year, is represented mostly by 16 miles of road survey in the Sounds. Subdivision of part Flaxbourne Estate. D. W. Gillies. Wakamarina, Heri4,126 35, 3 69 17 8J 808 1 0 W. G. MoAlister. Arapawa, Linkwater, Mount Olympus 798 6 10 1,201 16 31-5 9-5! 66 10 5 P. E. Greenfield. Gape Campbell 940 1-2 56 8 0 Temporary Surveyors. C. W. McFarland. Cape Campbell, Whernside. 19,681 1-4 ! 732 1 2 " Rural area " consists mostly of part Flaxbourne Estate, carried forward frcm last year, and the two Woodside S.G. Runs (5,000 acres complete in the field), carried forward to next year. "Rural area" consists of part Flaxbourne Estate, carried forward from last year, and about 2000 acres small applications in the Sounds, in heavy bush. Survey of part Plaxbourne Estate, carried forward from last year. Has left the service. 74 •■ A. P. Seymour. Gape Campbell, Orieri, Gore, &c. ll,89l| 84 21 11-25 15 18 0 0 851 5 10 A. Simpson. Gape Campbell 12,192 29 1-2 ! i Means and totals .. — 61,478 223 32 111 ii-e 42-75 10-95 154 8 1 3,308 0 6 • • .. 1-57 .. ■•

Log in or create a Papers Past website account

Use your Papers Past website account to correct newspaper text.

By creating and using this account you agree to our terms of use.

Log in with RealMe®

If you’ve used a RealMe login somewhere else, you can use it here too. If you don’t already have a username and password, just click Log in and you can choose to create one.


Log in again to continue your work

Your session has expired.

Log in again with RealMe®


Alert