Page image
Page image

a.—ld

5

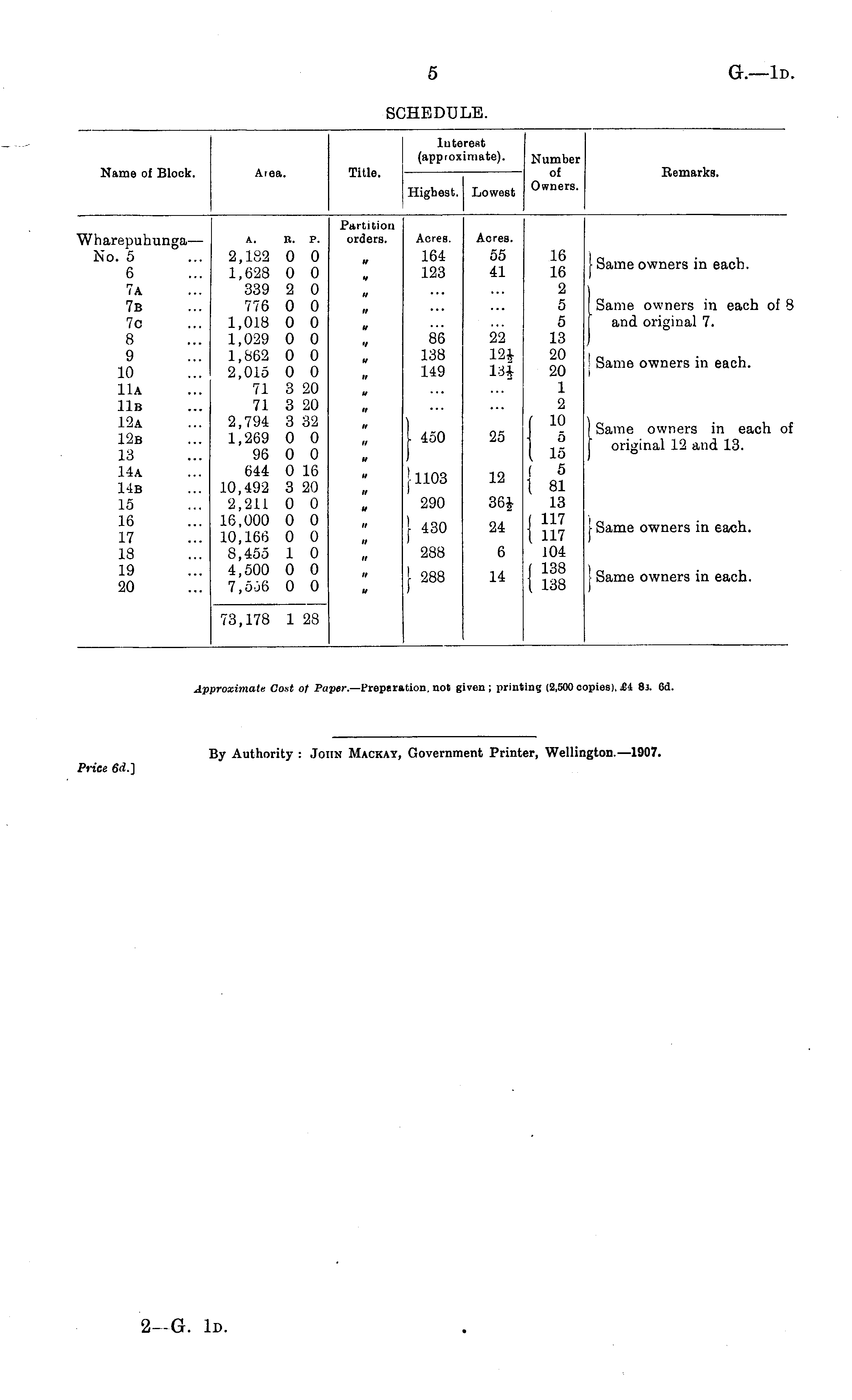
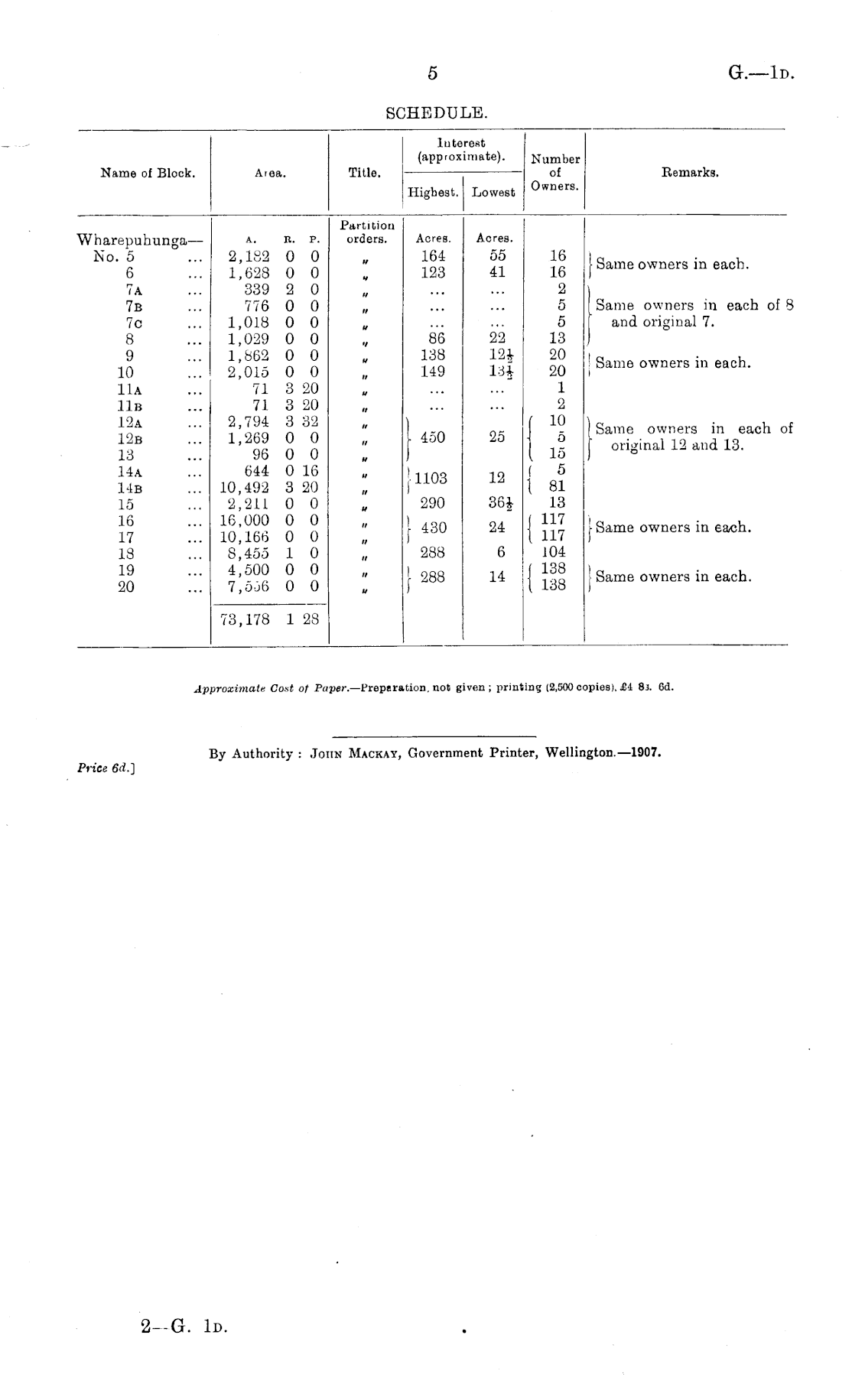
SCHEDULE.

Approximate Cost of Paper.— Preparation, not given ; printing (2,500 copies), £i Si. Gd.

Authority : John Mackay, Government Printer, Wellington.—l9o7.

Price 6d.-\

2--G. ID.

Interest (approximate). Title. Highest. Lowest Number of Name of Block. Area. Remarks. Owners. harepuhunga — No. 5 6 7a 7b 7c 8 9 10 11a llB 12a 12b 13 14a 14b 15 16 17 18 19 20 Partition orders. Acres. 164 123 Acres. 55 41 A. P.. P. 2,182 1,628 339 776 1,018 1,029 1,862 2,015 71 71 2,794 1,269 96 644 10,492 2,211 16,000 10,166 8,455 4,500 7,556 0 0 0 0 2 0 0 0 0 0 0 0 0 0 0 0 3 20 3 20 3 32 0 0 0 0 0 16 3 20 0 0 0 0 0 0 1 0 0 0 0 0 H » it » H it it it u It It 86 138 149 ■ 450 22 13* 25 16 16 2 5 5 13 20 20 1 2 10 5 15 5 81 13 117 117 J 04 138 138 Same owners in each. I Same owners in each of I and original 7. Same owners in each. i ) Same owners in each o: original 12 and 13. It It J- 1103 12 It It 290 36£ [ Same owners in each. U It | 430 24 It 288 6 It It \ 288 14 j Same owners in each. It 73,178 1 28

Log in or create a Papers Past website account

Use your Papers Past website account to correct newspaper text.

By creating and using this account you agree to our terms of use.

Log in with RealMe®

If you’ve used a RealMe login somewhere else, you can use it here too. If you don’t already have a username and password, just click Log in and you can choose to create one.


Log in again to continue your work

Your session has expired.

Log in again with RealMe®


Alert